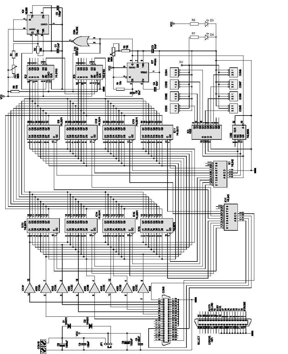
witam mam problem z ukladem sterujacym serwomechanizmami. Dziala ale tylko dla 4 serw cztery serwa nie dzialaja prawidlowo tylko "wariuja".
Doszedlem juz do tego ze nie dzialaja serwa sterowane poprzez uklady IC15 do IC18, uklady te na pewno sa dobre. Co jeszcze moze byc nie tak ktory uklad moze byc padniety
POMOCY
Aktyw Forum
Zarejestruj się na forum.ep.com.pl i zgłoś swój akces do Aktywu Forum. Jeśli jesteś już zarejestrowany wystarczy, że się zalogujesz.
Sprawdź punkty Zarejestruj sięPomocy problem z ukladem sterujacym
Moderatorzy:Jacek Bogusz, Moderatorzy
Kto jest online
Użytkownicy przeglądający to forum: Obecnie na forum nie ma żadnego zarejestrowanego użytkownika i 42 gości
