Aktyw Forum
Zarejestruj się na forum.ep.com.pl i zgłoś swój akces do Aktywu Forum. Jeśli jesteś już zarejestrowany wystarczy, że się zalogujesz.
Sprawdź punkty Zarejestruj sięUzupelnienia do projektu "komputer samochodowy" AVT434
Moderatorzy:Jacek Bogusz, Grzegorz Becker, procesorowiec, robertw, Moderatorzy
witajcie,
zlozylem kompa, przerobilem na s65 zgodnie ze zdjeciem z opisu.
wymienilem:
-D11
-polaczylem 1noge z C8 przez opornik
-wsadzilem 4 oporniki i poprzecinalem sciezki
-wymienilem r25 r27 laczac i przecinajac
nie mam tylko ukladu resetu rc a BC857 tak jak bylo na poczatku
procka wykrylo, zaprogramowalem i RUN, odlaczylem.
podlaczylem zasilanie i nic.
ani buzer ani nic na wyswietlaczu poza podswietleniem.
nie mam pomyslu. sprawdzilem wszystkie rzeczy czy sa odpowiednie wlutowane.
macie pomysl?
aha- moj wyswietlacz jest o innych numerach - czy to moze byc tego wina?
zlozylem kompa, przerobilem na s65 zgodnie ze zdjeciem z opisu.
wymienilem:
-D11
-polaczylem 1noge z C8 przez opornik
-wsadzilem 4 oporniki i poprzecinalem sciezki
-wymienilem r25 r27 laczac i przecinajac
nie mam tylko ukladu resetu rc a BC857 tak jak bylo na poczatku
procka wykrylo, zaprogramowalem i RUN, odlaczylem.
podlaczylem zasilanie i nic.
ani buzer ani nic na wyswietlaczu poza podswietleniem.
nie mam pomyslu. sprawdzilem wszystkie rzeczy czy sa odpowiednie wlutowane.
macie pomysl?
aha- moj wyswietlacz jest o innych numerach - czy to moze byc tego wina?
To nie ten LCD co trzeba, nie ma obsługi tej wersji w sofcie.
Powinno być coś takiego:

http://www.superkranz.de/christian/S65_ ... Index.html
Powinno być coś takiego:

http://www.superkranz.de/christian/S65_ ... Index.html
witajcie,
zlozylem kompa, przerobilem na s65 zgodnie ze zdjeciem z opisu.
wymienilem:
-D11
-polaczylem 1noge z C8 przez opornik
-wsadzilem 4 oporniki i poprzecinalem sciezki
-wymienilem r25 r27 laczac i przecinajac
nie mam tylko ukladu resetu rc a BC857 tak jak bylo na poczatku
procka wykrylo, zaprogramowalem i RUN, odlaczylem.
podlaczylem zasilanie i nic.
ani buzer ani nic na wyswietlaczu poza podswietleniem.
nie mam pomyslu. sprawdzilem wszystkie rzeczy czy sa odpowiednie wlutowane.
macie pomysl?
aha- moj wyswietlacz jest o innych numerach - czy to moze byc tego wina?
Wywal C8 całkowicie.
Podciągnąłeś cztery linie wyświetlacza czy tylko dwie? Bo r25 i r27 podciąga tylko dwie linie, ty musisz sam jeszcze wykombinować podciągnięcie dwóch pozostałych.
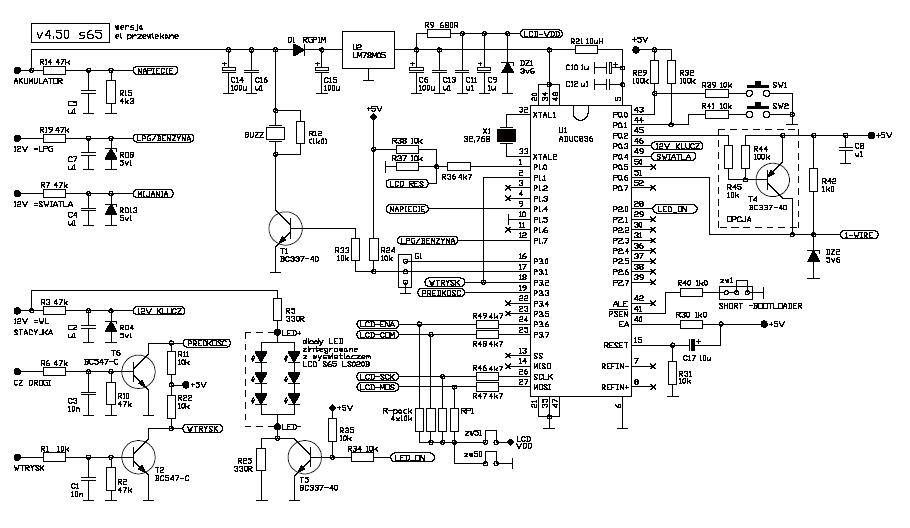
Witam,
czy ktos moze rzucic okiem na ten schemat przewlekanych i podpowiedziec jakie wartosci powinny miec kondensatory zaznaczone (opisane sa jako u1 i nie wiem co to znaczy - wstawilem 10u) i dlaczego numery opornikow sie powtarzaja ale o innych wartosciach?
po zlozeniu komputer zaprogramowany i buzer daje znac o swiatlach ale wyswietlacz jest martwy a u2 sie grzeje.
bede wdzieczny za pomoc bo juz trace cierpliwosc powoli do tego.
--------------------
w miedzy czasie dostalem odpowiedz od fachmana za ktora bardzo dziekuje:
wklejam ja bo moze komus rowniez sie przyda:
"NIE PODŁĄCZAJ PODSWIETLENIA WYSWIETLACZA !!! dopóki nie uzyskasz prawidłowych wskazań !!! grozi to trwałym uszkodzeniem, pewnie coś nie tak z podłaczeniem sygnałów lcd do płytki
kondki u1 to 100nF !
reszta nie jest krytyczna, ważny jest ttylko mostek przy r-packu,
z51 rozwarty a z50 zwarty!
c15 przy d8 to 10u/35v c15 przy r2 to 47u/35v a pozostałe to 10u/16v
pozdro
fachman"
czy ktos moze rzucic okiem na ten schemat przewlekanych i podpowiedziec jakie wartosci powinny miec kondensatory zaznaczone (opisane sa jako u1 i nie wiem co to znaczy - wstawilem 10u) i dlaczego numery opornikow sie powtarzaja ale o innych wartosciach?
po zlozeniu komputer zaprogramowany i buzer daje znac o swiatlach ale wyswietlacz jest martwy a u2 sie grzeje.
bede wdzieczny za pomoc bo juz trace cierpliwosc powoli do tego.
--------------------
w miedzy czasie dostalem odpowiedz od fachmana za ktora bardzo dziekuje:
wklejam ja bo moze komus rowniez sie przyda:
"NIE PODŁĄCZAJ PODSWIETLENIA WYSWIETLACZA !!! dopóki nie uzyskasz prawidłowych wskazań !!! grozi to trwałym uszkodzeniem, pewnie coś nie tak z podłaczeniem sygnałów lcd do płytki
kondki u1 to 100nF !
reszta nie jest krytyczna, ważny jest ttylko mostek przy r-packu,
z51 rozwarty a z50 zwarty!
c15 przy d8 to 10u/35v c15 przy r2 to 47u/35v a pozostałe to 10u/16v
pozdro
fachman"
no jestem,
w międzyczasie doszła do mnie płytka wykonana przez dziadek,
zaraz się jej przyjrzę i odpowiem na wcześniejsze pytania,
ważne że dokumentacja moja jest bezbłędna, wykonana przezemnie jedna sztuka termotransferem odpaliła się bezproblemowo, teraz zabieram się do montażu tej z fabryki,
będę edytował ten pst i dopisywał uwagi aby nie zaśmiecać tematu,
w tym momencie brakuje mi wyświetlacza, jak znajdzie się chętny to mogę wymienić sprawną płytkę komputerka na wyświetlacz lcd
co do schematu ideowego, to jest schemat v5.0 który dostałem od darekk,
jak się okazuje wersja 4.50 pod s65 jest z nim zgodna, zworki z50 i z51 pozwalają na podłączenie innych typów wyświetlaczy, dla s65 zwarta powinna być z50 (do masy)
Wepchałem też sporo zenerek zamiast dzielników rezystorowych, koszt praktycznie ten sam a w samochodówce wiadomo, zakłóceń i przepięć nie brakuje...
starałem się również nie stosować wartości oporników większych niż 10k ze względu na wilgoć, to w samochodzie normalka że szyby zaparowują, a ta sam wilgoć na zakurzonej płytce daje niepożądane "przejścia" które potrafią zej ść nawet poniżej 100k i mogłyby wpływać na pracę elektroniki. Z tego też względu uruchomiony moduł najlepiej zalać jakimś Plastic60 czu Urethan w sprayu
co do opisu elementów, jest on daleki od doskonałości, c15 powtarza się aż 4 razy
tak samo mało precyzyjnie opisałem złącze sygnałowe LCD które jest kluczowe przy uruchomieniu
no i jeszcze pewno zwróciliście uwagę że zastosowałem ordynarny 7805, bo zmierzyłem prąd pobierany w czasie programowania softem pod n3310 i wyniósł on 70mA, natomiast komputerek w wersji s65 w czasie programiowania szarpie 120mA czyli na granicy możliwości L055 czy LM a odzywający się w tym momencie buzer szarpie przecież dużo więcej, tyle tylko że impulsowo i średnio to tyle wynosi ale w rzeczywistości te szpilki mogą uszkodzić stabilizator o wydajności prądowej niższej niż 500mA, czyli 78M05 to minimum jakie tam trzeba dać
Wykaz elementów do 4.50 s65:
OPORNIKI
10R: R21
330R: R5, R25
680R: R9
1k0: R12, R30, R40, R42
4k3: R15
4k7: R36, R46, R47, R48, R49
10k: R1, R11, R22, R24, R31, R33, R34, R35, R37, R38, R39, R41, R45
47k: R2, R3, R6, R7, R10, R14, R19
100k: R29, R32, R44
RDZ: RD4, RD8, RD13 -C5V1 lub 39k
KONDENSATORY
C1, C3 -10nF/35V ceramiczne
C2, C4, C5, C7, C8, C9, C11, C12, C13, C16 -100nF/35V metalizowane
ELKI
C6 -47u/16V
C9, C10 -1u/25V
C14, C15 -100u/35V
C17 10u/6,3V tantal
INNE
IC1 -ADUC836
IC2 -LM78(M)05
T1, T5 -BC337
T2, T6 -BC 547
T4 -BC327
X1 -32,368kHz
D1 -RECT 1A
DZ1 -C3V0
DZ2 -C5V6
BUZZER
LCD LS020B...
Dodam jeszcze sposób doprowadzenia sygnałów do pcb:
AKU -akumulator
GND -masa
MPI -wtrysk
VDO -przetwornik drogi
LPG -12V gdy jedziemy na gazie
"kluczyk" przy R3 -12V za stacyjką
"Światła" przy R7 -12V gdy zapalone mijania
"termometr" przy R45 -wejście 1-wire
"+KBD-" -podłączenie mikroswitchy
"+słoneczko-" -podświetlenie LCD
W załączniku rozmieszczenie elementów odpowiadające zmodyfikowanemu schematowi ideowemu (usunięto zdublowane oznaczenia oraz zmienione kilka nazw)
w międzyczasie doszła do mnie płytka wykonana przez dziadek,
zaraz się jej przyjrzę i odpowiem na wcześniejsze pytania,
ważne że dokumentacja moja jest bezbłędna, wykonana przezemnie jedna sztuka termotransferem odpaliła się bezproblemowo, teraz zabieram się do montażu tej z fabryki,
będę edytował ten pst i dopisywał uwagi aby nie zaśmiecać tematu,
w tym momencie brakuje mi wyświetlacza, jak znajdzie się chętny to mogę wymienić sprawną płytkę komputerka na wyświetlacz lcd
co do schematu ideowego, to jest schemat v5.0 który dostałem od darekk,
jak się okazuje wersja 4.50 pod s65 jest z nim zgodna, zworki z50 i z51 pozwalają na podłączenie innych typów wyświetlaczy, dla s65 zwarta powinna być z50 (do masy)
Wepchałem też sporo zenerek zamiast dzielników rezystorowych, koszt praktycznie ten sam a w samochodówce wiadomo, zakłóceń i przepięć nie brakuje...
starałem się również nie stosować wartości oporników większych niż 10k ze względu na wilgoć, to w samochodzie normalka że szyby zaparowują, a ta sam wilgoć na zakurzonej płytce daje niepożądane "przejścia" które potrafią zej ść nawet poniżej 100k i mogłyby wpływać na pracę elektroniki. Z tego też względu uruchomiony moduł najlepiej zalać jakimś Plastic60 czu Urethan w sprayu
co do opisu elementów, jest on daleki od doskonałości, c15 powtarza się aż 4 razy
tak samo mało precyzyjnie opisałem złącze sygnałowe LCD które jest kluczowe przy uruchomieniu
no i jeszcze pewno zwróciliście uwagę że zastosowałem ordynarny 7805, bo zmierzyłem prąd pobierany w czasie programowania softem pod n3310 i wyniósł on 70mA, natomiast komputerek w wersji s65 w czasie programiowania szarpie 120mA czyli na granicy możliwości L055 czy LM a odzywający się w tym momencie buzer szarpie przecież dużo więcej, tyle tylko że impulsowo i średnio to tyle wynosi ale w rzeczywistości te szpilki mogą uszkodzić stabilizator o wydajności prądowej niższej niż 500mA, czyli 78M05 to minimum jakie tam trzeba dać
Wykaz elementów do 4.50 s65:
OPORNIKI
10R: R21
330R: R5, R25
680R: R9
1k0: R12, R30, R40, R42
4k3: R15
4k7: R36, R46, R47, R48, R49
10k: R1, R11, R22, R24, R31, R33, R34, R35, R37, R38, R39, R41, R45
47k: R2, R3, R6, R7, R10, R14, R19
100k: R29, R32, R44
RDZ: RD4, RD8, RD13 -C5V1 lub 39k
KONDENSATORY
C1, C3 -10nF/35V ceramiczne
C2, C4, C5, C7, C8, C9, C11, C12, C13, C16 -100nF/35V metalizowane
ELKI
C6 -47u/16V
C9, C10 -1u/25V
C14, C15 -100u/35V
C17 10u/6,3V tantal
INNE
IC1 -ADUC836
IC2 -LM78(M)05
T1, T5 -BC337
T2, T6 -BC 547
T4 -BC327
X1 -32,368kHz
D1 -RECT 1A
DZ1 -C3V0
DZ2 -C5V6
BUZZER
LCD LS020B...
Dodam jeszcze sposób doprowadzenia sygnałów do pcb:
AKU -akumulator
GND -masa
MPI -wtrysk
VDO -przetwornik drogi
LPG -12V gdy jedziemy na gazie
"kluczyk" przy R3 -12V za stacyjką
"Światła" przy R7 -12V gdy zapalone mijania
"termometr" przy R45 -wejście 1-wire
"+KBD-" -podłączenie mikroswitchy
"+słoneczko-" -podświetlenie LCD
W załączniku rozmieszczenie elementów odpowiadające zmodyfikowanemu schematowi ideowemu (usunięto zdublowane oznaczenia oraz zmienione kilka nazw)
Ostatnio zmieniony 1 sie 2007, o 07:08 przez fachman, łącznie zmieniany 2 razy.
Kol. 'fachman' pozwolisz że CiĘ "wypunktuję"
dot. schematu Opisowego na płytkę od strony elementów:
1. gdzie jest to 'C17 10u/6,3V tantal ' ?
2. znaki plus i minus przy 'KBD' są odwrotnie
3. T1 jest narysowany odwrotnie emiter zamieniony z kolektorem
4. T4 j.w
A co jest z diodą 5V1 za rezystorem R1 do bazy tranzystora T2 ? ...... ma iść na układ 12-15V ??
.
dot. schematu Opisowego na płytkę od strony elementów:
1. gdzie jest to 'C17 10u/6,3V tantal ' ?
2. znaki plus i minus przy 'KBD' są odwrotnie
3. T1 jest narysowany odwrotnie emiter zamieniony z kolektorem
4. T4 j.w
A co jest z diodą 5V1 za rezystorem R1 do bazy tranzystora T2 ? ...... ma iść na układ 12-15V ??
.
ad1. jest lutowany od strony druku, smd, minusem bezpośrednio do pin15 uPKol. 'fachman' pozwolisz że CiĘ "wypunktuję"![]()
dot. schematu Opisowego na płytkę od strony elementów:
1. gdzie jest to 'C17 10u/6,3V tantal ' ?
2. znaki plus i minus przy 'KBD' są odwrotnie
3. T1 jest narysowany odwrotnie emiter zamieniony z kolektorem
4. T4 j.w
A co jest z diodą 5V1 za rezystorem R1 do bazy tranzystora T2 ? ...... ma iść na układ 12-15V ??
.
na schemacie jest jeszcze R12, ale jest on montowany na dłuższych nogach w otworach brzęczyka i kabelki blaszki piezo lutujemy potem bezpośrednio do nóg R12
ad2. fakt, już wczesniej zwracałes mi na to uwagę, zapomniałem
ad3. można stosować dowolne tranzystory o kolejności wyprowadzeń C-B-E np. takie jak podałem na schemacie ideowym ale jest mnóstwo odpowiedników tych BC.. z serii 2N.. czy 2SC.. gdzie wyprowadzenia są z kolei E-B-C więc nie warto w to się zagłębiać, każdy niech patrzy przy montażu bo i tak stosowane będą w większości elementy z odzysku
jeśli chodzi o T2, to wymieniłem N-MOSFET na zwykły bipolarny i Zenerka w bazie jest zbędna, R1 idzie bezpośrednio na wtryskiwacz, na 12V, dzielnik R1/R2 w zupełności wystarcza
aha, jeszcze o tym VDD_LCD, trzeba dobierać DZ1, 3V6 może okazać się za duża, być może trzeba będzie zmienić na 3V3 bądź 3V0 tak aby uzyskać około 2,9-3,0V przy podłaczonym i pracującym wyświetlaczu
PS przydałaby się lepsza rozpiska złacza LCD, bo jak wielokrotnie pisał kolega darekk nieważne są opisy na złączu LCD, bo mogą być różne, ale w każdym egzemplarzu kolejność wyprowadzeń jest IDENTYCZNA więc nieważne jak jest opisany pin3 LCD, jak ma iść na pin3 to na pin3 jakby tam nawet jakiś głupek napisał "Głośność"
Wrzucam obrazek jak to trzeba połączyć:
- Załączniki
-
- Podłączenie LCD s65
- ADuC836v4b50_LCD.jpg (13.46KiB)Przejrzano 15746 razy
Podejdzie każda dioda prostownicza, te najpopularniejsze np Std Rect 1N4007 są na prąd 1A.Witam
mam pytanie o diodę D1 ze schematu Fachmana , opisana jako RGP1M a na wykazie jako RECT 1A.
Co to za dioda ? , czy można zastować tak jak to było we wczesniejszych wersjach diodę BAT45 ?
RGP1M jest diodą prostowniczą typu Fast Rect używaną bardzo często w zasilaczach impulsowych, też 1A,
a co do BAT45 to nie polecam, bo wersja przewlekana ma większy apetyt na prąd niż wersja oryginalna, zwiększony pobór prądu powodują głównie zmienione stabilizatory dla napięć 5V i 3V
Heh ....aleś namieszał
To że pozmieniałeś na opisówce zdublowane nazwy np.C15, R19 , ...... to rozumiem ale po co było zmieniać np. D9 ,D19 ,D20 .... mogłeś dodać tylko R [ RD9 ..............]
.... bo teraz z tych płytek co zrobiłem jest 'baba jaga'
elektronik sobie z tym poradzi ale amator-hobbysta !@#$%^&* .... no ale trudno Twoje prawo !
A co jest z C18 na opisówce jest a w wykazie części i na schemacie go nie widzę [być może ze starośći
] ?
To że pozmieniałeś na opisówce zdublowane nazwy np.C15, R19 , ...... to rozumiem ale po co było zmieniać np. D9 ,D19 ,D20 .... mogłeś dodać tylko R [ RD9 ..............]
.... bo teraz z tych płytek co zrobiłem jest 'baba jaga'
A co jest z C18 na opisówce jest a w wykazie części i na schemacie go nie widzę [być może ze starośći
nie sądzę żeby kilka zmian opisów elementów stanowiło problem,Heh ....aleś namieszał![]()
To że pozmieniałeś na opisówce zdublowane nazwy np.C15, R19 , ...... to rozumiem ale po co było zmieniać np. D9 ,D19 ,D20 .... mogłeś dodać tylko R [ RD9 ..............]
.... bo teraz z tych płytek co zrobiłem jest 'baba jaga'elektronik sobie z tym poradzi ale amator-hobbysta !@#$%^&* .... no ale trudno Twoje prawo !
A co jest z C18 na opisówce jest a w wykazie części i na schemacie go nie widzę [być może ze starośći] ?
bardziej przejrzysty i logiczny stał się schemat ideowy,
na samej płytce dosłownie nic się nie zmieniło,
nie przybył ani nie ubył żaden element, tylko niektóre dostały innych oznaczeń.
Jeśli chodzi o C18 to jest to elka odsprzęgająca +5V i na schemacie powinna być dorysowana równolegle do C6
Na rysunku przedstawiam Twoją płytkę i pokazuję elementy których opisy się zmieniły, ten jeden nieoznaczony kondek przy r-packu to niby C8, ale cosik daleko on uciekł od T4
Ostatnio zmieniony 1 sie 2007, o 11:52 przez fachman, łącznie zmieniany 1 raz.
Witam
Chcialbym zapytac o kilka rzeczy zmontowalem plytke zaprojektowana przez Dziadek i strasznie grzeje mi sie tranzystor T1, na orginalnym schemacie buzer podlaczony jest pod +5V a na schemacie Fachmana pod 12V.Jak sprawdzic przejsciowke USB-RS232 poniewaz laptop niewidzi mi ADUC ,WSD ustawiam wedlug opisu ktory byl na forum
Chcialbym zapytac o kilka rzeczy zmontowalem plytke zaprojektowana przez Dziadek i strasznie grzeje mi sie tranzystor T1, na orginalnym schemacie buzer podlaczony jest pod +5V a na schemacie Fachmana pod 12V.Jak sprawdzic przejsciowke USB-RS232 poniewaz laptop niewidzi mi ADUC ,WSD ustawiam wedlug opisu ktory byl na forum
tak może być jeśli buzer ma małą impedancję, to zjawisko można wyeliminować na kilka sposobów:strasznie grzeje mi sie tranzystor T1
-stosując tranzystor o odmiennej polaryzacji, zamiast 337 dać 327 i zamienić wyprowadzenia C i E tak aby w czasie braku przebiegu sterującego przez buzer nie płynął prąd. Trzeba wtedy również buzer przełączyć z 12v na 5v
-dać w szereg z buzerem elkę 100uF/16v
-dodać tranzystor odwracający stan logiczny na bazie T1
ja w jednym egzemplarzu też za nic nie mogłem pokonać proca i dopiero dodatkowe rezystory podciągające 2x 4k7 do plusa linii Tx i Rx załatwiły sprawę.Jak sprawdzic przejsciowke USB-RS232 poniewaz laptop niewidzi mi ADUC ,WSD ustawiam wedlug opisu ktory byl na forum
zanim zaczniemy odwracać fazy przyjrzyjmy się jak to działa: tranzystor T1 jest sterowany pinem 17 uP, a ten pin podciągnięty jest rezystorem 10k do plusa, czyli jak nie załadujemy do proca programu to pin17 pozostaje w stanie wysokim wysterowując T1, którego prąd ogranicz jedynie impedancja (rezystancja) buzera i oporność złacza C-E tranzystora. Taki wysoki pobór prądu przez układ buzera występuje jedynie włączenia proca czystego, bo już w momencie jego programowania znacząco spada do wartości jaką później będzie osiągał w czasie wysterowania.dodać tranzystor odwracający stan logiczny na bazie T1
Mogbys mi to jasniej przedstawic nie jestem zbyt dobry w elektronice
Po wgraniu programu, wyłączeniu bootloadera i ponownym restarcie proca na pin17 pojawi się stan niski i przy braku przebiegu na pin17 przez T1 nie ma przepływu prądu.
Najprościej na czas programowania dodać w szereg z buzerem albo wspomnianą wcześniej elkę albo szeregowy rezystor 100R który występuje na schemacie w wersji smd
Ja nie wiem czy we wszystkich wersjach jest tak samo tzn w czasie braku wysterowania buzera na pin17 jest stan niski, jakby tak nie było to dopiero wtedy proszę korzystać z moich rad co do odwrócenia fazy lub zmiany typu tranzystora T1, to trzeba samemu zmierzyć, ale jest to możliwe dopiero po prawidłowym wgraniu softu
that's all
Witam po urlopieWitam
Chcialbym zapytac o kilka rzeczy zmontowalem plytke zaprojektowana przez Dziadek i strasznie grzeje mi sie tranzystor T1, na orginalnym schemacie buzer podlaczony jest pod +5V a na schemacie Fachmana pod 12V.Jak sprawdzic przejsciowke USB-RS232 poniewaz laptop niewidzi mi ADUC ,WSD ustawiam wedlug opisu ktory byl na forum
Włoż ten tranzystor odwrotnie niz na rysunku na plytce [czyli obróć o 180 st.C] i będzie OK
nie, nie oto chodzi,Włoż ten tranzystor odwrotnie niz na rysunku na plytce [czyli obróć o 180 st.C] i będzie OK
to że rysunek obudowy tranzystora na płytce faktycznie sugeruje odwrotne włożenie to problem tkwi w czym innym i pisałem o nim wyżej,
to grzanie się tranzystora występuje tylko przy czystym uP, po wgraniu programu wszystko jest OK, całkiem rozsądne rozwiązanie to uruchomić płytkę na LED i dopiero potem LEDa wymienić na Buzz
-
Rademenez_
- -

- Posty:15
- Rejestracja:15 paź 2006, o 23:26
- Lokalizacja:Łódź
Witam. Zaprogramowałem "komputerek" wsadem 4.51LPG. Są w nim błędy. Ja przynajmniej dwa dostrzegłem. W miejscu gdzie był migający niebieski kwadracik pojawia się znak z poprzednio wyświetlanego ekranu. Najczęściej "G", albo "n". Drugi błąd - na ekranie zbiorników - benzynowego średnie zużycie jest liczone dalej po przełączeniu na LPG i maleje strasznie podczas jazdy, a zasięg rośnie.
Kto jest online
Użytkownicy przeglądający to forum: Obecnie na forum nie ma żadnego zarejestrowanego użytkownika i 11 gości
