Aktyw Forum
Zarejestruj się na forum.ep.com.pl i zgłoś swój akces do Aktywu Forum. Jeśli jesteś już zarejestrowany wystarczy, że się zalogujesz.
Sprawdź punkty Zarejestruj sięDlaczego dolny wykres jest zniekształcony ? tranzystor
Moderatorzy:Jacek Bogusz, Moderatorzy
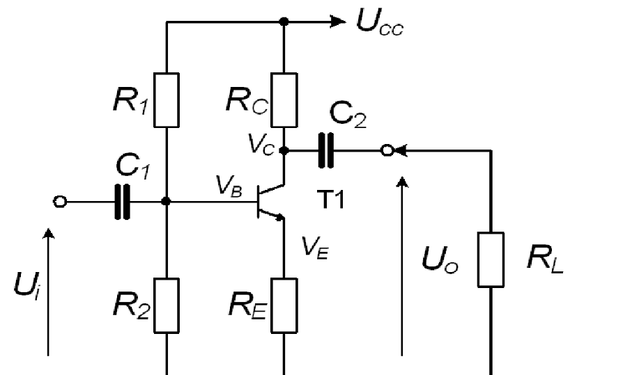
Jest to schemat układu, a wykres górny jest to napięcie Ucc a dolny to napięcie na odbiorniku, Dlaczego ten dolny jest tak zniekształcony... nie mogę do tego dojść sam, proszę o pomoc
Re: Dlaczego dolny wykres jest zniekształcony ? tranzystor
Nic nie widać ze schematu, ale na oscyloskopie widać przesterowanie układu OE 
Re: Dlaczego dolny wykres jest zniekształcony ? tranzystor
Czy można prosić o schemat układu w większej rozdzielczości?
Re: Dlaczego dolny wykres jest zniekształcony ? tranzystor
Dodano po namyśle:
na dole to wszystko jest połączone i nie ma żadnego innego elementu ... prosze o pomoc z tym dolnym wykresem bo bardzomnie to zdziwilo
czym to jest spowodowane, dlaczego tak się dzieje ... dziękuje z góry za pomoc
na dole to wszystko jest połączone i nie ma żadnego innego elementu ... prosze o pomoc z tym dolnym wykresem bo bardzomnie to zdziwilo
Re: Dlaczego dolny wykres jest zniekształcony ? tranzystor
Jaki charakter ma przebieg napięcia zasilającego (zmienny z przejściem przez zero, czy może sinusoidalnie pulsujący?)
Czemu układ zasilasz takim napięciem ? i w ogóle co próbujesz zbudować, osiągnąć?
Czemu układ zasilasz takim napięciem ? i w ogóle co próbujesz zbudować, osiągnąć?
Re: Dlaczego dolny wykres jest zniekształcony ? tranzystor
Jest to uklad ktory mielismy na podstawach elektroniki, jest to uklad wzmacniacza WE. Na generatorze ustawiony byl sygnal sinusoidalny zasilanie bodajze 18 V.
Re: Dlaczego dolny wykres jest zniekształcony ? tranzystor
A czy ten układ czasami nie był zasilany napięciem stałym (18V DC) a ten sygnał z generatora podłączony do wejścia Ui ?
Z tego co tu piszesz to wygląda na to iż sygnał z generatora dajesz na zasilanie układu Ucc, zamiast na wejście Ui
Z tego co tu piszesz to wygląda na to iż sygnał z generatora dajesz na zasilanie układu Ucc, zamiast na wejście Ui
Re: Dlaczego dolny wykres jest zniekształcony ? tranzystor
Wykres górny to nie Ucc tylko Ui, jak rozumiem, wzmacniacza się przesterowuje i tyle. Zmniejsz sygnał wejściowy.
Re: Dlaczego dolny wykres jest zniekształcony ? tranzystor
Rafal masz racje, calkiem mi sie pomylilo ! Jest tak jak mowisz, tak polaczony byl uklad, cos mi sie pomieszalo
w dalszym ciagu jest pytanie o ten dolny wykres bo jest to istotne w moim sprawozdaniu. Przepraszm zq niedokladny opis
Re: Dlaczego dolny wykres jest zniekształcony ? tranzystor
Spróbuj zmniejszyć wartość sygnału z generatora podłączonego do wejścia Ui... (jeśli amplituda tego dolnego przebiegu się zmniejszy z podobnymi odkształceniami, to należy przeanalizować układ, oraz wziąć pod uwagę jaka wartość impedancji została podłączona do wyjścia)
Re: Dlaczego dolny wykres jest zniekształcony ? tranzystor
Obciazenie 10000 omow, profesor kazal przeanalizowac dolny wykres i powiedziec dlaczego tak jest.
Re: Dlaczego dolny wykres jest zniekształcony ? tranzystor
Jeżeli wszystko zostało dobrze podłączone, to faktycznie wygląda to, na przesterowanie wzmacniacza. (tranzystor od pewnych wartości napięcia bazy zatyka się na maksa, stąd ten efekt obcinania przebiegu) 
Re: Dlaczego dolny wykres jest zniekształcony ? tranzystor
Ok dziekuje bardzo
Re: Dlaczego dolny wykres jest zniekształcony ? tranzystor
Z jednej strony tranzystor się nasyca, z drugiej mamy za niskie napięcie zasilania. Dodatkowo widać, że z polaryzacją mogłoby być lepiej, bo obcinanie nie jest symetryczne - za duże napięcie na kolektorze 
Re: Dlaczego dolny wykres jest zniekształcony ? tranzystor
napisałem profesorowi i odpowiedział, że to jest oczywiste, chce abym mu wyjaśnił dlaczego dół dolnego wykresu jest taki "zaokrąglony" ...
Dodano po namyśle:
a co to znaczy, że z polaryzacją mogłoby być lepiej ?
Dodano po namyśle:
a co to znaczy, że z polaryzacją mogłoby być lepiej ?
Re: Dlaczego dolny wykres jest zniekształcony ? tranzystor
Mogę podpowiedzieć, ale nie bierz tego na serio, bo sam też nie jestem pewien...
Prawdopodobnie, przy pełnym nasyceniu tranzystora, dalszy wzrost amplitudy sygnału wejściowego powoduje przepływ prądu mający wpływ, na spadek napięcia na rezystorze RE
Występują tu dwa źródła napięcia. (Mamy dwa oczka elektryczne)
Prawdopodobnie, przy pełnym nasyceniu tranzystora, dalszy wzrost amplitudy sygnału wejściowego powoduje przepływ prądu mający wpływ, na spadek napięcia na rezystorze RE
Występują tu dwa źródła napięcia. (Mamy dwa oczka elektryczne)
Re: Dlaczego dolny wykres jest zniekształcony ? tranzystor
Tranzystor w stanie nasycenia stanowi zwarcie między bazą a emiterem i kolektorem (dla składowych zmiennych można pominąć przesunięcia poziomów napięć, zresztą o niewielkiej wartości). Więc co się musi dziać z napięciem na kolektorze w czasie, gdy tranzystor jest nasycony?
Re: Dlaczego dolny wykres jest zniekształcony ? tranzystor
Prawdopodobnie w czasie pełnego nasycenia tranzystora, a więc w tej połówce sinusa która polaryzuje bazę tranzystora NPN napięcie na wejściu wzmacniacza (po odliczeniu wszelkich spadków) odejmuje pewną wartość napięcia od wartości Ucc (z tond to sinusoidalne zaokrąglenie w dolnej części przebiegu będące odzwierciedleniem przebiegu na wejściu Ui)Więc co się musi dziać z napięciem na kolektorze w czasie, gdy tranzystor jest nasycony?
To są tylko moje podejrzenia. (osobiście to nawet oscyloskopu nie posiadam, a większość robię na tzw. logiczne myślenie oraz "czuja" )
Re: Dlaczego dolny wykres jest zniekształcony ? tranzystor
Trochę karkołomne sformułowanie o tym "odejmowaniu pewnej wartości napięcia od wartości Ucc", ale w każdym razie istota zjawiska została dotknięta.Prawdopodobnie w czasie pełnego nasycenia tranzystora, a więc w tej połówce sinusa która polaryzuje bazę tranzystora NPN napięcie na wejściu wzmacniacza (po odliczeniu wszelkich spadków) odejmuje pewną wartość napięcia od wartości Ucc (z tond to sinusoidalne zaokrąglenie w dolnej części przebiegu będące odzwierciedleniem przebiegu na wejściu Ui)Więc co się musi dziać z napięciem na kolektorze w czasie, gdy tranzystor jest nasycony?
To są tylko moje podejrzenia. (osobiście to nawet oscyloskopu nie posiadam, a większość robię na tzw. logiczne myślenie oraz "czuja" )
Najprościej można powiedzieć, że napięcie na kolektorze w czasie nasycenia tranzystora podąża za napięciem bazy (skoro kolektor i emiter są zwarte z bazą).
Napięcie zmienne na bazie przy normalnej pracy wzmacniacza jest sinusoidalne, ale w momentach nasycenia tranzystora generator jest obciążany dodatkowo rezystancjami Re, Rc i Rl, co może w jakimś stopniu zniekształcić (stłumić) czubki tej sinusoidy. I te (może i stłumione, ale nadal wypukłe do góry) wierzchołki, przechodzące bezpośrednio na kolektor, widzimy właśnie na oscylogramie dolnym.
Re: Dlaczego dolny wykres jest zniekształcony ? tranzystor
tg3a, z twojego opisu mało wynika, ale tyle co wg mnie wynika z wykresu, to źródłem jest generator o zbyt wysokiej amplitudzie, prawdopodobnie około 2-3 razy większej niż wymagana do pracy układu bez zniekształceń i małej impedancji wyjściowej, porównywalnej lub mniejszej niż Re, wartość impedancji kondensatora C1 możemy dla uproszczenia pominąć, nie ma również rezystancji w obwodzie Ui-baza, więc układ zachowuje się tak:
1. Wzrost napięcia Ui powoduje zmniejszenie napięcia Uo (odwrócenie fazy), do momentu spowodowania całkowitego nasycenia - wartość napięcia Uo bliska Ucc*Re/Rc. Wzmacniacz przestaje wzmacniać.
2. Dalszy wzrost napięcia Ui, powoduje przepływ prądu z generatora/źródła Ui przez rezystor Re, lecz wzmacniacz już nie wzmacnia (nasycony), więc wywołuje jedynie efekt zmiany spadku napięcia na rezystorze Re - Sumują się dwa prądy, jeden z generatora, drugi z nasyconego złącza C-E. Wiem, że prądy w tym obwodzie zawsze się sumują, ale najważniejszym elementem, jest ten stan nasycenia. Dopóki tranzystor jest w stanie pracy, występuje zjawisko wzmocnienia, potem zaczynają się zniekształcenia. Często nie pamięta się o tym, że w tym układzie prądy sumują się przez emiter tranzystora i stąd trudniej zrozumieć ten typ zniekształcenia.
3. Skoro prądy z Ui i złącza C-E się sumują zgodnie z przebiegiem generatora, spadek napięcia na Re się zwiększa (napięcie na Re rośnie, więc i napięcie Uo rośnie) to na oscyloskopie pojawia się "wygięcie" do góry, czyli w tym wypadku osłabienie sygnału i zniekształcenie.
4. Podczas opadania napięcia z generatora, tranzystor znów wraca do stanu pracy i odzwierciedla przebieg "najlepiej jak potrafi", aż do momentu w którym punkt pracy (ustalany przez R1, R2 i Re)powoduje brak reakcji na zmiany Ui.
I tak dokąd nie wyłączysz Ucc i generatora
.
Mam nadzieję, że pomogłem i wyjaśnienie jest zrozumiałe. Pozdrawiam
1. Wzrost napięcia Ui powoduje zmniejszenie napięcia Uo (odwrócenie fazy), do momentu spowodowania całkowitego nasycenia - wartość napięcia Uo bliska Ucc*Re/Rc. Wzmacniacz przestaje wzmacniać.
2. Dalszy wzrost napięcia Ui, powoduje przepływ prądu z generatora/źródła Ui przez rezystor Re, lecz wzmacniacz już nie wzmacnia (nasycony), więc wywołuje jedynie efekt zmiany spadku napięcia na rezystorze Re - Sumują się dwa prądy, jeden z generatora, drugi z nasyconego złącza C-E. Wiem, że prądy w tym obwodzie zawsze się sumują, ale najważniejszym elementem, jest ten stan nasycenia. Dopóki tranzystor jest w stanie pracy, występuje zjawisko wzmocnienia, potem zaczynają się zniekształcenia. Często nie pamięta się o tym, że w tym układzie prądy sumują się przez emiter tranzystora i stąd trudniej zrozumieć ten typ zniekształcenia.
3. Skoro prądy z Ui i złącza C-E się sumują zgodnie z przebiegiem generatora, spadek napięcia na Re się zwiększa (napięcie na Re rośnie, więc i napięcie Uo rośnie) to na oscyloskopie pojawia się "wygięcie" do góry, czyli w tym wypadku osłabienie sygnału i zniekształcenie.
4. Podczas opadania napięcia z generatora, tranzystor znów wraca do stanu pracy i odzwierciedla przebieg "najlepiej jak potrafi", aż do momentu w którym punkt pracy (ustalany przez R1, R2 i Re)powoduje brak reakcji na zmiany Ui.
I tak dokąd nie wyłączysz Ucc i generatora
Mam nadzieję, że pomogłem i wyjaśnienie jest zrozumiałe. Pozdrawiam
Kto jest online
Użytkownicy przeglądający to forum: Obecnie na forum nie ma żadnego zarejestrowanego użytkownika i 36 gości


