OPIS PROJEKTU
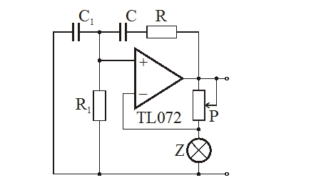
Mostek Wiena należy do chyba niedocenionych układów elektronicznych, a przecież mimo prostoty ma całkiem ciekawe własności i liczne zastosowania. Nie pierwszy co prawda, ale za to najbardziej znany generator przebiegu sinusoidalnego z mostkiem Wiena skonstruowali w 1938 r. w garażu w Palo Alto dwaj młodzi amerykanie, absolwenci uniwersytetu w Stanford, Wiliam Hewlett i Dave Packard. Ich rewolucyjnym pomysłem był właśnie sposób stabilizacji poziomu sygnału wyjściowego, co zawsze było, jest, i zapewne będzie piętą achillesową wszelkich generatorów RC. Zastosowali w tym celu żaróweczkę z wolframowym włóknem, której rezystancja rośnie przy wzroście temperatury, czyli podawanego na nią napięcia. Ten sposób stabilizacji stosowany jest do dnia dzisiejszego, a powstała w następnym roku firma Hewlett-Packard odcisnęła swoje wyraźne piętno na elektronice następnego półwiecza.
Pobierz pełny opis w formie pliku PDF
Aktyw Forum
Zarejestruj się na forum.ep.com.pl i zgłoś swój akces do Aktywu Forum. Jeśli jesteś już zarejestrowany wystarczy, że się zalogujesz.
Sprawdź punkty Zarejestruj sięMostek Wiena i jego zastosowania
Moderatorzy:Jacek Bogusz, Moderatorzy
- Załączniki
-
- Mostek Wiena i jego zastosowania.pdf
- (270.26KiB)Pobrany 781 razy
Kto jest online
Użytkownicy przeglądający to forum: Obecnie na forum nie ma żadnego zarejestrowanego użytkownika i 4 gości
