Aktyw Forum

Zarejestruj się na forum.ep.com.pl i zgłoś swój akces do Aktywu Forum. Jeśli jesteś już zarejestrowany wystarczy, że się zalogujesz.

Sprawdź punkty Zarejestruj się

Wykrywacz metali ze zrównoważoną indukcyjnością od podstaw

Awatar użytkownika
Tomasz Gumny
-
-
Posty:685
Rejestracja:4 lut 2004, o 23:31
Lokalizacja:Trzcianka/Poznań
Re: Wykrywacz metali ze zrównoważoną indukcyjnością od podst

Postautor: Tomasz Gumny » 26 wrz 2011, o 01:12

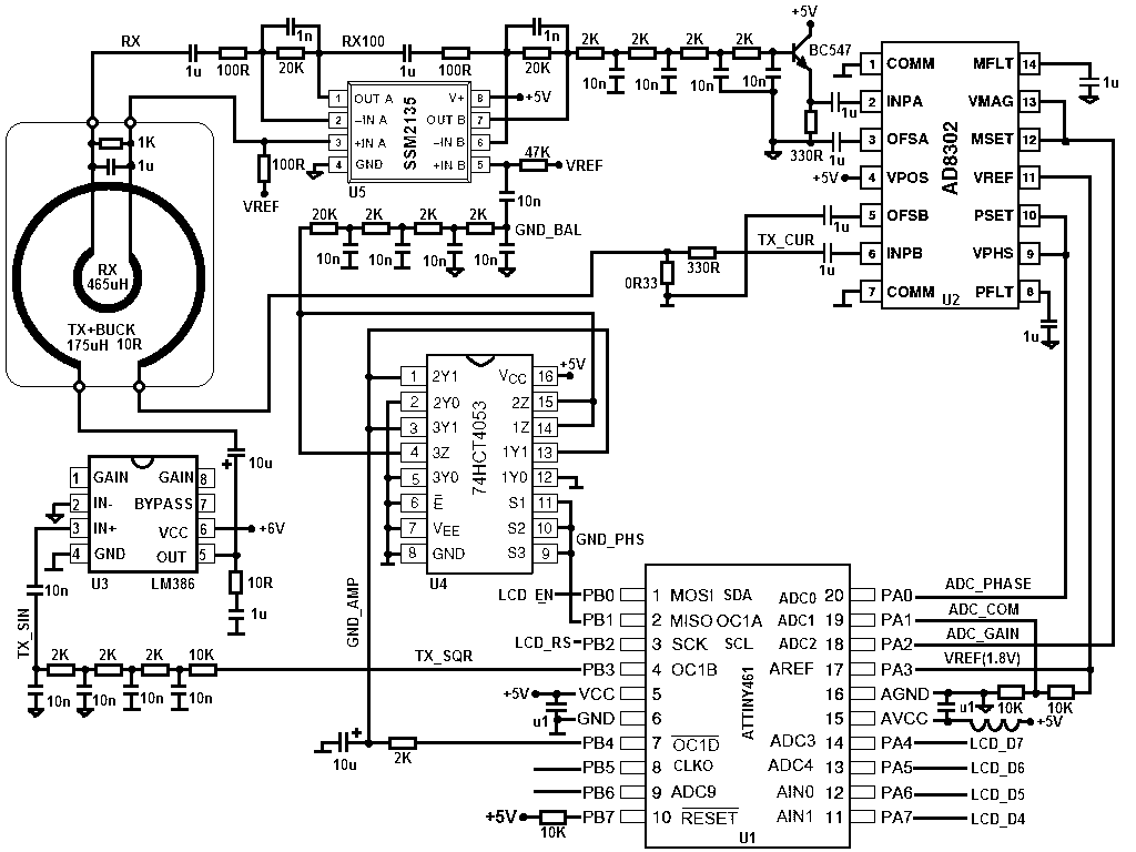
Obecnie testuję taki schemat:
sch28.gif
:arrow: Wymieniłem ADG719 na mniej egzotyczny HCT4053.
:arrow: Dodałem filtr nas wyjściu przedwzmacniacza, bo w wyniku odejmowania RX100 i GND_BAL było trochę śmieci.
:arrow: Na wyjściu filtru wstawiłem wtórnik, bo dołączenie wejścia AD8302 bezpośrednio powodowało powstanie zniekształceń skrośnych. Zresztą podobne zniekształcenia zauważyłem w sygnale TX_CUR, ale na razie nie chcę zmniejszać rezystora (330Ω), bo w przypadku odłączenia bocznika (0.33Ω) mogłoby ulec uszkodzeniu wejście INPB (pin 6) AD8302.
:arrow: Tłumienie sygnału przez dodatkowy filtr zniwelowałem podkręcając nieco wzmocnienie obu stopni przedwzmacniacza.
Po położeniu sondy na powierzchni gruntu mogę zmieniając (na razie ręcznie) fazę i amplitudę gruntu sprowadzić sygnał na wejściu INPA do poziomu poniżej 10mVpp. W tym stanie monety na głębokości 20cm dają na ekranie oscyloskopu wyraźne zmiany. Trudno mi na razie powiedzieć na ile się to przełoży na praktyczny zasięg wykrywacza.
Powoli trzeba zacząć myśleć o przyciskach i głośniku. Wyświetlacz zapewne zostanie, bo jest niezastąpiony przy uruchamianiu oprogramowania. Problem w tym, że zostały dwa wolne piny (PB5 i PB6) oraz te, które są wykorzystywane przez LCD (LCD_D7..D4, LCD_EN, LCD_RS).
Przydałoby się kilka przycisków (4..6 powinno wystarczyć). Do tego może jakieś pokrętło (enkoder, ostatecznie potencjometr).
Konieczne jest też wyjście audio na słuchawki i głośnik (a może mniej prądożerny przetwornik piezoelektryczny?). Dźwięk może być generowany programowo, chociaż zewnętrzny generator (przełączany jednym pinem cisza/ton niski/ton wysoki) bardzo odciążyłby procesor. Najlepiej z elektroniczną regulacją głośności i końcówką mocy dla głośnika...
Przydałby się też pomiar napięcia akumulatora (oba wejścia mogą być ADC).
Jakieś propozycje, poza odesłaniem do ERY? :D

traxman
-
-
Posty:215
Rejestracja:7 lip 2011, o 11:19

Re: Wykrywacz metali ze zrównoważoną indukcyjnością od podst

Postautor: traxman » 26 wrz 2011, o 07:16

Klawiatura analogowa zajmuje 1pin, spokojnie 5-6 klawiszy obsłuży, a ADC jest.
0R33 zmień na 3//1R0 zawsze łatwiej to kupić (zostały z miernika ...)
20k na 10k+10k jedna rolka mniej,
BC547->BC847

Awatar użytkownika
Tomasz Gumny
-
-
Posty:685
Rejestracja:4 lut 2004, o 23:31
Lokalizacja:Trzcianka/Poznań

Re: Wykrywacz metali ze zrównoważoną indukcyjnością od podst

Postautor: Tomasz Gumny » 26 wrz 2011, o 10:07

No dobra a jak taką klawiaturę ożenić z pomiarem napięcia baterii? Enkoder (lub potencjometr) możemy sobie darować.
A jakiś pomysł na przełączany i wyłączany generator?

traxman
-
-
Posty:215
Rejestracja:7 lip 2011, o 11:19

Re: Wykrywacz metali ze zrównoważoną indukcyjnością od podst

Postautor: traxman » 26 wrz 2011, o 10:22

Już kiedyś w mierniku wielokanałowym był taki pomiar zrobiony.
Odczyt jest niezależny, bo dla klawiatury odniesieniem jest zasilanie, więc jakie by nie było - odczyt się nie zmienia, wystarczy ustalić przedziały +/-10%.
Do oceny stanu baterii porównujesz odczyt z "puszczonej" klawiatury czyli raz z VCC i Vref=1,18V.

Awatar użytkownika
Tomasz Gumny
-
-
Posty:685
Rejestracja:4 lut 2004, o 23:31
Lokalizacja:Trzcianka/Poznań

Re: Wykrywacz metali ze zrównoważoną indukcyjnością od podst

Postautor: Tomasz Gumny » 26 wrz 2011, o 10:35

Tak, tylko tam było mierzone napięcie na wyjściu przetwornicy, które zasilało procesor a tutaj chcę mierzyć napięcie baterii przed stabilizatorem...
Jeśli czyta to ktoś znający się na wykrywaczach - co to jest ton wiodący i do czego służy (poza rozładowywaniem baterii)?

traxman
-
-
Posty:215
Rejestracja:7 lip 2011, o 11:19

Re: Wykrywacz metali ze zrównoważoną indukcyjnością od podst

Postautor: traxman » 26 wrz 2011, o 10:37

No to pozostaje komparator lub kolejny pin ADC

Awatar użytkownika
Tomasz Gumny
-
-
Posty:685
Rejestracja:4 lut 2004, o 23:31
Lokalizacja:Trzcianka/Poznań

Re: Wykrywacz metali ze zrównoważoną indukcyjnością od podst

Postautor: Tomasz Gumny » 26 wrz 2011, o 11:01

Myślałem o takiej kombinacji:
keys.gif
keys.gif (2.48KiB)Przejrzano 19092 razy
Trzeba by tylko tak dobrać rezystory, żeby dało się odróżnić napiecie baterii od klawiszy nawet jeśli zostanie naciśniętych kilka równocześnie.

traxman
-
-
Posty:215
Rejestracja:7 lip 2011, o 11:19

Re: Wykrywacz metali ze zrównoważoną indukcyjnością od podst

Postautor: traxman » 26 wrz 2011, o 11:18

A ja ta pewniej się czuje jak klawisze zwierają do masy, na bieżąco masz wtedy odczyt Vbat. A te podpięcie do +5V jakoś mnie nie przekonuje.
Będziesz musiał "nadążać" za zmianami Vbat przy odczycie klawiszy.

Awatar użytkownika
Tomasz Gumny
-
-
Posty:685
Rejestracja:4 lut 2004, o 23:31
Lokalizacja:Trzcianka/Poznań

Re: Wykrywacz metali ze zrównoważoną indukcyjnością od podst

Postautor: Tomasz Gumny » 26 wrz 2011, o 11:19

Kiedyś chodził mi po głowie taki "bez-op-ampowy" przetwornik prąd-napięcie:
keys2.gif
keys2.gif (2.71KiB)Przejrzano 19090 razy
Miałoby to szanse działać i dawać na wejściu ADC napięcie (0..0.5V) proporcjonalne do sumy prądów wpływających do emitera?

traxman
-
-
Posty:215
Rejestracja:7 lip 2011, o 11:19

Re: Wykrywacz metali ze zrównoważoną indukcyjnością od podst

Postautor: traxman » 26 wrz 2011, o 11:21

Tamten jest prosty i skuteczny, jedyny wymóg to by dzielnik na "jałowym" nie przekroczył Vcc procesora, ale to akurat nie problem.

Awatar użytkownika
Tomasz Gumny
-
-
Posty:685
Rejestracja:4 lut 2004, o 23:31
Lokalizacja:Trzcianka/Poznań

Re: Wykrywacz metali ze zrównoważoną indukcyjnością od podst

Postautor: Tomasz Gumny » 26 wrz 2011, o 23:28

Wymyśliłem coś takiego:
keys3.gif
keys3.gif (2.22KiB)Przejrzano 19059 razy
W razie potrzeby będzie można zastosować diody Schottky i zwiększyć liczbę klawiszy.

Awatar użytkownika
Tomasz Gumny
-
-
Posty:685
Rejestracja:4 lut 2004, o 23:31
Lokalizacja:Trzcianka/Poznań

Re: Wykrywacz metali ze zrównoważoną indukcyjnością od podst

Postautor: Tomasz Gumny » 27 wrz 2011, o 00:03

Gdybym na wyjściu procesora wystawiał taki przebieg:
vol1.gif
0V - niski stan
2.5V - stan wysokiej impedancji
5V - wysoki stan
vol1.gif (2.17KiB)Przejrzano 19058 razy
Stan pośredni (2.5V) mogę uzyskać dołączając zewnętrzny dzielnik rezystorowy. Gdybym taki przebieg podał na filtr, to na wyjściu powinienem otrzymać w miarę czysty sinus. Czy zmieniając czas stanu niskiego i wysokiego (lo, mid, hi), przy zachowaniu stałego okresu, uzyskam zmianę amplitudy sygnału na wyjściu filtru? To by pozwoliło w prosty sposób zrealizować programowo kilkustopniową regulację głośności...

traxman
-
-
Posty:215
Rejestracja:7 lip 2011, o 11:19

Re: Wykrywacz metali ze zrównoważoną indukcyjnością od podst

Postautor: traxman » 27 wrz 2011, o 07:19

A nie lepiej zamiast kombinować przeskoczyć na ATMEGA168/328?
Ile jest potrzebnych kroków do regulacji głośności? Można wykorzystać GAIN LM'a lub kolejny klucz 4053/2/1 lub któryś tani rezystor MCP
A klawiaturę można zawsze współdzielić z LCD, masz dokładnie 4 linie (ew. 5 na LRS), jak E=0, to przelecisz jedynkami po D7/4 i sprawdzisz co wróciło na pinie klawiatury, nic więcej nie jest potrzebne, ważne, by nie naciskać wszystkiego na raz bo wyświetlacz pokaże głupoty lub oddzielić klawisze diodami.

WEŹ WIĘKSZY PROCESOR.

Awatar użytkownika
Tomasz Gumny
-
-
Posty:685
Rejestracja:4 lut 2004, o 23:31
Lokalizacja:Trzcianka/Poznań

Re: Wykrywacz metali ze zrównoważoną indukcyjnością od podst

Postautor: Tomasz Gumny » 27 wrz 2011, o 09:53

[...]Do oceny stanu baterii porównujesz odczyt z "puszczonej" klawiatury czyli raz z VCC i Vref=1,18V.
Może będzie trzeba do tego wrócić, bo wszystkie kości mogą pracować od 4V (może poza LCD), więc do zasilania powinny wystarczyć 3 baterie 1.5V lub 4 akumulatorki 1.2V. Trzeba by tylko zrobić zabezpieczenie przed wzrostem ponad 5.5V.
A nie lepiej zamiast kombinować przeskoczyć na ATMEGA168/328?
ATTINY261/461/861 mają wewnętrzny PLL i mogę taktować timery częstotliwością 32/64MHz. Teraz chyba nie będzie potrzebna tak wysoka częstotliwość, więc może faktycznie warto przejść na coś w większej obudowie
Ile jest potrzebnych kroków do regulacji głośności? Można wykorzystać GAIN LM'a lub kolejny klucz 4053/2/1 lub któryś tani rezystor MCP
2/3 HCT4053 jest w zasadzie wolne, tylko nie bardzo mam czym sterować.

traxman
-
-
Posty:215
Rejestracja:7 lip 2011, o 11:19

Re: Wykrywacz metali ze zrównoważoną indukcyjnością od podst

Postautor: traxman » 27 wrz 2011, o 10:20

Wyświetlacze 2x16 LCD na 3,3V są dostępne bez problemu, jeżeli cała reszta da radę to czemu nie stosować 3,3V.

Awatar użytkownika
Tomasz Gumny
-
-
Posty:685
Rejestracja:4 lut 2004, o 23:31
Lokalizacja:Trzcianka/Poznań

Re: Wykrywacz metali ze zrównoważoną indukcyjnością od podst

Postautor: Tomasz Gumny » 27 wrz 2011, o 11:01

LM386 i SSM2135 pracują od 4V. Zasilałem płytkę takim napięciem i przebiegi są poprawne tylko kontrast LCD się zmniejsza.
Przypuśćmy, że wezmę ATMEGA168. Zyskam tylko kilka pinów do podłączenia klawiszy, które teraz wymagają kilku rezystorów lub diod.
Regulacja głośności i tak będzie wymagała dodatkowych zabiegów (potencjometr elektroniczny lub klucze analogowe).
Kiedyś stosowałem TDA8551 i powinno gdzieś kilka sztuk leżeć. Głośność można w nim regulować krokowo osobnymi przyciskami lub jednym pinem procesora, ale wolałbym regulację programową.

Awatar użytkownika
Tomasz Gumny
-
-
Posty:685
Rejestracja:4 lut 2004, o 23:31
Lokalizacja:Trzcianka/Poznań

Re: Wykrywacz metali ze zrównoważoną indukcyjnością od podst

Postautor: Tomasz Gumny » 27 wrz 2011, o 15:02

Chyba najlepszym rozwiązaniem będzie zasilanie:
:arrow: LM386, SSM2135 bezpośrednio z 4 baterii/akumulatorków R6;
:arrow: ATTINY461, AD8302, 74HC4053, LCD ze stabilizatora 3.3V.

Awatar użytkownika
Tomasz Gumny
-
-
Posty:685
Rejestracja:4 lut 2004, o 23:31
Lokalizacja:Trzcianka/Poznań

Re: Wykrywacz metali ze zrównoważoną indukcyjnością od podst

Postautor: Tomasz Gumny » 27 wrz 2011, o 22:57

Napisałem kawałek programu do przetestowania regulacji głośności. Procesor wystawia na pin PB3 sygnał bipolarny o częstotliwości 7.8kHz (bo taki mam już filtr w układzie). Wygląda na to, że w ten sposób będzie można całkiem skutecznie regulować głośność:
vol_63_21_7_1_64.jpg
Upper line (5V/div): PB3 (4 pin ATTINY461)
Lower line (0.5V/div): OUT (5 pin LM386)
Czas półokresu wynosi 64 "takty" a impulsy mają długość odpowiednio 63, 21, 7 i 1.
Wyliczy się kilka czasów dających "logarytmiczny" krok i będzie o niebo lepiej niż w niektórych wykrywaczach fabrycznych, gdzie do regulacji głośności służy plaster na maskownicy głośnika... :D

Awatar użytkownika
Tomasz Gumny
-
-
Posty:685
Rejestracja:4 lut 2004, o 23:31
Lokalizacja:Trzcianka/Poznań

Re: Wykrywacz metali ze zrównoważoną indukcyjnością od podst

Postautor: Tomasz Gumny » 28 wrz 2011, o 09:46

Jakoś nigdy się nad tym dokładnie nie zastanawiałem, bo wystarczył potencjometr "logarytmiczny", ale jakie powinny być wartości skuteczne napięcia sygnału przy założeniu 5-stopniowej regulacji głośności: 0(MUTE-0Vsk), 1, 2, 3, 4, 5(MAX-1Vsk)?
Czy "logarytmicznie" powinno zmieniać się napięcie czy moc sygnału?
Czy w ten sposób nie określa się potocznie charakterystyki wykładniczej skoro ucho ma charakterystykę logarytmiczną?

Po lekturze tej strony, mogę sobie odpowiedzieć. Przy założeniu maksymalnej głośności 60dB(A) [0dB(A) próg słyszalności], liniową regulację głośności można uzyskać funkcją:
y = 0.001 * e(6.908 * x)
gdzie:
y - amplituda sygnału (0..1)
x - nastawa głośności (0..1)
W naszym przypadku:
N_X___Y
0 0.0 0.0000
1 0.2 0.0040
2 0.4 0.0158
3 0.6 0.0631
4 0.8 0.2512
5 1.0 1.0002
Po zaokrągleniu wyjdą całkiem przyjemne liczby z punktu widzenia programisty. :)
Ostatnio zmieniony 28 wrz 2011, o 12:14 przez Tomasz Gumny, łącznie zmieniany 1 raz.

tg3a
-
-
Posty:243
Rejestracja:26 maja 2008, o 19:46
Lokalizacja:Warszawa

Re: Wykrywacz metali ze zrównoważoną indukcyjnością od podst

Postautor: tg3a » 28 wrz 2011, o 12:11

Jakoś nigdy się nad tym dokładnie nie zastanawiałem, bo wystarczył potencjometr "logarytmiczny", ale jakie powinny być wartości skuteczne napięcia sygnału przy założeniu 5-stopniowej regulacji głośności: 0(MUTE-0Vsk), 1, 2, 3, 4, 5(MAX-1Vsk)?
Czy "logarytmicznie" powinno zmieniać się napięcie czy moc sygnału?
Czy w ten sposób nie określa się potocznie charakterystyki wykładniczej skoro ucho ma charakterystykę logarytmiczną?
Zgadza się - w potencjometrze logarytmicznym napięcie (a właściwie współczynnik przenoszenia) powinno być funkcją wykładniczą kąta obrotu (pomijając liniowy zakres blisko zera). Równocześnie oznacza to, że i moc jest funkcją wykładniczą kąta obrotu (przy podstawie funkcji wykładniczej podniesionej do kwadratu lub, co na jedno wychodzi, przy podwojonym wykładniku).
A logarytmiczny charakter ma zależność kąta od współczynnika przenoszenia (pewnie stosuje się tu taką samą logikę jak w przypadku "skali logarytmicznej", gdzie pozycja na osi jest proporcjonalna do logarytmu z danej wielkości).
Tak więc długości impulsów mogą mieć wartości 1, 2, 4, 8, 16, 32, 64 (skok co 6 dB). Przy innej ilości kroków regulacji charakterystyka przestanie być już tak idealnie logarytmiczna (z wyjątkiem 4 stopni - 1, 4, 16, 64), ale można się do niej choć częściowo zbliżyć.
Pozdrawiam.

Wróć do „Kity AVT”

Kto jest online

Użytkownicy przeglądający to forum: Obecnie na forum nie ma żadnego zarejestrowanego użytkownika i 12 gości