Aktyw Forum

Zarejestruj się na forum.ep.com.pl i zgłoś swój akces do Aktywu Forum. Jeśli jesteś już zarejestrowany wystarczy, że się zalogujesz.

Sprawdź punkty Zarejestruj się

Wykrywacz metali ze zrównoważoną indukcyjnością od podstaw

Awatar użytkownika
Tomasz Gumny
-
-
Posty:685
Rejestracja:4 lut 2004, o 23:31
Lokalizacja:Trzcianka/Poznań
Re: Wykrywacz metali ze zrównoważoną indukcyjnością od podst

Postautor: Tomasz Gumny » 16 sie 2011, o 21:10

Tu się Piotrze nie zgodzę. Im zakłócenie jest bardziej podobne do sygnału użytecznego, tym trudniej je wyeliminować. Nie da się go odfiltrować jak przydźwięku 50Hz ani uśrednić jak szum. W dodatku niewiele wiadomo o kształcie, fazie, amplitudzie zakłócenia. Nawet nie wiadomo jak się zmienia z napięciem, częstotliwością czy nawet temperaturą. Jedyne co wiadomo, to orientacyjna wartość PSRR. Skoro charakter zakłóceń jest uciążliwy, to może będą do pominięcia ze względu na znikomą wielkość?
Zajrzałem do mądrej książki i tam twierdzą, że:
PSRR = ΔUsup / ΔUin
zatem u nas:
PSRR = 20log( (ΔUsup / (ΔUout / Ku) )
z tego mamy:
ΔUout = ΔUsup * Ku / 10^(PSRR / 20)
Układ SSM2019 ma dla wzmocnienia G=1, 10 i 100 odpowiednio PSRR = 70, 90 i 110dB,
zatem w każdym z tych wypadków:
ΔUout = 0.0003 * ΔUsup
Dla G = 1000 katalog podaje min. 110dB, zatem:
ΔUout = 0.003 * ΔUsup
Tętnienia dla prostownika jednopołówkowego wynoszą w najgorszym wypadku:
ΔUsup = Iout / (f * C)
ΔUsup = 10mA / (7800Hz * 10µF) = 0.13V
czyli:
ΔUout = 0.003 * 0.13V = 400µV
Jest to na progu czułości AD8302 wynoszącego 223µV (-74dBV).
Z drugiej strony charakter tych tętnień będzie wybitnie niekorzystny - gdy wartość V+ rośnie, to V- maleje i na odwrót, więc być może należałoby ich wartość podwoić.
Podsumowując: jeśli w obu gałęziach zasilania wstawi się filtry LC, to powinno być dobrze. :)
Byłbym wdzięczny, gdyby ktoś niezależnie sprawdził powyższe wzory i obliczenia, bo mam pył w oczach, farbę w ustach i nieco rozcieńczony mózg... :D

Awatar użytkownika
Piotr Piechota
-
-
Posty:35
Rejestracja:13 lip 2011, o 00:42

Re: Wykrywacz metali ze zrównoważoną indukcyjnością od podst

Postautor: Piotr Piechota » 16 sie 2011, o 21:58

No może rzeczywiści w Twoim wykrywaczu rzeczywiście przeszkadza. W mojej konstrukcji są prostowniki synchroniczne, które uśredniają sygnał za fragment okresu. Sygnał zakłócenia jest stały a sygnał od 'znajdki' się zmienia i łatwo można wykryć zmiany.
To troszkę jak mierząc napięcie stałe z okresem uśredniania 20ms pozbywamy się wpływu szumu od sieci ~50Hz.
Oczywiście zawsze lepiej mieć zasilania zbliżone do DC :)

Awatar użytkownika
Tomasz Gumny
-
-
Posty:685
Rejestracja:4 lut 2004, o 23:31
Lokalizacja:Trzcianka/Poznań

Re: Wykrywacz metali ze zrównoważoną indukcyjnością od podst

Postautor: Tomasz Gumny » 17 sie 2011, o 20:52

Wszystko będzie zależało od tego, jaki w rzeczywistości będzie sygnał od małych i odległych obiektów. Może jeszcze w tym tygodniu dostanę SSM2019 i nareszcie będę mógł to sprawdzić.

Od jakiegoś czasu dostaję zapytania w różnych pogańskich językach o szczegóły konstrukcji. Nie czuję się na siłach tłumaczyć opisów, zresztą na razie to są bardziej badania mające na celu uzyskanie podstawowych informacji, zdobycie odrobiny doświadczenia i przypomnienie (sobie) podstaw elektroniki analogowej.
W drodze kompromisu podpisy pod rysunkami będą od tej pory przypominać język angielski.

Awatar użytkownika
Tomasz Gumny
-
-
Posty:685
Rejestracja:4 lut 2004, o 23:31
Lokalizacja:Trzcianka/Poznań

Re: Wykrywacz metali ze zrównoważoną indukcyjnością od podst

Postautor: Tomasz Gumny » 20 sie 2011, o 03:26

Aktualny schemat:
sch16bw.gif
Dodałem przestrajany filtr LTC1569-6, który umożliwia przekształcenie przebiegu prostokątnego TX_SQR w przebieg sinusoidalny TX_SIN o stałej amplitudzie w szerokim zakresie częstotliwości:
txsqrsin.jpg
TX_SQR, TX_SIN (15.6kHz)
Po odfiltrowaniu częstotliwości zegarowej (R7/C17) wygląda jeszcze lepiej. :) Wybrałem tą kość, bo zapewnia niewielkie i - co ważniejsze - stałe przesunięcie fazowe a częstotliwość przebiegu taktującego jest 64 razy wyższa od częstotliwości granicznej filtru. Dzięki temu można było oba przebiegi "wyciągnąć" z procesora bez cudowania z dzieleniem przez 50 lub 100 jak miałoby to miejsce w przypadku innych układów. I tak wymagało to sporego "przemeblowania" wyprowadzeń, bo teraz procesor poza generowaniem przebiegu prostokątnego TX_SQR (pin 4) musi wystawić sygnał zegarowy TX_CLK (pin 8 ) o 64-krotnie większej częstotliwości:
txclksqr.jpg
Upper line: TX_CLK (1MHz)
Bottom line: TX_SQR (15.6kHz)
W dolnej połówce ekranu jest rozciągnięty fragment (rozjaśniony) przebiegu z górnej połówki.

Awatar użytkownika
Tomasz Gumny
-
-
Posty:685
Rejestracja:4 lut 2004, o 23:31
Lokalizacja:Trzcianka/Poznań

Re: Wykrywacz metali ze zrównoważoną indukcyjnością od podst

Postautor: Tomasz Gumny » 21 sie 2011, o 11:49

Nie mogę znaleźć końcówki mocy do zasilania cewki TX:
:arrow: moc 3..5W;
:arrow: klasa D;
:arrow: zasilanie 4..9V (2s LiION, 3s Pb lub 4s NiMH);
:arrow: wzmocnienie od 3dB w górę;
:arrow: obudowa DIP/SOIC/MSOP-8, ale nie mniejsza;
:arrow: da się kupić jutro w Poznaniu. :D
Może ktoś mi coś podpowie?

Awatar użytkownika
Tomasz Gumny
-
-
Posty:685
Rejestracja:4 lut 2004, o 23:31
Lokalizacja:Trzcianka/Poznań

Re: Wykrywacz metali ze zrównoważoną indukcyjnością od podst

Postautor: Tomasz Gumny » 22 sie 2011, o 02:29

Sonda dostała przedwzmacniacz na SSM2019. Zasilanie (+/-5V) jest podciągnięte osobną parą przewodów:
preamp3.jpg

wam
-
-
Posty:4
Rejestracja:22 sie 2011, o 09:04

Re: Wykrywacz metali ze zrównoważoną indukcyjnością od podst

Postautor: wam » 22 sie 2011, o 11:25

Czy moge dostac uzasadnienie dla czego wzmacniacz operacyjny z jednym zasilaniem jest niedobry.
Ciekaw jestem rezultatu z 2W wzmacniaczem na TX. Czy moge spytac o indukcyjnosc (mH) cewki TX?
Wydaje mi sie ze wzmacniacz audio 2W nie nadaje sie do TX - lepszy rezultat bedzie ze zwyklym tranzystorem. Moj wykrywacz ma 2W na TX i specjalna cewke RX dla wspolpracy z mocnym TX. Z moich obserwacji pobor pradu jest prawie 10 x wiekszy niz typowe wykrywacze a efektywnie zasieg jest tylko okolo 10cm wiekszy ( 50+ cm dla 25c US).
Z tego co pomierzylem to kazdy wykrywacz ma moc TX nominalnom (ustalona przez producenta),
potem mozna oszacowac moc maksymalna ( moc powyzej ktorej cewka ulega samozniszczeniu) no i oczywiscie moc optymalna ( moc powyzej ktorej zasieg detekcji maleje).
Mimo wszystko z cikawoscia czekam jak to wyjdzie ze wzmacniaczem audio.

Awatar użytkownika
Tomasz Gumny
-
-
Posty:685
Rejestracja:4 lut 2004, o 23:31
Lokalizacja:Trzcianka/Poznań

Re: Wykrywacz metali ze zrównoważoną indukcyjnością od podst

Postautor: Tomasz Gumny » 22 sie 2011, o 12:50

Czy moge dostac uzasadnienie dla czego wzmacniacz operacyjny z jednym zasilaniem jest niedobry.
Zakładam, że pytasz o przedwzmacniacz? Zacznijmy od tego, że nie wiem jakiej wielkości sygnał użyteczny dostanę z cewki RX na granicy zasięgu, czyli np. dla monety odległej o 20cm. Do tego dochodzi sygnał od gruntu, o którym nadal nic nie wiem. Jeśli dodamy nowe (dla mnie) wzmacniacze logarytmujące na wejściach AD8302, to mamy prawie komplet niewiedzy. :D Dlatego teraz chciałem mieć stabilny przedwzmacniacz ze sporym zapasem łatwo regulowanego wzmocnienia. Wybór padł na SSM2019, który wymaga +/-5V. Ostatecznie może to się jeszcze zmienić.
Czy moge spytac o indukcyjnosc (mH) cewki TX?
Mi też bardzo by się ta wiedza przydała, bo muszę wstawić na wejściu przedwzmacniacza jakiś kondensator tłumiący częstotliwości radiowe, ale ze względu na przestrajanie nie chciałbym, żeby RX pracowała w pobliżu rezonansu. Niestety jeszcze nie uruchomiłem mostka RLC.
Wydaje mi sie ze wzmacniacz audio 2W nie nadaje sie do TX - lepszy rezultat bedzie ze zwyklym tranzystorem.
Tu jest dokładnie tak jak z przedwzmacniaczem - nie wiem jaką moc należy dostarczyć do cewki TX, dlatego chcę mieć pewien zapas. Oczywiście ograniczeniem jest pobór prądu z akumulatora. Przebieg TX generuje procesor, zatem tranzystor mógłby pracować jako wzmacniacz lub wtórnik, ale nie jako generator.
Moj wykrywacz ma 2W na TX i specjalna cewke RX dla wspolpracy z mocnym TX.
To ciekawa informacja, bo nie zauważyłem, żeby jakiś producent podawał moc nadawaną.
Z moich obserwacji pobor pradu jest prawie 10 x wiekszy niz typowe wykrywacze a efektywnie zasieg jest tylko okolo 10cm wiekszy ( 50+ cm dla 25c US).
To nie powinno dziwić, bo często spotyka się twierdzenie, że sygnał odbierany maleje z 6-tą potęgą odległości. To też chciałbym sprawdzić doświadczalnie. :)

Awatar użytkownika
Tomasz Gumny
-
-
Posty:685
Rejestracja:4 lut 2004, o 23:31
Lokalizacja:Trzcianka/Poznań

Re: Wykrywacz metali ze zrównoważoną indukcyjnością od podst

Postautor: Tomasz Gumny » 23 sie 2011, o 00:47

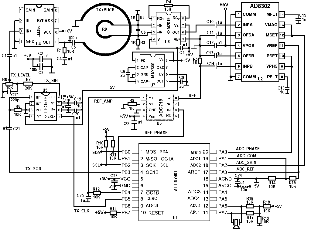
Podłączyłem wyświetlacz LCD bezpośrednio do "małego" procesora. Jeśli sprawdzi się przedwzmacniacz umieszczony w sondzie, to może nawet już tak zostanie. Zmodyfikowany pod tym kątem schemat:
sch17.gif
Układ zmontowany na płytce stykowej:
styk3.jpg
W dolnej linii są wyświetlane wartości spoczynkowe sygnału amplitudy (G0) i fazy (P0), które są pobrane po naciśnięciu przycisku. Liczby w górnym wierszu pokazują na bieżąco zmiany wartości w stosunku do tych z dolnej linii. Wyświetlane są bezpośrednio wyniki z wbudowanego ADC o 10-bitowej rozdzielczości (0..1023).
Wyniki testów w powietrzu są chyba dość zachęcające:
:arrow: moneta 5gr daje rozróżnialny sygnał (G=+10, P=+12) z około 16cm;
:arrow: w odległości 8cm zmiany wartości są znacznie większe G=+40, P=+46;
:arrow: stalowa nakrętka (czarna) daje G=+20 i P=-5 z około 10cm;
:arrow: mały młotek - G=+10, P=-27 z 24cm.

traxman
-
-
Posty:215
Rejestracja:7 lip 2011, o 11:19

Re: Wykrywacz metali ze zrównoważoną indukcyjnością od podst

Postautor: traxman » 23 sie 2011, o 10:23

Miałem chwilkę, sprawdziłem AD, mają sporo wzmacniaczy w klasie D spełniających warunki, nawet poniżej 1USD, ale jest jeden problem uBGA9 i zakup 3kszt...., załatwienie sampli niewiele rozwiąże.
Pozostaje LM4667 w TSOP i nieco mniejszą mocą ok.1.5W oraz MAX9759 w QFN.

wam
-
-
Posty:4
Rejestracja:22 sie 2011, o 09:04

Re: Wykrywacz metali ze zrównoważoną indukcyjnością od podst

Postautor: wam » 23 sie 2011, o 12:19

Teoretycznie to jest to bez znaczenia ile watow ma wzmacniacz bo te wzmacniacze sa do 4 omowych glosnikow gdzie cewka ma indukcyjnosc mikrohenrow uH a twoja cewka od wykrywacza ma indukcyjnosc w granicach mH to jest setki razy wieksza wiec pompowana moc bedzie tez duzo mniejsza. Jezeli chcesz porownac moc swojego TX w stosonku do typowego wykrywacza to mozesz oszacowac TX jak proponowalem na forum Proscana wykorzystujac oscyloskop tak ze bedziesz mial swiadomosc tego czy TX jest na poziomie Omegi albo GTI2500.

Awatar użytkownika
Tomasz Gumny
-
-
Posty:685
Rejestracja:4 lut 2004, o 23:31
Lokalizacja:Trzcianka/Poznań

Re: Wykrywacz metali ze zrównoważoną indukcyjnością od podst

Postautor: Tomasz Gumny » 23 sie 2011, o 23:09

Pozostaje LM4667 w TSOP i nieco mniejszą mocą ok.1.5W oraz MAX9759 w QFN.
Czyli w praktyce (wymagającej wystających odnóży) pozostaje LM4667MM w MSOP-10 oraz SSM2301RMZ i SSM2305RMZ - oba w MSOP-8. Wszystkie układy musiałyby być zasilane już ze stabilizatora 5V. Na razie do prób będzie LM386, ale znalazłem TDA7056, więc niewykluczone, że będzie "dopałka". :D
Teoretycznie to jest to bez znaczenia ile watow ma wzmacniacz bo te wzmacniacze sa do 4 omowych glosnikow gdzie cewka ma indukcyjnosc mikrohenrow uH a twoja cewka od wykrywacza ma indukcyjnosc w granicach mH to jest setki razy wieksza wiec pompowana moc bedzie tez duzo mniejsza.
Czy mógłbyś to rozwinąć, ale tak osobno dla rezystancji i indukcyjności. Sam się zastanawiałem nad ograniczeniami w zastosowaniu końcówek mocy m.cz., ale poza minimalną rezystancją obciążenia nie bardzo znalazłem...

wam
-
-
Posty:4
Rejestracja:22 sie 2011, o 09:04

Re: Wykrywacz metali ze zrównoważoną indukcyjnością od podst

Postautor: wam » 24 sie 2011, o 01:28

Widze ze sa problemy z "elektronika teoretyczna".
Zeby uproscic myslenie - wzmacniacz daje max 6V - obciazenie - 6 omow = moc 6W
wzmacniacz daje max 6V - obciazenie - 60 omow = moc 0.6 W
wzmacniacz daje max 6V - obciazenie - 600 omow = moc 0.06 W.
Poniewaz twoja cewka jest bardziej jak 600 omow impedancji a glosnik raczej jak 6 omow a wzmacniacz jest max 6 V wiec nie ma znaczenia jaka moc ma wzmacniacz. Dla tego wiekszosc VLF stosuje w koncowce tranzystor na 10 mA zasilany z 9V lub 12V. VLF ktory ma 2 W wyjsciowe na cewce operuje napieciami 100tek voltow na wyjsciu, kondensatory w cewce sa na 1000-ce voltow, izolacja drutu i sposob nawijania tez jest specjalny, dodatkowo generator o amplitudzie 100tek voltow tak sieje po okolicy ze normalny uklad wykrywacza nie zobaczy malutkiego napiecia z cewki odbiorczej w odleglosci metrow.Dodatkowo jak by wlozyc palec do konektora to tak jak z palcem w katakcie. Wykrywacze takie mialy by problem z atestami bezpieczenstwa. Owszem wszystko da sie zrobic i ktos tam takie wykrywacze robi ale nie dla hobbystow. W twoim przypadku jak nie chcesz cudowac z tranzystorami to poszukaj wzmacniacza ktory moze byc zasilany od 6V do 36V - to bedzie twoj limit mocy do eksperymentowania. Te najmocniejsze hobby wykrywacze maja napiecia w granicach 20V a te popularne okolo 10V. Jezeli chcesz zwiekszyc zasieg sondy to najlepiej zachowac to sama impedancje i zwiekszyc rozmiar - dla uproszczenia kazde zwiekszenie o 10 cm srednicy wydluzy pole o okolo 5- 8 cm przy tym samym poborze pradu.
Do zasilania ukladu pomysl o tanim packu "12V" Li-ion 2400mah z Hongkongu - za okolo $15 masz to razem z ladowarka i calym ukladem zabezpieczajacym batterie.

Awatar użytkownika
Tomasz Gumny
-
-
Posty:685
Rejestracja:4 lut 2004, o 23:31
Lokalizacja:Trzcianka/Poznań

Re: Wykrywacz metali ze zrównoważoną indukcyjnością od podst

Postautor: Tomasz Gumny » 24 sie 2011, o 12:54

Zmierzyłem częstotliwość rezonansu szeregowego cewek z kilkoma lepszymi kondensatorami i na tej podstawie obliczyłem indukcyjność ze wzoru:
L = 1 / (4 * Π² * f² * C)

:arrow: Cewka RX
Wyznaczenie indukcyjności:
C = 1µF, f = 7.4kHz => L[RX] = 465µH (Kalkulator cewek płaskich podaje 471µH)
Pomiar rezystancji:
R[RX] = 2.6Ω
Filtr wejściowy:
C6 = 0.1µF, L[RX] = 465µH => f = 23.3kHz

:arrow: Cewka TX
Wyznaczenie indukcyjności:
C = 1µF, f = 12.0kHz => L[TX] = 176µH (Kalkulator cewek płaskich podaje 175µH)
Pomiar rezystancji:
R[RX] = 1.6Ω

:arrow: Cewka BUCK
Wyznaczenie indukcyjności:
C = 1µF, f = 25.5kHz => L[BUCK] = 39µH (Kalkulator cewek płaskich podaje 32µH)
Pomiar rezystancji:
R[RX] = 0.6Ω

:arrow: Cewka TX+BUCK
Wyznaczenie indukcyjności:
C = 1µF, f = 12kHz => L[TX+BUCK] = 175µH
Pomiar rezystancji:
R[TX] = 2.2Ω

Teoria (prądy i moce):
L = 175µH, f = 15.6kHz => XL = 17.1Ω
R = 2.4Ω
tg( φ ) = 17.1Ω / 2.4Ω = 7.1 => φ = 82°
cos( φ ) = 0.14
sin( φ ) = 0.99
X = √( 2.4Ω² + 17.1Ω² ) = 17.3Ω
I = 2.1V / 17.3Ω = 0.12A
P = 2.1V * 0.12A * 0.14 = 0.035W
Q = 2.1V * 0.12A * 0.99 = 0.25var
S = 0.25VA
PMPO = 2800W :D

Praktyka:
fazaui.jpg
T = 6.4div * 10µs/div = 64µs
t = 1.5div * 10µs/div = 15µs
φ = 360° * 15 / 64 = 84°
tg( φ ) = 9.5
cos( φ ) = 0.10
sin( φ ) = 0.99
amplitudaui.jpg
I[TX] = napięcie na boczniku 0.1Ω.
U[TX] = 6Vpp = 2.1Vsk
I[TX] = 1.6div * 20mV/div / 0.1Ω = 0.32App = 0.11Ask
P = 2.1V * 0.11A * 0.10 = 0.023W
Q = 2.1V * 0.11A * 0.99 = 0.23var
S = 0.25VA

Pobór prądu z zasilacza 9V przy
:arrow: odłączonej cewce TX wynosi: 0.08A;
:arrow: dołączonej cewce TX wynosi: 0.11A,
zatem różnica w poborze mocy wynosi: 9V * (0.11A - 0.08A) = 0.27W.

Z tego wszystkiego najważniejsza jest chyba amplituda prądu cewki I[TX] = ~0.16A, bo zdaje się, że to ta wartość decyduje o natężeniu pola i może uszkodzić wzmacniacz końcowy.
Ostatnio zmieniony 30 sie 2011, o 11:22 przez Tomasz Gumny, łącznie zmieniany 2 razy.

Awatar użytkownika
Tomasz Gumny
-
-
Posty:685
Rejestracja:4 lut 2004, o 23:31
Lokalizacja:Trzcianka/Poznań

Re: Wykrywacz metali ze zrównoważoną indukcyjnością od podst

Postautor: Tomasz Gumny » 26 sie 2011, o 00:26

Dzisiaj dalszy ciąg przygotowań do pomiarów z gruntem. Problem polega na tym, że wiadro wypełnione ziemią rzuca się w oczy, zwłaszcza w TE oczy. :wink:
wiadro1.jpg
Przez całą głębokość wiadra prowadzi zaślepiona rura, która posłuży do "zanurzania" próbek w gruncie. Konieczne było wycięcie otworu w środku sondy, co z kolei wymusiło ponowne równoważenie sondy, już bez drutu biegnącego przez środek. Pożądany skutek dało odwinięcie ¾ zwoju cewki TX i ¼ zwoju cewki BUCK, co widać na zdjęciu. Ciekawe, że te zabiegi zmniejszyły indukcyjność cewki TX w bardzo niewielkim stopniu.
Przy zasilaniu cewki TX przebiegiem 6Vpp na wyjściu przedwzmacniacza (o 1000-krotnym wzmocnieniu) jest obecnie około 80mVpp. To oznacza, że bezpośrednio na zaciskach cewki RX jest około 80µVpp.
balans1.jpg

Awatar użytkownika
Tomasz Gumny
-
-
Posty:685
Rejestracja:4 lut 2004, o 23:31
Lokalizacja:Trzcianka/Poznań

Re: Wykrywacz metali ze zrównoważoną indukcyjnością od podst

Postautor: Tomasz Gumny » 26 sie 2011, o 22:28

Ładnie wyglądają te mikrowolty, ale to nie zmienia faktu, że na wejściu AD8302 jest 80mVpp i "geograficznymi" metodami nie da się tego poprawić. Dlatego wracam do tematu elektrycznego zerowania, który już się kiedyś pojawił:
Musisz jeszcze sobie poradzić z sygnałem "zera".
Może dodatkowa cewka na PCB sterowana napięciem "zerującym". A może do sygnału z odbiornika dodać "sygnał zerujący".
Początkowo faktycznie myślałem o dodatkowej cewce , ale to by wymagało takiego samego toru jak ten, który zasila TX, czyli: konwerter prostokąt/sinus, stopień końcowy mocy, dodatkowa para żył do sondy i kilka zwojów wciśniętych między RX i BUCK. Teraz skłaniam się do odejmowania przebiegu "zerującego" od sygnału wychodzącego z przedwzmacniacza.
Przypuszczam, że pierwszy układ lepiej radziłby sobie z sondą kiepsko zrównoważoną tradycyjnymi metodami. Z kolei drugi jest prostszy, ale przy przesterowanym przedwzmacniaczu będzie bezradny.
A może są jakieś inne zalety i wady?
Do generowania przebiegu zerującego chcę wykorzystać wyjście !OC1D, które obecnie służy do regulacji amplitudy REF, zatem poziom tego sygnału będzie musiał być ustawiony na stałe na -43dBV, bo taka wartość umożliwia wykorzystanie pełnego zakresu dynamiki wejść AD8302 (-73dBV..-13dBV).
Schemat wymagałby tylko nieznacznych modyfikacji (wymazałem nieistotne fragmenty):
sch17zer.gif
Po "lewo-kliku" pojawi się cały schemat.
sch17zer.gif (10.62KiB)Przejrzano 16115 razy

Awatar użytkownika
Piotr Piechota
-
-
Posty:35
Rejestracja:13 lip 2011, o 00:42

Re: Wykrywacz metali ze zrównoważoną indukcyjnością od podst

Postautor: Piotr Piechota » 27 sie 2011, o 05:29

Masz ma wyjściu AD8302 80[mV]. Przypuszczam, że to w przypadku gdy cewka jest w powietrzu. Jeżeli zbliżysz sondę do ziemi napięcie prawdopodobnie wzrośnie co najmniej x2. Może zastanów się czy warto tak walczyć z wyzerowaniem "do zera".
Z moich poszukiwań internetowych wynika, że tory odbiorcze różnych wykrywaczy mają wzmocnienie x kilkaset i napięcie niezrównoważenia po wzmacniaczu wejściowym na poziomie 50mV - 1000mV.
Myślę, że łatwiej poradzić sobie z małym napięciem niezrównoważenia programowo niż sprzętowo.


Pozdrawiam Piotr

Awatar użytkownika
Tomasz Gumny
-
-
Posty:685
Rejestracja:4 lut 2004, o 23:31
Lokalizacja:Trzcianka/Poznań

Re: Wykrywacz metali ze zrównoważoną indukcyjnością od podst

Postautor: Tomasz Gumny » 27 sie 2011, o 10:31

80mVpp mam na wyjściu SSM2019. Dopuszczalny sygnał na wejściu AD8302 to 630mVpp, ale ze względu na logarytmiczną charakterystykę przetwarzania AD8302 wolałbym się trzymać jak najbliżej zera - tam jest największe wzmocnienie a zatem i czułość po przetworzeniu analogowo-cyfrowym.
Pierwotnie planowałem zmniejszać wzmocnienie SSM2019 w miarę potrzeby, ale jeśli dałoby się utrzymać w ryzach niezrównoważenie sondy i po zbliżeniu do gruntu sygnał nie wzrośnie za bardzo, to zostawię 60dB a może nawet trochę podkręcę? :)

Przyszedł mi do głowy jeszcze jeden potencjalny sposób na elektryczne równoważenie: ciekawe jaki efekt dałoby "wstrzykiwanie" sygnału równoważącego w miejsce połączenie cewek TX i BUCK?

Awatar użytkownika
Tomasz Gumny
-
-
Posty:685
Rejestracja:4 lut 2004, o 23:31
Lokalizacja:Trzcianka/Poznań

Re: Wykrywacz metali ze zrównoważoną indukcyjnością od podst

Postautor: Tomasz Gumny » 27 sie 2011, o 21:02

Zdążyłem przed wieczorną burzą napełnić wiadro ziemią. Niby nic, ale każdą łopatkę musiałem przed wsypaniem do wiadra sprawdzić wykrywaczem (PI) a komary w tym czasie miały ucztę. :(
Grunt, przynajmniej ten który ukopałem okazuje się nie taki straszny.
Sygnał na wyjściu SSM2019 w powietrzu:
bezgruntu.jpg
TX: 1V/div
RX(x1000): 100mV/div
Sygnał na wyjściu SSM2019 na gruncie:
zgruntem.jpg
TX: 1V/div
RX(x1000): 100mV/div
Widać, że amplituda sygnału wzrosła z 80mVpp do 300mVpp. Oczywiście "mniej-więcej", bo sonda musiała powędrować bliżej aparatury i wyniki są bardziej zaszumione.
Równocześnie zmieniło się przesunięcie fazowe sygnału odbieranego przez RX względem sygnału nadawanego TX.

Awatar użytkownika
Tomasz Gumny
-
-
Posty:685
Rejestracja:4 lut 2004, o 23:31
Lokalizacja:Trzcianka/Poznań

Re: Wykrywacz metali ze zrównoważoną indukcyjnością od podst

Postautor: Tomasz Gumny » 28 sie 2011, o 00:13

[...] czy warto tak walczyć z wyzerowaniem "do zera".
Zapewne nie warto, ale jeśli zerowanie "elektryczne" byłoby na tyle skuteczne, że mogłoby zastąpić równoważenie "geograficzne" gotowej cewki na pcb, to jestem gotów odżałować nawet drugi filtr i wzmacniacz mocy.

Wróć do „Kity AVT”

Kto jest online

Użytkownicy przeglądający to forum: Obecnie na forum nie ma żadnego zarejestrowanego użytkownika i 22 gości