Aktyw Forum
Zarejestruj się na forum.ep.com.pl i zgłoś swój akces do Aktywu Forum. Jeśli jesteś już zarejestrowany wystarczy, że się zalogujesz.
Sprawdź punkty Zarejestruj sięCały świat audio, w małej mocy
Moderatorzy:Jacek Bogusz, Tomasz Gumny, Futrzaczek, Adam Tatuś, Moderatorzy
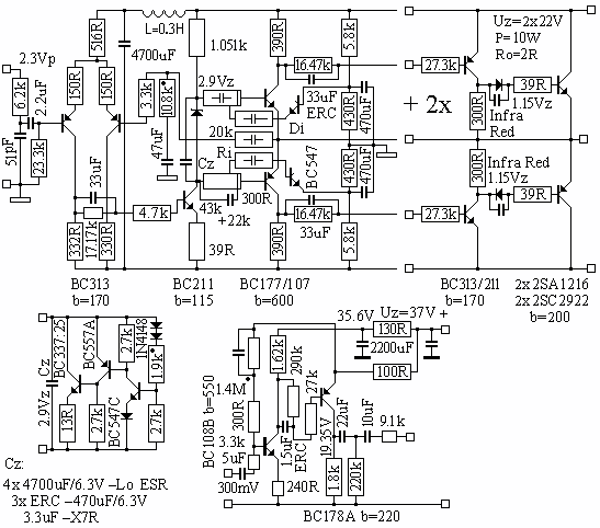
Cały świat audio, w małej mocy -to jest wyzwanie dla spełnienia dobrej jakości. Są to moje własne schematy, jedynie barwę dźwięku adaptowałem z magnetofonu ZK246. Jeśli się ktoś interesuje samym przedwzmacniaczem mikrofonowym to jego zastępcza rezystancja obciążenia wyjściowego jest Ro=18k i przez to zastosowany jest rezystor Rz=22k, dla oporności wejściowej wtórnika emiterowego Rwe=100k. A jeśli sam wzm.mikrofonowy podpiąć do wejścia wzmacniacza o rezystancji Rwe=47k to wtedy Rz=30k. Jest to czuły wzmacniacz i wysokiej jakości i mimo konstrukcji normalnego wzmacniacza nie powinien mieć dużych szumów. Podane są schematy wzmacniaczy P=3W8R, P=6W4R, P=12W2R, P=10W2R -ten może swoją jakością przewyższać wzmacniacze lampowe, P=30W1.33R. Wszystkie te wzmacniacze mają układ do automatycznej stabilizacji dynamicznej prądów spoczynkowych par komplementarnych i też w jakimś stopniu dla tranzystorów mocy. Dla kompletu są podane różne przedwzmacniacze i wzmacniacze słuchawkowe -jeden z nich jest miły z racji tego że można nim słuchać na dwa komplety słuchawek równocześnie a inny o napięciu wyjściowym Uo=3.4Vp jest wysokiej klasy Hi Fi monitorem audio jakości i potrzebuje dużego chłodzenia. Może ktoś powie na wszystko są normy, ale ważne jest jak najlepiej sterować tranzystory a małe zniekształcenia można uzyskać dużym sprzężeniem zwrotnym. Aby uzyskać jeszcze wyższą jakość podałem audio filtr AFE. Jest to opis szlachetnego AFE audio filtru wysoko rezystancyjnego i szeroko pasmowego -stała czasowa to 94M x pF i przeznaczenie jest dla lubiących eksperymentować i moja uwaga: jeśli ktoś chce stosować kondensatory ceramiczne to prawie wszystkie się nie nadają, bo dają zniekształcenia polaryzacji dielektryka i wiem z lat początku siedemdziesiątych nie mały rurkowy kondensator koloru jasno błękitnego o wartości C=10pF w ogóle się nadawał i ceramiczne kondensatory aż za bardzo upraszczają sygnał audio i do nie poznania, czy sygnał audio to jest to samo. Pokazane i rozcięte rurki są elementami kondensatora C=12pF, większy schemat to podstawa, na której stoją 2x(5x) rurki kondensatora i dwa rezystory 3.9M, a mniejszy rysunek to w filtrze wysokość zamocowania płytki montażowej układu. Drobne elementy to: centrowanie i usztywnienie górnych końców rozciętych rurek i dodatkowo jeden długi element do centrowania rurek u ich podstawy, przy lutowaniu. Zawsze dobrą rzeczą jest wyższej jakości kolumna głośnikowa Sp25W i taką konstrukcję pokazałem, z tanich głośników. Jest to solidna konstrukcja i ma dwa gł.nisko średnio tonowe i dwa wysoko tonowe i dodatkowy wysoko tonowy dający podkreślenie dla wysokiej jakości i łagodzi złe impulsy filtrów głośnikowych na poziom rzeczy wysokiej jakości. Wzmacniacze mają dobre sterowanie się i w liniowy sposób co zapewnia im potencjalnie wysoką jakość i nie gorszą od lampowej. Dobre i liniowe sterowanie tranzystorów mocy jest kłopotliwe ze względu na zastępczą rezystancję dynamiczną która im jest większa to tym jest mniejsza dynamika prądowej liniowości kolektora i dla tego są stosowane równoległe końcówki mocy, a same tr.mocy także nie mają za dużej liniowej dynamiki prądowej. Na zakończenie zaznaczę: układy scalone nie mają najwyższej jakości i nie ma możliwości ingerencji w takim układzie i tylko upraszczają wiele obecnych konstrukcji i czynią je tańsze. Na tym samym forum dział ogólny podałem profesjonalny sposób zasilania układów audio na węzłach prądowo napięciowych z zastosowaniem filtrów kondensatorowych i zaznaczę: nie ma takich wiadomości i podobnych z tak normalnym traktowaniem tranzystorów na sterowaniu, czyli są to jakby rzeczy dobre i zakazane, a ten co spróbuje je stosować sam się o tym przekona że dopiero to jest otwarta droga do audio techniki.
Ostatnio zmieniony 26 sie 2010, o 11:02 przez cin126, łącznie zmieniany 6 razy.
Niech ktoś wyrazi opinię bo mnie zatkało choć widziałem tę "twórczość" na innym forum. O co tu chodzi? Te schematy są ładnie narysowane ale w sensie elektronicznym są absurdalne. Z opisu też wynika tyle co z "Odysei kosmicznej" o astronomii i kosmonautyce. Zresztą np. tu viewtopic.php?p=89227&highlight=#89227 podobnie
Te normalne schematy to wymuszone punkty pracy aby tranzystory sterowały się całkiem liniowo i może lepiej od samych lamp elektronowych i bardziej klasycznie, co daje wyższą jakość i prostszy w przekazie dźwięk i dlaczego tak nie robić skoro jest taka możliwość i powtarzam to są właśnie normalne schematy, bo ludziom widocznie nie wolno dokładniej robić lub od początku techniki tranzystorowej są do tyłu i na ciągle zaczarowani, a może za to kto tak robi grozi kara śmierci...
Wybaczcie mi proszę, ale jak dla mnie to jest to pseudo-naukowy bełkot.
Może drastyczne stwierdzenie,ale będę się upierał.
Narysować schemat - nic prostszego. Zbudować układ w/g takiego schematu - też łatwizna.Ale zmusić aby zbudowany układ zadziałał tak jak to nam obiecuje Autor - to już wyzwanie godne Supermena.
Jak się okazuje samo używanie górnolotnych określeń i pseudonaukowego żargonu nie wystarczy do prawidłowego zaprojektowania układu.
Może chociaż Kolega Autor pochwalił by się i pokazał nam tu, na Forum jakiś Swój wykonany w/g powyższych schematów układ? Miło by było, gdyby działał...
Może drastyczne stwierdzenie,ale będę się upierał.
Narysować schemat - nic prostszego. Zbudować układ w/g takiego schematu - też łatwizna.Ale zmusić aby zbudowany układ zadziałał tak jak to nam obiecuje Autor - to już wyzwanie godne Supermena.
Jak się okazuje samo używanie górnolotnych określeń i pseudonaukowego żargonu nie wystarczy do prawidłowego zaprojektowania układu.
Może chociaż Kolega Autor pochwalił by się i pokazał nam tu, na Forum jakiś Swój wykonany w/g powyższych schematów układ? Miło by było, gdyby działał...
Re:MatyAS
Nic prostszego wystarczy pomierzyć liniowość sterowania się tranzystorów i ich dynamikę prądową na zmienne sygnały, każdego innego wzmacniacza, i okaże się nie takie dobre są prostackie sposoby prądowego sterowania się tranzystorów. I co kto lubi i jeśli ktoś chce traktować dokładne sterowanie się tranzystorów to ma gotowe schematy. Same schematy przedwzmacniaczy mają wysoką i naturalną jakość i nie myślę że ktoś nie spróbuje sobie coś z tych rzeczy zrobić. Nie jeden ciekawy jest opinii jak takie układy działają. Nie muszę sprawdzać wszystkich schematów bo prawdziwe i dynamiczne pomiary tranzystorów pokazują prawdę o tranzystorach i trochę bawiłem się moimi układami i MOSFETami i inaczej bez sensu nie podawałbym tych rzeczy. Nawet w minionej technice lampowej sprzężenie lamp ze sobą jest robione tylko skutecznie i wypadkowo tylko poprawnie a nie klasycznie. Każda wzmacniana sinusoida jeśli ma obciążenie większe ponad 20 razy od rezystora źródła pobieranego sygnału to jakość jest wyraźnie większa. Ci którzy robią inaczej to nie prostaki w elektronice i trudne układy regulują nie wiadomo jak że im w ogóle coś za te pieniądze działa.
Bełkot na razie darujemy ale wątki rasowe proszę usunąć bo zrobi to ktoś inny.
Pi-Vo
Bełkot na razie darujemy ale wątki rasowe proszę usunąć bo zrobi to ktoś inny.
Pi-Vo
Ostatnio zmieniony 31 sie 2010, o 11:31 przez cin126, łącznie zmieniany 1 raz.
Kto jest online
Użytkownicy przeglądający to forum: Obecnie na forum nie ma żadnego zarejestrowanego użytkownika i 33 gości


