Często zdarza się zapomnieć wyłączyć ogrzewanie tylnej szyby w samochodzie. Nie potrzebnie jest wtedy obciążony bardzo dużym prądem alternator, oraz instalacja elektryczna, co w krańcowym przypadku może doprowadzić nawet do nie doładowania akumulatora.
Rozwiązaniem problemu jest zastosowanie wyłącznika czasowego, wyłączającego grzejnik po pewnym, optymalnie dobranym czasie.
Opisywany wyłącznik czasowy wyłącza grzejnik po czasie około 5 minut od chwili włączenia istniejącym wyłącznikiem. Gdyby czas ten okazał się zbyt krótki, wyłączenie i ponowne włączenie wyłącznika uruchamia ogrzewanie na następne 5 minut.
Tym samym wyłącznikiem można wyłączyć ogrzewanie w dowolnej chwili.
Szczegółowy opis budowy modułu czasowego, i sposób zamontowania dotyczy samochodu Skoda Octavia, jednak bez przeszkód można go stosować w każdym samochodzie z uwzględnieniem odpowiedniego sposobu podłączenia.
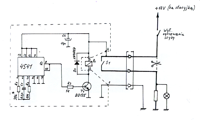
Schemat modułu jest pokazany na rys.1. Moduł składa się ze stopnia odmierzającego czas z układem scalonym CD4541, układu wykonawczego z tranzystorem T1 i przekaźnikem P1, oraz stopnia załączającego z tranzystorem T2.
Aplikacja i zasada działania układu CD4541 jest pokazana na rys.2. Układ ten składa się z generatora o częstotliwości dobieranej elementami RC dołączonymi do nóżek 1 i 2, oraz licznika impulsów, zmieniającego stan wyjścia Q (n8) na przeciwny po zliczeniu określonej liczby impulsów. Liczbę tych impulsów wybiera się odpowiednim podłączeniem nóżek 12 i 13.
W samochodzie Skoda Octavia (także w Volkswagenach), ze względu na żaróweczkę kontrolną, sygnalizującą włączenie grzejnika, umieszczoną wewnątrz modułu wyłącznika, a wyłącznik jest nie rozbieralny (bardzo trudno rozbieralny), konieczne było zastosowanie specjalnego stopnia włączenia z tranzystorem T2. Przy innym podłączeniu żaróweczka kontrolna świeciła by cały czas, chociaż układ czasowy wyłączy ogrzewanie.
Układ działa w następujący sposób.
Włączenie wyłącznika powoduje podłączenie bazy tranzystora T2 przez rezystor R4 i rezystancję grzejnika, do masy. Tranzystor T2 zacznie przewodzić, i tym samym włączy zasilanie modułu. Układ czasowy zaczyna odliczać czas, na wyjściu Q (n.
W takiej konfiguracji jak na rys.1, częstotliwość generatora wynosi około 220Hz, a licznik zliczy 65536 impulsów, a więc , po czasie około 5 minut stan wyjścia Q zmieni się na niski. Niski stan będzie również na wejściu 10, licznik zostanie zatrzymany. Tranzystor T1 przestaje przewodzić, przekaźnik P1 rozwiera styki, grzejnik wyłączony. Rozwarte styki S1 powodują przewodzenie tranzystora T2, i tym samym podtrzymanie zasilania układu.
Taki stan utrzyma się dowolnie długo, aż do wyłączenia zasilania wyłącznikiem, lub stacyjką.
Kondensator C2 zapewnia stabilne działanie układu w stanach przejściowych.
Na rys.3 pokazany jest bardziej prosty sposób włączenia układu w przypadku gdy żaróweczka kontrolna jest włączona poza modułem wyłącznika.
Płytka montażowa jest pokazana na rys.4, a budowa modułu na rys.5
Obudowę modułu wykonano z zewnętrznej części pudełka po zapałkach. Można ją kilkakrotnie zanurzyć w farbie nitro, lub owinąć taśmą izolacyjną, i trwałość takiej obudowy będzie wystarczająca.
W Octavii przewody należy podłączyć około 4cm od wtyku połączeniowego modułu wyłącznika, wykorzystując do tego celu gwintową listwę połączeniową, stosowaną w energetyce (popularna „kostka”), a moduł czasowy położyć na odbiorniku radiowym, na warstwie gąbki.
Po kilku latach bezproblemowego użytkowania układu w wersji z rys.1, zmodernizowałem układ na wersję z rys.3.
Zadałem sobie trud rozebrania wyłącznika, i dobudowałem jeszcze jedną kontrolkę, co też wiązało się z wyprowadzeniem dodatkowego przewodu z wyłącznika.
Teraz oryginalna, żółta kontrolka sygnalizuje włączony wyłącznik, a dodatkowa czerwona włączony grzejnik. Takie rozwiązanie jest bardziej funkcjonalne, ale niestety bardziej pracochłonne, jeżeli nie chce się montować kontrolki gdzieś na pulpicie, tylko w wyłączniku.

