Macie jakieś pomysły na sterowanie takim żyrandolem ?
np. coś takiego jak niżej, stosując włącznik 2-przyciskowy:
Aktyw Forum
Zarejestruj się na forum.ep.com.pl i zgłoś swój akces do Aktywu Forum. Jeśli jesteś już zarejestrowany wystarczy, że się zalogujesz.
Sprawdź punkty Zarejestruj sięModeratorzy:Jacek Bogusz, Moderatorzy

Z faktu, że na Twoim schemacie do żyrandola idą 2 przewody wynika, że wyłączniki muszą być w stanie spoczynku zwarte i raczej monostabilne. Naciskając (rozwierając) na chwilę jeden, możemy wydać jedną "komendę" np. "zapal jedną żarówkę więcej", naciskając drugi - drugą "komendę" - np. "zgaś jedną z żarówek". Równoczesne naciśnięcie obu wyłączy wszystkie żarówki. Odbiornik takiej sygnalizacji (np. 2 transoptory) i sterownik żarówek (2-kierunkowy rejestr przesuwny) jest do zrobienia "na piechotę".W trakcie remontu ktoś zapomniał wymienić przwewód zasilający żyrandol i są tylko 2 przewody jak do jednej żarówki![]()
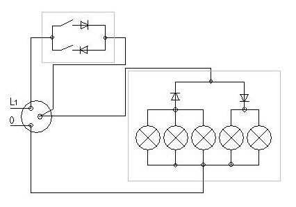
Macie jakieś pomysły na sterowanie takim żyrandolem ?
np. coś takiego jak niżej, stosując włącznik 2-przyciskowy:

Użytkownicy przeglądający to forum: Obecnie na forum nie ma żadnego zarejestrowanego użytkownika i 21 gości