Witam , i mam takie lamerskie pytanie"
jak by najprosciej , nie wiem -moze korzystajac z SPI wyslac konkretne 24 bity
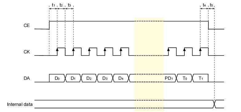
jest to prosta transmisja ,ktora powinna odbyc sie przy wykorzystaniu 3 lini, zegar wewnetrzny 1MHz,szybkosc transmisji raczej niema znaczenia, aczkolwiek nie powinna przwdopodobnie przekraczac 100khz:
po jednorazowym wyslaniu procesor powinien przejsc w tryb uspienia
-CIP ENABLE (w czasie wysylania przyjmowac powinien stan wysoki)
-zegar
-data (dane wpisywane sa do rejestrow wejsciowych syntezera przy narastajacym zboczu zegara
czy ktos bylby mi w stanie podac przykladowy kod w ktorym wmiare potrzeb mialbym mozliwosc edycji-zdefiniowania kazdego z 24 bitow na stan wysoki lub niski ktory bylby wyslany szeregowopo zapomoca SPI (bo tak bylo by prawdopodobnie najprosciej)
ewentualnie
PD5 jako Data
PD6 jako Clock
PD7 jako Cip Enable
czy jest ktos w stanie mi w tym pomoc ? -jak narazie asembler jest dla mnie czarną magią
dziekuje i pozdrawiam
Aktyw Forum
Zarejestruj się na forum.ep.com.pl i zgłoś swój akces do Aktywu Forum. Jeśli jesteś już zarejestrowany wystarczy, że się zalogujesz.
Sprawdź punkty Zarejestruj sięATmega 8 transmisja szeregowa
Moderatorzy:Jacek Bogusz, procesorowiec, r-mik, Moderatorzy
witam , dzieki za zainteresowanie
najlepiej w asemblerze,
ale niemoge chyba wybrzydzac - i narazie zanim zdobede odpowiednia literature o asemblerze zadowolic moglbym sie kazdym ktory umozliwilby mi przeprowadzenie experymentow z syntezerem
poprostu bym mial wplyw na kazdy z bitow przeznaczonych do wyslania
najlepiej w asemblerze,
ale niemoge chyba wybrzydzac - i narazie zanim zdobede odpowiednia literature o asemblerze zadowolic moglbym sie kazdym ktory umozliwilby mi przeprowadzenie experymentow z syntezerem
poprostu bym mial wplyw na kazdy z bitow przeznaczonych do wyslania
Kto jest online
Użytkownicy przeglądający to forum: Obecnie na forum nie ma żadnego zarejestrowanego użytkownika i 12 gości

