cześć.
Prosze o pomoć bo się zamieszałem
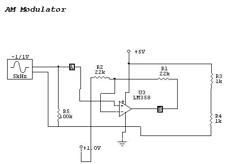
Mam układ przedstawiony na rys. poniżej.
Jaki będzie przebieg na wyjściu w punkcie B.
Czy konieczny jest rezystor R5 (100k)
Jak dodam na wejsciu kondensator to co się zmnieni
Jakie bedzie napięcie w stanie spoczynkowym w punkcie B (bez sygnału wejscowego)
Aktyw Forum
Zarejestruj się na forum.ep.com.pl i zgłoś swój akces do Aktywu Forum. Jeśli jesteś już zarejestrowany wystarczy, że się zalogujesz.
Sprawdź punkty Zarejestruj sięAnaliza wzmacniacza odwracającego
Moderatorzy:Jacek Bogusz, Moderatorzy
1. Przebieg na wyjsciu bedzie odwrocony w fazie o 180 st. wzgledem wejsciowego (wzmocnienie wynosi -1V/V).
2. Rezystor jest nie jest niezbedny, ale z kilku powodow warto go zastosowac.
3. Jezeli zrodlo sygnalu wejsciowego nie dodaje offsetu DC do sygnalu, to kondensator zawezi jedynie pasmo.
4. 2,5V.
Pzdr
PZb
2. Rezystor jest nie jest niezbedny, ale z kilku powodow warto go zastosowac.
3. Jezeli zrodlo sygnalu wejsciowego nie dodaje offsetu DC do sygnalu, to kondensator zawezi jedynie pasmo.
4. 2,5V.
Pzdr
PZb
A jakie sa powody zastosowania rezystora?
Czy ten układ można rozpatrywać jako wzmacniacz różnicowy? Chodzi mi o napięcie na wejsciu (+) wzmacniacza w przypadku podania npięcia odniesienia 1.25V
[ Dodano: 20-11-2006, 12:46 ]
Pozmieniałem troszkę ten układ w celach edukacyjnych i wyszło mi to co na rys. Dlaczego?
Czy ten układ można rozpatrywać jako wzmacniacz różnicowy? Chodzi mi o napięcie na wejsciu (+) wzmacniacza w przypadku podania npięcia odniesienia 1.25V
[ Dodano: 20-11-2006, 12:46 ]
Pozmieniałem troszkę ten układ w celach edukacyjnych i wyszło mi to co na rys. Dlaczego?
-
a_antoniak
- -

- Posty:651
- Rejestracja:13 sty 2005, o 18:38
- Lokalizacja:Krasnystaw
- Kontaktowanie:
A czy nie bedzie raczej rowne 5V? 1 z wyjasnien: dla Uwej=0 wzmacniacz ten to wzmacniacz nieodwracajacy o wzmocnieniu 2 dla napiecia wejsciowego 2.5V. 2 wyjasnienie - rowniania ogolne daja:4. 2,5V.
Pzdr
PZb
Uwy = 5V - Uwej
Chyba, ze "bez sygnalu wejsciowego" oznacza, ze odlaczono zrodlo, a nie ze Uwej=0. Wtedy rzeczywiscie napiecie wyniesie ok. 2.5V
Kto jest online
Użytkownicy przeglądający to forum: Obecnie na forum nie ma żadnego zarejestrowanego użytkownika i 21 gości
