Mam zamiar zrobić miernik Voltów i Amperów na ATmega8
i właśnie wpadłem na to że właściwie nie wiem jak zabezpieczyć układ przed odwrotnym podłączeniem badanego napięcia...
Będzie dzielnik napięcia jakieś 1:100 aby móc wyliczyć do ponad 250V
oraz ok 4-5Amper (za pomocą voltmiarki na boczniku).
Matematycznie wykalibrowany zostanie w programie.
no i mamy GetADC.
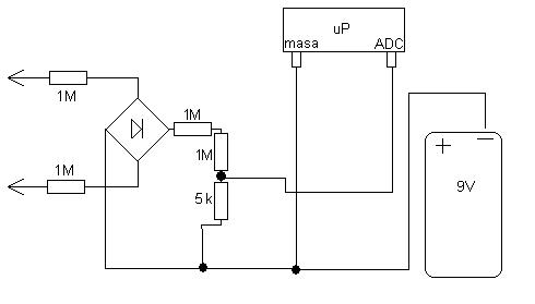
Tylko co jeśli, wpakuje te (dość mało) 5V odwrotnie w µP ?? na mase może pójść dość równierz duży prąd. co wtedy???
Mam jeszcze jedno pytanie:
Jak zrobić najprostrzy stabilizator z bateri ~9V na 5V?
Zwykły lm7805 to chyba nie da rady (za dużą moc będzie tracić)?
Może diody zenera?


Masz bardzo ambitne plany ale wydaje mi sie ze brakuje Ci troche wiadomosci i wogole 


