Aktyw Forum

Zarejestruj się na forum.ep.com.pl i zgłoś swój akces do Aktywu Forum. Jeśli jesteś już zarejestrowany wystarczy, że się zalogujesz.

Sprawdź punkty Zarejestruj się

Amperomierz do miernika lamp

Awatar użytkownika
Futrzaczek
-
-
Posty:782
Rejestracja:4 gru 2005, o 17:48
Lokalizacja:Piotrków Tryb
Kontaktowanie:
Amperomierz do miernika lamp

Postautor: Futrzaczek » 8 wrz 2006, o 14:34

Witam :)

Chcę sobie zrobić miernik lamp na mikrokontrolerze. Wszystko ładnie pięknie, ale mam problem z pomiarem prądu anodowego i paru innych. Otóż wbudowane A/C mikroprocesorka mierzy napięcie względem masy, więc pomiar spadku napięcia na rezystorze szeregowym odpada. Muszę zrobić miliamperomierz (do 100mA) z separacją galwaniczną na >300V. Z pomiarem napięcia nie będzie problemu, dzielnik rezystorowy mi starczy.
Macie może jakieś pomysły? Znalazłem na Elektrodzie taki schemacik. Ponieważ link jest źle zrobiony i nie każdy ma czytnik .djvu, pozwolę sobie wrzucić ten schemat tutaj. Mam w związku z nim 3 pytania:
a)Nada się?
b)A cóż to jest za RL1?
c)Jak się to wpina w resztę układu?
Obrazek

Awatar użytkownika
tasza
-
-
Posty:456
Rejestracja:17 sty 2005, o 10:52

Postautor: tasza » 8 wrz 2006, o 15:27

a) moim zdaniem nada się średnio, a to ze względu, że cały układ można
zasilać maksymalnie z takiego napięcia jak wzmacniacz operacyjny...

b) RL1 to skrót od R load, load - obciążenie, RL1 - rezystancja obciążenia,

inny pomysł....popatrz proszę na rysunek w załaczniku
skoro już tworzysz urządzenie z wykorzystaniem uP, to proponuję tak:
miliamperomierz na osobnym procesorze, pomiar I przez pomiar spadku
napięcia na 'wzorcowym' R zapinanym w wybraną gałąź, w której prąd nad ciekawi.

problem, że masa takiego układu będzie na wysokim potencjale rozwiązujemy tak:

miliamperomierz zasilamy z oddzielnego zasilacza, który nie ma galwanicznego
połączenia z badanym obwodem
, dane wyprowadzamy z miliamperomierza
już w postaci cyfrowej....jakkolwiek np. częstotliwość impulsów proporcjonalna do prądu,
a może wypełnienie PWM-a... a może w formie ramek z danymi np. po RS232.
ważne jest to, że miliamperomierz komunikuje się z odbiorcą danych przez optozłącze,
więc można go będzie wpiąć w obwód praktycznie gdziekolwiek...
jedyne co Cię ograniczy to wytrzymałośc na przebicie transoptorów i obwodów zasilacza....
a tym że będzie dodatkowy procek chyba nie należy się przejmować...

tasza
Załączniki
mA_opto_sep.gif
mA_opto_sep.gif (5.27KiB)Przejrzano 9620 razy

Awatar użytkownika
Futrzaczek
-
-
Posty:782
Rejestracja:4 gru 2005, o 17:48
Lokalizacja:Piotrków Tryb
Kontaktowanie:

Postautor: Futrzaczek » 8 wrz 2006, o 15:52

Bardzo dziękuję za odpowiedź :) To rozwiązanie byłoby wręcz idealne ale... będę miał 3 miliamperomierze i jeden amperomierz. Kupno 4 kostek, odzielne zasilanie, oddzielne programowanie... Taniej będzie kupić 4 mierniki po 15zł ;)
I jeszcze cóś: znalazłem w sklepie elektronicznym schemat kitu NE "Amperomierz z separacją galwaniczną". Ten schemat jest ogólnodostępny - mogę go zamieścić?

Awatar użytkownika
tasza
-
-
Posty:456
Rejestracja:17 sty 2005, o 10:52

Postautor: tasza » 8 wrz 2006, o 15:59

to ten ?
:arrow: http://www.nikomp.com.pl/zestawyN/N-105.htm

hmm, nie będzie 3 mili i jednego amperomierza, tylko jeden
a coś co będzie zarządzało tym miernikiem do lamp będzie sobie zapinało miernik
tam gdzie aktualnie potrzeba i zbierało dane.... w szczególności może to robić w kółko....
skoro masz procesorek w mili(amperomierzu) i się z nim komunikujesz,
to jaki problem wysyłać do niego polecenia typu zmień sobie zakres pomiarowy....?

tasza

PS.
wydawało mi się, że chcesz zrobić automatyczny (inteligentny) miernik...
przynajmniej takie wrażenie odniosłam czytając Triodę...
wstawienie czterech cyfrowych mierników będzie funkcjonalnie oznaczało
to samo co wstawienie czterech wskazówkowych...tylko będzie 'bajer'
sztuka cała polega w/g mnie na tym, aby z tych punktów pomiarowych zebrać dane
w celu dalszej obróbki, np. narysowania charakterystyk....
to jak? będziesz przepisywał na kartkę?

Awatar użytkownika
Futrzaczek
-
-
Posty:782
Rejestracja:4 gru 2005, o 17:48
Lokalizacja:Piotrków Tryb
Kontaktowanie:

Postautor: Futrzaczek » 8 wrz 2006, o 16:06

Tak, to właśnie ten :D
Tylko jest kleine problem... Co najmniej 2 pomiary muszą być stale wyświetlane na LCD'eku. Owszem, jest to rozwiązanie, nawet dobre. To może :o mam pomysła. Zdobyć A/D -> I2C kilkukanałowy. Odpada programowanie procka :)
PS.
wydawało mi się, że chcesz zrobić automatyczny (inteligentny) miernik...
przynajmniej takie wrażenie odniosłam czytając Triodę...
wstawienie czterech cyfrowych mierników będzie funkcjonalnie oznaczało
to samo co wstawienie czterech wskazówkowych...tylko będzie 'bajer'
sztuka cała polega w/g mnie na tym, aby z tych punktów pomiarowych zebrać dane
w celu dalszej obróbki, np. narysowania charakterystyk....
to jak? będziesz przepisywał na kartkę?
Ten automatyczny nie jest zbytnio konieczny... konwerter FT232BM można zawsze zdobyć ;) . Po prostu chciałem coś, czym mógłbym zmierzyć emisję lampy, a urosło to do niezłego kombajnu.
A czemu by nie przepisywać na papiera? Choć np. program, który będzie na ekranie rysował charakterystykę lampy i porównywał z katalogowymi, to już byłby kompletny bajer.

Awatar użytkownika
tasza
-
-
Posty:456
Rejestracja:17 sty 2005, o 10:52

Postautor: tasza » 8 wrz 2006, o 16:15

:arrow: http://www.aurel32.net/elec/pcf8591.pdf PCF8591
tylko że 8-bit....
to już lepiej jakiś 'zwykły' 10-12bit i czytać go przez expandery PCF8574...

optoizolację I2C da się zrobić....i nawet trzeba...
widziałam taki projekt, chyba w którymś Elektronik Elektor :roll:

tasza

ps.
A czemu by nie przepisywać na papiera
wiesz, automatyczny charakterograf to byłaby bardzo ciekawa i wartościowa zabawka....
a tak to zrobisz zwykły stół do laborek pt. 'badanie lamp'
ale jak już chcesz...

Awatar użytkownika
Futrzaczek
-
-
Posty:782
Rejestracja:4 gru 2005, o 17:48
Lokalizacja:Piotrków Tryb
Kontaktowanie:

Postautor: Futrzaczek » 8 wrz 2006, o 16:30

Ten przetwornik... Od Maxim'a coś odpowiedniego wydębię.
Im dłużej o tym myślę, tym bardziej udziwniony się staje ten miernik... Żarzenie 6,3V 3A, 0-30V 300mA, 0-60V 100mA. Anodowe 0-300V 100mA, full wypas charakterystyki...
Optoizolację zrobić na paru optotranzystorach. Ale... Jak idą sygnały w I2C? Jednym kablem w jedną, drugim kablem w drugą?

Awatar użytkownika
tasza
-
-
Posty:456
Rejestracja:17 sty 2005, o 10:52

Postautor: tasza » 8 wrz 2006, o 16:49

Optoizolację zrobić na paru optotranzystorach.
hmm...jednak nie nadążam za tą techniką... :(
Jak idą sygnały w I2C? Jednym kablem w jedną,
drugim kablem w drugą?
SCL jest jednokierunkowa - Master taktuje, Slaves tylko słuchają...a SDA jest dwukierunkowa

wygoglowany przykład układu w załączniku, w komplecie z tym linkiem:
:arrow: http://www.nxp.com/acrobat_download/app ... N255_2.pdf
powyższe do przemyślenia....

tasza
Załączniki
I2C-Bus opto-isolation.gif

Awatar użytkownika
Futrzaczek
-
-
Posty:782
Rejestracja:4 gru 2005, o 17:48
Lokalizacja:Piotrków Tryb
Kontaktowanie:

Postautor: Futrzaczek » 8 wrz 2006, o 17:51

Optoizolację zrobić na paru optotranzystorach.
hmm...jednak nie nadążam za tą techniką... :(
Ja też nie nadążam... Jeszcze wczoraj to były optoizolatory ;)
A co do załącznika. Podoba mi się to, dziękuję :)
Ale... (zawsze muszę potruć)
Tenże A/D będzie mierzył prądy na liniach o różnych potencjałach. Jeżeli dobrze zrozumiałem pierwszy Twój załącznik, to A/D będzie wpięty przed jak i za rezystorem. Potem uC będzie odejmował wynik za rezystorem od wyniku przed rezystorem, czy tak? Wolę zapytać, żeby potem kichy nie było... :P
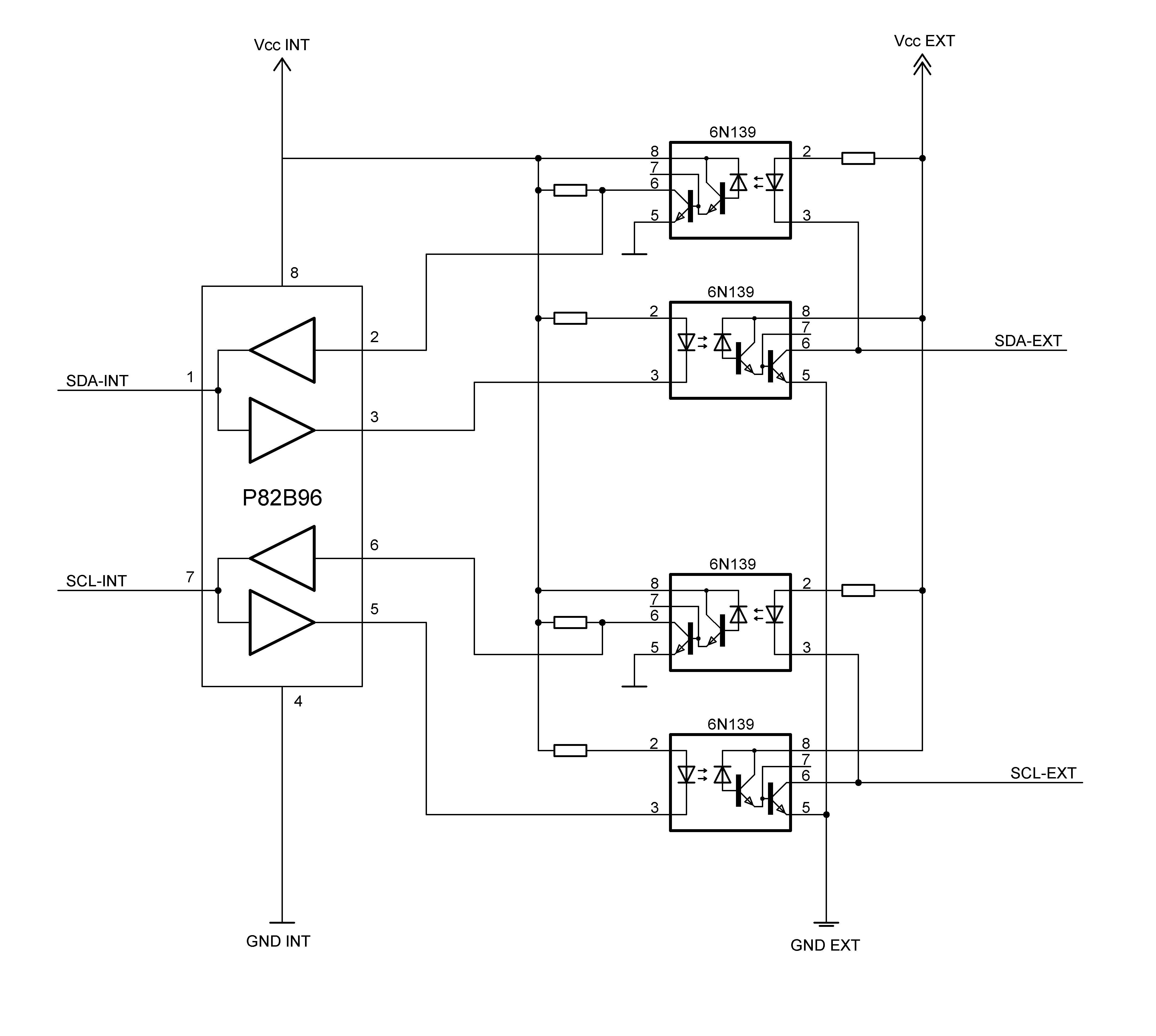
Ps. Co to P82B96? Mój katalog wymownie milczy...
Ps2. Zamiast się bawić w I2C, za którym nie przepadam :roll: , wymyśliłem coś na 1wire + sympatyczna kostka DS2450. Tylko co wtedy zrobić z tą optoizolacją? Użyć połowy Twojego załącznika?

Awatar użytkownika
tasza
-
-
Posty:456
Rejestracja:17 sty 2005, o 10:52

Postautor: tasza » 10 wrz 2006, o 22:01

... to A/D będzie wpięty przed jak i za rezystorem. Potem uC będzie odejmował wynik za rezystorem od wyniku przed rezystorem
yyym...
A/C będzie mierzył napięcie (spadek napięcia wywołany płynącym prądem) na rezystorze.
czyli GND przetwornika do dolnej końcówki R, Input (czy jakkolwiek to nazwać) do górnej.
a całość włączamy jak zwykły amperomierz gdzieś w obwód, aby zgodnie z polaryzacją...
(to znaczy końcówka ta od GND na mniejszym potencjale niż ta od wejścia przetwornika A/C)
Procesor niczego nie będzie odejmował - tylko odczyta dane z przetwornika
i odeśle dalej.
Ps2. Zamiast się bawić w I2C, za którym nie przepadam
I2C jest magistralą z transmisją synchroniczną, nie ma tak ostrych wymagań czasowych
jak 1-Wire i jest generalnie łatwiejsza do oprogramowania (nawet w Bascomie)
wymyśliłem coś na 1wire + sympatyczna kostka DS2450.
aaa, jjjjasne....DS2450 jest sympatyczna, dopóki nie będziesz chciał od niej
rozdzielczości pomiarów większej niż 9 bitów...wtedy zobaczysz jakie to cudo jest

co do optoizolacji.... popatrz na szkic w załączniku
lewy (mały) procesor to ten od amperomierza... do wolnych portów podłączasz przetwornik
A/C jaki tylko tam chcesz....w szczególności, gdyby to był ATmega8 to masz go już w środku

prawy procesor to ten, co odbiera dane z miliamperomierza i coś z nimi robii...
wyświetla, zapamiętuje, wysyła do PC-ta...cokolwiek
to jest główny procesor sterujący całego przyrządu.

wprawdzie dla celów komunikacji z 'mA' port szeregowy jest zajęty, ale można
wziąść jakiś kontroler AVR z dwoma kanałami RS232 (pewnie są takie) albo jakąś '51 (DS89C4xx)...jak wolisz

tasza
Załączniki
rs232_opto.gif

Awatar użytkownika
Futrzaczek
-
-
Posty:782
Rejestracja:4 gru 2005, o 17:48
Lokalizacja:Piotrków Tryb
Kontaktowanie:

Postautor: Futrzaczek » 11 wrz 2006, o 06:18

yyym...
A/C będzie mierzył napięcie (spadek napięcia wywołany płynącym prądem) na rezystorze.
czyli GND przetwornika do dolnej końcówki R, Input (czy jakkolwiek to nazwać) do górnej.
a całość włączamy jak zwykły amperomierz gdzieś w obwód, aby zgodnie z polaryzacją...
(to znaczy końcówka ta od GND na mniejszym potencjale niż ta od wejścia przetwornika A/C)
Procesor niczego nie będzie odejmował - tylko odczyta dane z przetwornika
i odeśle dalej.
Kuuurczaczek!
To w takim razie nie będzie możliwem zmierzenie prądu na kilku różnych końcówkach (albo się jak zawsze mylę). Anodowe +300V ; Siatka 1 -10V ; Siatka 2 (nie wiem) ; Żarzenie +13V. I pomyśleć, że tak się napaliłem. :(
Bo robienie 4 kompletnie oddzielnych obwodów zasilania, kombinować skądś 12 optoizolatorów (dla I2C) oraz 4 A/D mię się niet uśmiechać.

A reszta w porządeczku :one:

Awatar użytkownika
tasza
-
-
Posty:456
Rejestracja:17 sty 2005, o 10:52

Postautor: tasza » 11 wrz 2006, o 08:48

Futrzak, bardzo proszę....zacznij troszkę główkować....

pisałam - miernik (przetwornik A/C) nie ma stałych punktów wspólnych z badanym obwodem
więc można go zapiąć gdziekolwiek, w każdą gałąź obwodu lub pomiędzy dowolne jego punkty...

popatrz na załącznik....to narysowałam na bazie układu pomiarowego z tego linka:
:arrow: http://www.ar.krakow.pl/fizyka/cwicz38.pdf ( rysunek 6, badanie triody)

jak to działa:
miernik zamyka sobie przekaźnik P1 - wtenczas mierzy napięcie anodowe Ua.
ponieważ pewnie jest wysokie (kilkaset V), to potrzebny jest dzielnik napięcia ( np. 1:100 )
stąd na schemacie dodatkowe rezystory
wartość z przetwornika zapamiętuje sobie gdzieś w programie jako Ua i idzie dalej....

teraz mierzy napięcie na siatce....no to zwalnia P1, a zamyka sobie P2.
wtedy wejście A/C jest podłączone do dzielnika napięcia
(np. 1:10 bo siatkowej nie jest zbyt duże ), zasilanego z tego samego napięcia
co siatka lampy.....mamy więc napięcie Us - procesor je zapamiętuje i zabiera się za ostatni pomiar...

mierzymy Ia.....więc zwalniane są P1 i P2 a załączany jest P3 - A/C dopina się do końcówek R5
Spadek napięcia na R5 (ten zapięty w anodzie lampy) jest proporcjonalny do prądu, ale mierzymy
tylko napięcie - zapamiętujemy i na koniec układ zwalnia wszystkie przekaźniki....

program ma zapamiętane: wartość Ua, wartość Us, wartość UR5....
te liczby wysyła do głownego sterownika, który sobie je już odpowiednio obrobi:
to znaczy dla Ua, Us uwzględni wartość podziału dzielników, dla UR5 wyliczy sobie Ia
ze zwykłego prawa Ohma...

miernik może mieć komunikację tylko w jedną stronę - tylko wysyłać komplet danych,
może też mieć komunikację dwustronną - np. na życzenie wykonywać tylko jeden rodzaj
pomiaru, ale wtedy trzeba mu powiedzieć co ma mierzyć....różnie można...

i tu nie trzeba I2C, 1-Wire....
trzeba dwa transoptory i obsługę portu szeregowego

nie wiem już jak to jaśniej wytłumaczyć... :|

tasza
Załączniki
0555_001.GIF

Awatar użytkownika
Aleksander Zawada
Moderator
Moderator
Posty:532
Rejestracja:21 lut 2003, o 12:10
Lokalizacja:Warszawa
Kontaktowanie:

Postautor: Aleksander Zawada » 11 wrz 2006, o 11:13

Dodam tylko 3 grosze. Jeśli miernik ma mierzyć tylko emisję to ja proponuję mierzyć tylko emisję umowną lampy w układzie diody. Nie trzeba wtedy wielu napięć zasilania. Jeśli już decydować się na porządny miernik to razem z rysowaniem charakterystyk. Wskazana byłaby też opcja pomiaru próżni i parę innych bajerów.

Awatar użytkownika
Futrzaczek
-
-
Posty:782
Rejestracja:4 gru 2005, o 17:48
Lokalizacja:Piotrków Tryb
Kontaktowanie:

Postautor: Futrzaczek » 11 wrz 2006, o 16:15

:arrow: tasza
Ja cały czas staram się główkować, ale gryzie mnie pewna sprawa. Może najlepiej to wyjaśni załącznik. Bo, z mojego toku myślenia połączonym z Twoimi słowami wyszła mi taka bzdura. :| :(
:arrow: Alek
Emisja to ciut za mało. Charakterograf lepszy ;)
Załączniki
nie_rozumiem.GIF
nie_rozumiem.GIF (2.43KiB)Przejrzano 9493 razy

Awatar użytkownika
tasza
-
-
Posty:456
Rejestracja:17 sty 2005, o 10:52

Postautor: tasza » 11 wrz 2006, o 18:13

a napisz proszę, co chciałeś wyrazić tym rysunkiem....
tak ze dwa zdania chociaż...bo nie łapię jakoś

tasza

Awatar użytkownika
Futrzaczek
-
-
Posty:782
Rejestracja:4 gru 2005, o 17:48
Lokalizacja:Piotrków Tryb
Kontaktowanie:

Postautor: Futrzaczek » 11 wrz 2006, o 19:04

a napisz proszę, co chciałeś wyrazić tym rysunkiem....
tak ze dwa zdania chociaż...bo nie łapię jakoś

tasza
Chciałem tymże rysunkiem wyrazić to, że wszystkie mierzone linie, które mają różne potencjały, trzeba będzie połączyć razem i wpiąć do masy układów A/C. Czyli najnormalniej w świecie zrobić między nimi zwarcie, potem to zwarcie połączyć do masy np. DS2450, a to wsio razem związane do zasilaczyka. Gdyby 1 A/C (ale w postaci scalaczka, nie pinu A/C w scalaczku) obsługiwał jedną linię, oraz miał oddzielne zasilanie, byłbym w 100% usatysfakcjonowany - tylko, że wtedy raczej bym zrezygnował z bydowy charakterografu, choć cuda się zdarzają :wink:
Nawet specjalnie narysowałem w tym celu kropki w miejscu łączeń na schemaciku - ale nic się nie stało, błądzić może każdy :)
A mam inny pomysł, który już chyba proponowałem - wpiąć piny A/C przed oraz za opornikiem szeregowym. Problem wspólnej masy by odpadł. Tylko, czy to będzie działać?

Awatar użytkownika
tasza
-
-
Posty:456
Rejestracja:17 sty 2005, o 10:52

Postautor: tasza » 11 wrz 2006, o 19:24

nie żebym była jakoś specjalnie uparta, ale....
w moim ostatnim załączniku A/C jest dopinany do badanego układu przez przekaźniki
(mogą być ewentualnie kontaktrony)... i w jednej chwili jest podłączony
tylko do jednego punktu pomiarowego...oczywiście w moim układziku też możesz
zrobić piękne zwarcie, jak program źle zadziała i klapnie dwa przekaźniki na raz...
ale załóżmy że tak się nie stanie...

tasza

Awatar użytkownika
Futrzaczek
-
-
Posty:782
Rejestracja:4 gru 2005, o 17:48
Lokalizacja:Piotrków Tryb
Kontaktowanie:

Postautor: Futrzaczek » 11 wrz 2006, o 19:38

Wreszcię się rozumiemy. Zgadzam się, ale[1]...
1)Czy klucze analogowe zniosą takie napięcia?
2) :arrow: CNY17 + :arrow: DS 2450 + :arrow: 78L05
Co Ty na takie połączenie? Mieć każdy mierzony prąd oddzielnie, bez kłapania przekaźnikami. Tych prądów będzie 4 sztuki.
3)Czy aby na pewno dzielniki rezystorowe nie mogą być na stałe podpięte pod jeden A/C? Moim zdaniem: tak.


[1] - nie przejdę obojętnie koło pierdułki ;)

Wróć do „Elektronika - tematy dowolne”

Kto jest online

Użytkownicy przeglądający to forum: Obecnie na forum nie ma żadnego zarejestrowanego użytkownika i 53 gości