Aktyw Forum

Zarejestruj się na forum.ep.com.pl i zgłoś swój akces do Aktywu Forum. Jeśli jesteś już zarejestrowany wystarczy, że się zalogujesz.

Sprawdź punkty Zarejestruj się

AVT-2153 TDA7294 Pytanie o prowadzenie masy

adigrzelczak
-
-
Posty:24
Rejestracja:9 kwie 2005, o 15:41
Lokalizacja:Boguszów - Gorce

Postautor: adigrzelczak » 18 kwie 2005, o 21:05

Witam.
Ponieważ w tym temacie poruszany był problem masy to może ktoś mi pomoże w końcu.
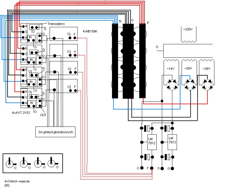
W załączniku zamieściłem poglądowy schemat "blokowy" mojego wzmacniacza. Czy mógłby mi ktoś podpowiedzieć jak połączyć masy? Proszę o odpowiedź albo na rysunku albo słownie. Elementy które narysowałem mają podobne rozmieszczenie u mnie w obudowie.
Małe wskazówki:
Po lewej stronie u góry znajdują się 4 kity AVT2153. Są to końcówki na układach TDA7294. Punkty „O,G” służą do zasilenia transoptorów (masa transoptora nie jest połączona na płytce AVT2153 z resztą masy). Transoptory będą zasilane z zasilacza 12V punkty „O,G”. Na rysunku nie łączyłem ich liniami ponieważ rysunek byłby jeszcze bardziej nieczytelny. Następnie punkt „P,O,N” jest to główne zasilanie końcówek mocy. Natępnie mamy wejścia „IN” które są połączone z Chinchami które znajdują się poniżej. Połączone zostaną przewodami ekranowanymi. I pozostaje wyjście wzmacniacza czyli OUT. O czyli masa idzie bezpośrednio na gniazdka głośnikowe nato miast „+” do układów zabezpieczających NE159K a z nich na gniazda głośnikowe. Kity NE 159K zasilane są 12V. No i jeszcze transformator posiada ekranowanie elektryczne i magnetyczne – wyprowadzony przewód na zewnątrz.
Jak powinienem połączyć poszczególne masy ze sobą ?Czy zrobić wspólny punkt np. na głównym zasilaczu w miejscu gdzie wychodzi masa do końcówek mocy czy może w innym miejscu?I interesuje mnie jeszcze jedna rzecz mianowicie: Jeżeli przykładowo będzie punkt wspólny masy w punkcie który opisałem powyżej to masy obu zasilaczy 12V prowadzimy do tego wspólnego punktu a następnie do zasilania (transoptorów lub kitów NE159K) masę ciądniemy też z tego wspólnego punktu czy bezposrednio z zasilacza 12V?
Załączniki
masa we wzmacniaczu.JPG

Awatar użytkownika
end
admin
admin
Posty:4977
Rejestracja:7 maja 2003, o 11:18
Lokalizacja:Jedlina Zdrój
Kontaktowanie:

Postautor: end » 19 kwie 2005, o 00:27

Masę możesz pociągnąć wprost od zasilacza czterema grubymi żyłami osobno na każdy układ czyli w punkty "0" czterech modułów.
Co do prowadzenia masy z 12V, to nie ma takiej potrzeby, jeśli transoptory nie są połączone w ogóle z "0" wzmacniacza.

Czy czegoś nie rozumiem?
P.S. Też mieszkam koło Wałbrzycha ;)
Podzieliłem temat, bo ten w ktorym napisałeś. była dyskusja o AVT2180 na LM3886...

adigrzelczak
-
-
Posty:24
Rejestracja:9 kwie 2005, o 15:41
Lokalizacja:Boguszów - Gorce

Postautor: adigrzelczak » 20 kwie 2005, o 17:20

Witam,
Dzięki za pomoc. Więc nie będę łączył masy zasilacza transoptorów z masą głównego zasilanie. I chyba zrobie sam mostek prostowniczy z kondensatorkiem np. 100nF. Natomiast druki zasilacz stabilizowany 12V musi zasilić układy zabezpieczenia głośników i musi on być połączony z masą głównego zasilania. Połączyć go w tym punkcie gdzie wychodzą przewody masy głównego zasilacza do końcówek mocy (rys. punkt „0” głównego zasilacza)? Jeśli tak to skąd pociągnąć dalej masę do układów zabezpieczających głośniki czy z tego punktu wspólnego mas (rys. punkt „0” głównego zasilacza) czy z tego zasilacza 12V(rys. punkt „0” zasilacza 12V)? Chodzi mi czy lepsze jest rozwiązanie narysowane liniami szarymi czy zielonymi?

P.S. Fakt oboje mieszkamy koło Wałbrzycha. Mam znajomych ale w Głuszycy a nie w Jedlinie;)
Załączniki
masa we wzmacniaczu - 2.JPG

Awatar użytkownika
end
admin
admin
Posty:4977
Rejestracja:7 maja 2003, o 11:18
Lokalizacja:Jedlina Zdrój
Kontaktowanie:

Postautor: end » 20 kwie 2005, o 17:49

Masz schemat układu zabezp. głośnika gdzieś na kompie?
Jak możesz to załacz schemat tego układu to zobaczę co i jak :)

adigrzelczak
-
-
Posty:24
Rejestracja:9 kwie 2005, o 15:41
Lokalizacja:Boguszów - Gorce

Postautor: adigrzelczak » 20 kwie 2005, o 18:54

Na schemacie zaznaczone jes aby masę pociągnąć z głośnika ale troche mi to nie pasuje i chciałbym z zasilacza.Ponieważ zasilanie główne mam +-40V to musze zastosować 12V.Czy w zasilaczu symetrycznym jako kondensatory odsprzęgające mogę zastosować MKT zamiast ceramicznych?
Załączniki
K-159a.gif

Awatar użytkownika
end
admin
admin
Posty:4977
Rejestracja:7 maja 2003, o 11:18
Lokalizacja:Jedlina Zdrój
Kontaktowanie:

Postautor: end » 20 kwie 2005, o 19:31

Jeśli masy obu układów mogą się połączyć ( a wygląda na to, że moga) to możesz z głosnika lub z zasilacza :)
Co do konda odsprzęgającego to możesz dać jakikolwiek, w zasilaczach nie jest to aż tak wazne jak np. w urządzeniach w.cz :)

Wróć do „Kity AVT”

Kto jest online

Użytkownicy przeglądający to forum: Obecnie na forum nie ma żadnego zarejestrowanego użytkownika i 23 gości