Aktyw Forum
Zarejestruj się na forum.ep.com.pl i zgłoś swój akces do Aktywu Forum. Jeśli jesteś już zarejestrowany wystarczy, że się zalogujesz.
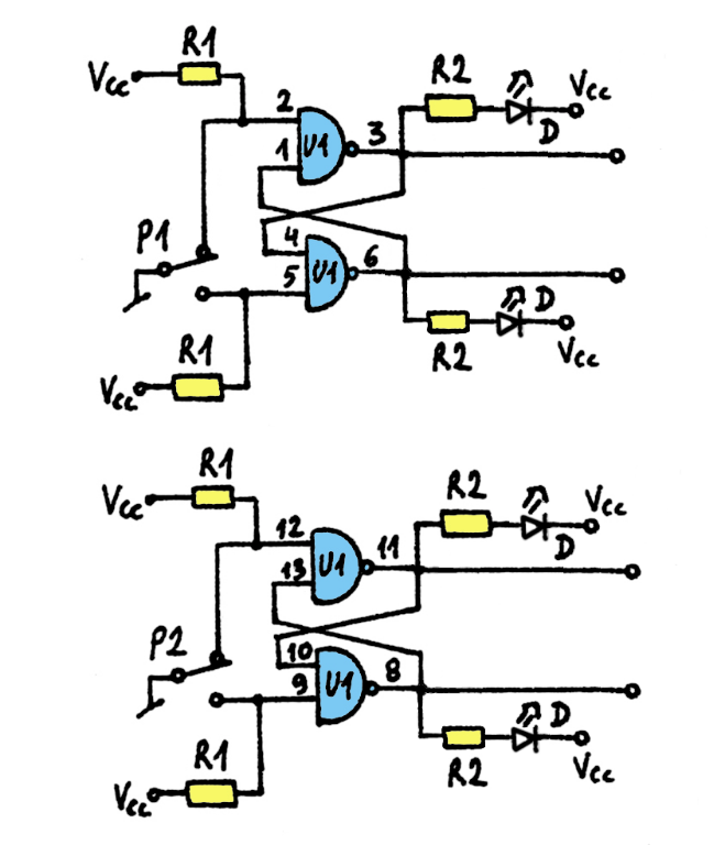
Sprawdź punkty Zarejestruj sięFlip flop RS NAND
Moderatorzy:Jacek Bogusz, robertw, Moderatorzy
- Załączniki
-
- RS_flip_flop.pdf
- (20.25KiB)Pobrany 337 razy
Re: Flip flop RS NAND
Mega ciekawe, bardzo doceniam za pracowitość nad właśnie takimi projektami każdego kto siedzi w temacie 
Kto jest online
Użytkownicy przeglądający to forum: Obecnie na forum nie ma żadnego zarejestrowanego użytkownika i 0 gości

