Aktyw Forum
Zarejestruj się na forum.ep.com.pl i zgłoś swój akces do Aktywu Forum. Jeśli jesteś już zarejestrowany wystarczy, że się zalogujesz.
Sprawdź punkty Zarejestruj sięCzy ktoś uruchamiał kit AVT 5333 bład pomiaru amperomierza
Moderatorzy:Jacek Bogusz, Grzegorz Becker, procesorowiec, robertw, Moderatorzy
Czy ktoś uruchamiał kit AVT 5333 niestety według opisu R2 - 1kom miernika zaniża 10 -krotnie prąd.
Po wymiana bocznika R1- 0.1 om na 1 om pomiar prądu prawidłowy.
Z ciekawostek po wymianie R2 - 1kom na 10 om przy boczniku R1 - 0.1om prąd również jest prawidłowy.
Bocznik R1- 1om niestety jest zbyt duży gdyż za duży prąd się na nim odkłada.
Przy wartościach rezystorów R1 i R2 według wykazu AVT miernik zaniża prąd !
Wygląda tak jakby program był zle napisany ?? po wymianie programu przysłanego przez serwis AVT (z problemami udało mi się zaprogramować atmegę 8 ale nic się nie zmieniło.
Nowa atmega8 przysłana przez serwis AVT również nic nie poprawiła.
Czy rezystor 10 om jest bezpieczny dla Atmegi.
Czy ktoś uruchamiał ten Kit AVT 5333
Po wymiana bocznika R1- 0.1 om na 1 om pomiar prądu prawidłowy.
Z ciekawostek po wymianie R2 - 1kom na 10 om przy boczniku R1 - 0.1om prąd również jest prawidłowy.
Bocznik R1- 1om niestety jest zbyt duży gdyż za duży prąd się na nim odkłada.
Przy wartościach rezystorów R1 i R2 według wykazu AVT miernik zaniża prąd !
Wygląda tak jakby program był zle napisany ?? po wymianie programu przysłanego przez serwis AVT (z problemami udało mi się zaprogramować atmegę 8 ale nic się nie zmieniło.
Nowa atmega8 przysłana przez serwis AVT również nic nie poprawiła.
Czy rezystor 10 om jest bezpieczny dla Atmegi.
Czy ktoś uruchamiał ten Kit AVT 5333
- procesorowiec
- -

- Posty:21
- Rejestracja:10 cze 2011, o 11:15
Re: Czy ktoś uruchamiał kit AVT 5333 bład pomiaru amperomi
Gdy coś nie działa to na pewno program źle napisany... - ręce opadają.
Zmontowałem i uruchomiłem kilkadziesiąt takich kitów i gwarantuję, że układ działa prawidłowo.
Proponuję odrobinę więcej samokrytycyzmu i jeszcze raz sprawdzić montaż i sposób podłączenia.
Jeśli nie uda się znaleźć usterki proszę podesłać zdjęcia układu i sposobu podłączenia lub odesłać do serwisu.
Zmontowałem i uruchomiłem kilkadziesiąt takich kitów i gwarantuję, że układ działa prawidłowo.
Proponuję odrobinę więcej samokrytycyzmu i jeszcze raz sprawdzić montaż i sposób podłączenia.
Jeśli nie uda się znaleźć usterki proszę podesłać zdjęcia układu i sposobu podłączenia lub odesłać do serwisu.
Re: Czy ktoś uruchamiał kit AVT 5333 bład pomiaru amperomi
Kolego 10 postów - ZEROWE doświadczenie. Co TY prezentujesz z swojej strony ??
Na jakiej podstawie gwarantujesz że układ AVT 5333 działa prawidłowo !!!
Złożyłeś przynajmniej jeden kit AVT 5333 ?? On nie ma prawa działać ! Czysta teoria i gdybanie z Twojej strony.
Układ jest na tyle prosty że oprócz R1 0.1 i R2 1k na pomiar i wskazania prądu w mierniku ma jedynie wpływ program ATmegi
Kolego procesorowiec może podesłać Ci indeks mgr inż.. elektroniki + potwierdzone 25 lat pracy w zawodzie abyś zweryfikował moją wiedzę
AVT ma tyle gaf (sam natrafiłem składając kity AVT na wiele !) że nie dziwi mnie KIT AVT 5333
Co mi da odesłanie układu który jest prawidłowo złożony z prawidłowych elementów które zostały kupione w AVT .
Pierwsze podejrzenia padły na elementy (nie raz są pakowane błędne wartości elementów do kitów )
Pózniej na płytkę (niestety jest prawidłowa)
Na samym końcu został program - niestety nie mam czasu na pisanie programu pod zaprojektowany układ AVT 5333 który powinien działać prawidłowo.
Usterka została usunięta przez zastosowanie innej wartości bocznika R2- 10om zamiast 1kom.
Na jakiej podstawie gwarantujesz że układ AVT 5333 działa prawidłowo !!!
Złożyłeś przynajmniej jeden kit AVT 5333 ?? On nie ma prawa działać ! Czysta teoria i gdybanie z Twojej strony.
Układ jest na tyle prosty że oprócz R1 0.1 i R2 1k na pomiar i wskazania prądu w mierniku ma jedynie wpływ program ATmegi
Kolego procesorowiec może podesłać Ci indeks mgr inż.. elektroniki + potwierdzone 25 lat pracy w zawodzie abyś zweryfikował moją wiedzę
AVT ma tyle gaf (sam natrafiłem składając kity AVT na wiele !) że nie dziwi mnie KIT AVT 5333
Co mi da odesłanie układu który jest prawidłowo złożony z prawidłowych elementów które zostały kupione w AVT .
Pierwsze podejrzenia padły na elementy (nie raz są pakowane błędne wartości elementów do kitów )
Pózniej na płytkę (niestety jest prawidłowa)
Na samym końcu został program - niestety nie mam czasu na pisanie programu pod zaprojektowany układ AVT 5333 który powinien działać prawidłowo.
Usterka została usunięta przez zastosowanie innej wartości bocznika R2- 10om zamiast 1kom.
Re: Czy ktoś uruchamiał kit AVT 5333 bład pomiaru amperomi
Nie chce mi się wkraczać w sprzeczki sandboxowe, choć przyznam że takie słowa skierowane do procesorowca (o ile dobrze kojarzę osobę) wydają mi się śmieszne.
Anyway... Dlaczego w ogóle piszę... To
A na wszelki wypadek odpowiedz sobie najpierw na pytanie, jakie wartości mierzyłeś.
Ps. R2 nie jest tutaj żadnym bocznikim (już bliżej mu do posobnika).
Anyway... Dlaczego w ogóle piszę... To
w połączeniu zKolego procesorowiec może podesłać Ci indeks mgr inż.. elektroniki + potwierdzone 25 lat pracy w zawodzie abyś zweryfikował moją wiedzę
czy tymCzy rezystor 10 om jest bezpieczny dla Atmegi.
Pozwala jednak wątpić w tą szeroką wiedzę elektroniczną. Ba... po takim pytaniu można by wnosić, że pytający nie posiada nawet podstawowej wiedzy.Bocznik R1- 1om niestety jest zbyt duży gdyż za duży prąd się na nim odkłada.
A na wszelki wypadek odpowiedz sobie najpierw na pytanie, jakie wartości mierzyłeś.
Ps. R2 nie jest tutaj żadnym bocznikim (już bliżej mu do posobnika).
-
Grzegorz Becker
- -

- Posty:25
- Rejestracja:10 cze 2011, o 08:15
Re: Czy ktoś uruchamiał kit AVT 5333 bład pomiaru amperomi
Zestaw AVT5333 jest wolny od wad, i działa prawidłowo. A akurat Procesorowiec jest osobą, która skutecznie usuwa wszelkie usterki i niedoróbki w projektach nadesłanych przez autorów nawet z 30 letnim stażem zanim trafią one do sprzedaży. Nie widzę podstaw doszukiwania się błędów w oprogramowaniu, kompletacji zestawu czy też błędów na płytce, zapewniam że prawidłowo zmontowany i podłączony woltomierz działa prawidłowo.
Re: Czy ktoś uruchamiał kit AVT 5333 bład pomiaru amperomi
Na tym chyba polega jeden z ważniejszych problemów for internetowych - wszystkim się wydaje, że duża liczba postów = duża wiedza, a mała liczba postów = amator.Nie chce mi się wkraczać w sprzeczki sandboxowe, choć przyznam że takie słowa skierowane do procesorowca (o ile dobrze kojarzę osobę) wydają mi się śmieszne.
Anyway... Dlaczego w ogóle piszę... Tow połączeniu zKolego procesorowiec może podesłać Ci indeks mgr inż.. elektroniki + potwierdzone 25 lat pracy w zawodzie abyś zweryfikował moją wiedzęczy tymCzy rezystor 10 om jest bezpieczny dla Atmegi.Pozwala jednak wątpić w tą szeroką wiedzę elektroniczną. Ba... po takim pytaniu można by wnosić, że pytający nie posiada nawet podstawowej wiedzy.Bocznik R1- 1om niestety jest zbyt duży gdyż za duży prąd się na nim odkłada.
A na wszelki wypadek odpowiedz sobie najpierw na pytanie, jakie wartości mierzyłeś.
Ps. R2 nie jest tutaj żadnym bocznikim (już bliżej mu do posobnika).
Re: Czy ktoś uruchamiał kit AVT 5333 bład pomiaru amperomi
To są eksperci, a wszelka obraza jest nie na miejscu. (ilość postów jest bez znaczenia)
Mi też nie wszystko odpala za pierwszym razem tak jak powinno, jednak projekty AVT są filtrowane przez testerów.
Mi też nie wszystko odpala za pierwszym razem tak jak powinno, jednak projekty AVT są filtrowane przez testerów.
Re: Czy ktoś uruchamiał kit AVT 5333 bład pomiaru amperomi
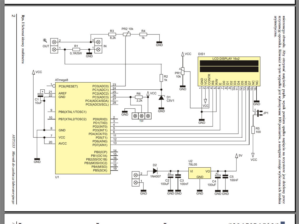
Temat stary ale odświeżę. Składałem ostatnio ten kit ale nie kupowałem zestawu tylko wykonałem płytkę i kupiłem elementy, ze strony AVT pobrałem program i wzór płytki. Pomijam, że do pobrania była dostępna pierwotna wersja płytki, na której m. in. brak był połączeń masy do niektórych kondensatorów i zamienione wartości. Również naciągany był zakres pomiarowy tego zestawu - wg opisu miało być do 50V a w rzeczywistości było do 25V. Nie może być inaczej, skoro nawet tekst opisu w gazecie tego kitu wprowadza w błąd, no bo jak woltomierz może mierzyć do 50V skoro dzielnik napięciowy mamy 10:1 a napięcie odniesienia ADC wynosi 2.56V. Zaznaczam, że składałem sam ten zestaw - nie wiem co AVT wysyła w kicie i jaki soft jest załączony do Atmegi. Co do pomiaru napięcia, to również dzielnik rezystorowy jest również "skopany" co widać na załączonym na początku schemacie. Brakuje połączenia między suwakiem potencjometru a początkiem rezystora połączonego do masy (nie pamiętam jego nazwy). Da się ustawić ale wynik pomiaru będzie się rozjeżdżać niestety. Więc panowie, którzy najeżdżacie na autora tematu - weźcie się do sprawdzania i wyłapywaniu bubli a nie wypisujcie głupot, że wszystko jest ok.
Re: Czy ktoś uruchamiał kit AVT 5333 bład pomiaru amperomi
Zapomniałem dodać, że mam również zaniżony pomiar prądu. Niech ktoś wrzuci działający program i będzie git.
Kto jest online
Użytkownicy przeglądający to forum: Obecnie na forum nie ma żadnego zarejestrowanego użytkownika i 13 gości


