Strona 1 z 3
Sterowanie światłem 230v
: 23 paź 2011, o 14:13
autor: mrnacia
Witam dopiero zaczynam swoją przygodę z mikrokontrolerami napisanie programu myślę, że nie będzie stanowiło problemu ale jakich części bym potrzebował i jak to połączyć ? Chciałbym to oprzeć o Atmege8 szukałem trochę w internecie i znalazłem, że będę potrzebował optotriak podobno jest dużo lepszy od triaka. gdzie podłączyć zmienne 230v ? jak to połączyć nie mam pojęcia a nie chciał bym uszkodzić układu a tym bardziej Siebie.
Re: Sterowanie światłem 230v
: 23 paź 2011, o 16:01
autor: pajaczek
Nie baw się napięciem niebezpiecznym dla życia, jak nie wiesz co robisz.
W EP było publikowanych sporo projektów opisujących sterowanie zasilaniem 230V, może zacząć od ich przeczytania...
Re: Sterowanie światłem 230v
: 23 paź 2011, o 19:12
autor: mrnacia
Przeszukałem forum prawie całe i nic nie ma na ten temat;/ parę tematow na elektrodzie jest ale nie za bardzo zrozumiałe a na dodatek nie dokończone
Re: Sterowanie światłem 230v
: 23 paź 2011, o 20:15
autor: 000andrzej
Jak chcesz się pobawić to spróbuj najpierw zrobić efekty na napięciu bezpiecznym. Jak będzie działać i będziesz mógł robić to co chcesz - wtedy wymienisz same układy wykonawcze. Będziesz miał czas na przestudiowanie literatury z podpięciem wyższych napięć. Do przeglądnięcia na początek układy iluminofonii.
Re: Sterowanie światłem 230v
: 24 paź 2011, o 07:37
autor: pajaczek
mrnacia ja pisałem że w EP, a nie na forum EP. (czytaj w gazecie EP).
Re: Sterowanie światłem 230v
: 24 paź 2011, o 15:46
autor: mrnacia
Tak właśnie myślałem lecz nie posiadam za dużo egzemplarzy ;/ wiec za bardzo nie dam rady zobaczyć może jakiś skan gdyby któryś z użytkowników był tak uprzejmy

Re: Sterowanie światłem 230v
: 24 paź 2011, o 16:47
autor: Tomasz Gumny
Re: Sterowanie światłem 230v
: 24 paź 2011, o 17:10
autor: mrnacia
Dziękuję Tomasz już się biorę za szukanie. Jeśli ktoś miałby jakieś schematy i by wrzucił nie pogardził bym.
chodzi mi o coś takiego jeśli takie coś jest możliwe do zrobienia:
może być wyjście na 1 port tylko i w zależności od stanu logicznego aby odbiornik był włączony lub wyłączony. tylko tu moje pytanie jak się nazywa część która mi takie coś umożliwi i czy ogólnie taka istnieje
Re: Sterowanie światłem 230v
: 25 paź 2011, o 11:22
autor: pajaczek
Na prawdę trochę wysiłku w szukaniu.
Przekaźnik, triak...
Jak nie masz gazet, to poszukaj projektów w sieci. To są dość bazowe projekty, więc jest ich setki.
Re: Sterowanie światłem 230v
: 25 paź 2011, o 12:21
autor: Tomasz Gumny
[...] jak się nazywa część która mi takie coś umożliwi i czy ogólnie taka istnieje
Na przykład MOC3043, ale raczej w połączeniu z triakiem. Przy tak niewielkiej wiedzy posłuchaj kolegów i zacznij od sterowania np. wielokolorowym LED-em - frajda znacznie większa a przy tym całkowicie bezpieczna.
Re: Sterowanie światłem 230v
: 25 paź 2011, o 14:12
autor: traxman
Albo zastosuj fabrycznego SSR, np. takiego jak ten:
http://www.nikomp.com.pl/opisy/UXK00/UXKTO24O.htm
Re: Sterowanie światłem 230v
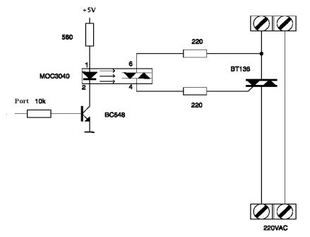
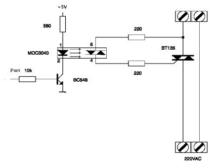
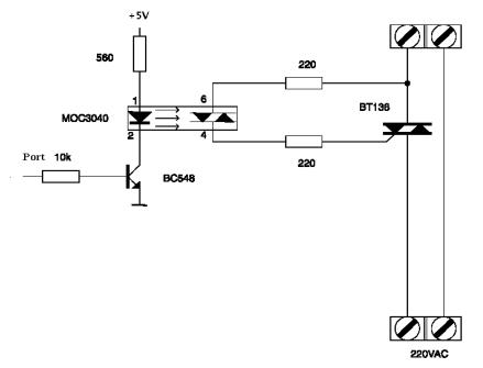
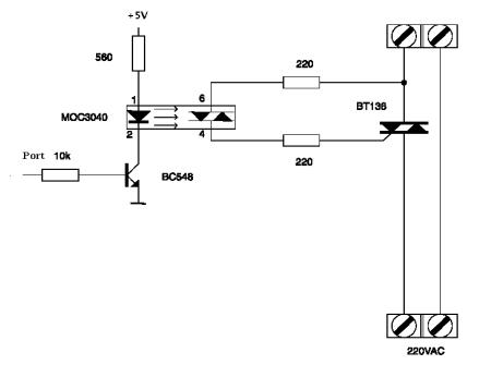
: 26 paź 2011, o 21:32
autor: Łukasz Krysiewicz
proszę bardzo schemacik (triak + optotriak):

- schemat.jpg (11.16KiB)Przejrzano 37569 razy
P.S.
sprawdzone działa,
kiedyś oprogramowałem serwer www, na MSP'eku
do serwera (płytki z MSP430) podłączona była lampka (taka jakaś zwykła)
i po przez www z dowolnego miejsca na świecie

mogłem sterować światłem (włącz/wyłącz lampkę)
był to taki "mini" odstraszacz złodzieja, heheh

Re: Sterowanie światłem 230v
: 27 paź 2011, o 15:53
autor: mrnacia
Łukasz Krysiewicz dzięki w najbliższym czasie postaram się przetestować.
Ale teraz mam kolejny problem mam wyświetlacz lcd i gdy go włączę z najprostszym programem nawet to mam tylko 2*16 czarnych kwadratów piszę w bascomie z kodem wszystko ok raczej podlaczenia też działają dobrze. Słyszałem o czymś takim jak inicjacja wyświetlacza lecz nie mam pojęcia jak to uczynić szukałem w google też nie za ciekawie. Wie ktoś może jak to zrobić ?? wyświetlacz to:
http://sklep.avt.pl/p/pl/492510/lcd+2x1 ... yh-ct.html
Re: Sterowanie światłem 230v
: 27 paź 2011, o 17:51
autor: Tomasz Gumny
Zdaje się, że Bascom inicjuje LCD przy pierwszym Cls.
Re: Sterowanie światłem 230v
: 27 paź 2011, o 18:39
autor: mrnacia
Taki najprostszy kod :
Kod: Zaznacz cały
$regfile = "m8def.DAT" 'deklaracja procesora Atmega8
$crystal = 1000000
Config Lcdpin = Pin , Db4 = Portb.4 , Db5 = Portb.5 , Db6 = Portb.6 , Db7 = Portb.7 , E = Portb.3 , Rs = Portb.2
Config Lcd = 16 * 2
Cls
Lcd "test"
Lowerline
Lcd "lcd"
i na wyświetlaczu tylko 16*2 czarnych kwadratów. Na innym forum znalazłem coś takiego:
Wyswietlacz nalezalo zainicjalizowac w assemblerze, podajac mu konkretne
wartosci inicjujace wg manuala w PDF. Po ustawieniu czcionki, ilosci linii,
kursora i wymuszenie na nim trybu 4-bit, LCD zaczal dzialac z BASCOMEM, jak
gdyby nigdy nic.
ale nie mam pojecia jak to zrobić
Re: Sterowanie światłem 230v
: 27 paź 2011, o 20:14
autor: Tomasz Gumny
Naucz się szukać swoich błędów, bo bez tego daleko nie zajdziesz.
Bez inicjalizacji widziałbyś zapewne tylko jeden rząd zaciemnionych kwadratów. Może masz ustawiony za silny "kontrast" - regulowałeś? Ostatnio to modna "usterka".
Re: Sterowanie światłem 230v
: 28 paź 2011, o 16:24
autor: mrnacia
wstawiłem opornik 4,7k na kontrast dalej to samo;/ Tyle, że teraz widzę jeden rząd kwadratów mocno podświetlony na czarno (dolny) a górny słabo podświetlony ale widoczny.
Re: Sterowanie światłem 230v
: 28 paź 2011, o 16:46
autor: Tomasz Gumny
Zobacz na jakimś przykładowym schemacie jak powinno wyglądać podłączenie pinu 3(Vlcd).
Re: Sterowanie światłem 230v
: 28 paź 2011, o 22:04
autor: mrnacia
podlaczylem według schematu przez potencjometr dało to tyle ze teraz mam 2 mocne rzędy czarnych kwadratow...
Re: Sterowanie światłem 230v
: 28 paź 2011, o 22:33
autor: Tomasz Gumny
Może w końcu pokażesz jak to podłączyłeś, bo brak potencjometru kontrastu wskazuje na możliwość popełnienia innych elementarnych błędów.