Aktyw Forum
Zarejestruj się na forum.ep.com.pl i zgłoś swój akces do Aktywu Forum. Jeśli jesteś już zarejestrowany wystarczy, że się zalogujesz.
Sprawdź punkty Zarejestruj sięPotrzebuje dobrej duszy do skmpilowania programu?
Moderatorzy:Jacek Bogusz, robertw, k.pawliczak, Moderatorzy
Potrrzebuje skmpilować program ze styczniowej ep w bascomie AVR do sterownika akwarium. Druga moja prośba o doradztwo w sprawie czym zaprogramować ? A drugie to prośba kto by się by podjął wykonania płytki drukowanej do tego projektu płacę każdą sumę (oczywiście w granicach zdrowego rozsądku ) chyba że znacie jakąś firmę wykonującą pojedyncze płytki ?
Ad1. Nie pomogę Ci, bo nie mam kompilatora BASCOM. Mogę skompilować programy napisane w C/C++ i asm pod '51, AVR i ARM.
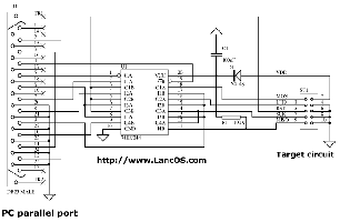
Ad2. Najtańszym programatorem będzie STK200. Schemat masz w załączniku. Obsługuje się go np. PonyProg. http://www.lancos.com/prog.html
Ad3. Jeżeli kwota od 25Euro nie straszna, to możesz mieć profesionalnie wykonaną płytkę.
Ad2. Najtańszym programatorem będzie STK200. Schemat masz w załączniku. Obsługuje się go np. PonyProg. http://www.lancos.com/prog.html
Ad3. Jeżeli kwota od 25Euro nie straszna, to możesz mieć profesionalnie wykonaną płytkę.
Re: Potrzebuje dobrej duszy do skmpilowania programu?
Zobacz na przykład topik http://www.forum.ep.com.pl/viewtopic.php?t=11306A drugie to prośba kto by się by podjął wykonania płytki drukowanej do tego projektu płacę każdą sumę (oczywiście w granicach zdrowego rozsądku ) chyba że znacie jakąś firmę wykonującą pojedyncze płytki ?
Generalnie można mieć płytkę dwustronną z metalizacją, soldermaską i opisem za kwote rzedu 50PLN/dm2. Oczywiscie pojedyncze sztuki.
Re: Potrzebuje dobrej duszy do skmpilowania programu?
Mogę Ci skompilować ten program.Potrrzebuje skmpilować program ze styczniowej ep w bascomie AVR do sterownika akwarium. Druga moja prośba o doradztwo w sprawie czym zaprogramować ? A drugie to prośba kto by się by podjął wykonania płytki drukowanej do tego projektu płacę każdą sumę (oczywiście w granicach zdrowego rozsądku ) chyba że znacie jakąś firmę wykonującą pojedyncze płytki ?
Kto jest online
Użytkownicy przeglądający to forum: Obecnie na forum nie ma żadnego zarejestrowanego użytkownika i 26 gości


