Aktyw Forum
Zarejestruj się na forum.ep.com.pl i zgłoś swój akces do Aktywu Forum. Jeśli jesteś już zarejestrowany wystarczy, że się zalogujesz.
Sprawdź punkty Zarejestruj sięCiekawy przedwzmacniacz i mikser
Moderatorzy:Jacek Bogusz, Adam Tatuś, tomasz_jablonski, Moderatorzy
Ciekawy przedwzmacniacz i mikser
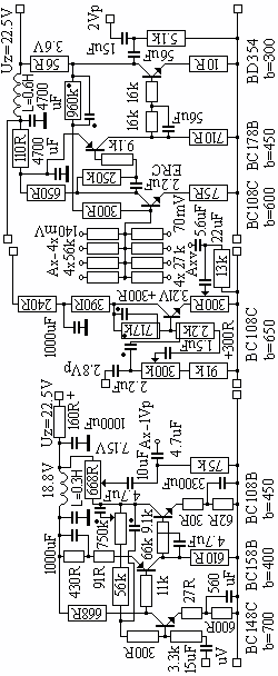
Przedstawiony mną liniowy przedwzmacniacz mikser jest jakości
piracko studyjnej i z pewnością zadowoli nie jednego amatora artystę i
nie tylko. Regulacje w nim są ostre a to ze względu na duże czułości
stopni wzmocnienia i prostotę rozwiązań(pot.log.), tej dobrej
jakości nie można usłyszeć z prostych układów scalonych.
Jego mała rezystancja emitera Re=56R pozwala stosować
dowolny przewód np. TV/300R, do połączeń z mikserem końcówką
wzm.mocy, bo jego maksymalne napięcie wyjściowe jest 2Vp.
Przedwzmacniacz posiada 4sztuki wejść mikrofonowych i jedno lub
kilka wejść takich samych wtórników emiterowych podłączonych do
rezystancji Axv =27k. Takie człony wzmacniaczy można adaptować i do
innych audio rzeczy.
Przedstawiony mną liniowy przedwzmacniacz mikser jest jakości
piracko studyjnej i z pewnością zadowoli nie jednego amatora artystę i
nie tylko. Regulacje w nim są ostre a to ze względu na duże czułości
stopni wzmocnienia i prostotę rozwiązań(pot.log.), tej dobrej
jakości nie można usłyszeć z prostych układów scalonych.
Jego mała rezystancja emitera Re=56R pozwala stosować
dowolny przewód np. TV/300R, do połączeń z mikserem końcówką
wzm.mocy, bo jego maksymalne napięcie wyjściowe jest 2Vp.
Przedwzmacniacz posiada 4sztuki wejść mikrofonowych i jedno lub
kilka wejść takich samych wtórników emiterowych podłączonych do
rezystancji Axv =27k. Takie człony wzmacniaczy można adaptować i do
innych audio rzeczy.
- Załączniki
-
- gitarmicmix.GIF
- (10.14KiB)Pobrany 221 razy
Ostatnio zmieniony 7 sie 2010, o 12:58 przez cin126, łącznie zmieniany 9 razy.
-
janek11389
- -

- Posty:682
- Rejestracja:5 cze 2004, o 10:57
Witam! Też kiedyś tak myślałem, dzisiaj już wiem, że każdy taki wzmacniacz, to tylko wzmacniacz napięcia lub prądu i praktycznie same tranzystory, scalaki, czy nawet cudowne lampy, to dopiero połowa sukcesu.Ciekawy przedwzmacniacz i mikser
Przedstawiony mną przedwzmacniacz mikser jest jakości piracko
studyjnej i z pewnością zadowoli nie jednego amatora artystę i
nie tylko.
Dopiero wpięcie odpowiednich filtrów, kształtuje charakterystykę danego wzmacniacza i czyni go przydatnym do przeznaczonego celu, dla tego stwierdzenie że jakość pioro-studyjna, jest błędem. Jeżeli by tak było jak piszesz, to po co różnego rodzaju obwody rezonansowe LC, RC w odbiornikach telewizyjnych, radiowych, w nadajnikach wszelkich wzmacniaczach, różnego rodzaju barwy tonu itd. Piszesz o jakości, a ja Ci mówię, że to goły napięciowy wzmacniacz i nie ma żadnej jakości, bardzo łatwo się można o tym przekonać, wpinając pod to różnego rodzaju źródła sygnału.
Nawet dobrej jakości przedwzmacniacz mikrofonowy oprócz tranzystorów, czy lamp, ma odpowiednie obwody, celem ukształtowania charakterystyki mowy, opisane jest to w książce Wzmacniacze elektroakustyczne. Wkładka adapterowa też potrzebuje wzmacniacza super dobrej jakości, ale oprócz tego ma wpięty obwód rezonansowy w pętlę sprzężenia zwrotnego, celem ukształtowania odpowiedniej charakterystyki, a wypnij go, będzie guzik wart, pomimo że posiada cudowne tranzystory, super wyliczone prądy i nawet posmarowanie tych tranzystorów cudowną maścią, nie uczyni igo super-studyjnym, większości to tylko mity. To prawda że części są gorsze i lepsze, ale przede wszystkim dla napięć i prądów, dopiero w odpowiedniej konstrukcji i dołożeniu odpowiednich filtrów, nabierają one wartości i znaczenia odsłuchowego.
Pozdrawiam.
janek11389 re
Dobrze że są w ogóle ludzie co się interesują i nikogo źle opisuje ale tylko pisze to co realnie spotyka zainteresowanych amatorów. Rzeczywiście tylko na surowo interesuję się elektroniką i wiem zastosowane mną sterowanie się tranzystorów nie może być lepsze i to prostą jakością uzyskuje dobrą subiektywną jakość, czego nie można zrobić inaczej i tylko wystarczy sprawdzić dobrym mikrofonem dynamicznym np. MDU24 lub MB200 jaka jest jakość mowy i wokalu i czy w innym przypadku potrzeba na na jakąś lipną jakość filtry, aby w ogóle coś dobrze było słyszeć. Dobre filtry to jest wysoki sekret zawodowców i nigdy jest dostępna ich technika,
a filtry korektora graficznego potrzeba by było stosować na każde wejście z osobna i jest to za duża komplikacja jak dla techniki zrób to sam. Po prostu podałem najlepszą i liniową jakość jaka jest możliwa i nawet nie trzeba stosować lamp elektronowych. Dobrze że są w ogóle ludzie co się interesują i nikogo źle opisuje ale tylko pisze to co realnie spotyka zainteresowanych amatorów. Schemat można przerobić na inne tranzystory np. BC557/547, BC327/337, BD140/139, ale potrzeba zmierzyć dynamicznie ich prądowe zakresy linowego sterowania się i dla tych tranzystorów nawet tego nie robiłem ale dla tr. BC158/149 i dla Rdc=680R i zasilania do Uz=20V prąd Io=5.8mA i dynamika Idp= +/_ 1mAp, a dla BC178/108 Io=10.7mA i Idp=5mAp max., BC313/211 ma największy prąd do około Ic=22mA, inna klasa A to Rdc=1.5---1.8k i takie są audio tranzystory, ponadto najlepsze zmieniające się ich napięcia Uce są w granicach Uce=11V---24V. Co to są za punkty pracy dla kl.A -ich dynamika prądowa duża i czyste i stałe dynamiczne wzmocnienie i takich innych punktów pracy nie ma a inne przypadki to mała dynamika prądowa i duże wartości Rdc.i z reguły takie punkty pracy nie nadają się aby je klasycznie obciążać jeszcze większymi wartościami rezystancji obciążenia, czyli firmy oferują lipę i może im nawet nie wolno pokazać ludziom normalnych schematów i wszystkie produkowane rzeczy są klasy aby tylko były, po prostu trudniej jest coś zrobić nie tak dobrą techniką aby dobrze działało i takie układy są trudniejsze do regulacji i przez to firma ma renomę bo to umie dokładniej robić.
a filtry korektora graficznego potrzeba by było stosować na każde wejście z osobna i jest to za duża komplikacja jak dla techniki zrób to sam. Po prostu podałem najlepszą i liniową jakość jaka jest możliwa i nawet nie trzeba stosować lamp elektronowych. Dobrze że są w ogóle ludzie co się interesują i nikogo źle opisuje ale tylko pisze to co realnie spotyka zainteresowanych amatorów. Schemat można przerobić na inne tranzystory np. BC557/547, BC327/337, BD140/139, ale potrzeba zmierzyć dynamicznie ich prądowe zakresy linowego sterowania się i dla tych tranzystorów nawet tego nie robiłem ale dla tr. BC158/149 i dla Rdc=680R i zasilania do Uz=20V prąd Io=5.8mA i dynamika Idp= +/_ 1mAp, a dla BC178/108 Io=10.7mA i Idp=5mAp max., BC313/211 ma największy prąd do około Ic=22mA, inna klasa A to Rdc=1.5---1.8k i takie są audio tranzystory, ponadto najlepsze zmieniające się ich napięcia Uce są w granicach Uce=11V---24V. Co to są za punkty pracy dla kl.A -ich dynamika prądowa duża i czyste i stałe dynamiczne wzmocnienie i takich innych punktów pracy nie ma a inne przypadki to mała dynamika prądowa i duże wartości Rdc.i z reguły takie punkty pracy nie nadają się aby je klasycznie obciążać jeszcze większymi wartościami rezystancji obciążenia, czyli firmy oferują lipę i może im nawet nie wolno pokazać ludziom normalnych schematów i wszystkie produkowane rzeczy są klasy aby tylko były, po prostu trudniej jest coś zrobić nie tak dobrą techniką aby dobrze działało i takie układy są trudniejsze do regulacji i przez to firma ma renomę bo to umie dokładniej robić.
Ostatnio zmieniony 4 sie 2010, o 10:08 przez cin126, łącznie zmieniany 5 razy.
Pi-Vo, Zajrzyj do naszego działu tam coś więcej n/t temat, tutaj nie chcę tego zamieszczać, bo jest to bądź co bądź prywatna korespondencja i nie widzę powodu by szersze grono miało do niej dostęp.
Od razu mnie uderzył ten nieład postów imć cina, ale jako że trzymał się tematyk do których nie pałam miłością, nie widziałem powodu by cokolwiek usuwać (nie było naruszeń dobrego obyczaju). A niech miłośnicy się martwią ;p
Od razu mnie uderzył ten nieład postów imć cina, ale jako że trzymał się tematyk do których nie pałam miłością, nie widziałem powodu by cokolwiek usuwać (nie było naruszeń dobrego obyczaju). A niech miłośnicy się martwią ;p
Re:Ciekawy przedwzmacniacz i mikser
Najłatwiej mnie jest napisać jaki sens jest podanie mną miksera. Nie ma lepszego schematu wzmacniaczy napięciowych na zasilanie Uz=22.5V i ich jakość jest najwyższa i może są lepsze od najlepszych przedwzmacniaczy lampowych, a dopasowanie czułości wejść to nic trudnego, bo to są tylko dzielniki wejściowe. Macie coś najlepsze i więcej o nic innego chodzi. To chyba jest niejednego elektronika szczęście a nie tragedia.
Mam pytanie tyczące się tego profesjonalnego przedwzmacniacza. Jaka jest rozpiętość dynamiki, jaki to posiada odstęp sygnału użytecznego od szumu, jaki jest współczynnik zniekształceń nieliniowych i skrośnych, oraz jaka jest wartość slew rate, które to cechy definiują wierność odwzorowania wzmacnianego sygnału. Budując jakikolwiek układ jestem zainteresowany parametrami finalnymi urządzenia, nie zaś komfortem pracy jego elementów.
Re:Ciekawy przedwzmacniacz i mikser
Szybkość działania impulsów związana z slew rate ma sens dla układów scalonych w których pasmo przenoszenia(parę kiloherców bez sprzężenia) ściśle związane jest z silnym sprzężeniem zwrotnym a w podanym układzie tranzystory nawet bez sprzężenia zwrotnego są wystarczająco szybkie i dodatkowo można je przyśpieszać na szeregowych rezystancjach bazy, czyli jak się szybko układ zrobi to tak jest i się nie wzbudza. Zniekształcenia skrośne zależą tylko od szeregowych rezystancji bazy i nie występują w tym układzie. Ilość występujących szumów nie jest tak duża a to ze względu na małe rezystancje w kolektorach i luźne sprzężenie stopni wzmocnienia za pomocą rezystorów bazy, czyli przydatność układu jest dobra. Same zniekształcenia są najmniejsze jakie są możliwe, przy niezbyt dużych i lokalnych sprzężeniach zwrotnych, czyli subiektywna jakość jest zadowalająca, ale w pytaniach i uwagach nie ma mowy o tym co jest ważne: jaka jest barwa dźwięku -podobnie niska jak dla układów lampowych co jest związane nie tylko z dobrym punktem pracy tranzystorów ale i z klasycznym obciążeniem kl.A, odpowiednio dużą rezystancją obciążenia.
Re:matiz
Wtórnik emiterowy ma na wejściu potencjometr ze względu na duże różnice poziomów sygnałów wejściowych i np. dla podłączenia sygnału CD jego wejście by się przesterowało dużym sygnałem 2.8Vp. Odnośnie szumów dla stopni o większym prądzie kolektora i dużej czułości pisałem na tym forum i zadbałem aby mimo wszystko było dobrze bo audio jakość dla normalnych stopni wzmocnienia jest najwyższa. Potencjometr P=668R to nie problem,
bo wystarczy równolegle bocznikować potencjometr P=1K do dokładnej wartości i oczywiście najlepiej aby to był potencjometr logarytmiczny i im mniejszej rezystancji to tym bardziej trudno jest takie zakupić.
bo wystarczy równolegle bocznikować potencjometr P=1K do dokładnej wartości i oczywiście najlepiej aby to był potencjometr logarytmiczny i im mniejszej rezystancji to tym bardziej trudno jest takie zakupić.
Ostatnio zmieniony 18 sie 2010, o 11:46 przez cin126, łącznie zmieniany 1 raz.
Re:matiz
To moja pomyłka bo napisałem o wyjściu a nie o wejściu i poprawiłem i ta informacja jest obecnie poprawna, bo właśnie mówi o wejściu. Nawet się cieszę zainteresowaniem dla tego miksera i myślę że dla dobrej aplikacji sukces jest spełniony, nie zawsze w układach scalonych są najlepsze punkty pracy ale duże sprzężenie zwrotne i zadbałem o jedno i drugie i dla kompletu wysokiej jakości odtwarzania dźwięku jest spełniony artyzm, czyli są to rzeczy instrumenty do muzyki.
Mysle, ze masz podobne podejscie do janka - czysta teoria i zero praktyki. Ten mikser ma zdecydowanie za maly headroom, zeby do czegokolwiek poza zabawa sie nadawal. "Doskonale" i "rewolucyjne" pomysly musza byc konfrontowane z praktyka, bez tego sa tylko pomyslami, w dodatku dosc dziwnymi... Warto tez wiedziec, czego uzytkownik oczekuje od urzadzenia, ktore dla niego projektujemy...
Re:matiz
Zastosowane punkty pracy muszą dać najwyższą jakość, tylko trzeba stosować dokładną aplikację zasilania i ekranów wewnętrznych. Inne fabryczne schematy to tylko wtórniki emiterowe o małych prądach i źródła prądowe o tak samo małych prądach i to wszystko ze względu na mały prąd zasilania łatwo jest zasilane i filtrowane kondensatorami bez wielkiej techniki i ekranów co nigdy da najwyższą jakość dźwięku, ale tylko parametry na papierze. Jeśli napięcie wyjściowe jest za małe to jest to tylko wstępny premixer. Rzeczywiście jest to też łatwa i dobra zabawka dla audio amatorów i lepszej nie mają, bo to co seryjnie produkują nie może być lepsze a tylko może mieć standardowo dopasowane poziomy wejść i wyjść. Najlepsze konstrukcje są własne i technik RTV i studia nagrań, ale ich własne techniki nie są ludziom dostępne. Jedyną realną wersją dla ludzi są podobne konstrukcje własne do technik RTV i taka to jest piracka i moja konstrukcja. Jeśli potrzeba jest miksera o wyjściu do Uo=2.8Vp to podałem taki mikser dla wzmacniacza małej rezystancji Ro=0.33R -P=150W i jego schemat jest na tym forum w dziale Audio.
-
janek11389
- -

- Posty:682
- Rejestracja:5 cze 2004, o 10:57
A, jak widze merytorycznych argumentow brakuje?Witam! Jeżeli w Twoim rozumowaniu praktyka jest siedzeniem cały dzień za pulpitem sterowniczym mikserów i jesteś odpowiednio już wiekowy, no to może faktycznie, nasza praktyka umywa się do Twojej.Mysle, ze masz podobne podejscie do janka - czysta teoria i zero praktyki.
Pozdrawiam
Re:matiz
Prawda, osobiście nic wspólnego mam z instrumentami muzycznymi i nawet nie znam standardów wejściowych i wyjściowych takich urządzeń jak miksery i gitary. Ale moja informacja nie jest zła bo podana technika jest cenna i można kombinować aby sobie pasować jak kto lubi. Każda technika ma zalety i wady. Trochę chce mi się śmiać jak na śmieciu wtórnikami emiterowymi i źródłami prądowymi jest robiona wysoka jakość na papierze i trudniej jest tą techniką uzyskać wysoką jakość, bo stopnie napięciowe są wrażliwe i trzeba w laboratorium wszystko symetryzować i regulować i to na zasadzie jak fachowiec. Po prostu podałem przykład dobrych przedwzmacniaczy o stabilnej jakości i do zabawy w dobrą elektronikę. Moje schematy są własnoręcznie rysowane na ekranie komputera i nie stosuje programów komputerowych na zasadzie różnych symulacji a kieruję się w projektach własnymi symulacjami w mojej głowie opartymi na wiedzy sterowania się tranzystorów. Szkoda że nie jest to konstrukcja od razu dopasowana do standardowych potrzeb.
W zasadzie kierunek sluszny 
Klasa A, SE, duze prady - wszystko sie zgadza. Niestety, nie w stopniach wejsicowych - tam duzy prad to duze szumy i nie da sie tego przeskoczyc. Najbardziej znany i ceniony, w zasadzie kultowy, przedwzmacniacz mikrofonowy ma w stopniu wyjsciowym 2N3055 - malo kto uwaza ten tranzystor za tranzystor do audio.
http://www.terrancedwyer.com/images/Nev ... -AM&AV.pdf
Jest jednak zasadnicza roznica: maksymalny poziom wyjsciowy. W konstrukcji pana Neve czesciowo sprawe zalatwia transformator wyjsciowy (wejsciowy tez jest, ale to inna sprawa), ale uklady audio po prostu musza miec duzy odstep od przesterowania. Twoja konstrukcja ma 2Vp i to teoretycznie, podczas gdy najgorsze dziadostwo na wzmacniaczach operacyjnych bez problemu daje pod 14Vp - to jest 16dB roznicy, to naprawde duzo. Niestety, nowoczesny sposob nagrywania np. plyt CD w polaczeniu ze standardem -10dBV dla -15dBFS oznacza, ze normalny i nominalny poziom sygnalu na wyjsciach cinch odtwarzacza CD to prawie 2,5Vp - i od tego musimy liczyc headroom, chocby na regulacje barwy tonu - a twoja konstrukcja juz dla nominalnego poziomu sie nie wyrabia. Uzytkownik nie moze poruszac sie w zakresie 10dB, zmuszany do ciaglego grzebania czuloscia, bo dodal czy zdjal basu. Poziom wyjsciowy gitary moze byc jeszcze wiekszy, ale z drugiej strony gitar sie nie miksuje mikserem, wiec tutaj problem sam znika
Klasa A, SE, duze prady - wszystko sie zgadza. Niestety, nie w stopniach wejsicowych - tam duzy prad to duze szumy i nie da sie tego przeskoczyc. Najbardziej znany i ceniony, w zasadzie kultowy, przedwzmacniacz mikrofonowy ma w stopniu wyjsciowym 2N3055 - malo kto uwaza ten tranzystor za tranzystor do audio.
http://www.terrancedwyer.com/images/Nev ... -AM&AV.pdf
Jest jednak zasadnicza roznica: maksymalny poziom wyjsciowy. W konstrukcji pana Neve czesciowo sprawe zalatwia transformator wyjsciowy (wejsciowy tez jest, ale to inna sprawa), ale uklady audio po prostu musza miec duzy odstep od przesterowania. Twoja konstrukcja ma 2Vp i to teoretycznie, podczas gdy najgorsze dziadostwo na wzmacniaczach operacyjnych bez problemu daje pod 14Vp - to jest 16dB roznicy, to naprawde duzo. Niestety, nowoczesny sposob nagrywania np. plyt CD w polaczeniu ze standardem -10dBV dla -15dBFS oznacza, ze normalny i nominalny poziom sygnalu na wyjsciach cinch odtwarzacza CD to prawie 2,5Vp - i od tego musimy liczyc headroom, chocby na regulacje barwy tonu - a twoja konstrukcja juz dla nominalnego poziomu sie nie wyrabia. Uzytkownik nie moze poruszac sie w zakresie 10dB, zmuszany do ciaglego grzebania czuloscia, bo dodal czy zdjal basu. Poziom wyjsciowy gitary moze byc jeszcze wiekszy, ale z drugiej strony gitar sie nie miksuje mikserem, wiec tutaj problem sam znika
Re:matiz
Duża czułość wejścia i związane z tym szumy mają znaczenie tylko przy nagrywaniu stereo słuchowisk lub przy nagłośnieniu dźwiękiem dużych obszarów i wtedy potrzebna jest duża dynamika dla odstępu szumu. Pozostałe przypadki to można bawić się i wykorzystywać tanie i dobre układy na tranzystorach, bo układy scalone nie dają pełnej satysfakcji. Ogólnie te moje rzeczy nie do wszystkiego pasują. Znam sterowanie się tranzystorów i wiem sam dla jakich poziomów występują zniekształcenia i bez znania dynamiki prądowej stosowanych tranzystorów w ogóle nie mógłbym projektować schematów i jaki poziom wyjściowy podaje to jest pewne dla małych zniekształceń. Można zwiększyć czułość mikrofonu poprzez generator i odbiornik, ale trudno jest zrobić dobry generator aby był tak cichy aby odbiornik go nie słyszał a jedynie dla podłączonego sygnału mcz. Kiedyś bawiłem się tym z sukcesem, dla mikrofonu dynamicznego, i są to tylko podobne rzeczy do mikrofonów FM sprzedawanych w sklepach.
Re:matiz
Skad takie przeswiadczenie? Niski poziom szumu jest w dzisiejszych czasach wrecz priorytetem, w kazdym zastosowaniu. Wspolczesna produkcja czegokolwiek, od piosenki przez sluchowisko do dzwieku w serialu telewizyjnym charakteryzuje sie silna kompresja i bardzo wysokim poziomem RMS, co oznacza "wyciaganie" szumu z kazdego zrodla. Zwykle radio FM nadaje przez procesor, ktory "masakruje" dzwiek, wiec np. wszystko puszczone w radiu jest homogenizowane i zglasniane do nieprzytomnosci. Stad koniecznosc niskiego poziomu szumuw, nawet kosztem znieksztalcen, ktore obecnie wrecz sa dodawane w celu zwiekszenia odczuwalnej glosnosci. Nie uciekniesz od tego problemu, na kazdym etapie mamy wojne glosnosci i kazdy, i maly i wielki, bierze w niej udzial. Glowna bronia w tej walce jest kompresor, limiter i przeser - a to znaczaco wyciaga poziom szumow.Duża czułość wejścia i związane z tym szumy mają znaczenie tylko przy nagrywaniu stereo słuchowisk lub przy nagłośnieniu dźwiękiem dużych obszarów i wtedy potrzebna jest duża dynamika dla odstępu szumu.
Taaaa... Nic nie rozumiem... Wyjasnisz, o co chodzi z tym generatorem, ktorego nie slychac, i co to ma wspolnego z mikrofonem dynamicznym?Można zwiększyć czułość mikrofonu poprzez generator i odbiornik, ale trudno jest zrobić dobry generator aby był tak cichy aby odbiornik go nie słyszał a jedynie dla podłączonego sygnału mcz. Kiedyś bawiłem się tym z sukcesem, dla mikrofonu dynamicznego, i są to tylko podobne rzeczy do mikrofonów FM sprzedawanych w sklepach.
Kto jest online
Użytkownicy przeglądający to forum: Obecnie na forum nie ma żadnego zarejestrowanego użytkownika i 15 gości


