Witam,
zakupiłem w AVT płytke z dokumentacją, zresztą jest to równięż na
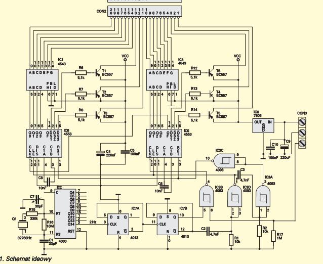
elektroda.pl, poszukuję kogoś komu udało się to złożycć ponieważ spis części
nie pasuje do płytki a płytka nie pasuje do schematu tzn. na płytce są
oznaczone elementy których nie ma na schemacie, a spis częsći ma się nijak
do schematu i spisu częśći(głównie chodzi o rezystory), reszta raczej pasuje
pozdrawiam serdecznie busek
Aktyw Forum
Zarejestruj się na forum.ep.com.pl i zgłoś swój akces do Aktywu Forum. Jeśli jesteś już zarejestrowany wystarczy, że się zalogujesz.
Sprawdź punkty Zarejestruj sięavt 2269 pomocy niezgodnosc płytki ze schematem i spisem czę
Moderatorzy:Jacek Bogusz, Grzegorz Becker, procesorowiec, robertw, Moderatorzy
Witam. Ja także pokusiłem się o złożenie miernika.
Jednak urządzenie nie działa.
Nic nie pokazuje 2 segment wyświetlacza, pozostałem pokazują same zera.
Posiadam miernik częstotliwości do 20k oraz oscyloskop. Będę wdzięczny za podpowiedź gdzie mam rozpocząć poszukiwanie usterek.
Co do samej płytki to muszę przyznać jak kolega wyżej- niezgodność opisu na płytce ze schematem ideowym.
Jednak urządzenie nie działa.
Nic nie pokazuje 2 segment wyświetlacza, pozostałem pokazują same zera.
Posiadam miernik częstotliwości do 20k oraz oscyloskop. Będę wdzięczny za podpowiedź gdzie mam rozpocząć poszukiwanie usterek.
Co do samej płytki to muszę przyznać jak kolega wyżej- niezgodność opisu na płytce ze schematem ideowym.
Koledzy podpowiedzcie jak sprawdzić układ tego generatora wzorcowego na kwarcu. Z tego co wiem to częstotliwość 2Hz to częstotliwość migania kropek w zegarku elektronicznym. Dysponując więc sondą stanów logicznych powinienem mieć na przemian stan wysoki i niski>czy tez może stan niski oraz brak (czyli ani nie zdefiniowany, ani wysoki)?
Kto jest online
Użytkownicy przeglądający to forum: Obecnie na forum nie ma żadnego zarejestrowanego użytkownika i 34 gości

