Aktyw Forum
Zarejestruj się na forum.ep.com.pl i zgłoś swój akces do Aktywu Forum. Jeśli jesteś już zarejestrowany wystarczy, że się zalogujesz.
Sprawdź punkty Zarejestruj sięAVT2161 Phantom w przedwzmacniaczu
Moderatorzy:Jacek Bogusz, Grzegorz Becker, procesorowiec, robertw, Moderatorzy
Re: AVT2161 Phantom w przedwzmacniaczu
Witam.
W instrukcji wyraźnie określono, że układ powinien być zasilany napięciem symetrycznym. (7 - 22V +/-)
Jeżeli chcesz to zasilać z 48V, to musisz zrealizować podział tego napięcia np. na dwóch diodach zenera oraz rezystorze kompensującym zapas napięcia.
Możesz zastosować C15, a jak masz dobry kabel mikrofonowy, to diody mogą być większe. Dobrze dobrane diody zapewnią maksymalną oszczędność układu na energię.
Pamiętaj tylko o tym, aby tak dobrać rezystor, by (po uwzględnieniu spadku napięcia na spodziewanie najdłuższym odcinku kabla mikrofonowego) układ zasilania wydolił 15-20 mA przy stabilnym napięciu zenera.
Pozdrawiam
W instrukcji wyraźnie określono, że układ powinien być zasilany napięciem symetrycznym. (7 - 22V +/-)
Jeżeli chcesz to zasilać z 48V, to musisz zrealizować podział tego napięcia np. na dwóch diodach zenera oraz rezystorze kompensującym zapas napięcia.
Możesz zastosować C15, a jak masz dobry kabel mikrofonowy, to diody mogą być większe. Dobrze dobrane diody zapewnią maksymalną oszczędność układu na energię.
Pamiętaj tylko o tym, aby tak dobrać rezystor, by (po uwzględnieniu spadku napięcia na spodziewanie najdłuższym odcinku kabla mikrofonowego) układ zasilania wydolił 15-20 mA przy stabilnym napięciu zenera.
Pozdrawiam
-
000andrzej
- -

- Posty:375
- Rejestracja:13 sie 2003, o 14:03
- Lokalizacja:Kraków
Re: AVT2161 Phantom w przedwzmacniaczu
Dobrze rozumiem, że masz 2 oddzielne zasilania z różnych zasilaczy? Nie powineneś tego potrzktować jak 2 osobne układy i galwanicznie odizolować masy?
Re: AVT2161 Phantom w przedwzmacniaczu
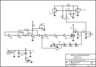
Dlatego pytalem o plytke bo do poprawnej pracy potrzebne sa R1, R2, R3, C1
Re: AVT2161 Phantom w przedwzmacniaczu
Należy odróżnić zasilanie wzmacniacza od zasilania mikrofonu. Symetryczne zasilanie wzmacniacza należy podłączyć do punktów P-O-N.
Niesymetryczne zasilanie mikrofonu - 48V - należy podłączyć do punktów D-O1.
Sprawdź, czy są wmontowane elementy R1, R2, R3. Zmierz woltomierzem napięcia na tych elementach.
Niesymetryczne zasilanie mikrofonu - 48V - należy podłączyć do punktów D-O1.
Sprawdź, czy są wmontowane elementy R1, R2, R3. Zmierz woltomierzem napięcia na tych elementach.
Re: AVT2161 Phantom w przedwzmacniaczu
Zasilanie mikrofonu w tym zgodność z SSM2017 masz w dokumentacji PDF us.Należy odróżnić zasilanie wzmacniacza od zasilania mikrofonu.
Autor nie zaznaczył gdzie będzie umiejscowiony ten przedwzmacniacz, a przecież w mikrofonie nie masz napięcia symetrycznego. (co najwyżej 48V pomijając spadek napięcia na kablu.)
Ten temat już kiedyś poruszyłem na tym forum.
Kto jest online
Użytkownicy przeglądający to forum: Obecnie na forum nie ma żadnego zarejestrowanego użytkownika i 32 gości


