Aktyw Forum

Zarejestruj się na forum.ep.com.pl i zgłoś swój akces do Aktywu Forum. Jeśli jesteś już zarejestrowany wystarczy, że się zalogujesz.

Sprawdź punkty Zarejestruj się

Problem z kitem AVT 2356 - wzmacniacz klasy A

Yoshi_80
-
-
Posty:11
Rejestracja:13 maja 2005, o 18:50
Lokalizacja:Żary
Problem z kitem AVT 2356 - wzmacniacz klasy A

Postautor: Yoshi_80 » 13 maja 2005, o 20:10

Witam

Mam poważny problem z tym kitem a konkretnie ze stopniem mocy. Spaliłem już na nim garść tranzystorów i sporo mnie to kosztowało :( .
Najogólniej rzecz biorąc doszedlem do wniosku, że robi mi się zwarcie , chyba nie wytrzymuje tranzystor T1 czyli irf 9540 w źrodle prądowym.

Wcześniej byłem optymistycznie nastawiony i podłaczyłem dwie końcówki na raz no i sie obie spaliły. Uruchomienie przebieglo ok , poustawiałem napiecie na drenie 17V wg opisu no i czekam niech się wygrzeje. Po 10 min piedrut , zwarcie na zasilaczu i dym ze wzmacniacza. Zjarał sie nawet opornik 0,33 ohm !!

Jako ,że irf9540 mi sie wykończyły , dałem na próbe 9530 i odalilem , pochodzilo z 10 min i z 9530 poszedł ogien , aż go rozpołowiło :x

Zakupiełem więc kilka nowych tranzystorów (kolejne 30 zł w plecy). Doszedłem też do wniosku ,że być moze mocowanie tranzystorów mam nieodpowiednie bo nie przykręcałem ich śróbą tylko docistałem dużym kawałkiem płaskownika , który był przykręcany do radiatora.
Przykręciłem więc tranzystory solidnie w klasyczy sposob , zrobiłęm bezpiecznik z 10 cm kawałka drutu (jedna zyła z przewodu, spala się na ok 5-6A). Wlutowalem nowe trany i odpalam układ. Potencjometr ustawiony na połowę. Teraz wpierw zmierzyłem napiecie na rezystorze pomiarowym , jak ulał 0,67 V wiec prąd 2A. Nim zdązyłem zmierzyć napięcie na drenie pierdut , przepalil sie mój DIY bezpiecznik ale tranzystor T1 również, T3 zresztą chyba też. Układ nie działał dłużej jak 30 sek !! Nawet nie zdązył sie zagrzać , co jest grane :? ??
Przy uszkodzeniu T1 zdażało się również ze paliło mi rezystory R2 i R3 .

Moje zmiany w układzie w stosunku do proponowanego są kosmetyczne. Na płytce mam mały kondensator elektrolityczny 470u zamiast całej baterii , a zasilanie poprowadzone jest kablami z zasilacza 40V DC , 60 000uF na kanał. To wszystko.

Poradźcie coś bo całkiem zgłupiałem. Moze ustawić mniejszy prąd rezystorem R1 ??
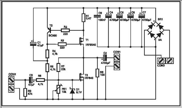
Załączniki
schemat.jpg

Awatar użytkownika
ACeK
-
-
Posty:1522
Rejestracja:30 mar 2003, o 19:35
Lokalizacja:Kielce

Postautor: ACeK » 13 maja 2005, o 20:54

:) Proponuje Ci poczytac posty napisane przez janek11389 on siedzi we wzmacniaczach :arrow: tu masz linka do jego postow :wink:
:D

Ps. Moze zmniejsz napiecie zasilania o polowe zrob regolacje sprawdz jak przechodzi sygnal co sie grzeje i jak bedzie dobrze podaj znamionowe. Urzywaj tez bezpieczniki z cienszego drutu a taki znajdziesz w uzwojeniach pierwotnych transformatorow :idea:

Awatar użytkownika
end
admin
admin
Posty:4977
Rejestracja:7 maja 2003, o 11:18
Lokalizacja:Jedlina Zdrój
Kontaktowanie:

Postautor: end » 14 maja 2005, o 09:46

Zjarał sie nawet opornik 0,33 ohm !!
Który to?
Doszedłem też do wniosku ,że być moze mocowanie tranzystorów mam nieodpowiednie bo nie przykręcałem ich śróbą tylko docistałem dużym kawałkiem...
Czy sprawdzałeś miernikiem czy nie ma "przejścia" metalowej wkładki tranzystora do radiatora?
One muszą być odizolowane lub na osobnych radiatorach...
Przy uszkodzeniu T1 zdażało się również ze paliło mi rezystory R2 i R3
No jak tranzystor zrobił wzarcie to prąd ktorąś drogą chce płynąć dalej :)
A więc:
Sprawdź jak się ma T2, nic nie napisałeś o T3 a "chyba" nic nie mówi.Sprawdź czy jest ok.
Pierwsze proby podłączenia i regulacji polecam robić z żarówką (40-60W) z wszeregu z uzwojeniem pierwotnym transformatora sieciowego.
Widocznie wzmacniacz się wzbudza lub zmontowałeś coś źle.
Ustaw R1 na minimum i włącz wzmacniacz, odczekaj chwilę i zrób pomiary.
Napisz co z tego wynikło.

Yoshi_80
-
-
Posty:11
Rejestracja:13 maja 2005, o 18:50
Lokalizacja:Żary

Postautor: Yoshi_80 » 14 maja 2005, o 12:08

Witam

Na schemacie jest bład , rezystor R1 jest 0,47 a nie 0,33. Wg opisu ma być 0,33 , tak samo jak na schemacie Zen'a N. Passa. Przepraszam za nieścisłość.

Podkładki izolacyjne oczywiście stosuję , na radiator nie ma przejścia , zreszą na wkładkach radiatorowych są dreny więc nawet ew przejscie nic nie zaszkodzi. Radiator na testy mam odizolowany od obudowy (leży na stole).

Tranzystor T2 wymienialem ale zrobię to jeszcze raz. Może na poprzednich "awariach" też się uszkodził. Niestety zamiast BC560 mam BC556 bo w sklepie w moim mieście nie mieli 560. Myśle ze to nie ma większego wpływu na działanie układu.

Tranzystor T3 raczej przeżył , sprawdzalem omomierzem to nie ma przejścia między bramką a drenem i bramką a źródłem wiec powiedzmy działa. Do następnej próby zamontuję nową parę tranzystorów.

Ok ustawię potencjometr na minimum.

Bład montażu raczej wykluczam. Płytka jest łopatologicznie prosta a sam nie jestem nowicjuszem w elektronice. Dlatego tym bardziej jestem zszokowany. Zresztą popelnienie błedu w obu kanałach na raz jest wykluczone, jedynie bład w doborze elementów ale te sprawdziłem. Na chwilę obecna podejzewam zasilanie, może mam jakieś śmieci albo co :/ . Spróbuję poodłaczać wszystko co jest podpięte pod zasilanie wzmacniacza. W sumie na tym zasilaczu działał mi wzmacniac zjuz od 2 lat , wcześniej tda , później lm. Teraz go zmotyfikowałem tylko z symetrycznego na pojedyncze zasilanie (każde uzwojenie trafa zasila osobna baterie kondensatorów, będzie a'la dual mono).

Czy to możliwe żeby tak prosty wzmacniacz sie wzbudzal ??

Ok zastosuję patent z żarówka. Kupiłem też troche bezpieczników 3,15A bezzwłocznych bo mój DIY niedostatniecznie dobrze sie spisał :mrgreen:

Awatar użytkownika
end
admin
admin
Posty:4977
Rejestracja:7 maja 2003, o 11:18
Lokalizacja:Jedlina Zdrój
Kontaktowanie:

Postautor: end » 14 maja 2005, o 12:52

BC556 to poprostu to samo co BC560 tyle, że na większe napięcie. :)

zoltar
-
-
Posty:9
Rejestracja:14 maja 2005, o 12:46
Lokalizacja:Gliwice

Postautor: zoltar » 14 maja 2005, o 12:54

Ja proponuję uruchamiać wzmacniacz etapami. Wpierw uruchomiłbym źródło prądowe (poprostu nie wlutowywać T3). Źródło powinno dawać 2 A jak zamiast tranzystora obwód zewrzesz amperomierzem. Pamiętaj jednak, że jak źródło prądowe nie działa to możesz uszkodzić aperomierz lub zasilacz. Więc w szereg z amperomierzem dałbym rezystor, który w przypadku zwartego górnego IRF-a ograniczy prąd do powiedzmy 3-5A. Do tego celu nadaje się żarówka samochodowa, bo z rezytorem o wystarczającej mocy może być kłopot.
Jak to ustalisz, to napisz.

Pozdrawiam

Yoshi_80
-
-
Posty:11
Rejestracja:13 maja 2005, o 18:50
Lokalizacja:Żary

Postautor: Yoshi_80 » 14 maja 2005, o 13:17

OK zrobię wg rady Zoltara , mam tylko jeszcz pytanie jak długo testować źródło? Zostawić na jakiś czas czy tylko sprawdzić prąd.
Mogę to uruchomić też na niższym napięciu , mam akumulator żelowy 12V , lub wyszperam jakieś słabsze trafo.

zoltar
-
-
Posty:9
Rejestracja:14 maja 2005, o 12:46
Lokalizacja:Gliwice

Postautor: zoltar » 14 maja 2005, o 13:33

Żarówka samochodowa napewno bedzie bezpieczniejsza przy niższym napięciu. Do testowania źródła prądowego napięcie zasilające może być stosunkowo niskie, lecz znacznie wyższe niż napięcie nasycenia IRF-a. Myslę, że 12V będzie dobre.
Uważaj z akumulatorem, bo one mają bardzo dużą wydajność prądową. Małe zwarcie może zrobić ogrone straty.

Pozdrawiam

Yoshi_80
-
-
Posty:11
Rejestracja:13 maja 2005, o 18:50
Lokalizacja:Żary

Postautor: Yoshi_80 » 14 maja 2005, o 19:06

Witam ponownie

Wymieniłem tranzystor T1 na nowy. Tak samo sterujący nim T2. Dołożyłem jeszcze do płytki kondensator filtrujacy zasilanie , łacznie na płytce mam 1000+470uF a dalej kablami do zailacza i normalna bateria kondensatorów. Zastanawiam sie czy nie wylutować jednego kondziora z zailacza 10000uFi wmontować go w pcb.

Zrobiłem zgodnie z radą zoltara. Zalaczyłem zamiast T3 żarówke samochodową 40W, zasiliłem z akumulatora. Prąd 1,81 A , potrzymałem tak pół godziny. Bez problemu , tranzystor ledwo ciepły , moc strat na nim raptem 8,5W bo zarówa sie paliła. Następnie zwarłem żarówke. Prad podskoczył do 1,86 A. Potrzymałem z pół godziny aż sie żelówka rozładowała :/ . W kazdym razie działało bez problemu.

W sumie po przemyśleniach doszedłem do dwóch wniosków:
ablo rozwala mi wzmacniacz jakieś paskudne wzbudzenie nie wiadomo skąd
albo tranzystor 9540 to jakaś lipa co mnie bardzo przekonuje. Te co mi oferują w sklepie to jakieś no name. Pirze tylko na nim irf9540, poniżej HO 44 i jescze niżej podkreślone i . Żadnej firmy, nikt sie do niego nie przyznaje.

W ogóle zauwazyłem ze wkłada radiatorowa w tym tranzystorze jest jakaś dziwna. Miękka , wgniotła sie od tulejki plastikowej pod sróbą !! Dodatkowo po stronie stykajacej sie z radiatorem , na "urzywanych" zauważyłem spore nierówności których przem wmontowanie nie było. Jakby od temperatury sie pofałdował albo co. Niestety nie mam jak zrobić zdjęcia.
Zastanawiam się czy nie lepiej wymienić na jakiś firmowy , chociażby irf9240 , który był orginalnie w konstrukcji Passa.
Co o tym myślicie ??
Ostatnio zmieniony 14 maja 2005, o 19:30 przez Yoshi_80, łącznie zmieniany 1 raz.

zoltar
-
-
Posty:9
Rejestracja:14 maja 2005, o 12:46
Lokalizacja:Gliwice

Postautor: zoltar » 14 maja 2005, o 19:17

Hej. Przecież T3 ma być IRF540, a nie IRF9540. Jeżeli jako T3 dałeś IRF 9540 lub IRF 9530 to masz przyczynę.

Z twoich badań wynika, że źródło prądowe działa, więc z nim nie kombinuj.

Pozdrawiam

Yoshi_80
-
-
Posty:11
Rejestracja:13 maja 2005, o 18:50
Lokalizacja:Żary

Postautor: Yoshi_80 » 14 maja 2005, o 19:22

Niestety nie , na chemacie u góry moze nie wyraźnie ale tranzystor T3 to irf640 , irf 9540 jest T1 w źródle prądowym. To na pewno mam dobrze, tak też jest w opisie z AVT.

Podłączyć to co mam z żarówką do normalnego zasilacza ??

update

Przepraszam w poprzednim poście pomyliłem sie w opisie. Oczywiście wymienilem T1 na nowy a zamiast T3 dałem zarówke. Dodałem juz w opisie stosowną poprawke.

zoltar
-
-
Posty:9
Rejestracja:14 maja 2005, o 12:46
Lokalizacja:Gliwice

Postautor: zoltar » 14 maja 2005, o 19:47

Górny to napewno jest IRF9540. Jak Ci działa z żarówką to znaczy, że on jest OK. Przyczyna leży gdzieś ińdziej. Dolny napewno ma być IRF540, Mi chodziło o ten dolny, czy dałeś właściwy.
Jeszcze jedno. Prz wyższym napięciu z zasilacza, napewno wiecej cipła się z tego tranzystora wydziela, niż przy zasilaniu z akumulatora z żarówką.
Jak duży masz radiator, czy radiator się grzeje. Może być tak, ze tranzystor jest źle zamocowany i on paruje, a radiator jest zimny. Może głupie pytanie, ale z czego ten radiator zrobiłeś ?

Pozdrawiam

Yoshi_80
-
-
Posty:11
Rejestracja:13 maja 2005, o 18:50
Lokalizacja:Żary

Postautor: Yoshi_80 » 14 maja 2005, o 20:32

Radiator mam fabryczny. Wymiar 10x16 cm , zeberka wysokosci 3,5 cm. Jeden radiator jest na 2 tranzystory , drugi kanał ma osobny identyczny radiator. Tranzystory przykręciłem solidnie śróbką. Wcześniej dociskałem płaskownikiem aluminiowym 6mm ale do spaleniu wydumałem ze być moze nie jest to dobry pomysł bo docisk nie pozwolił sie roszerzać nagrzewajacej obudowie , moze powstały jakieś napręzenia i rozwalało tranzystor. Więc pozostałem przy śróbce. Teraz sam nie wiem.

Mam też podkładni silikonowe. Moze je wywalić? Niech bedzie na radiatorze potencjał drenu ale za to chłodzenie sie poprawi.

Zoltar: skoro na schemacie mam irf'a 640 to czemu mam dawać 540. Czy o czymś nie wiem? Ja trzeba to dam , powienienem mieć 540 w nieurzywanej przetwornicy to go wymontuje na testa.

zoltar
-
-
Posty:9
Rejestracja:14 maja 2005, o 12:46
Lokalizacja:Gliwice

Postautor: zoltar » 14 maja 2005, o 21:34

To może być trochę za may radiator. Jednak oba tranzystory wydzielają 80W mocy.

Awatar użytkownika
end
admin
admin
Posty:4977
Rejestracja:7 maja 2003, o 11:18
Lokalizacja:Jedlina Zdrój
Kontaktowanie:

Postautor: end » 15 maja 2005, o 09:38

Radiator powinien wystarczyćm bynajmiej na choć trochę a tutaj tranzystory palą się w sumie od razu :(
Robiłeś z tą żarówką?

zoltar
-
-
Posty:9
Rejestracja:14 maja 2005, o 12:46
Lokalizacja:Gliwice

Re: Problem z kitem AVT 2356 - wzmacniacz klasy A

Postautor: zoltar » 15 maja 2005, o 10:28

Witam


Wcześniej byłem optymistycznie nastawiony i podłaczyłem dwie końcówki na raz no i sie obie spaliły. Uruchomienie przebieglo ok , poustawiałem napiecie na drenie 17V wg opisu no i czekam niech się wygrzeje. Po 10 min piedrut , zwarcie na zasilaczu i dym ze wzmacniacza. Zjarał sie nawet opornik 0,33 ohm !!
Tak dla przypomnienia, że jednak nie robi bum od razu.

Awatar użytkownika
end
admin
admin
Posty:4977
Rejestracja:7 maja 2003, o 11:18
Lokalizacja:Jedlina Zdrój
Kontaktowanie:

Postautor: end » 15 maja 2005, o 10:34

No racja zoltar :)
To niech kolega zmierzy sobie ile stopni ma radiator i to dużo wyjaśni.

Yoshi_80
-
-
Posty:11
Rejestracja:13 maja 2005, o 18:50
Lokalizacja:Żary

Postautor: Yoshi_80 » 15 maja 2005, o 13:05

Witam

W kwestii wyjaśnienia raz robił bum od razu a raz pochodził 10 min i dopiero wykitował.

Ale mam dobre wieści :). Zrobiłem dziś kolejny test źródła prądowego. Dla poprawy chłodzenia wywaliłem podkładkę izolujacą. Zamiast tranzystora T3 podłączyłem dwie żarówki samochodowe szeregowo na których odkładało sie napięcie 16V , czyli prawie tyle ile ma być na drenach wg opisu (17V). Uklad podłączylem do normalnego zasilacza i wygrzałem 20 min. Sprawdziłem mocowanie tranzystora , było ok. Radiator gorący ze nie dało się go utrzymać w palcach. Następnie uruchomiłem układ na kolejne 40 min , wiec w sumie godzina wygrzewania i wszystko jest w porządku. Cały czas sprawdzałem napięcie na oporniku R1 , po nagrzaniu ustalilo sie na 660 mV i tak pozostało. Więc równo 2 A. Radiator po godzinie był gorący, niestety nie mam zadnego termometru (a jedyny czujnik LM35 akurat niedawno zurzyłem do regulatora obrotów wentylatora w zasilaczu :/ ).
Doszedłem do wniosku ze do istenijacego radiatora dokręce jeszcze jeden , mniejszy ale na pewno poprawi odprowadzanie ciepła.

Tak wiec test źróła prądowego przebiegł pomyślnie. Czas podłączyc drugi tranzystor. Czy macie jakieś sugestie co do sposobu uruchomienia ?

[ Dodano: 15-05-2005, 19:12 ]
Hej panowie, mission sucesfull :564:

Do istniejacego radiatora dodałem dodatkowy, tak dla pewnosci. Uruchomiłem wpierw z jedna zarówką,żeby nieco obnizyć napiecie. Pogrzałem z 20min i wywaliłem żarówke i pociagnalem z pełnego napiecia. Wygrzałem z 30 min , ustawiłem punkt pracy i podłączyłem resztę sprzetu.

Oczywiście miałem potężny przydziwek , jednak podłączenia wg płytki były nietrafione. Przerobiłem nieco obwód masy. Co prawda składowa 100Hz całkiem zanikła ale mam jeszcze lekki brumik 50Hz. Na razie skończyły mi się pomysły na obwód z masą.

Podpiąłem mojego diy przedwzmacniacza lampowego i normalną kolumne zamiast testowego głosnika.
Muszę przyznać, że brzmienie tego wzmacniacza bardzo mnie zaskoczyło. Po prostu wgniotło mnie w fotel i tylko ręka mi działała żeby zmieniać utwory :). Wzmacniacz zaczął dobrze grać po rozgrzaniu , jak poczułem juz ten smrodek rozgrzanego radiatora :mrgreen:
. Najbardziej co sie zaznaczyło to zmiana basu , stał sie swobodny i otwarty , taki o jaki mi chodziło od dawna. Jak uruchomie drugi kanał to będe miał pełny obraz sytuacji :).

Na koniec wysnulem dwa wnioski. Pierszy, że dawanie podkładki pod tranzystor w obudowie TO220 który wydziela 40W ciepła to poroniony pomysł.
Drugi, że te 8 W jakimi ma dysponować ten wzmacniacz to wcale nie tak mało, gra głośno jak cholera. Mam wrażenie jakbym przez całe życie nie przekroczył nigdy bariery 10W.

Pozdrawiam i wielkie dzięki za pomoc. Dam znać jak zmontuje drugi kanał i dokonam dokładnych odsłuchów.

zoltar
-
-
Posty:9
Rejestracja:14 maja 2005, o 12:46
Lokalizacja:Gliwice

Postautor: zoltar » 15 maja 2005, o 21:05

Tak z ciekawości pytam. Z jakimi kolumnami to gra ?

Pozdrawiam

Yoshi_80
-
-
Posty:11
Rejestracja:13 maja 2005, o 18:50
Lokalizacja:Żary

Postautor: Yoshi_80 » 17 maja 2005, o 13:35

Wiam

Od wczoraj gra już stereo. Brzmienie jest naprawdę super. Wcześniej miałem LM3886 , nie ma do czego poównywać.To całkiem inny poziom :) . Jak wzmacniacz sie dobrze wygrzeje to ustawie mu punkty pracy na oscyloskop.
Kolumny są oczywiscie diy ,na 2x arn 150 i audaxie A0. Opis zamieszczony jest w dziale kolstrukcje na www.audiomania.info . Dość znana konstrukcja. Kilka razy je modyfikowałem do obecnego stanu.

Pozdrwiam

Wróć do „Kity AVT”

Kto jest online

Użytkownicy przeglądający to forum: Obecnie na forum nie ma żadnego zarejestrowanego użytkownika i 31 gości