
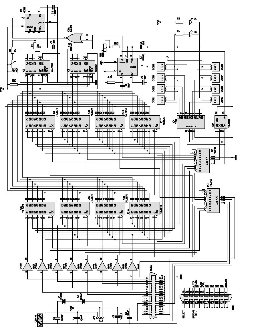
Przedewszystkim kazdy scalak powinien miec swoj kondensatorek 100n. Jesli wszystkie scalaki siedza w podstawkach to zaczalbym uruchamiac uklad na piechote co to znaczy? To znaczy ze podlaczyl bym tylko dwa
4050 i osiem
LS574 na wyjscia dolaczyl bym 2 dekodery
7447 z wyswietlaczem segmentowym lub 8 diod
led do graficznej prezentacji przesylanych danych oraz
IC 11. Napisal bym program (
np basic) podajacy na wyjscie centronic liczby z zakresu 0 - 255 i recznie (zamiast IC 1) sterowal poszczegolny LS574. W ten sposob bylbys w stanie szybko sprawdzic czy scalaki dzialaja i czy nie ma bledow w montazu zwarte sciezki lub zamienione. I jesli jest OK dolozyl reszte. Ja budujac kiedyc programator
eprom zrobilem wlasnie taki blad (
zwarcie na scieszkach). W ten sposob bedziesz w stanie sprawdzic poszczegolne bloki i wyselekcjonowac ktory blok dziala a ktory nie pozniej moze je zamienic i jesli dalej bedzie to samo to oznacza ze sa sprawne. To jedyny sposob pomiary i testy powodzenia
Ps. Z kad masz ten schemat lub ktory to jest
Kit 