Masz jakiś procesor podpięty do programatora?[...] jak zrobisz wpis szeregowy, to mogę sprawdzić przesunięcia fazy.
Aktyw Forum
Zarejestruj się na forum.ep.com.pl i zgłoś swój akces do Aktywu Forum. Jeśli jesteś już zarejestrowany wystarczy, że się zalogujesz.
Sprawdź punkty Zarejestruj sięWykrywacz metali ze zrównoważoną indukcyjnością od podstaw
Moderatorzy:Jacek Bogusz, Grzegorz Becker, procesorowiec, robertw, Moderatorzy
- Tomasz Gumny
- -

- Posty:685
- Rejestracja:4 lut 2004, o 23:31
- Lokalizacja:Trzcianka/Poznań
Re: Wykrywacz metali ze zrównoważoną indukcyjnością od podst
Mam stk500 i atmega8 na stole, no i Arduino, na którym od godziny gram w Pong'a....
- Tomasz Gumny
- -

- Posty:685
- Rejestracja:4 lut 2004, o 23:31
- Lokalizacja:Trzcianka/Poznań
Re: Wykrywacz metali ze zrównoważoną indukcyjnością od podst
Wymyśliłem coś takiego:
Zamiast buforować wyjście filtru (żeby dołączenie obciążenia nie wpływało na napięcie) proponuję wyrównanie obciążenia w obu stanach. W tym układzie rezystancja obciążenia zawsze wynosi 2k (2k lub 3k||6k). Razem z rezystorami filtru tworzy to dzielnik napięcia, dający przy max wypełnieniu (1023/1024) napięcie:
Uwy = 5V * 1023/1024 * 2k/(20k+2k) = 0.454V. Przebieg prostokątny o takiej amplitudzie napięcia ma wartość skuteczną 0.227V. Zgadza się?
Wolny klucz przyda się do zrobienia negacji przy L293D.
Uwy = 5V * 1023/1024 * 2k/(20k+2k) = 0.454V. Przebieg prostokątny o takiej amplitudzie napięcia ma wartość skuteczną 0.227V. Zgadza się?
Wolny klucz przyda się do zrobienia negacji przy L293D.
- Tomasz Gumny
- -

- Posty:685
- Rejestracja:4 lut 2004, o 23:31
- Lokalizacja:Trzcianka/Poznań
Re: Wykrywacz metali ze zrównoważoną indukcyjnością od podst
Dorysowałem wersję z przełącznikami analogowymi 4053. Jeśli przez weekend się obroni przed kolejnymi pomysłami,
to będę ją składał.
- Tomasz Gumny
- -

- Posty:685
- Rejestracja:4 lut 2004, o 23:31
- Lokalizacja:Trzcianka/Poznań
Re: Wykrywacz metali ze zrównoważoną indukcyjnością od podst
Kilka osób napisało do mnie, że miało być "od podstaw". Zatem kilka słów o podstawach działania wykrywaczy IB. Może jak to opiszę, to sam zrozumiem...
Proszę mnie informować, jeśli znajdą się tu jakieś błędy.
Sonda wykrywacza składa się zasadniczo z dwóch cewek: nadawczej TX i odbiorczej RX. Cewka TX jest zasilana, zależnie od modelu urządzenia, przebiegiem o częstotliwości 2..16kHz a w lepszych modelach przebiegiem będącym sumą sygnałów o kilku częstotliwościach. Zapewne niedługo pojawią się wykrywacze nadające szum.
Jeśli cewkę TX ustawimy prostopadle do RX, to teoretycznie nie powinien pojawić się w niej żaden sygnał. Taki układ sondy jest nazywany T-R i spotykany w wykrywaczach do poszukiwania większych obiektów. W praktyce stosuje się sondy płaskie w układzie koncentrycznym lub OO (pisałem o tym na początku wątku). W sondzie koncentrycznej część cewki nadawczej TX jest nawinięta w pobliżu odbiorczej i kompensuje sygnał przenikający z części zasadniczej TX. Tą część zazwyczaj traktuje się jako osobną cewkę kompensującą (bucking coil).
Niezależnie od układu cewek sonda powinna być zrównoważona, czyli liczba zwojów w cewkach i odległości między cewkami muszą zostać tak dobrane, żeby w powietrzu sygnał z cewki TX przenikał do cewki RX w jak najmniejszym stopniu. Można to przedstawić w biegunowym układzie współrzędnych:: Przez równoważenie "mechaniczne" i dokładnie trymowanie "elektryczne" należy wartość tego wektora doprowadzić do minimum. Niewykluczone, że faza tego wektora może być przesunięta względem TX, dlatego na wszelki wypadek w dalszych rozważaniach ten wektor pominę.
Jeśli pod sondą znajdzie się obiekt, to w cewce RX pojawi się sygnał, którego amplituda w znacznym stopniu zależy od wielkości obiektu i odległości do niego a przesunięcie fazy względem TX - od jego własności magnetycznych. Wszystko byłoby pięknie, gdyby nie fakt, że ziemia również powoduje pojawienie się sygnału w cewce RX i to o wielokrotnie większej amplitudzie. W dodatku przesunięcie fazy i amplituda odpowiedzi gruntu w znacznym stopniu zależą od rodzaju a zwłaszcza od "stopnia mineralizacji" - cokolwiek to znaczy. Obiektów zazwyczaj szukamy w ziemi, zatem sygnał w cewce będzie sumą odpowiedzi od gruntu i od obiektu. Wobec faktu, ze długość wektora "od gruntu" jest wielokrotnie większa niż "od obiektu", wypadkowa różnica fazy i zmiana wartości jest stosunkowo niewielka. W dodatku niektóre materiały, np. żelazo dają odpowiedź zbliżoną fazowo do gruntu. Wykrywacz interpretujący tylko sumę wektorów musiałby być wyposażony w bardzo precyzyjne detektory fazy i amplitudy. Dlatego w wykrywaczach stosuje się "strojenie do gruntu", które wykonuje się na obszarze przeznaczonym do przeszukania. Podczas strojenia wykrywacz próbkuje fazę i amplitudę wektora gruntu i wprowadza do toru wykrywacza sygnał o takiej samej amplitudzie, ale fazie przesuniętej o 180°. Po zbliżeniu do ziemi sondy dostrojonego wykrywacza, sygnał wypadkowy, który wchodzi na wejście wykrywacza znajduje się na początku układu współrzędnych, dlatego wykrywacz musi wykryć i zinterpretować tylko zmiany fazy i amplitudy pochodzące od obiektu. Tak brzmi teoria, bo do każdego wyniku trzeba dodać przesłuch w powietrzu, dostrojenie do gruntu też nigdy nie jest idealne, własności gruntu się zmieniają a sondy nie da się trzymać idealnie na tej samej wysokości nad ziemią. Wprowadzenie wstępnego odejmowania gruntu zmniejsza wymagania na detektor fazy i amplitudy, ale równocześnie powoduje powstanie kilku nowych problemów. Wprawdzie w nowoczesnych wykrywaczach ze sterowaniem procesorowym dostrojenie do gruntu wymaga naciśnięcia przycisku i ustawienia sondy na ziemi lub "pompowania" nad ziemią, to w wykrywaczach analogowych było to kłopotliwe, bo wymagało cierpliwego ustawiania potencjometrów.
Poważniejszym problemem jest to, że niedokładne dostrojenie może powodować nieprawidłową pracę wykrywacza. Ustawienie zbyt małej amplitudy "antygruntu" może po zbliżeniu sondy do ziemi (i zwiększeniu amplitudy sygnału od gruntu) powodować zasygnalizowanie obecności obiektu, z racji fazy, zapewne żelaznego. Zbyt duża amplituda "antygruntu" może w ogóle uniemożliwić wykrycie małych obiektów. Nawet jeśli obiekt zostanie wykryty, może zostać błędnie zidentyfikowany. W przykładzie nikiel zostanie zasygnalizowany jako żelazo.
Sonda wykrywacza składa się zasadniczo z dwóch cewek: nadawczej TX i odbiorczej RX. Cewka TX jest zasilana, zależnie od modelu urządzenia, przebiegiem o częstotliwości 2..16kHz a w lepszych modelach przebiegiem będącym sumą sygnałów o kilku częstotliwościach. Zapewne niedługo pojawią się wykrywacze nadające szum.
Jeśli cewkę TX ustawimy prostopadle do RX, to teoretycznie nie powinien pojawić się w niej żaden sygnał. Taki układ sondy jest nazywany T-R i spotykany w wykrywaczach do poszukiwania większych obiektów. W praktyce stosuje się sondy płaskie w układzie koncentrycznym lub OO (pisałem o tym na początku wątku). W sondzie koncentrycznej część cewki nadawczej TX jest nawinięta w pobliżu odbiorczej i kompensuje sygnał przenikający z części zasadniczej TX. Tą część zazwyczaj traktuje się jako osobną cewkę kompensującą (bucking coil).
Niezależnie od układu cewek sonda powinna być zrównoważona, czyli liczba zwojów w cewkach i odległości między cewkami muszą zostać tak dobrane, żeby w powietrzu sygnał z cewki TX przenikał do cewki RX w jak najmniejszym stopniu. Można to przedstawić w biegunowym układzie współrzędnych:: Przez równoważenie "mechaniczne" i dokładnie trymowanie "elektryczne" należy wartość tego wektora doprowadzić do minimum. Niewykluczone, że faza tego wektora może być przesunięta względem TX, dlatego na wszelki wypadek w dalszych rozważaniach ten wektor pominę.
Jeśli pod sondą znajdzie się obiekt, to w cewce RX pojawi się sygnał, którego amplituda w znacznym stopniu zależy od wielkości obiektu i odległości do niego a przesunięcie fazy względem TX - od jego własności magnetycznych. Wszystko byłoby pięknie, gdyby nie fakt, że ziemia również powoduje pojawienie się sygnału w cewce RX i to o wielokrotnie większej amplitudzie. W dodatku przesunięcie fazy i amplituda odpowiedzi gruntu w znacznym stopniu zależą od rodzaju a zwłaszcza od "stopnia mineralizacji" - cokolwiek to znaczy. Obiektów zazwyczaj szukamy w ziemi, zatem sygnał w cewce będzie sumą odpowiedzi od gruntu i od obiektu. Wobec faktu, ze długość wektora "od gruntu" jest wielokrotnie większa niż "od obiektu", wypadkowa różnica fazy i zmiana wartości jest stosunkowo niewielka. W dodatku niektóre materiały, np. żelazo dają odpowiedź zbliżoną fazowo do gruntu. Wykrywacz interpretujący tylko sumę wektorów musiałby być wyposażony w bardzo precyzyjne detektory fazy i amplitudy. Dlatego w wykrywaczach stosuje się "strojenie do gruntu", które wykonuje się na obszarze przeznaczonym do przeszukania. Podczas strojenia wykrywacz próbkuje fazę i amplitudę wektora gruntu i wprowadza do toru wykrywacza sygnał o takiej samej amplitudzie, ale fazie przesuniętej o 180°. Po zbliżeniu do ziemi sondy dostrojonego wykrywacza, sygnał wypadkowy, który wchodzi na wejście wykrywacza znajduje się na początku układu współrzędnych, dlatego wykrywacz musi wykryć i zinterpretować tylko zmiany fazy i amplitudy pochodzące od obiektu. Tak brzmi teoria, bo do każdego wyniku trzeba dodać przesłuch w powietrzu, dostrojenie do gruntu też nigdy nie jest idealne, własności gruntu się zmieniają a sondy nie da się trzymać idealnie na tej samej wysokości nad ziemią. Wprowadzenie wstępnego odejmowania gruntu zmniejsza wymagania na detektor fazy i amplitudy, ale równocześnie powoduje powstanie kilku nowych problemów. Wprawdzie w nowoczesnych wykrywaczach ze sterowaniem procesorowym dostrojenie do gruntu wymaga naciśnięcia przycisku i ustawienia sondy na ziemi lub "pompowania" nad ziemią, to w wykrywaczach analogowych było to kłopotliwe, bo wymagało cierpliwego ustawiania potencjometrów.
Poważniejszym problemem jest to, że niedokładne dostrojenie może powodować nieprawidłową pracę wykrywacza. Ustawienie zbyt małej amplitudy "antygruntu" może po zbliżeniu sondy do ziemi (i zwiększeniu amplitudy sygnału od gruntu) powodować zasygnalizowanie obecności obiektu, z racji fazy, zapewne żelaznego. Zbyt duża amplituda "antygruntu" może w ogóle uniemożliwić wykrycie małych obiektów. Nawet jeśli obiekt zostanie wykryty, może zostać błędnie zidentyfikowany. W przykładzie nikiel zostanie zasygnalizowany jako żelazo.
Ostatnio zmieniony 24 lip 2011, o 22:48 przez Tomasz Gumny, łącznie zmieniany 2 razy.
- Tomasz Gumny
- -

- Posty:685
- Rejestracja:4 lut 2004, o 23:31
- Lokalizacja:Trzcianka/Poznań
Re: Wykrywacz metali ze zrównoważoną indukcyjnością od podst
Udało mi się skompletować elementy i w przerwach w twórczości pisarskiej zrobiłem takie coś:
Pozostały jeszcze do połączenia masy i napięcia zasilające, bo teraz są trzy osobne:
- sygnałowa (cały AD8302, część analogowa ATTINY461);
- cyfrowa (reszta ATTINY461, zasilanie 74HCT4053 i L293D);
- mocy (obwody wykonawcze L293D).
Na płytce zmieścił się jeszcze ATMEGA32 z wyświetlaczem LCD jako host.
Do pełni szczęścia brakuje tylko sondy i oscyloskopu ze sprawnymi dwoma kanałami...
- sygnałowa (cały AD8302, część analogowa ATTINY461);
- cyfrowa (reszta ATTINY461, zasilanie 74HCT4053 i L293D);
- mocy (obwody wykonawcze L293D).
Na płytce zmieścił się jeszcze ATMEGA32 z wyświetlaczem LCD jako host.
Do pełni szczęścia brakuje tylko sondy i oscyloskopu ze sprawnymi dwoma kanałami...
Re: Wykrywacz metali ze zrównoważoną indukcyjnością od podst
Stopień mineralizacji, mówiąc najprościej i tak, by najszybciej pojąć tego "teorię", jest to po prostu ilość różnych tlenków, minerałów, itp., na które wykrywacz reaguje, a w szczególności zawartości Fe3O4 w glebie. Mogą to być także cząstki tzw. "gorących kamieni", czyli skupisk danych ... [tlenków]. Na nie też wykrywacz potrafi reagować, choć sygnał od takiego minerału jest do odróżnienia, gdyż jest to kilka sygnałów, cichych, gdzie ledwo co słychać przerwy pomiędzy nimi.przesunięcie fazy i amplituda odpowiedzi gruntu w znacznym stopniu zależą od rodzaju a zwłaszcza od "stopnia mineralizacji" - cokolwiek to znaczy.
Niekoniecznie żelaznego, ale tak w większości przypadków. Balansowaniem gruntu można się bawić i jednocześnie uzyskać pozytywne skutki np. jego zawyżenia. Dobrym przykładem są stare Fisher'y, (CZ), Minelab'y z serii X-Terra i podobne. Po lekkim zawyżeniu wartości GB i silnemu zwiększeniu sygnału wiodącego, jest możliwość reakcji detektora na ceramikę.Ustawienie zbyt małej amplitudy "antygruntu" może po zbliżeniu sondy do ziemi (i zwiększeniu amplitudy sygnału od gruntu) powodować zasygnalizowanie obecności obiektu, z racji fazy, zapewne żelaznego.
Fajnie zmontował Pan ten układ
Pozdrawiam.
- Tomasz Gumny
- -

- Posty:685
- Rejestracja:4 lut 2004, o 23:31
- Lokalizacja:Trzcianka/Poznań
Re: Wykrywacz metali ze zrównoważoną indukcyjnością od podst
Przed chwilą wstępnie uruchomiłem układ i tu ciekawostka: przy przełączaniu sygnału FAZA_REF najmniejsze zmiany na kondensatorze filtrującym AMP_REF są, gdy "sztuczne obciążenie" ma 5.26kΩ (zamiast 2kΩ). To by wskazywało na rezystancje wejściową AD8302 rzędu 43kΩ zamiast katalogowych 3kΩ (|| 2pF). Niemniej dobierając wartość tego rezystora da się zmniejszyć amplitudę zmian do 10mVpp, więc niemal do poziomu szumu.
- Tomasz Gumny
- -

- Posty:685
- Rejestracja:4 lut 2004, o 23:31
- Lokalizacja:Trzcianka/Poznań
Re: Wykrywacz metali ze zrównoważoną indukcyjnością od podst
Rozumiem, że te dźwięki następują jeden po drugim w miarę przesuwania sondy? Nie bardzo sobie wyobrażam, żeby wykrywacz pracujący na jednej częstotliwości mógł równocześnie sygnalizować kilka rodzajów "obiektów". Byłoby to niepokojące, bo kłóciłoby się to z moim rozumieniem zasady działania wykrywacza IB.[...] jest to kilka sygnałów, cichych, gdzie ledwo co słychać przerwy pomiędzy nimi.
upraszcza Pan wówczas konstrukcję urządzenia
To mamy na forum już dwóch specjalistów od "Panowania"...Fajnie zmontował Pan ten układ
- Łukasz Krysiewicz
- -

- Posty:143
- Rejestracja:8 cze 2011, o 20:03
Re: Wykrywacz metali ze zrównoważoną indukcyjnością od podst
aj tam czepia się Pan hehe 
- Tomasz Gumny
- -

- Posty:685
- Rejestracja:4 lut 2004, o 23:31
- Lokalizacja:Trzcianka/Poznań
Re: Wykrywacz metali ze zrównoważoną indukcyjnością od podst
Napisałem kawałek programu generujący dwa przebiegi 15kHz:
-przebieg TX_SIN;
-dowolnie przesuwany względem niego FAZA_REF;
-niezależny od nich fazowo AMP_REF o regulowanym wypełnieniu.
Poza konfiguracją program wygląda tak:
A wynik działania jest taki:
Na wejście INPA(AD8302) podałem sygnał TX_SIN z suwaka potencjometru i napięcia na wyjściach VMAG i VPHS układu AD8302 ładnie się zmieniają, więc jest nadzieja, że "żyje" i ma się dobrze.
Dalej nie posunę się bez cewki, więc trzeba będzie coś na szybko namotać...
-przebieg TX_SIN;
-dowolnie przesuwany względem niego FAZA_REF;
-niezależny od nich fazowo AMP_REF o regulowanym wypełnieniu.
Poza konfiguracją program wygląda tak:
Kod: Zaznacz cały
//****** Glowna petla programu *************************************************
TX_SIN = out10bit( 0 ); // przebieg bazowy - faza 0
FAZA_REF = out10bit( 255 ); // pzesun faze o 1/8 okresu (255/2048)
AMP_REF = out10bit( 512 ); // ustaw wypelnienie 50% (512/1024)
for(;;);Dalej nie posunę się bez cewki, więc trzeba będzie coś na szybko namotać...
- Tomasz Gumny
- -

- Posty:685
- Rejestracja:4 lut 2004, o 23:31
- Lokalizacja:Trzcianka/Poznań
Re: Wykrywacz metali ze zrównoważoną indukcyjnością od podst
Cewka udająca PCB wstępnie zrobiona, na razie bez równoważenia.
RX - 80 zwojów
TX - 20 zwojów
BUCK - 8 zwojów
Wszystko nawijane DNE 0.4mm żeby rozmiar cewki mniej więcej zgadzał się z cewką robioną ścieżkami 16/16mils dwustronnie. Bazą jest jakieś lekkie tworzywo o grubości 5mm. Średnica zewnętrzna cewki TX wynosi 210mm.
Pomiarów elektrycznych na razie nie będzie, bo wczoraj wrócił do mnie z dłuuugiego wypożyczenia mostek (E-314). W stanie agonalnym.
RX - 80 zwojów
TX - 20 zwojów
BUCK - 8 zwojów
Wszystko nawijane DNE 0.4mm żeby rozmiar cewki mniej więcej zgadzał się z cewką robioną ścieżkami 16/16mils dwustronnie. Bazą jest jakieś lekkie tworzywo o grubości 5mm. Średnica zewnętrzna cewki TX wynosi 210mm.
Pomiarów elektrycznych na razie nie będzie, bo wczoraj wrócił do mnie z dłuuugiego wypożyczenia mostek (E-314). W stanie agonalnym.
- Tomasz Gumny
- -

- Posty:685
- Rejestracja:4 lut 2004, o 23:31
- Lokalizacja:Trzcianka/Poznań
Re: Wykrywacz metali ze zrównoważoną indukcyjnością od podst
Nadawanie przebiegu prostokątnego przez cewkę TX to zdecydowanie nie był dobry pomysł. W cewce odbiorczej pojawiają się trudne do odfiltrowania szpilki. Konieczne było złagodzenie zboczy, utworzenie przerwy między uzwojeniami odbiorczym i kompensującym. Ostatecznie uzyskałem w miarę sensowny kształt przebiegu odbieranego przez cewkę RX:
Najlepiej będzie jednak zasilać cewkę TX przebiegiem sinusoidalnym, dlatego L293 wylatuje a jego miejsce zajmie LM386 z filtrem dolnoprzepustowym dla sygnału TX_SIN na wejściu.
Re: Wykrywacz metali ze zrównoważoną indukcyjnością od podst
Witam.
Tak, sygnały te (odnosząc się do postu z 27 lipca) następują jeden po drugim podczas ruchu sondy. Tylko, że nawet podczas jej zatrzymania, sygnały te są cały czas. Ich prędkość jest niezależna od ruchu sondy. Tzn. trzeba by sobie wyobrazić w taki sposób - powiedzmy, na stole mamy 5 monet. Nie ma znaczenia konduktywność ani wielkość. Podczas machnięcia sondą nad nimi otrzymujemy po prostu sygnał przerywany, gdzie długość przerwy (odległości sygnał - sygnał) jest zależna od szybkości machania (przy szybszym machnięciu - najczęściej jeden sygnał, jakby dla jednego celu). A jeśli chodzi o kamienie, to sprawa wygląda tak, iż bez względu na szybkość machania otrzymujemy przerywane sygnały, gdzie przerwy są niezależne od szybkości machania, a ilość sygnałów nie jest zależna od tego, ile czasu sonda potrzebuje na machnięcie nad obiektem. Najprościej mówiąc, zamiast jednego, klarownego sygnału otrzymujemy grupkę przerywaną i dzięki dobrym słuchawkom można w ten sposób rozpoznać, czy dany cel jest hot-rockiem czy metalem. Oczywiście teoria ta nie dotyczy wszystkich wykrywaczy i nie można się tym kierować biorąc do reki każdy inny wykrywacz.
Odnośnie sondy. Jednak skusił się Pan chwilowo na koncentryk
To teraz mogą być małe problemy z równoważeniem... Trzeba wiedzieć, iż kabel cewki powinien być jeden (nie dwa), najlepiej, by był w silnej izolacji silikonowej, ekranowany. Jakość ekranu także powinna być najwyższa i zawierać nie tylko aluminiowy pasek okręcony wokół przewodów, ale także pojedyncze druty pomiędzy przewodami. Ilość przewodów powinna być dokładnie taka, jak wymagana, nie więcej. Trzeba pamiętać, iż średnica przewodów w kablu także powinna być odpowiednia, gdyż kabel także składa się na niewielkie odchyłki podczas strojenia/równoważenia. No i najlepiej nie dotykać uzwojeń gołymi paluchami
I takie pytanie - na jakiej częstotliwości pracuje wykrywacz?
Pozdrawiam.
Tak, sygnały te (odnosząc się do postu z 27 lipca) następują jeden po drugim podczas ruchu sondy. Tylko, że nawet podczas jej zatrzymania, sygnały te są cały czas. Ich prędkość jest niezależna od ruchu sondy. Tzn. trzeba by sobie wyobrazić w taki sposób - powiedzmy, na stole mamy 5 monet. Nie ma znaczenia konduktywność ani wielkość. Podczas machnięcia sondą nad nimi otrzymujemy po prostu sygnał przerywany, gdzie długość przerwy (odległości sygnał - sygnał) jest zależna od szybkości machania (przy szybszym machnięciu - najczęściej jeden sygnał, jakby dla jednego celu). A jeśli chodzi o kamienie, to sprawa wygląda tak, iż bez względu na szybkość machania otrzymujemy przerywane sygnały, gdzie przerwy są niezależne od szybkości machania, a ilość sygnałów nie jest zależna od tego, ile czasu sonda potrzebuje na machnięcie nad obiektem. Najprościej mówiąc, zamiast jednego, klarownego sygnału otrzymujemy grupkę przerywaną i dzięki dobrym słuchawkom można w ten sposób rozpoznać, czy dany cel jest hot-rockiem czy metalem. Oczywiście teoria ta nie dotyczy wszystkich wykrywaczy i nie można się tym kierować biorąc do reki każdy inny wykrywacz.
Odnośnie sondy. Jednak skusił się Pan chwilowo na koncentryk
I takie pytanie - na jakiej częstotliwości pracuje wykrywacz?
Pozdrawiam.
- Tomasz Gumny
- -

- Posty:685
- Rejestracja:4 lut 2004, o 23:31
- Lokalizacja:Trzcianka/Poznań
Re: Wykrywacz metali ze zrównoważoną indukcyjnością od podst
Tak, bo przy dwukrotnie większej szerokości uzwojenia nie dawało się skonstruować sondy bez znacznego powiększenia średnicy.[...]Jednak skusił się Pan chwilowo na koncentryk
Obecnie jest 15.6kHz. Teoretycznie istnieje możliwość ustawienia dowolnej częstotliwości a nawet płynnego przestrajania w stosunku 1:2. Oznacza to, że można ustawiać częstotliwość np. od 1.9..3.9kHz, od 3.9..7.8 lub 7.8..15.6kHz a nawet 15.6..31.2kHz. Przypuszczam jednak, że konieczność filtrowania ograniczy te możliwości.I takie pytanie - na jakiej częstotliwości pracuje wykrywacz?
Kable to na razie najmniejszy problem. Pozaa tym fragment, który teraz jest na schemacie będę chciał umieścić jak najbliżej sondy. Wyświetlacz, przyciski, akumulator i cała reszta mogłaby być z nim połączona tylko czterema żyłami (2 na zasilanie i 2 na komunikację po I²C).
Ten "Pan" jest naprawdę zbędny.
Re: Wykrywacz metali ze zrównoważoną indukcyjnością od podst
Dobrze, Tomku
15,6 kHz - mniej o te 600 Hz i byłaby idealna wykrywka na biżuterię (złoto, srebro). Nie ma sensu "wzbijać" się na granicę powyżej 20 kHz bo to nie wykrywacz do złota, a na takiej częstotliwości byłoby trudno wykrywaczowi rozpoznawać prawdziwe żelazo (separacja żelazo/folia/dobry kolor). Najlepszym "pasmem" byłyby częstotliwości 6-7...15 kHz, jeśli mówimy o drobnicy, oczywiście. Na 17-18 kHz jest bardzo ciężko odseparować żelazo, na f niższej jak 5 kHz nie jest najlepsza jakość detekcji (powiedzmy, mamy sygnał, wykopujemy dołek, okazuje się, że sygnał znikł... a fant nam zalega w jakieś ryle ziemi, którą trzeba rozdeptać butem - itp. utrudnienia). Na 19 kHz widać idealnie mikro-drobnicę jak samorodki, ale spadki w gruncie są duże.
dlatego najlepszym przedziałem są częstotliwości pośrednie, w granicach 7 kHz.
Pozdrawiam.
15,6 kHz - mniej o te 600 Hz i byłaby idealna wykrywka na biżuterię (złoto, srebro). Nie ma sensu "wzbijać" się na granicę powyżej 20 kHz bo to nie wykrywacz do złota, a na takiej częstotliwości byłoby trudno wykrywaczowi rozpoznawać prawdziwe żelazo (separacja żelazo/folia/dobry kolor). Najlepszym "pasmem" byłyby częstotliwości 6-7...15 kHz, jeśli mówimy o drobnicy, oczywiście. Na 17-18 kHz jest bardzo ciężko odseparować żelazo, na f niższej jak 5 kHz nie jest najlepsza jakość detekcji (powiedzmy, mamy sygnał, wykopujemy dołek, okazuje się, że sygnał znikł... a fant nam zalega w jakieś ryle ziemi, którą trzeba rozdeptać butem - itp. utrudnienia). Na 19 kHz widać idealnie mikro-drobnicę jak samorodki, ale spadki w gruncie są duże.
dlatego najlepszym przedziałem są częstotliwości pośrednie, w granicach 7 kHz.
Pozdrawiam.
- Tomasz Gumny
- -

- Posty:685
- Rejestracja:4 lut 2004, o 23:31
- Lokalizacja:Trzcianka/Poznań
Re: Wykrywacz metali ze zrównoważoną indukcyjnością od podst
Na razie będę uruchamiał na 7.8kHz. Potem zobaczę czy da się pracować w zakresie 7.8..15.6kHz.
- Tomasz Gumny
- -

- Posty:685
- Rejestracja:4 lut 2004, o 23:31
- Lokalizacja:Trzcianka/Poznań
Re: Wykrywacz metali ze zrównoważoną indukcyjnością od podst
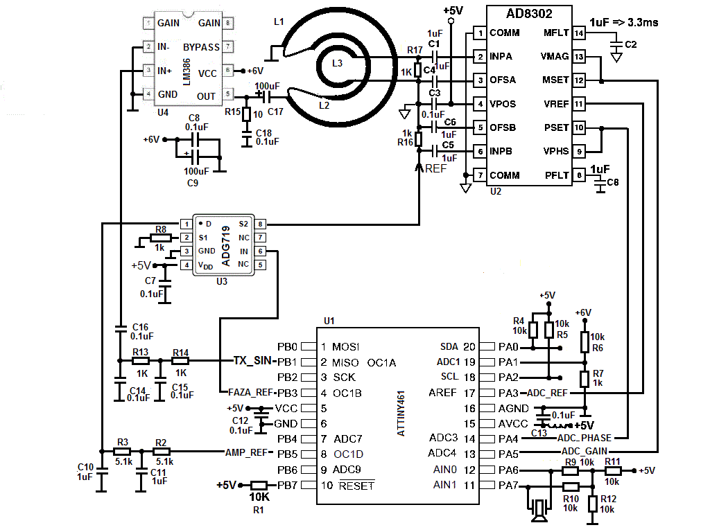
Driver L293D zastąpiłem wzmacniaczem LM386 a klucze 74HCT4053 - znalezionym w szufladzie pojedynczym przełącznikiem ADG719. Dzięki temu schemat zrobił się bardziej przejrzysty:
Na płytce też zrobiło się nieco luźniej:
Sonda po przeróbkach już nie wygląda tak ładnie:
- Tomasz Gumny
- -

- Posty:685
- Rejestracja:4 lut 2004, o 23:31
- Lokalizacja:Trzcianka/Poznań
Re: Wykrywacz metali ze zrównoważoną indukcyjnością od podst
Jak było do przewidzenia podanie przebiegu sinusoidalnego na samą cewkę TX powoduje powstanie w cewce RX sygnału o sporej amplitudzie:
Dołączenie w szereg z TX cewki BUCK znacząco zmniejsza sygnał indukowany w RX. Faza wskazuje, że kompensacja jest zbyt silna.
Odwinięcie pół zwoju (jakżeby inaczej!
) z cewki BUCK doprowadza sygnał w RX do minimum:
Ciekawe czy w przypadku "przekompensowania" puszczenie odrobiny prądu cewki BUCK "bokiem" przez jakiś rezystor włączony równolegle do niej nie poprawiłoby sytuacji? Gdyby tak było, to byłby wygodny sposób na precyzyjne równoważenie sondy...
Re: Wykrywacz metali ze zrównoważoną indukcyjnością od podst
Powinno poprawić. Ja bym jeszcze polecał wpiąć jakiś rezystor rzędu 1k na cewkę RX równolegle.czy w przypadku "przekompensowania" puszczenie odrobiny prądu cewki BUCK "bokiem" przez jakiś rezystor włączony równolegle do niej nie poprawiłoby sytuacji?
Pozdrawiam.
Kto jest online
Użytkownicy przeglądający to forum: Obecnie na forum nie ma żadnego zarejestrowanego użytkownika i 10 gości
