Aktyw Forum

Zarejestruj się na forum.ep.com.pl i zgłoś swój akces do Aktywu Forum. Jeśli jesteś już zarejestrowany wystarczy, że się zalogujesz.

Sprawdź punkty Zarejestruj się

Wykrywacz metali ze zrównoważoną indukcyjnością od podstaw

Awatar użytkownika
Tomasz Gumny
-
-
Posty:685
Rejestracja:4 lut 2004, o 23:31
Lokalizacja:Trzcianka/Poznań
Re: Wykrywacz metali ze zrównoważoną indukcyjnością od podst

Postautor: Tomasz Gumny » 28 wrz 2011, o 12:38

[...]Przy innej ilości kroków regulacji charakterystyka przestanie być już tak idealnie logarytmiczna (z wyjątkiem 4 stopni - 1, 4, 16, 64), ale można się do niej choć częściowo zbliżyć.
Doszedłem do podobnego wniosku - zobacz mój uzupełniony post powyżej. :)

Odrębnym zagadnieniem jest obliczenie takiego wypełnienia przebiegu bipolarnego, żeby uzyskać odpowiednie amplitudy sygnału w poszczególnych krokach.
Internet na ten temat milczy albo szukałem pod złymi hasłami, ale w "Podstawach Energoelektroniki" Tuni, Winiarskiego znalazłem coś takiego:
tunia1.jpg
tunia2.jpg
Z tego wynika, że amplituda pierwszej harmonicznej (resztę pomijamy ze względu na filtr)
U = 4*Ua/Π * sin( γ/2 )
gdzie:
Ua = 2.5V
Przyjmując:
D = γ/Π, gdzie D to współczynnik wypełnienia, otrzymamy:
U = 4*Ua/Π * sin( Π*D/2 )
zatem:
D = 2/Π * arcsin( Π/4 * U/Ua ) <- do sprawdzenia później

tg3a
-
-
Posty:243
Rejestracja:26 maja 2008, o 19:46
Lokalizacja:Warszawa

Re: Wykrywacz metali ze zrównoważoną indukcyjnością od podst

Postautor: tg3a » 28 wrz 2011, o 12:56

Moim zdaniem Twoje wyprowadzenie jest poprawne.
Rzeczywiście, zbyt pochopnie przyjąłem, że napięcie jest proporcjonalne do "współczynnika wypełnienia". Tak jest tylko w początkowym zakresie.
W takim razie przyjmując 5 kroków regulacji (z wyjątkiem początkowego zera) otrzymałem następujące czasy impulsów: 1, 3, 7, 17 i 64. Ten pierwszy skok z 1 na 3 jest za duży w stosunku do idealnej wartości 2,53, a więc zmieniając na 2, odległe jeszcze bardziej, ale nie dające takiego dużego skoku mamy wtedy 1, 2, 5, 15 i 64.

Awatar użytkownika
Tomasz Gumny
-
-
Posty:685
Rejestracja:4 lut 2004, o 23:31
Lokalizacja:Trzcianka/Poznań

Re: Wykrywacz metali ze zrównoważoną indukcyjnością od podst

Postautor: Tomasz Gumny » 28 wrz 2011, o 14:00

Dzięki za sprawdzenie.
Czy możesz podać wartości D dla poszczególnych kroków? Teraz sprawdzam to przy 7.8kHz i mogę ustawiać czas impulsu w 64 krokach, ale docelowo ton będzie miał około 10-krotnie niższą częstotliwość, więc i liczba możliwych kroków powinna się zwiększyć.

Awatar użytkownika
Tomasz Gumny
-
-
Posty:685
Rejestracja:4 lut 2004, o 23:31
Lokalizacja:Trzcianka/Poznań

Re: Wykrywacz metali ze zrównoważoną indukcyjnością od podst

Postautor: Tomasz Gumny » 29 wrz 2011, o 01:25

Kod: Zaznacz cały

N | X | Y | D | D[0-1] | D*256 | Vpp | --+-----+--------+--------+--------+-------+------+ 0 | 0.0 | 0.0000 | 0.0000 | 0.0000 | 0 | 0.00 | 1 | 0.2 | 0.0040 | 0.0020 | 0.0035 | 1 | ?.?? | 2 | 0.4 | 0.0158 | 0.0079 | 0.0137 | 3.5 | 0.08 | 3 | 0.6 | 0.0631 | 0.0316 | 0.0549 | 14 | 0.32 | 4 | 0.8 | 0.2512 | 0.1264 | 0.2197 | 56 | 1.20 | 5 | 1.0 | 1.0002 | 0.5752 | 1.0000 | 256 | 3.10 |
Sprawdziłem kroki 2, 3 i 4 - tyle się dało, bo krok 1 ma za krótki czas impulsu (0.25µ dla 7.8kHz) a przy kroku 5 wzmacniacz jest przesterowany. Niemniej widać, że stosunek amplitudy sygnału [Vpp] dla kroków 2, 3 i 4 wynosi odpowiednio 1:4:16, czyli niemal dokładnie tak jak w kolumnie [Y].

tg3a
-
-
Posty:243
Rejestracja:26 maja 2008, o 19:46
Lokalizacja:Warszawa

Re: Wykrywacz metali ze zrównoważoną indukcyjnością od podst

Postautor: tg3a » 29 wrz 2011, o 08:21

Może opiszę, jak uzyskałem swoje wartości, w sumie pewnie niepotrzebnie, jeśli chodzi o Ciebie, ale może przyda się komuś na przyszłość.
Otóż założyłem, że skoro 1-szy krok różny od zera i tak musi mieć długość impulsu równą 1 takt (przy drobniejszym podziale dłuższego okresu nie musi już tak być), to "logarytmicznie", czyli wykładniczo, należy podzielić ten dysponowany zakres odpowiadający czasom impulsu od 1 do 64.
Zobiłem to w Excelu, tworząc następującą tabelkę:
-w kolumnie A liczby od 1 do 5 (numery kroków) - właściwie potrzeba wypełnić tylko N-1 pól, bo ostatnią wartość znasz,
-w kolumnie B ilość taktów zegara - w polu B1 wpisuję wartość dla 1-szego niezerowego kroku, która w tym przypadku wynosiła 1 (nie wiem, jak chcesz mieć dla sytuacji "zagęszczonej"),
w kolumnie C wielkość napięcia w stosunku do wartości maksymalnej odpowiadającej całkowitemu wypełnieniu, czyli po prostu wartość sinusa, wpisując wzór dla pola C1 następujący: =sin(pi()*B1/2/64) (dla wariantu zagęszczonego będzie oczywiście 640),
-w kolumnie D wyliczoną wielkość napięcia dla następnego kroku, w postaci wzoru dla pola D1: =exp(ln(1/C1)/(5-A1))*C1 , czyli logarytm naturalny ze stosunku docelowego względnego napięcia 1 do obecnego (z pola C1) podzielony przez pozostałą ilość kroków, i z tego funkcja eksponencjalna (odwrotność logarytmu) pomnożona przez dotychczasowe napięcie względne C1,
-w kolumnie E przeliczam napięcie na współczynnik wypełnienia i mnożę przez max. ilość kroków, czyli dla pola E1: =asin(D1)*(2/pi())*64 (lub docelowo 640),
-wynik z pola E1 zaokrąglam "po uważaniu" i wpisuję do pola B2, a podświetlone pola od C1 do E1 kopiuję na pola począwszy od C2 - Excel wszystkie adresy modyfikuje automatycznie, i w polu E2 ukazuje mi się następny wynik jako wskazówka dla pola B3
Czynności te powtarzam aż do przedostatniego wiersza, w którym powinno mi wyjść 64 (lub 640), i tak też wyszło. W ostatnim wierszu można skopiować kolumnę C (wpisując do B owe 64 lub 640), bo dla kolumny D wyjdzie dzielenie przez zero.
W arkuszu Open Office pod Linuxem wszystko mi działało tak samo.
Uzyskane wyniki można sobie obejrzeć wstawiając wykres X-Y poszczególnych kolumn w funkcji kolumny A, i dla kolumny C, przedefiniowując skalę osi Y jako logarytmiczną, sprawdzić, na ile dla przyjętych długości impulsów zależność napięcia od nru kroku odbiega od linii prostej.
Dla mniej doświadczonych w Excelu dodam, że wartości występujące w powyższych formułach można sobie sparametryzować, tzn. np. zamiast liczby 64 używać adresu komórki w arkuszu, do której początkowo wpiszemy owe 64, ale później będziemy mogli to jednym ruchem zmienić. Dla zabezpieczenia się przed automatyczną zmianą adresu tej komórki przez Excela przy kopiowaniu formuł podajemy go w następujący sposób (przykładowo): $G$1 (znak dolara przed literą właściwie nie jest tu konieczny, bo przy kopiowaniu formuł nie zmieniamy kolumny, więc i Excel nic nie zmieni).
Pozdrawiam

Awatar użytkownika
Tomasz Gumny
-
-
Posty:685
Rejestracja:4 lut 2004, o 23:31
Lokalizacja:Trzcianka/Poznań

Re: Wykrywacz metali ze zrównoważoną indukcyjnością od podst

Postautor: Tomasz Gumny » 29 wrz 2011, o 10:34

Trochę bardziej skomplikowany sposób, ale może krzywa regulacji wyjdzie ładniejsza? W sumie i tak trzeba będzie sprawdzić zakres regulacji w praktyce i wstawić do programu najbardziej użyteczny.

Pozostał jeszcze problem dołączenia kilku klawiszy do jednego wejścia procesora z możliwością pomiaru napięcia baterii.

I na koniec wypadałoby wybrać stabilizator 3.3V:
-musi pracować przy zasilaniu od 4.0 do 8.0V, czyli raczej low-drop;
-prąd pobierany wynosi około 50mA;
-moc >0.25W (8.0V-3.3V)*0.05A;
-niski pobór prądu (<<1mA);
-możliwość przełączenia (zworką) na 5V na czas programowania procesora.

Awatar użytkownika
Tomasz Gumny
-
-
Posty:685
Rejestracja:4 lut 2004, o 23:31
Lokalizacja:Trzcianka/Poznań

Re: Wykrywacz metali ze zrównoważoną indukcyjnością od podst

Postautor: Tomasz Gumny » 30 wrz 2011, o 02:19

Namalowałem coś takiego (dla 4 przycisków i jednego przełącznika 3-pozycyjnego):
keys4.gif
keys4.gif (2.89KiB)Przejrzano 20945 razy
Muszę jeszcze sprawdzić, czy naciśnięcie każdego klawisza daje unikalny przedział napięć na KBD_ADC w całym zakresie napięć baterii (4.0-8.0V).
Chyba, że ktoś to zasymuluje... bo ja muszę liczyć na piechotę.

Wyszedł mi taki wzorek:
KBD_ADC = ( VBAT[V] * ΣR[kΩ] + 198 ) / ( 31 * ΣR[kΩ] + 60 )

Kod: Zaznacz cały

----+------VBAT-----+------+---- ΣR | 4.0V | 8.0V | ADC | KEY ----+--------+------+------+---- 0.0 | 3.300 | 3.300 | >927 | S1 0.5 | 2.649 | 2.675 | >762 | S2 1.0 | 2.220 | 2.264 | >617 | S3 2.0 | 1.689 | 1.754 | >456 | S4 4.0 | 1.163 | 1.250 | >312 | S5A 8.0 | 0.747 | 0.851 | >156 | S5B ∞ | 0.129 | 0.258 |40..80| --
W pierwszej kolumnie jest suma rezystancji dla danego przełącznika.
Ostatni wiersz to zwolnione wszystkie klawisze i pomiar napięcia baterii.
Kolumna ADC zawiera progi dla klawiszy przy 10-bitowym przetworniku A/C i Vref=3.3V.
Ostatnio zmieniony 30 wrz 2011, o 12:51 przez Tomasz Gumny, łącznie zmieniany 2 razy.

tg3a
-
-
Posty:243
Rejestracja:26 maja 2008, o 19:46
Lokalizacja:Warszawa

Re: Wykrywacz metali ze zrównoważoną indukcyjnością od podst

Postautor: tg3a » 30 wrz 2011, o 11:21

Mógłbym zasymulować, ale nie znam tolerancji. Przyjmując 3,3V ± 10%, R ± 5% wychodzi, że dla skrajnie niekorzystnych układów tolerancji zakresy możliwych napięć częściowo zachodzą na siebie (choć nieznacznie), i trzeba by zmienić drabinkę R. Nie wiem, jak postępować odnośnie asortymentu oporników.
Zachęcam do prób z arkuszem kalkulacyjnym (Excel lub arkusz kalkulacyjny w bezpłatnym* Open Office) - wystarczy raz wpisać wzory, a potem tylko zmieniać dane w komórkach - bardzo dobrze się to narzędzie sprawdza przy takim projekcie.
Mogę nawet podać, co mam wpisane w komórki w swoim arkuszu (kolumny od A do J):
-pierwszy wiersz - opis dla wygody:
Rd Uz tol.Uz Rb Ubmin Ubmax Rs tol.R Uadcmin Uadcmax
(Rs to dla mnie rezystor do masy, Rb - do VBAT, a Rd - wartość rezystancji drabinki)
-drugi wiersz zawiera dane (rezystancje albo wszystkie w omach, albo wszystkie w kiloomach, tolerancje w formacie 0,05 a nie 5%, 0,1 a nie 10%, itp), a wzory występują tylko w I2 i J2:
formuła w I2: =(B2*(1-C2)*G2*(1-H2)*D2*(1+H2)+E2*G2*(1-H2)*A2*(1+H2))/(G2*(1-H2)*A2*(1+H2)+G2*(1-H2)*D2*(1+H2)+A2*(1+H2)*D2*(1+H2)) (przyjąłem minimalną wartość Uz, Ub i Rs, a maksymalną Rb i Rd)
formuła w J2: =(B2*(1+C2)*G2*(1+H2)*D2*(1-H2)+F2*G2*(1+H2)*A2*(1-H2))/(G2*(1+H2)*A2*(1-H2)+G2*(1+H2)*D2*(1-H2)+A2*(1-H2)*D2*(1-H2)) (a tu przyjąłem wszystkie tolerancje i zmienności na odwrót)
Drugi wiersz można powielić, i tylko zmieniać w poszczególnych skopiowanych wierszach Rd. Rozwarcie symuluje się poprzez wpisanie np. 1e9, czyli 1 GΩ, albo i jeszcze więcej.
Pozdrawiam
*) - na pewno jest bezpłatny w wersji pod Linuxem, a wersję pod Windows kiedyś też sobie ściągnąłem bezpłatnie (trzeba było się zarejestrować), ale nie wiem, jak jest teraz.

Awatar użytkownika
Tomasz Gumny
-
-
Posty:685
Rejestracja:4 lut 2004, o 23:31
Lokalizacja:Trzcianka/Poznań

Re: Wykrywacz metali ze zrównoważoną indukcyjnością od podst

Postautor: Tomasz Gumny » 30 wrz 2011, o 12:43

Mógłbym zasymulować, ale nie znam tolerancji.
Rezystory będą 1% a wartości uzyskiwane przez szeregowe lub równoległe łączenie 1kΩ i/lub 2kΩ.
Jeszcze nie wybrałem stabilizatora, ale tolerancja dla 3.3V będzie na pewno ≤5%.
Podziękuję (kolejny raz :D ) za zweryfikowanie moich wyników, które dodałem do poprzedniej wiadomości.

tg3a
-
-
Posty:243
Rejestracja:26 maja 2008, o 19:46
Lokalizacja:Warszawa

Re: Wykrywacz metali ze zrównoważoną indukcyjnością od podst

Postautor: tg3a » 30 wrz 2011, o 14:08

Oto moje kolumny A, I oraz J:

Kod: Zaznacz cały

Rd ------ Uadc min - Uadc max 0,0 ----- 3,1350 --- 3,4650 0,5 ----- 2,5078 --- 2,8177 1,0 ----- 2,0970 --- 2,3881 2,0 ----- 1,5916 --- 1,8533 4,0 ----- 1,0948 --- 1,3209 8,0 ----- 0,7035 --- 0,8966 1000000 - 0,1266 --- 0,2631
(rezystancje w kΩ) Jak widać, nic się już nie pokrywa. Chyba, że przeoczyłem jakiś czynnik wpływający na zmienność napięcia wyjściowego.

Awatar użytkownika
Tomasz Gumny
-
-
Posty:685
Rejestracja:4 lut 2004, o 23:31
Lokalizacja:Trzcianka/Poznań

Re: Wykrywacz metali ze zrównoważoną indukcyjnością od podst

Postautor: Tomasz Gumny » 30 wrz 2011, o 14:24

Przy ΣR(tu: Rd) = 0 napięcie wyjściowe przekracza 3.3V a powinno być równe 3.3V.
Ja wyszedłem z równania:
( 3.3V - KBD_ADC ) / ΣR + ( VBAT - KBD_ADC ) / 60kΩ = KBD_ADC / 2kΩ
i doszedłem do postaci:
KBD_ADC = ( VBAT[V] * ΣR[kΩ] + 198 ) / ( 31 * ΣR[kΩ] + 60 )

tg3a
-
-
Posty:243
Rejestracja:26 maja 2008, o 19:46
Lokalizacja:Warszawa

Re: Wykrywacz metali ze zrównoważoną indukcyjnością od podst

Postautor: tg3a » 30 wrz 2011, o 14:51

Przy ΣR(tu: Rd) = 0 napięcie wyjściowe przekracza 3.3V a powinno być równe 3.3V.
Ja wyszedłem z równania:
( 3.3V - KBD_ADC ) / ΣR + ( VBAT - KBD_ADC ) / 60kΩ = KBD_ADC / 2kΩ
i doszedłem do postaci:
KBD_ADC = ( VBAT[V] * ΣR[kΩ] + 198 ) / ( 31 * ΣR[kΩ] + 60 )
A skąd to napięcie? Przecież ze stabilizatora, który będzie miał swą tolerancję (obecnie przyjmuję 5%). Chyba, że z tego samego źródła pobierasz napięcie referencyjne do przetwornika (nie pamiętam, może rzeczywiście z poprzednich postów to wynika). Ale wtedy byłaby z kolei kwestia, jak uwzględnić ew. rozrzut, a być może nawet zmienność napięcia referencyjnego przy pomiarze napięcia baterii.
Ale tak czy inaczej, poszczególne stany klawiatury są rozróżnialne jednoznacznie, i o to chodziło.

Awatar użytkownika
Tomasz Gumny
-
-
Posty:685
Rejestracja:4 lut 2004, o 23:31
Lokalizacja:Trzcianka/Poznań

Re: Wykrywacz metali ze zrównoważoną indukcyjnością od podst

Postautor: Tomasz Gumny » 30 wrz 2011, o 17:10

Zasymulowałem kilka przypadków w LTSpice i wyniki są zgodne z obliczeniami:
keys_lt_spice.png
ΣR=0.5kΩ (zwarty S2)
Pozostał stabilizator... LM1117-3.3 pobiera za dużo prądu dla siebie (5..10mA).
Przy akumulatorkach AA o pojemności 2000mAh i poborze prądu przez wykrywacz ~100mA, każde dodatkowe 5mA skraca czas pracy o prawie godzinę, więc jest o co walczyć.
Jakieś inne typy?

traxman
-
-
Posty:215
Rejestracja:7 lip 2011, o 11:19

Re: Wykrywacz metali ze zrównoważoną indukcyjnością od podst

Postautor: traxman » 30 wrz 2011, o 18:15

Sprawdź MCP1824, MCP17xx, maxim robi sporo i wyszukiwarka powinna oddać sensowne wyniki.

Awatar użytkownika
Tomasz Gumny
-
-
Posty:685
Rejestracja:4 lut 2004, o 23:31
Lokalizacja:Trzcianka/Poznań

Re: Wykrywacz metali ze zrównoważoną indukcyjnością od podst

Postautor: Tomasz Gumny » 30 wrz 2011, o 21:15

Sprawdź MCP1824, MCP17xx
MCP1703-330 w SOT223-3. Ten z kolei bierze jakieś pojedyncze µA a to może być za mało, żeby po usunięciu zworki (na czas programowania procesora) napięcie na LED-zie spadło ≥1.5V - dopiero wtedy napięcie zasilające wzrośnie do ~5V. Przy tak małym prądzie napięcie mogłoby się chyba zmieniać z... oświetleniem. :D Dlatego przewidziałem opcjonalny rezystor "dociążający" diodę LED.
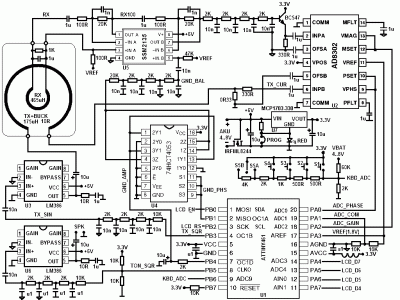
Aktualny schemat z dodanym torem audio, klawiaturą, stabilizatorem i zabezpieczeniem przed odwrotnym podłączeniem akumulatora:
sch30.gif
Ostatnio zmieniony 1 paź 2011, o 18:43 przez Tomasz Gumny, łącznie zmieniany 3 razy.

Awatar użytkownika
Tomasz Gumny
-
-
Posty:685
Rejestracja:4 lut 2004, o 23:31
Lokalizacja:Trzcianka/Poznań

Re: Wykrywacz metali ze zrównoważoną indukcyjnością od podst

Postautor: Tomasz Gumny » 1 paź 2011, o 14:30

Ponieważ odwrotne włożenie akumulatorków wiązałoby się sporymi uszkodzeniami, wypada się przed tym zabezpieczyć. Znam kilka prostych sposobów:
reverse.gif
reverse.gif (2.58KiB)Przejrzano 20903 razy
1. Mimo diody Schottky spadek napięcia wyniesie ok. 0.5V - trochę dużo przy nominalnym napięciu czterech akumulatorków NiMH wynoszącym 4.8V.
2. Dioda musi wytrzymać prąd zwarcia zanim zadziała bezpiecznik (zwykle multifuse). Poza tym jakoś nigdy nie przekonałem się do multifusów - po zadziałaniu potrafiły godzinami dochodzić do siebie.
3. Podoba mi się, mimo że jest najbardziej rozbudowany. Obecnie nie powinno być problemu ze znalezieniem małego MOSFET-a o niskim Rdson przy Ugs=~4V.
Czy znacie jakieś inne rozwiązania? Chyba był na ten temat artykuł w EP - może ktoś pamięta, w którym numerze?

Awatar użytkownika
Tomasz Gumny
-
-
Posty:685
Rejestracja:4 lut 2004, o 23:31
Lokalizacja:Trzcianka/Poznań

Re: Wykrywacz metali ze zrównoważoną indukcyjnością od podst

Postautor: Tomasz Gumny » 1 paź 2011, o 18:25

Teraz są dostępne cudeńka typu: IRFML8244TR. W przewidywanym zakresie napięć akumulatora nie jest konieczne nawet zabezpieczanie bramki (rezystorem i diodą). Wstawiłem taki MOSFET na wejściu stabilizatora w ostatnim schemacie.

Awatar użytkownika
Tomasz Gumny
-
-
Posty:685
Rejestracja:4 lut 2004, o 23:31
Lokalizacja:Trzcianka/Poznań

Re: Wykrywacz metali ze zrównoważoną indukcyjnością od podst

Postautor: Tomasz Gumny » 5 paź 2011, o 15:07

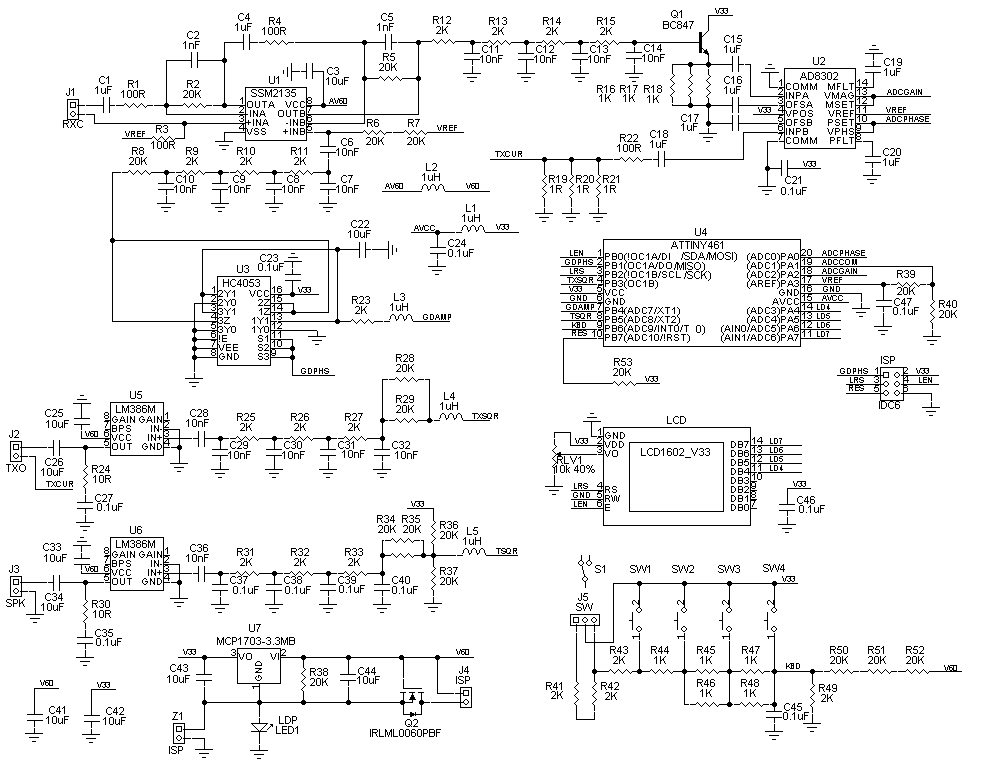
Dzięki Adamowi jest już schemat w wersji CAD-owskiej:
MetDet_SCH_mini.png

Awatar użytkownika
Tomasz Gumny
-
-
Posty:685
Rejestracja:4 lut 2004, o 23:31
Lokalizacja:Trzcianka/Poznań

Re: Wykrywacz metali ze zrównoważoną indukcyjnością od podst

Postautor: Tomasz Gumny » 7 paź 2011, o 12:45

Nie wiem jakim cudem, ale już zaprojektował również płytkę:
MetDet_PCB_TL.png

Awatar użytkownika
Tomasz Gumny
-
-
Posty:685
Rejestracja:4 lut 2004, o 23:31
Lokalizacja:Trzcianka/Poznań

Re: Wykrywacz metali ze zrównoważoną indukcyjnością od podst

Postautor: Tomasz Gumny » 7 paź 2011, o 16:10

Jako że projekt elektroniki niespodziewanie przyspieszył, trzeba szybko przygotować projekt nowej sondy na pcb.
Do testów terenowych potrzebna będzie też mechanika wykrywacza: podłokietnik, uchwyt, rurka+sztyca, plastikowe kątowniki i takaż śruba do mocowania sondy. Napisałem w tej sprawie do kilku polskich producentów wykrywaczy - zobaczymy co się da tą drogą załatwić. :)

Wróć do „Kity AVT”

Kto jest online

Użytkownicy przeglądający to forum: Obecnie na forum nie ma żadnego zarejestrowanego użytkownika i 0 gości