Aktyw Forum
Zarejestruj się na forum.ep.com.pl i zgłoś swój akces do Aktywu Forum. Jeśli jesteś już zarejestrowany wystarczy, że się zalogujesz.
Sprawdź punkty Zarejestruj sięWykrywacz metali ze zrównoważoną indukcyjnością od podstaw
Moderatorzy:Jacek Bogusz, Grzegorz Becker, procesorowiec, robertw, Moderatorzy
- Tomasz Gumny
- -

- Posty:685
- Rejestracja:4 lut 2004, o 23:31
- Lokalizacja:Trzcianka/Poznań
Kusi mnie, żeby przetestować taką konfigurację:
A może nawet taką:
Mogę się mylić, ale chyba oba rozwiązania pozwolą na dokładne zrównoważenie sondy wyłącznie na drodze elektrycznej, tzn. bez kombinowania z drutami.
- Tomasz Gumny
- -

- Posty:685
- Rejestracja:4 lut 2004, o 23:31
- Lokalizacja:Trzcianka/Poznań
Re: Wykrywacz metali ze zrównoważoną indukcyjnością od podst
Już mnie świerzbiły palce, żeby złożyć układ z osobnymi torami do zasilania cewek TX i BUCK.
Naszkicowałem nawet schemat:
Przedtem jednak wypadało oszacować jaka jest różnica fazy sygnałów pochodzących z TX i BUCK. W tym celu odwróciłem role cewek - do RX podłączyłem wyjście LM386 i ustawiłem tradycyjne 6Vpp:
Wejścia oscyloskopu podłączyłem do cewek TX i BUCK i na pierwszy rzut oka żadnego przesunięcia fazowego nie widać:
Odejmowanie obu kanałów też niewiele pomogło:
Z krzywej Lissajous również nie da się nic odczytać:
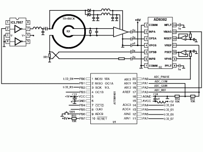
W akcie desperacji podłączyłem TX i BUCK do wejść INPA i INPB układu AD8302 - w końcu jest tam detektor fazy.
Wcześniej już sprawdziłem, że gdy różnica faz jest równa zero (ten sam sygnał na obu wejściach), to ADC odczytuje na wyjściu VPHS wartość 998 czyli około 1.75V (1.8V*998/1024) i wyżej nie rośnie. Taki sam efekt dało podanie sygnałów z TX i BUCK.
Z tego wynika, że różnica fazy sygnałów pochodzących z cewek TX i BUCK musi być niepokojąco mała.
Skoro tak, to może da się ją oszacować teoretycznie?
Często dla uproszczenia przyjmuje się średnie promienie cewek, więc chyba i tutaj można: Zakładając, że różnica faz wynika tylko z różnicy odległości między RX a TX i BUCK, otrzymamy:
c = 3e8[m/s]
f = 15600[Hz]
l = 0.033[m]
λ = c / f = 3e8 / 15600 = 19231[m]
φ = 360° * l / λ = 360° * 0.033 / 19231 = 0.0006°
Jeśli to prawda, to nic dziwnego, że trudno było cokolwiek zauważyć na ekranie oscyloskopu.
Przy pierwszych pomiarach sondy napięcie na cewce RX wynosiło 1.5Vpp przy TX(bez BUCK) równym 4.5Vpp. Zatem można przyjąć, że przy obecnie stosowanym sygnale 6Vpp są to 2Vpp.
Dla amplitudy wynoszącej U = 2Vpp różnica sygnałów sinusoidalnych przesuniętych o kąt φ = 0.0006° ma amplitudę 42µVpp: To wynik dość zbliżony do 80µVpp, które udało się osiągnąć równoważąc sondę.
Obecnie mogę ustawiać fazę z rozdzielczością 0.176° (360° / 2^11). Niestety, żeby móc zmieniać fazę sygnału BUCK z krokiem rzędu 0.0006° potrzebny byłby 19-bitowy licznik taktowany 8GHz. Chyba nie tędy droga...
Z tego wynika, że różnica fazy sygnałów pochodzących z cewek TX i BUCK musi być niepokojąco mała.
Skoro tak, to może da się ją oszacować teoretycznie?
Często dla uproszczenia przyjmuje się średnie promienie cewek, więc chyba i tutaj można: Zakładając, że różnica faz wynika tylko z różnicy odległości między RX a TX i BUCK, otrzymamy:
c = 3e8[m/s]
f = 15600[Hz]
l = 0.033[m]
λ = c / f = 3e8 / 15600 = 19231[m]
φ = 360° * l / λ = 360° * 0.033 / 19231 = 0.0006°
Jeśli to prawda, to nic dziwnego, że trudno było cokolwiek zauważyć na ekranie oscyloskopu.
Przy pierwszych pomiarach sondy napięcie na cewce RX wynosiło 1.5Vpp przy TX(bez BUCK) równym 4.5Vpp. Zatem można przyjąć, że przy obecnie stosowanym sygnale 6Vpp są to 2Vpp.
Dla amplitudy wynoszącej U = 2Vpp różnica sygnałów sinusoidalnych przesuniętych o kąt φ = 0.0006° ma amplitudę 42µVpp: To wynik dość zbliżony do 80µVpp, które udało się osiągnąć równoważąc sondę.
Obecnie mogę ustawiać fazę z rozdzielczością 0.176° (360° / 2^11). Niestety, żeby móc zmieniać fazę sygnału BUCK z krokiem rzędu 0.0006° potrzebny byłby 19-bitowy licznik taktowany 8GHz. Chyba nie tędy droga...
- Tomasz Gumny
- -

- Posty:685
- Rejestracja:4 lut 2004, o 23:31
- Lokalizacja:Trzcianka/Poznań
Re: Wykrywacz metali ze zrównoważoną indukcyjnością od podst
Ciekawe czy dodając na wyjściu układu z "balansem" rezystor zmniejszający "wstrzykiwany" prąd dałoby się zmniejszyć krok i zakres zmiany fazy:
- Tomasz Gumny
- -

- Posty:685
- Rejestracja:4 lut 2004, o 23:31
- Lokalizacja:Trzcianka/Poznań
Re: Wykrywacz metali ze zrównoważoną indukcyjnością od podst
Jak zwykle: jeśli praktyka nie daje rady, to trzeba zajrzeć do teorii.
sin(α) - sin(β) = 2 * cos( (α + β) / 2 ) * sin( (α - β) / 2 )
przyjmując:
β = α - φ
otrzymamy:
sin(α) - sin(α - φ) = 2 * sin(φ/2) * cos(α + φ/2)
Podkreślony wyraz jest wartością stałą, zatem zostaje tylko wytłuszczony cosinus. To oznacza, że do wygaszenia sygnału powstałego z różnicy sinusów przesuniętych o φ potrzebny jest sygnał kosinusoidalny! Która to teraz klasa podstawówki?
W zasadzie mógłbym taki przebieg wygenerować z procesora - wystarczy zrobić stałe przesunięcie o ¼ okresu. Jednak gdyby udało się zrobić w sondzie dodatkowe uzwojenie o takim samym napięciu niezrównoważenia, ale przeciwnej fazie, to po włączeniu go do uzwojeń TX i BUCK powinniśmy dostać piękne zero.
Przy tym, jeśli te dodatkowe zwoje będą przebiegały w dwóch pierścieniach odległych od siebie tak jak średnie promienie TX i BUCK, to nawet to nieszczęsne przesunięcie fazowe 0.0006° będzie identyczne!
Oj, przydałoby się, żeby ktoś ten pomysł zweryfikował zanim zacznę przecinać druty w sondzie...
Dowinąłem na próbę jeden zwój przy TX, który potem "cofał się" przy przy BUCK i to włączyłem w miejsce mostka łączącego TX i BUCK krzyżując przewody. Przy równoważeniu lepszy efekt uzyskiwałem stopniowo skracając ten zwój aż w końcu została... pętelka.
Wtedy dopiero napięcie na wyjściu przedwzmacniacza spadło mniej więcej o połowę z 80mVpp do niecałych 50mVpp. Nie jest to efekt jakiego oczekiwałem, dlatego pętelka zapewne wyleci.
sin(α) - sin(β) = 2 * cos( (α + β) / 2 ) * sin( (α - β) / 2 )
przyjmując:
β = α - φ
otrzymamy:
sin(α) - sin(α - φ) = 2 * sin(φ/2) * cos(α + φ/2)
Podkreślony wyraz jest wartością stałą, zatem zostaje tylko wytłuszczony cosinus. To oznacza, że do wygaszenia sygnału powstałego z różnicy sinusów przesuniętych o φ potrzebny jest sygnał kosinusoidalny! Która to teraz klasa podstawówki?
W zasadzie mógłbym taki przebieg wygenerować z procesora - wystarczy zrobić stałe przesunięcie o ¼ okresu. Jednak gdyby udało się zrobić w sondzie dodatkowe uzwojenie o takim samym napięciu niezrównoważenia, ale przeciwnej fazie, to po włączeniu go do uzwojeń TX i BUCK powinniśmy dostać piękne zero.
Oj, przydałoby się, żeby ktoś ten pomysł zweryfikował zanim zacznę przecinać druty w sondzie...
Dowinąłem na próbę jeden zwój przy TX, który potem "cofał się" przy przy BUCK i to włączyłem w miejsce mostka łączącego TX i BUCK krzyżując przewody. Przy równoważeniu lepszy efekt uzyskiwałem stopniowo skracając ten zwój aż w końcu została... pętelka.
- Tomasz Gumny
- -

- Posty:685
- Rejestracja:4 lut 2004, o 23:31
- Lokalizacja:Trzcianka/Poznań
Re: Wykrywacz metali ze zrównoważoną indukcyjnością od podst
Model sondy można chyba uznać za skończony, raczej nic więcej się z niego nie wyciśnie.
Na koniec pomiary sygnału w powietrzu i na gruncie dla różnych częstotliwości: Przy najniższej częstotliwości (3.9kHz) pojawiły się zniekształcenia nadawanego sygnału i prąd pobierany z zasilacza zaczął gwałtownie rosnąć, dlatego zmniejszyłem amplitudę przebiegu TX i proporcjonalnie zwiększyłem czułość oscyloskopu.
Na koniec pomiary sygnału w powietrzu i na gruncie dla różnych częstotliwości: Przy najniższej częstotliwości (3.9kHz) pojawiły się zniekształcenia nadawanego sygnału i prąd pobierany z zasilacza zaczął gwałtownie rosnąć, dlatego zmniejszyłem amplitudę przebiegu TX i proporcjonalnie zwiększyłem czułość oscyloskopu.
- Tomasz Gumny
- -

- Posty:685
- Rejestracja:4 lut 2004, o 23:31
- Lokalizacja:Trzcianka/Poznań
Re: Wykrywacz metali ze zrównoważoną indukcyjnością od podst
Sygnał od monety 5gr w gruncie na głębokości od 20 do 0cm dla częstotliwości 15.6kHz:
Trochę niepokojący jest brak jakiejkolwiek widocznej zmiany powyżej 15cm, ale mam nadzieję, że procesor coś zauważy.
- Tomasz Gumny
- -

- Posty:685
- Rejestracja:4 lut 2004, o 23:31
- Lokalizacja:Trzcianka/Poznań
Re: Wykrywacz metali ze zrównoważoną indukcyjnością od podst
Zabawy z sondą dostarczyły informacji jakiego rzędu sygnałów można się spodziewać na wyjściu przedwzmacniacza:
w powietrzu (powyżej 10cm od gruntu): 100mVpp = 35mVrms
na gruncie (zależnie od stopnia mineralizacji): 300mVpp = 106mVrms
mały obiekt (na granicy zasięgu): 3mVpp = 1.06mVrms
duży obiekt (blisko sondy): 8Vpp = 4Vrms (przesterowanie przedwzmacniacza = prostokąt).
Na wyjściu VMAG układu AD8302 pojawia się napięcie równe:
Vmag = Vslp * log( Vina / Vinb ) + Vref/2
gdzie:
Vslp = 30mV (nachylenie można zwiększyć zewnętrznymi rezystorami)
Vina, Vinb - napięcia skuteczne na wejściach INPA, INPB
Vref = 1.8V (wewnętrzne napięcie odniesienia)
Załóżmy, że INPA podłączymy do wyjścia SSM2019, a na INPB podamy przebieg odniesienia, np. 7.1mVrms i zbliżymy sondę do gruntu, a potem przesuniemy nad mały obiekt (5gr) na granicy zasięgu (20cm). Na wyjściu AD8302 otrzymamy:
Vmag1(w powietrzu) = 30 * log( 35 / 7.1 ) + 900 = 920.78V
Vmag2(na gruncie) = 30 * log( 106 / 7.1 ) + 900 = 935.22V
Vmag3(grunt+obiekt) = 30 * log( (106+1.06) / 7.1 ) + 900 = 935.35V
Vmag2 - Vmag1 = 14.44 da się zmierzyć ADC o kroku 1.76mV.
Vmag3 - Vmag2 = 0.13mV to za mało, żeby ADC mógł zmierzyć zmianę nawet, jeśli włączy się wewnętrzny wzmacniacz na wejściu ADC. W dodatku zmiana wysokości sondy nad gruntem skutkuje 100x większymi zmianami.
Oznacza to, że wykryjemy zbliżenie sondy do gruntu, ale już nie pojawienie się obiektu w gruncie.
Zmiana sygnału odniesienia (7.1mVrms) skutkuje innymi napięciami, ale różnice pozostają takie same.
Poprawę daje wyłącznie zmniejszenie początkowego sygnału wynikającego z niezrównoważenia sondy i odpowiedzi gruntu (106mVrms). Zmniejszenie 10-krotne, czyli do 10.6mVrms powoduje, że obiekt w gruncie wywołuje zmianę o 906.46 - 905.22 = 1.24mV. Po wzmocnieniu x32 dałoby się to wykryć i w przybliżeniu zmierzyć. Zmniejszenie do 1.06mV dałoby różnicę 9.03mV (884.25 - 875.22).
Problem polega na tym, że jest to sygnał sinusoidalny o zmiennej amplitudzie i fazie, zatem takim sygnałem należy go kompensować.
Na wyjściu VMAG układu AD8302 pojawia się napięcie równe:
Vmag = Vslp * log( Vina / Vinb ) + Vref/2
gdzie:
Vslp = 30mV (nachylenie można zwiększyć zewnętrznymi rezystorami)
Vina, Vinb - napięcia skuteczne na wejściach INPA, INPB
Vref = 1.8V (wewnętrzne napięcie odniesienia)
Załóżmy, że INPA podłączymy do wyjścia SSM2019, a na INPB podamy przebieg odniesienia, np. 7.1mVrms i zbliżymy sondę do gruntu, a potem przesuniemy nad mały obiekt (5gr) na granicy zasięgu (20cm). Na wyjściu AD8302 otrzymamy:
Vmag1(w powietrzu) = 30 * log( 35 / 7.1 ) + 900 = 920.78V
Vmag2(na gruncie) = 30 * log( 106 / 7.1 ) + 900 = 935.22V
Vmag3(grunt+obiekt) = 30 * log( (106+1.06) / 7.1 ) + 900 = 935.35V
Vmag2 - Vmag1 = 14.44 da się zmierzyć ADC o kroku 1.76mV.
Vmag3 - Vmag2 = 0.13mV to za mało, żeby ADC mógł zmierzyć zmianę nawet, jeśli włączy się wewnętrzny wzmacniacz na wejściu ADC. W dodatku zmiana wysokości sondy nad gruntem skutkuje 100x większymi zmianami.
Oznacza to, że wykryjemy zbliżenie sondy do gruntu, ale już nie pojawienie się obiektu w gruncie.
Zmiana sygnału odniesienia (7.1mVrms) skutkuje innymi napięciami, ale różnice pozostają takie same.
Poprawę daje wyłącznie zmniejszenie początkowego sygnału wynikającego z niezrównoważenia sondy i odpowiedzi gruntu (106mVrms). Zmniejszenie 10-krotne, czyli do 10.6mVrms powoduje, że obiekt w gruncie wywołuje zmianę o 906.46 - 905.22 = 1.24mV. Po wzmocnieniu x32 dałoby się to wykryć i w przybliżeniu zmierzyć. Zmniejszenie do 1.06mV dałoby różnicę 9.03mV (884.25 - 875.22).
Problem polega na tym, że jest to sygnał sinusoidalny o zmiennej amplitudzie i fazie, zatem takim sygnałem należy go kompensować.
- Piotr Piechota
- -

- Posty:35
- Rejestracja:13 lip 2011, o 00:42
Re: Wykrywacz metali ze zrównoważoną indukcyjnością od podst
Może użyj jak w wykrywaczach dynamicznych filtra pasmowo przepustowego - zmiany od gruntu są wolne a od znajdki szybsze.
Pozdawiam
Pozdawiam
- Tomasz Gumny
- -

- Posty:685
- Rejestracja:4 lut 2004, o 23:31
- Lokalizacja:Trzcianka/Poznań
Re: Wykrywacz metali ze zrównoważoną indukcyjnością od podst
Powoli do tego dojrzewam, ale to oznaczałoby rezygnację z trybu statycznego i pracę wyłącznie dynamiczną.
Mam jeszcze dwa wyjścia OC1B i OC1D - jedno może być być generatorem PWM, drugie mogłoby przełączać klucz w regulowanej fazie. W ten sposób otrzymałbym sygnał prostokątny o regulowanej amplitudzie i fazie. Po przepuszczeniu przez filtr dostanę sinus, który mógłbym sumować (nawet na rezystorach) z sygnałem z przedwzmacniacza. Problem w tym, że musiałbym pilnować amplitudy, żeby nie przekompensować (to dałoby się akurat wykryć, bo powodowałoby odwrócenie fazy), ale równocześnie uwzględniać parametry gruntu pobrane podczas strojenia.
Muszę się zastanowić czy warto pchać się w tak rozbudowany układ i program...
Mam jeszcze dwa wyjścia OC1B i OC1D - jedno może być być generatorem PWM, drugie mogłoby przełączać klucz w regulowanej fazie. W ten sposób otrzymałbym sygnał prostokątny o regulowanej amplitudzie i fazie. Po przepuszczeniu przez filtr dostanę sinus, który mógłbym sumować (nawet na rezystorach) z sygnałem z przedwzmacniacza. Problem w tym, że musiałbym pilnować amplitudy, żeby nie przekompensować (to dałoby się akurat wykryć, bo powodowałoby odwrócenie fazy), ale równocześnie uwzględniać parametry gruntu pobrane podczas strojenia.
Muszę się zastanowić czy warto pchać się w tak rozbudowany układ i program...
- Tomasz Gumny
- -

- Posty:685
- Rejestracja:4 lut 2004, o 23:31
- Lokalizacja:Trzcianka/Poznań
Re: Wykrywacz metali ze zrównoważoną indukcyjnością od podst
Oszczędzamy:
jedna częstotliwość - 7.8kHz (jakieś inne propozycje?)
TX zasilana przebiegiem sinus generowanym programowo (PWM + LC)
tylko praca dynamiczna
Upraszczamy: Wraca problem niskoszumnego przedwzmacniacza o wzmocnieniu 60dB, który działa przy zasilaniu symetrycznym od +/-1.5V (tyle powinno się uzyskać z zasilania cewki TX). Teraz powinien być dodatkowo tani...
Upraszczamy: Wraca problem niskoszumnego przedwzmacniacza o wzmocnieniu 60dB, który działa przy zasilaniu symetrycznym od +/-1.5V (tyle powinno się uzyskać z zasilania cewki TX). Teraz powinien być dodatkowo tani...
- Tomasz Gumny
- -

- Posty:685
- Rejestracja:4 lut 2004, o 23:31
- Lokalizacja:Trzcianka/Poznań
Re: Wykrywacz metali ze zrównoważoną indukcyjnością od podst
Obawiam się, że takie kilkudniowe przerwy będą się teraz zdarzały częściej, ale liczę, że przed zimą zdążę zrobić testy polowe.
Z układu wyleciały:
-filtry LTC1569 (drogie i zbędne przy jednej częstotliwości);
-MAX660 (odpowiadał za sianie i "grubą" kreskę sygnału RX);
-zamierzam zastąpić SSM2019 dwustopniowym układem zbudowanym ze standardowych wzmacniaczy operacyjnych (to idzie trochę gorzej, dlatego na razie SSM2019 został a ujemne napięcie biorę z zewnętrznego zasilacza).
Aktualny schemat będzie później, ale jeśli ktoś miałby pomysł na alternatywę dla SSM2019, to chętnie obejrzę. Dla przypomnienia:
-wzmocnienie (tylko składowa zmienna): 60dB przy 7.8kHz;
-zasilanie: GND/+5V;
-małe szumy;
-sygnał wyjściowy: 1Vpp max.
Z układu wyleciały:
-filtry LTC1569 (drogie i zbędne przy jednej częstotliwości);
-MAX660 (odpowiadał za sianie i "grubą" kreskę sygnału RX);
-zamierzam zastąpić SSM2019 dwustopniowym układem zbudowanym ze standardowych wzmacniaczy operacyjnych (to idzie trochę gorzej, dlatego na razie SSM2019 został a ujemne napięcie biorę z zewnętrznego zasilacza).
Aktualny schemat będzie później, ale jeśli ktoś miałby pomysł na alternatywę dla SSM2019, to chętnie obejrzę. Dla przypomnienia:
-wzmocnienie (tylko składowa zmienna): 60dB przy 7.8kHz;
-zasilanie: GND/+5V;
-małe szumy;
-sygnał wyjściowy: 1Vpp max.
- Tomasz Gumny
- -

- Posty:685
- Rejestracja:4 lut 2004, o 23:31
- Lokalizacja:Trzcianka/Poznań
Re: Wykrywacz metali ze zrównoważoną indukcyjnością od podst
Wymieniłem filtry z przełączanymi pojemnościami na analogowe, również scalone.
- Tomasz Gumny
- -

- Posty:685
- Rejestracja:4 lut 2004, o 23:31
- Lokalizacja:Trzcianka/Poznań
Re: Wykrywacz metali ze zrównoważoną indukcyjnością od podst
Wkrótce będzie trzeba określić minimalną częstotliwość próbkowania sygnału z sondy, dlatego przygotowałem takie poletko testowe:
Namówiłem znajomych, żeby pomachali trochę nad tym polem swoimi wykrywaczami we własnym tempie:
http://www.youtube.com/watch?v=zgSWRQXBygg
Przyjąłem, że gdy koniec sondy przemieszcza się o 20cm, to jej środek o 17.8cm (20cm * 82cm / 92cm).
Trochę zabawy z odtwarzaniem poklatkowym i nieco więcej z Excelem (tu wielkie podziękowania dla Michała) dało następujące wyniki: Pierwsza pochodna po czasie pokazuje, że przy spokojnym przemiataniu środek sondy osiąga prędkość 3m/s
Przyspieszenie (jako druga pochodna drogi po czasie) pokazuje w zasadzie już tylko błędy przy określaniu położenia sondy, ale przy dużym uśrednieniu można zauważyć, że to nadal sinusoidalny kształt.
http://www.youtube.com/watch?v=zgSWRQXBygg
Przyjąłem, że gdy koniec sondy przemieszcza się o 20cm, to jej środek o 17.8cm (20cm * 82cm / 92cm).
Trochę zabawy z odtwarzaniem poklatkowym i nieco więcej z Excelem (tu wielkie podziękowania dla Michała) dało następujące wyniki: Pierwsza pochodna po czasie pokazuje, że przy spokojnym przemiataniu środek sondy osiąga prędkość 3m/s
- Tomasz Gumny
- -

- Posty:685
- Rejestracja:4 lut 2004, o 23:31
- Lokalizacja:Trzcianka/Poznań
Re: Wykrywacz metali ze zrównoważoną indukcyjnością od podst
Znalazłem wzmacniacz, którym chyba będzie można zastąpić SSM2019 i to na swoim biurku...
SSM2135 - pracuje od 4V i wygląda bardzo obiecująco. Narysowałem wstępnie schemat przedwzmacniacza:
pierwszy stopień ma wzmacniać 100-krotnie sygnał z cewki RX i wstępnie filtrować;
drugi stopień ma być różnicowy i wzmacniać 100-krotnie różnicę między sygnałem przychodzącym z pierwszego stopnia i sygnałem GND_BAL generowanym przez procesor.
Czy zasadniczo te schematy są poprawne?
Gdy tylko znajdę jakąś literaturę, spróbuję wyliczyć pojemności dla częstotliwości środkowej 7.8kHz (a może ktoś pomoże?) i dopiszę oczekiwane wartości sygnałów w kilku punktach układu.
SSM2135 - pracuje od 4V i wygląda bardzo obiecująco. Narysowałem wstępnie schemat przedwzmacniacza:
Gdy tylko znajdę jakąś literaturę, spróbuję wyliczyć pojemności dla częstotliwości środkowej 7.8kHz (a może ktoś pomoże?) i dopiszę oczekiwane wartości sygnałów w kilku punktach układu.
Re: Wykrywacz metali ze zrównoważoną indukcyjnością od podst
Ten 1uF zwierający cewkę to obwód rezonansowy?
- Tomasz Gumny
- -

- Posty:685
- Rejestracja:4 lut 2004, o 23:31
- Lokalizacja:Trzcianka/Poznań
Re: Wykrywacz metali ze zrównoważoną indukcyjnością od podst
Tak, wychodził mi rezonans w okolicy 7.5kHz.
Re: Wykrywacz metali ze zrównoważoną indukcyjnością od podst
Pomijając wstępnie możliwość dodatkowego kształtowania ch-ki częstotliwościowej przez kondensator szeregowy na wejściu 1-szego stopnia przedwzmacniacza, to najwęższe pasmo uzyska się, gdy w pętli ujemnego sprzężenia zwrotnego tego stopnia kondensator szeregowy do 100 Ω będzie miał 204 nF, a kondensator równoległy do 10 kΩ odpowiednio 2,04 nF. W sumie charakterystyka będzie mało selektywna, i można się tymi drobiazgami nie przejmować, dając najbliższe wartości z szeregu, lub ewentualnie skorygować oporniki do 910 Ω i 9,1 kΩ.
Obliczenia robiłem zakładając, że maksimum wzmocnienia ma być dla 7,8 kHz.
Po kilku minutach zastanawiania się:
Oczywiście, strzeliłem błąd.
Gdyby tak było, jak napisałem, wzmocnienie zmalałoby dwukrotnie.
Tak więc zachowując wzmocnienie równe 101 trzeba opornik 100 Ω zmniejszyć do 50 Ω, a zamiast 204 nF dać 408 nF - wtedy byłoby idealnie tak, jak założone. Jak widać, wychodzą wartości spoza szeregu, i trzeba dokonać niewielkich korekt, ale punkt wyjścia już jest.
Pozdrawiam.
Obliczenia robiłem zakładając, że maksimum wzmocnienia ma być dla 7,8 kHz.
Po kilku minutach zastanawiania się:
Oczywiście, strzeliłem błąd.
Gdyby tak było, jak napisałem, wzmocnienie zmalałoby dwukrotnie.
Tak więc zachowując wzmocnienie równe 101 trzeba opornik 100 Ω zmniejszyć do 50 Ω, a zamiast 204 nF dać 408 nF - wtedy byłoby idealnie tak, jak założone. Jak widać, wychodzą wartości spoza szeregu, i trzeba dokonać niewielkich korekt, ale punkt wyjścia już jest.
Pozdrawiam.
- Tomasz Gumny
- -

- Posty:685
- Rejestracja:4 lut 2004, o 23:31
- Lokalizacja:Trzcianka/Poznań
Re: Wykrywacz metali ze zrównoważoną indukcyjnością od podst
Dzięki! Rezystancja 100Ω i tak wydaje mi się niska, ale spotykana w aplikacjach SSM2135, wiec nie chciałbym jej zmniejszać. Za to możemy zwiększyć dwukrotnie 10kΩ i efekt będzie taki sam, nieprawdaż?
Preferowane wartości, to te które już występują lub ich pod- lub wielokrotności: 100Ω, 2kΩ, 10kΩ, 0.1µF, 1µF, 10nF. Wstawiłem schemat z oznaczeniami elementów i sugerowanymi wartościami rezystancji: Edit: Dodane wartości elementów.
Preferowane wartości, to te które już występują lub ich pod- lub wielokrotności: 100Ω, 2kΩ, 10kΩ, 0.1µF, 1µF, 10nF. Wstawiłem schemat z oznaczeniami elementów i sugerowanymi wartościami rezystancji: Edit: Dodane wartości elementów.
Ostatnio zmieniony 12 wrz 2011, o 17:39 przez Tomasz Gumny, łącznie zmieniany 1 raz.
Re: Wykrywacz metali ze zrównoważoną indukcyjnością od podst
Oczywiście.
Tak więc C3 = C5 = 200 nF (lub 220 nF z szeregu E6), a C4 = C5 = 1 nF.
Początkowo wspomniałem o możliwości dodatkowego kształtowania charakterystyki częstotliwościowej przez C2. Niezależnie od trudności w analizie takiego podejścia widzę po zastanowieniu się, że danie małej wartości C2 byłoby "zbrodnią" popełnioną na słabym sygnale wejściowym - tak więc oczywiście C2 musi być dostatecznie duży.
Pozdrawiam.
Tak więc C3 = C5 = 200 nF (lub 220 nF z szeregu E6), a C4 = C5 = 1 nF.
Początkowo wspomniałem o możliwości dodatkowego kształtowania charakterystyki częstotliwościowej przez C2. Niezależnie od trudności w analizie takiego podejścia widzę po zastanowieniu się, że danie małej wartości C2 byłoby "zbrodnią" popełnioną na słabym sygnale wejściowym - tak więc oczywiście C2 musi być dostatecznie duży.
Pozdrawiam.
- Tomasz Gumny
- -

- Posty:685
- Rejestracja:4 lut 2004, o 23:31
- Lokalizacja:Trzcianka/Poznań
Re: Wykrywacz metali ze zrównoważoną indukcyjnością od podst
Dodałem sugerowane pojemności do pierwotnego schematu. Elementy dyskretne będą zapewne montowane powierzchniowo, więc ekonomiczniej jest złożyć kilka rezystorów lub kondensatorów niż mnożyć stosowane wartości. W tym wypadku 200n jako złożenie dwóch 100n nie jest problemem. 1n to nowa pozycja w spisie elementów, ale skoro musi być, to nie ma dyskusji.
C2 o pojemności 1n w połączeniu z rezystancją wejściową równą 20kΩ (R2) tworzyłby chyba odpowiedni wstępny filtr?
R7, C7 chyba dobiorę doświadczalnie, bo jeszcze nie wiem jaki dostanę sygnał GND_BAL (wyjście procesora po przejściu przez 4 ogniwa RC: 2kΩ/10n).
W takim układzie R8 chyba jest będny.
C2 o pojemności 1n w połączeniu z rezystancją wejściową równą 20kΩ (R2) tworzyłby chyba odpowiedni wstępny filtr?
R7, C7 chyba dobiorę doświadczalnie, bo jeszcze nie wiem jaki dostanę sygnał GND_BAL (wyjście procesora po przejściu przez 4 ogniwa RC: 2kΩ/10n).
W takim układzie R8 chyba jest będny.
Kto jest online
Użytkownicy przeglądający to forum: Obecnie na forum nie ma żadnego zarejestrowanego użytkownika i 20 gości
