Aktyw Forum

Zarejestruj się na forum.ep.com.pl i zgłoś swój akces do Aktywu Forum. Jeśli jesteś już zarejestrowany wystarczy, że się zalogujesz.

Sprawdź punkty Zarejestruj się

Wykrywacz metali ze zrównoważoną indukcyjnością od podstaw

Awatar użytkownika
Tomasz Gumny
-
-
Posty:685
Rejestracja:4 lut 2004, o 23:31
Lokalizacja:Trzcianka/Poznań
Re: Wykrywacz metali ze zrównoważoną indukcyjnością od podst

Postautor: Tomasz Gumny » 12 sie 2011, o 21:39

Wygląda na to, że przerwa urlopowo-malarska nieco się przedłuży, ale dobrze byłoby już pomyśleć nad przedwzmacniaczem a może i zamówić potrzebne elementy. Z tego co widzę (a raczej nie widzę :D ) na ekranie oscyloskopu wnioskuję, że sygnał użyteczny z cewki może być rzędu kilkudziesięciu..kilkuset µV.
Zatem przedwzmacniacz powinien:
:arrow: wzmacniać sygnał z cewki RX około 1000x, z możliwością zmiany (rezystorami) od 100 do 4000;
:arrow: wzmacniać tylko składową zmienną;
:arrow: amplituda sygnału na wyjściu nie będzie duża, max 1V.
:arrow: równomiernie przenosić częstotliwości 3.9..15.6kHz i tłumić sygnały poza tym pasmem;
:arrow: przy 15kHz nie szumieć bardziej niż rezystory;
:arrow: mieć wejście niesymetryczne;
:arrow: zadowolić się pojedynczym napięciem zasilania +5V, dostępne jest Vref=1.8V(+/-1mA).
Wynika z tego, że przedwzmacniacz powinien być przynajmniej 2-stopniowy, zbudowany z niskoszumnych wzmacniaczy operacyjnych a może nawet tranzystora (PNP chyba mniej szumią?) i wzmacniacza operacyjnego. Jakieś sugestie co do typów? Jedyne jakie mam to NE5532, ale one wymagałyby dodania przetwornicy na -5V a tego wolałbym na razie uniknąć.

Najprostszy wydaje się taki układ:
preamp1.jpg
Ponadto jeśli faktycznie udałoby się wstawić ten układ w pobliżu sondy, to można by zrezygnować z R17 i C18 i podłączyć cewkę RX bezpośrednio między R18 i 1.8V. W ten sposób układ byłby chyba mniej narażony na zakłócenia pochodzące od masy...

traxman
-
-
Posty:215
Rejestracja:7 lip 2011, o 11:19

Re: Wykrywacz metali ze zrównoważoną indukcyjnością od podst

Postautor: traxman » 13 sie 2011, o 07:10

A może któryś z pomiarowych AD (taki jak w gadającym mierniku) na pierwszy stopień, symetryczne odbieranie sygnału z cewki może być zaletą, poziom sygnałów jest jak z wkładki MC. dalej już po 100x wzmocnieniu wymogi są mniejsze i tam można dać któryś z tańszych niskonapięciowych OPA np. 340.

Awatar użytkownika
Tomasz Gumny
-
-
Posty:685
Rejestracja:4 lut 2004, o 23:31
Lokalizacja:Trzcianka/Poznań

Re: Wykrywacz metali ze zrównoważoną indukcyjnością od podst

Postautor: Tomasz Gumny » 13 sie 2011, o 09:59

Czy masz na myśli AD620 lub coś spośród tego:
http://www.analog.com/en/specialty-ampl ... _Amplifier ?
Ciekawy pomysł, zwłaszcza, że są tam układy o przełączanym cyfrowo wzmocnieniu co pozwoliłoby uniknąć "zatykania" wykrywacza przy dużym obiekcie pod sondą.
Może nawet coś z tego mam, muszę to sprawdzić. Nie zmienia to faktu, że trzeba jakoś ograniczyć pasmo, żeby wyciąć przynajmniej 50Hz od dołu i 225kHz od góry.
Czy te mikrofonowe SSM2165/66 dają jakąś informację o głębokości kompresji?

Awatar użytkownika
Piotr Piechota
-
-
Posty:35
Rejestracja:13 lip 2011, o 00:42

Re: Wykrywacz metali ze zrównoważoną indukcyjnością od podst

Postautor: Piotr Piechota » 13 sie 2011, o 10:48

Witam

W mojej konstrukcji jest ad620 na wejściu tyle, że cewka odbiorcza jest nawijana ze środkowym odczepem i dostajemy sygnał symetryczny. W takim układzie dość dobrze są tłumione zakłócenia - wykrywacz bardzo dobrze sprawuje się pod liniami WN.

Pozdrawiam

Awatar użytkownika
Tomasz Gumny
-
-
Posty:685
Rejestracja:4 lut 2004, o 23:31
Lokalizacja:Trzcianka/Poznań

Re: Wykrywacz metali ze zrównoważoną indukcyjnością od podst

Postautor: Tomasz Gumny » 13 sie 2011, o 11:49

To bardzo ważna informacja - bo też mogę zrobić odczep (dokładnie w połowie RX będę przechodził z jednej strony płytki na drugą).
Znalazłem u siebie AD626 (zapewne z jakiegoś pomiaru prądu), ale to chyba nie byłby dobry wybór - zupełnie niepotrzebne 200kΩ na wejściach...

Awatar użytkownika
Tomasz Gumny
-
-
Posty:685
Rejestracja:4 lut 2004, o 23:31
Lokalizacja:Trzcianka/Poznań

Re: Wykrywacz metali ze zrównoważoną indukcyjnością od podst

Postautor: Tomasz Gumny » 13 sie 2011, o 14:28

Chyba znalazłem coś odpowiedniego: SSM2019. :) Wzmocnienie 1..3500, szumy znikome, pobór prądu akceptowalny, obudowa z widzialnymi wyprowadzeniami. Tylko znowu to ujemne zasilanie... :(

traxman
-
-
Posty:215
Rejestracja:7 lip 2011, o 11:19

Re: Wykrywacz metali ze zrównoważoną indukcyjnością od podst

Postautor: traxman » 13 sie 2011, o 19:55

A jak będziesz zasilał to cudo, z żelówki 12V czy z szeregowej baterii akumulatorów? Z baterii da się zrobić odczep, z 12V sztuczną masę, a separację przed opa można doposażyć w filtr symetryczny na fabrycznych cewkach zrównoważonych do wycinania >15kHz, Murata robi sporo takich gotowców w SMD.

Awatar użytkownika
Tomasz Gumny
-
-
Posty:685
Rejestracja:4 lut 2004, o 23:31
Lokalizacja:Trzcianka/Poznań

Re: Wykrywacz metali ze zrównoważoną indukcyjnością od podst

Postautor: Tomasz Gumny » 13 sie 2011, o 21:18

A jak będziesz zasilał to cudo, z żelówki 12V czy z szeregowej baterii akumulatorów?
Na razie z 6V akumulatora żelowego.
Z baterii da się zrobić odczep,
Takie rozwiązanie powoduje nierównomierne rozładowywanie ogniw.
[...] separację przed opa można doposażyć w filtr symetryczny na fabrycznych cewkach zrównoważonych do wycinania >15kHz, Murata robi sporo takich gotowców w SMD.
A taki filtr nie będzie cudował z fazą sygnału?

Awatar użytkownika
Tomasz Gumny
-
-
Posty:685
Rejestracja:4 lut 2004, o 23:31
Lokalizacja:Trzcianka/Poznań

Re: Wykrywacz metali ze zrównoważoną indukcyjnością od podst

Postautor: Tomasz Gumny » 13 sie 2011, o 22:59

Tak sobie przeglądam stronę AD i widzę:
:arrow: sporo wzmacniaczy audio klasy D o mocy 2..3W, które byłyby dużo efektywniejsze od LM386;
:arrow: stabilizatory Low-Drop, które dobrze znam i którym do stabilności wystarczy "anyCAP", czyli 1uF na wyjściu;
:arrow: ADM660, czyli odpowiednik ICL7660, MAX660 do wytworzenia -5V;
AD8302, ADG719, SSM2019, SSM2315*, ADP3303*, ADM660, (*-przykład) - jeszcze trochę a projekt zmieni się w świecącą reklamę Analog Devices... :D

traxman
-
-
Posty:215
Rejestracja:7 lip 2011, o 11:19

Re: Wykrywacz metali ze zrównoważoną indukcyjnością od podst

Postautor: traxman » 14 sie 2011, o 08:32

A w końcówce mocy zmieniasz amplitudę? Jeżeli nie to może dwa klucze MOS wystarczą do bezpośredniego sterowania cewka nadawczą.

Awatar użytkownika
Tomasz Gumny
-
-
Posty:685
Rejestracja:4 lut 2004, o 23:31
Lokalizacja:Trzcianka/Poznań

Re: Wykrywacz metali ze zrównoważoną indukcyjnością od podst

Postautor: Tomasz Gumny » 14 sie 2011, o 09:31

Był już L293D, ale prostokąt za bardzo "sieje" i na zboczach w cewce odbiorczej pojawiają się potężne szpilki. Trudno przewidzieć jak taki przebieg potraktuje AD8302. Amplituda sygnału nadawanego raczej nie będzie regulowana, bo najlepiej byłoby zawsze nadawać jak największy sygnał, ale trzeba zapewnić sensowny czas pracy wykrywacza przy akceptowalnej wadze akumulatora. Wzmacniacz klasy D byłby w pewnym sensie powrotem do sterowania przebiegiem prostokątnym, ale o zmiennym wypełnieniu i bardzo wysokiej częstotliwości w dodatku nie absorbującym procesora.

Awatar użytkownika
Tomasz Gumny
-
-
Posty:685
Rejestracja:4 lut 2004, o 23:31
Lokalizacja:Trzcianka/Poznań

Re: Wykrywacz metali ze zrównoważoną indukcyjnością od podst

Postautor: Tomasz Gumny » 14 sie 2011, o 20:57

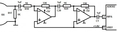
Jeśli uda mi się zdobyć SSM2019, to eksperymentalny tor odbiorczy będzie wyglądać tak:
preamp2.jpg
Wzmocnienie sięgające 70dB w połączeniu z +/-30dB wejść AD8302 powinno pozwolić na eksperymenty z obiektami wielkości monet.
Może ktoś ma pomysł na pozbycie się żyjątek z ziemi? Ukopałem wiaderko "gruntu", ale tyle zaczęło tego wybiegać, wychodzić i wypełzać, że ziemia wróciła na swoje miejsce.
Druga sprawa to jak zagłębiać w gruncie przedmioty wielkości dużych monet na płynnie regulowaną głębokość? Pionowy "szyb" raczej odpada, bo będzie zafałszowywał wyniki.

Awatar użytkownika
Tomasz Gumny
-
-
Posty:685
Rejestracja:4 lut 2004, o 23:31
Lokalizacja:Trzcianka/Poznań

Re: Wykrywacz metali ze zrównoważoną indukcyjnością od podst

Postautor: Tomasz Gumny » 15 sie 2011, o 09:33

W obecnej sondzie nie ma raczej możliwości wykonania odczepu na środku cewki RX. Czy są jakieś przeciwwskazania, żeby zastąpić odczep w ten sposób:
rxbezodczepu.jpg
rxbezodczepu.jpg (9.1KiB)Przejrzano 17022 razy

Awatar użytkownika
Piotr Piechota
-
-
Posty:35
Rejestracja:13 lip 2011, o 00:42

Re: Wykrywacz metali ze zrównoważoną indukcyjnością od podst

Postautor: Piotr Piechota » 15 sie 2011, o 12:18

Witam
Chyba tak można ale ja bym ten dzielnik umieścił przy cewce.

traxman
-
-
Posty:215
Rejestracja:7 lip 2011, o 11:19

Re: Wykrywacz metali ze zrównoważoną indukcyjnością od podst

Postautor: traxman » 15 sie 2011, o 18:51

Mam na stanie MP7220, to mały wzmacniacz mocy w klasie D, gdzieś nawet robiłem płytkę dla testów, chcesz?
MP8220.png

Awatar użytkownika
Tomasz Gumny
-
-
Posty:685
Rejestracja:4 lut 2004, o 23:31
Lokalizacja:Trzcianka/Poznań

Re: Wykrywacz metali ze zrównoważoną indukcyjnością od podst

Postautor: Tomasz Gumny » 15 sie 2011, o 20:48

Chyba tak można ale ja bym ten dzielnik umieścił przy cewce.
Zastanawiam się czy nie dałoby się tam przenieść całego przedwzmacniacza.
Mam na stanie MP7220, to mały wzmacniacz mocy w klasie D, gdzieś nawet robiłem płytkę dla testów, chcesz?
Zakładam, że chodzi o PM7720? Pierwszy raz słyszę o tej firmie! Na razie poczekajmy co odpowiedzą na zapytanie o kości AD.

Awatar użytkownika
Tomasz Gumny
-
-
Posty:685
Rejestracja:4 lut 2004, o 23:31
Lokalizacja:Trzcianka/Poznań

Re: Wykrywacz metali ze zrównoważoną indukcyjnością od podst

Postautor: Tomasz Gumny » 15 sie 2011, o 21:39

Przy założeniu, że źródłem sygnału nadawanego będzie wzmacniacz SE z kondensatorem na wyjściu, można by spróbować zasilanie dla SSM2019 pobierać z zacisków cewki TX. Przy dostatecznie dużej amplitudzie wystarczyłyby 2 diody Schottky (szybkie i o niskim spadku napięcia). Ostatecznie można nawet pomyśleć o powielaniu napięcia. Zbędna stałaby się przetwornica 7660 i nie przybyłoby kabli do sondy a te 10mA to ułamek tego co płynie do cewki TX.
zaspreamp.jpg
Jakieś przeciwwskazania?

traxman
-
-
Posty:215
Rejestracja:7 lip 2011, o 11:19

Re: Wykrywacz metali ze zrównoważoną indukcyjnością od podst

Postautor: traxman » 16 sie 2011, o 07:34

Niski poziom sygnału i zasilanie z w.cz to jakoś mnie nie przekonuje.

Awatar użytkownika
Tomasz Gumny
-
-
Posty:685
Rejestracja:4 lut 2004, o 23:31
Lokalizacja:Trzcianka/Poznań

Re: Wykrywacz metali ze zrównoważoną indukcyjnością od podst

Postautor: Tomasz Gumny » 16 sie 2011, o 11:20

Wprawdzie to w.cz to takie trochę m.cz., ale w sumie masz rację, bo tutaj tętnienia zasilania będą miały częstotliwość sygnału użytecznego. Z drugiej strony SSM2019 ma PSRR rzędu 120dB, więc gdyby wstawić w obu gałęziach zasilania po dodatkowym filtrze LC, to zapewne dałoby się zakłócenia odsunąć wystarczająco daleko.
psrr.jpg
psrr.jpg (11.62KiB)Przejrzano 16969 razy
A już myślałem, że wymyśliłem coś błyskotliwego... :D

Awatar użytkownika
Piotr Piechota
-
-
Posty:35
Rejestracja:13 lip 2011, o 00:42

Re: Wykrywacz metali ze zrównoważoną indukcyjnością od podst

Postautor: Piotr Piechota » 16 sie 2011, o 12:26

Tak sobie myślę, że w wykrywaczu to tętnienia o częstotliwości dokładnie sygnału nadawanego nie robią wiele złego.

Wróć do „Kity AVT”

Kto jest online

Użytkownicy przeglądający to forum: Obecnie na forum nie ma żadnego zarejestrowanego użytkownika i 18 gości