Aktyw Forum

Zarejestruj się na forum.ep.com.pl i zgłoś swój akces do Aktywu Forum. Jeśli jesteś już zarejestrowany wystarczy, że się zalogujesz.

Sprawdź punkty Zarejestruj się

Wykrywacz metali ze zrównoważoną indukcyjnością od podstaw

Krychu
-
-
Posty:14
Rejestracja:13 lip 2011, o 11:16
Re: Wykrywacz metali ze zrównoważoną indukcyjnością od podst

Postautor: Krychu » 13 lip 2011, o 15:12

Witam.

ID tonowa/tonalna jak tam kto chce, to inaczej dźwiękowa zdolność rozpoznawania przez detektor konduktywności metalu. Co za tym idzie, otrzymujemy ton wyższy w przypadku koloru i niższy w przypadku ferromagnetyku.

Nadal nie wie nikt jak ma wyglądać układ Pana wykrywacza :D Jeśli jednak byłby on wykonany cyfrowo, to nie byłoby żadnego problemu z zaprogramowaniem procka. Jeśli jednak analogowo... trzeba by wyciągnąć ostatnią fazę pracy na końcu układu dyskryminacji, gdzie jest do przetworzenia sygnał, jaki odpowiada danemu poziomowi napięć. Poszczególne sygnały zostaną wtedy zamienione na dane napięcia w dowolnym zakresie. Wtedy (jeśli chodzi o dwa tony, najprościej) można by napisać programik np. na AT90S2313 (który w zupełności wystarczy), który rozpoznawałby dany sygnał po napięciu i zamieniał go na odpowiedni ton. Najprościej wykorzystać tony o wysokościach 130 Hz i 950 Hz, tak by móc szybko "na ucho" rozróżnić, z jakim metalem mamy do czynienia. Oczywiście można się jeszcze pobawić w "bajery" typu LCD, aczkolwiek ID tonowa w zupełności wystarcza.

Pozdrawiam.

PS: Co do ID "głosowej" to miałem kiedyś GTI 2500, gdzie była taka gadająca baba i nazywało się to "Treasuer Talk" (ach jaka piękna nazwa "głos skarbu"). A mnie szla trafiał i najchętniej chciałem to wypier... Na szczęście dziś pod tym przyciskiem znajdziemy podświetlenie :D

Awatar użytkownika
Piotr Piechota
-
-
Posty:35
Rejestracja:13 lip 2011, o 00:42

Re: Wykrywacz metali ze zrównoważoną indukcyjnością od podst

Postautor: Piotr Piechota » 13 lip 2011, o 15:32

Czy chodzi o sygnał wynikający z niedoskonałego zrównoważenia sondy?
Właśnie o ten sygnał mi chodzi. W moi wykrywaczu to właśnie on ma największą amplitudę.

Awatar użytkownika
Tomasz Gumny
-
-
Posty:685
Rejestracja:4 lut 2004, o 23:31
Lokalizacja:Trzcianka/Poznań

Re: Wykrywacz metali ze zrównoważoną indukcyjnością od podst

Postautor: Tomasz Gumny » 13 lip 2011, o 15:42

Nadal nie wie nikt jak ma wyglądać układ Pana wykrywacza
Nawet ja. W przeciwieństwie do urządzeń fabrycznych możemy sobie pozwolić na ten luksus, żeby stosować rozwiązania techniczne na przyzwoitym poziomie. Na tym etapie użytkownik, to - za przeproszeniem - ledwie widoczna na horyzoncie przeszkadzajka.
Przy okazji: niedawno ukończyłem oprogramowanie regulatora CO, w którym 85% pamięci zajęło ustawianie parametrów przez użytkownika a zaledwie 10% algorytm regulacji. Najlepsze jest to, że ustawianie ma szanse być wywołane kilka razy w ciągu sezonu grzewczego, czyli kilkanaście razy w ciągu życia urządzenia...

Awatar użytkownika
Tomasz Gumny
-
-
Posty:685
Rejestracja:4 lut 2004, o 23:31
Lokalizacja:Trzcianka/Poznań

Re: Wykrywacz metali ze zrównoważoną indukcyjnością od podst

Postautor: Tomasz Gumny » 13 lip 2011, o 15:46

Właśnie o ten sygnał mi chodzi.
Chyba najprościej byłoby dodać do generatora wyjście sygnału COS o odwróconej fazie i odejmować od sygnału z cewki odbiorczej. Zakładam, że jest on zgodny fazowo z sygnałem TX?

Krychu
-
-
Posty:14
Rejestracja:13 lip 2011, o 11:16

Re: Wykrywacz metali ze zrównoważoną indukcyjnością od podst

Postautor: Krychu » 13 lip 2011, o 16:01

Jeśli już powstaną pierwsze "zalążki" schematu, po czym dojdziemy do sondy i jej równoważenia, służę pomocą.

Niewiele znam się teoretycznie na elektronice (jeśli wziąć pod uwagę najnowsze klocki, ich sposoby działania, itp)., ale jeśli chodzi o wykrywacz metali jest to taka konstrukcja, gdzie muszą zostać zachowane odpowiednie własności i nijak możemy to zmienić, choć elektronika wykrywacza może być różna i ewoluować (najlepszym przykładem jest chyba najnowszy XP DEUS). Tam, pomimo tego iż zastosowano "kontakt" wszystkich sekcji (panel-cewka-słuchawki) za pomocą transmisji 2,4 GHz, to i tak tamta cewka DD jest i pracuje tak samo, jak pracowały pierwsze DD w pierwszych wykrywaczach, które takową posiadały. Sam w życiu rozebrałem, nawijałem, stroiłem i równoważyłem wiele sond różnych producentów, tak więc jeśli mielibyście jakiekolwiek problemy praktyczne, proszę strzelać do mnie śmiało.

Pozdrawiam.

Awatar użytkownika
Tomasz Gumny
-
-
Posty:685
Rejestracja:4 lut 2004, o 23:31
Lokalizacja:Trzcianka/Poznań

Re: Wykrywacz metali ze zrównoważoną indukcyjnością od podst

Postautor: Tomasz Gumny » 13 lip 2011, o 16:36

[...] rozebrałem, nawijałem, stroiłem i równoważyłem wiele sond różnych producentów, tak więc jeśli mielibyście jakiekolwiek problemy praktyczne, proszę strzelać do mnie śmiało.
:D Na pewno przyda się Twoja pomoc, ale na razie trzeba sklecić schemat, który będzie mieć szanse poprawnie działać i nie będzie wprowadzał zbyt wielu ograniczeń.
Jeśli AD8302 sprawdzi się jako detektor amplitudy(wzmocnienia) i fazy, to mimo ceny 20$ warto będzie 2 takie układy zastosować. Natomiast mocno rosną wymagania na generator - musi już dawać:
:arrow: sygnał SIN dla cewki TX;
:arrow: sygnał COS jako przesunięty SIN (najlepiej o amplitudzie proporcjonalnej do SIN);
:arrow: sygnał GND mający taką fazę i amplitudę żeby tłumić odpowiedź od gruntu;
:arrow: sygnał NUL o przeciwnej fazie do SIN i regulowanej amplitudzie, służący do skompensowania sygnału wynikającego z niedokładnego zrównoważenia sondy.
Przy tym nie zaszkodziłaby możliwość przestrajania lub choćby przełączanie kilku częstotliwości.
Pierwotnie zakładałem, że będzie to jakiś I/Q-DDS Analoga, ale teraz byłyby to kolejne 2 kości po 25$. Raczej będzie trzeba zaprząc jakiegoś Atmela, w końcu powinien sobie poradzić z wygenerowaniem max 12kHz. Ciekawe czy na wejścia AD8302 można podawać przebiegi prostokątne i jak się wtedy zachowa moduł pomiaru wzmocnienia?

Awatar użytkownika
Piotr Piechota
-
-
Posty:35
Rejestracja:13 lip 2011, o 00:42

Re: Wykrywacz metali ze zrównoważoną indukcyjnością od podst

Postautor: Piotr Piechota » 13 lip 2011, o 17:02

Sygnał niedokładnego zerowania nie jest zgodny fazowo z TX co widać na oscylogramie "powietrze"

Awatar użytkownika
Tomasz Gumny
-
-
Posty:685
Rejestracja:4 lut 2004, o 23:31
Lokalizacja:Trzcianka/Poznań

Re: Wykrywacz metali ze zrównoważoną indukcyjnością od podst

Postautor: Tomasz Gumny » 13 lip 2011, o 17:13

Sygnał niedokładnego zerowania nie jest zgodny fazowo z TX co widać na oscylogramie "powietrze"
:? W powietrzu chyba nie powinno być przesunięcia! Masz jakiś filtr na wejściu?

Awatar użytkownika
Tomasz Gumny
-
-
Posty:685
Rejestracja:4 lut 2004, o 23:31
Lokalizacja:Trzcianka/Poznań

Re: Wykrywacz metali ze zrównoważoną indukcyjnością od podst

Postautor: Tomasz Gumny » 13 lip 2011, o 17:53

Ciekawe czy na wejścia AD8302 można podawać przebiegi prostokątne i jak się wtedy zachowa moduł pomiaru wzmocnienia?
I sam sobie odpowiem cytatem z Analog Dialogue (Volume 35, 2001) opisującym AD8302:
Laser trimming, first used for an RF log amp in the
AD640/641, and more recently in products such as the AD8306,
can provide very accurate calibration, using a sine-wave input
during calibration. However, while the use of the appropriate
conversion factor for a known waveform can maintain good
accuracy, there remains the basic problem of waveformdependence.
Przy okazji znalazłem pierwszy dokument, w którym AD8302 zastosowano w wykrywaczu, no prawie wykrywaczu: http://www.ncc.org.in/download.php?f=NC ... 8_A2_4.pdf

Awatar użytkownika
Piotr Piechota
-
-
Posty:35
Rejestracja:13 lip 2011, o 00:42

Re: Wykrywacz metali ze zrównoważoną indukcyjnością od podst

Postautor: Piotr Piechota » 13 lip 2011, o 18:32

W powietrzu chyba nie powinno być przesunięcia! Masz jakiś filtr na wejściu?
Filtry może w układzie nie ale może w oscyloskopie (10KHz) a sygnał z nadajnika nie jest sinusoidą.

Krychu
-
-
Posty:14
Rejestracja:13 lip 2011, o 11:16

Re: Wykrywacz metali ze zrównoważoną indukcyjnością od podst

Postautor: Krychu » 13 lip 2011, o 19:16

Ja jak zwykle, z innej beczki :D

Zanim powstanie schemat:

- jakie zasilanie?
- manualny/ręczny GB?
- LCD/brak wyświetlacza?
- ID jednotonowa/wielotonowa?
- dyskryminacja wybiórcza/ciągła?
- podbijanie sygnałów?
- Delta Sound?
- regulowany sygnał wiodący?
- częstotliwość pracy?
- możliwość zmiany częstotliwości pracy?
- filtry przeciwzakłóceniowe?

To chyba garść podstawowych pytań, jakie należałoby zadać sobie zanim będziemy mogli cokolwiek stworzyć...

Ja preferowałbym (z lekkim komentarzem):

- 2 x 9V 6F22 (niektórzy twierdzą, że lepiej 8 x AA, ale tak naprawdę koszty baterii nie są małe i wszyscy po pewnym czasie przesiądą się na akumulatorki, wtedy łatwiej i szybciej jest naładować 2 x 9V
- najlepiej automatyczny z możliwością korekty ręcznej
- najlepiej z LCD (bez wykrywacz będzie nieco szybszy)
- ID możliwie wielotonowa, aczkolwiek nie przesadzajmy - 3-tonowa spokojnie wystarczy
- wybiórcza + ciągła (wielkościowa) jedynie dla żelaza
- nie, ale jeśli chcielibyśmy mieć wyraźny sygnał na wszystko to przydałoby się
- zależnie od podbijania, jeśli na LCD nie byłoby pomiaru głębokości, to ta funkcja "na ucho" by się przydała
- tak
- jeśli miałby to być drobnicowiec, najlepiej na częstotliwości średniej, w granicach 7-13 kHz
- tak, ale przesterowanie wyłącznie o kilkaset Hz (jeśli miałyby zostać wyeliminowane zakłócenia od takiej samej maszyny obok)
- najlepiej tak, dużo osób chodzi pod liniami wysokiego napięcia gdzie inne detektory szaleją...

To jedynie garść informacji... przydatna do tego, aby zbudować w miarę skuteczny i dobry wykrywacz. Z tym także nie należy przesadzać, gdyż nie konstruujemy jakiegoś "monstrum"...

Pozdrawiam.

Awatar użytkownika
Tomasz Gumny
-
-
Posty:685
Rejestracja:4 lut 2004, o 23:31
Lokalizacja:Trzcianka/Poznań

Re: Wykrywacz metali ze zrównoważoną indukcyjnością od podst

Postautor: Tomasz Gumny » 13 lip 2011, o 20:29

[...]To chyba garść podstawowych pytań, jakie należałoby zadać sobie zanim będziemy mogli cokolwiek stworzyć...
Widzę, że nie odpuszczasz. :wink: Nie potrafię odpowiedzieć jednoznacznie na żadne pytanie, połowy nawet nie rozumiem. Zasilanie nie jest jeszcze określone, bo w dużym stopniu będzie zależeć od poboru prądu i napięć jakich będzie wymagała elektronika. Chciałbym żeby było kilka częstotliwości pracy, ale nie jestem pewny czy da się to zrobić. Generalnie obsługa powinna być bardziej przyciskami niż pokrętłami. Wyświetlacz LCD - raczej tak. Dźwięki będą generowane programowo, więc w zasadzie nie ma ograniczeń kiedy i jak ma piszczeć. Może poza zdrowym rozsądkiem i czasem jaki mogę poświęcić na stworzenie oprogramowania.

Krychu
-
-
Posty:14
Rejestracja:13 lip 2011, o 11:16

Re: Wykrywacz metali ze zrównoważoną indukcyjnością od podst

Postautor: Krychu » 13 lip 2011, o 21:02

Chciałbym żeby było kilka częstotliwości pracy, ale nie jestem pewny czy da się to zrobić.
Da. Tylko teraz czy te częstotliwości będą przełączane ręcznie, po czym dostrajanie do gruntu, czy po prostu pomiar będzie aktywny dla powiedzmy trzech częstotliwości - 3 kHz, 7 kHz i 19 kHz - i dane dotyczące konduktywności celu będą osobno wyświetlane dla każdej z tych częstotliwości? Tutaj wzoruję się na wykrywaczu Spectra V3i Whites'a. Myślę, że to jednak zbyt zaawansowany pomysł i nie byłby wymagany skok aż o te kilka kHz a jedynie kilkaset Hz, by wyeliminować ewentualne niestabilności pochodzące z otoczenia czy innego wykrywacza, który pracuje na częstotliwości zbliżonej do Twojego.

Zmianę częstotliwości można byłoby także dokonywać poprzez różnie zestrojone sondy i w zależności od tego, na jakiej częstotliwości pracowała by dana sonda, na takiej pracowałby i wykrywacz. Takie rozwiązanie zostało wykorzystane w wykrywaczach Minelab X-Terra 305/505/705.

Pozdrawiam.

Awatar użytkownika
Tomasz Gumny
-
-
Posty:685
Rejestracja:4 lut 2004, o 23:31
Lokalizacja:Trzcianka/Poznań

Re: Wykrywacz metali ze zrównoważoną indukcyjnością od podst

Postautor: Tomasz Gumny » 13 lip 2011, o 21:33

[...]Tutaj wzoruję się na wykrywaczu Spectra V3i Whites'a
6000,-
[...] Takie rozwiązanie zostało wykorzystane w wykrywaczach Minelab X-Terra 305/505/705.
1900..2500,-
Założyłem wstępnie, że nadajnik nie będzie rezonansowy. Wiąże się to z większym poborem prądu, ale nie ma potrzeby "przestrajania" sondy. Jeśli jednak okaże się konieczne zrobienie sondy rezonansowej, to dodamy pojemność ostatecznie nawet z jednym lub dwoma przekaźnikami. Wolałbym jednak tego uniknąć.

Awatar użytkownika
Tomasz Gumny
-
-
Posty:685
Rejestracja:4 lut 2004, o 23:31
Lokalizacja:Trzcianka/Poznań

Re: Wykrywacz metali ze zrównoważoną indukcyjnością od podst

Postautor: Tomasz Gumny » 13 lip 2011, o 22:46

W zasadzie nie widzę przeciwwskazań, żeby naprzemiennie używać tego samego toru do pomiaru fazy i amplitudy sygnału eliminacji gruntu (RX i GROUND na wejściu AD8302) oraz od obiektu (RX i COS na wejściu AD8302). Oba pomiary mógłby odejmować procesor już po przetworzeniu analogowo-cyfrowym.
blok3.jpg
Zaletą takiego rozwiązania jest to, że do obu pomiarów wykorzystujemy ten sam tor, no i oszczędzamy jedną kostkę (i kilkanaście mA), Wadą, że sygnał od gruntu i obiektu nie jest odczytywany równocześnie. W dodatku trzeba starannie dobrać kondensatory filtrujące na wyjściu AD8302 tak, żeby filtrowanie działało od kilku kHz w górę, ale równocześnie napięcie na nich zdążyło się ustalić w ciągu kilku...kilkunastu ms (co tyle trzeba by przełączać kanały).
Dorysowałem też zerowanie sondy (symbolicznie).

Awatar użytkownika
Tomasz Gumny
-
-
Posty:685
Rejestracja:4 lut 2004, o 23:31
Lokalizacja:Trzcianka/Poznań

Re: Wykrywacz metali ze zrównoważoną indukcyjnością od podst

Postautor: Tomasz Gumny » 14 lip 2011, o 20:36

Zaczynają się problemy. Okazuje się, że wytwórcy płytek trudno będzie zachować założoną szerokość ścieżek i odstępów (8/8milsów) na tak długich jednorodnych odcinkach. Z kolei znaczne poszerzenie ścieżek i odstępów w zasadzie uniemożliwia zachowanie wymaganego stosunku części wspólnej cewek do całkowitej powierzchni sondy. Zatem z sondą wracamy do punktu wyjścia.
Może jest to dobra okazja, żeby jeszcze raz zastanowić się nad konfiguracją cewek w sondzie. Teraz widzę, że np. w sondzie koncentrycznej możliwość dodania izolowanego uzwojenia "zerującego" mogłoby znacznie uprościć elektroniczny układ zerowania.
Może ktoś się spotkał z jakimiś wiarygodnymi materiałami na temat projektowania sond koncentrycznych? Najlepiej na pcb. :)
A może są jakieś konfiguracje cewek, które w połączeniu z precyzją jaką zapewnia technologia pcb od razu zapewnią zrównoważenie sondy? Teraz nie mogę tego odnaleźć, ale gdzieś widziałem na przykład taki układ cewek :
sonda4.jpg
sonda4.jpg (26.84KiB)Przejrzano 16418 razy
Wykonanie takiej sondy z drutu mija się z celem, bo trudno byłoby zrobić 4 identyczne cewki RX, ale już na pcb to nie jest problemem.

Awatar użytkownika
Tomasz Gumny
-
-
Posty:685
Rejestracja:4 lut 2004, o 23:31
Lokalizacja:Trzcianka/Poznań

Re: Wykrywacz metali ze zrównoważoną indukcyjnością od podst

Postautor: Tomasz Gumny » 15 lip 2011, o 15:16

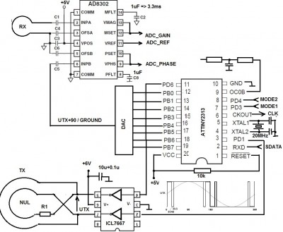
Namalowałem wstępnie taki schemat:
sch2.jpg
Będę go po kolei opisywał i liczę na uwagi.
1. Cewka nadawcza jest zasilana bipolarnym przebiegiem prostokątnym. Dla ograniczenia wyższych harmonicznym zamierzam nadawać przebieg zmodyfikowany, który ogranicza do minimum 3- i 5-harmoniczną (przełączenie następuję przy 23.62° i 33.3°). Ten przebieg jest bazowy i generowany przez procesor.
2. Tor odbiorczy pracuje naprzemiennie w dwóch fazach, przełączanie co ~5ms. W czasie obu faz na wejście INPA jest podawany sygnał z cewki odbiorczej. Na początek bezpośrednio, bo wejścia INPA/INPB:
-akceptują sygnał w zakresie od –73dBV (223μV do –13dBV (223mV) przy INPB ma poziomie -43dBv (7.08mV);
-mają impedancję wejściową ~3kΩ;
-są zabezpieczone przed przepięciami.
Na wejście INPB jest podawany sygnał sinusoidalny (generowany cyfrowo przez procesor i DAC) o ustawianym przesunięciu fazy względem sygnału wysyłanego do cewki TX i regulowanej amplitudzie (np. z wyjścia OC0B procesora). Dane regulacyjne przychodzą po linii SDATA z procesora zarządzającego.
Zależnie od trybu (ustawianego wejściami MODE1/2) na wejście INPB jest podawany:
-w fazie 1: sygnał o takiej fazie i amplitudzie, który na etapie "dostrajania do gruntu" dał najmniejsze napięcie na wyjściu ADC_GAIN, czyli najlepiej "eliminował wpływ gruntu";
-w fazie 2: wersja sinusoidalna sygnału sygnału nadawanego w TX przesunięta o 90°.
Dodane1:
Generowanie sinusoidalnego przebiegu dla INPB byłoby eleganckim, ale chyba trochę rozrzutnym rozwiązaniem. DAC-e z wejściem równoległym, raczej tylko takie są wchodzą w rachubę, są drogie i/lub wymagają symetrycznego zasilania (jeśli się da, chciałbym tego uniknąć). Zatem prawdopodobnie na INPB będzie podawany sygnał prostokątny.
Ostatnio zmieniony 15 lip 2011, o 19:57 przez Tomasz Gumny, łącznie zmieniany 2 razy.

Krychu
-
-
Posty:14
Rejestracja:13 lip 2011, o 11:16

Re: Wykrywacz metali ze zrównoważoną indukcyjnością od podst

Postautor: Krychu » 15 lip 2011, o 15:19

Witam.

Sonda na PCB faktycznie może okazać się złym pomysłem, jeśli w grę wchodzi taka dokładność. Czy aby faktycznie nie prościej będzie wykonać cewki tradycyjną metodą (drut) i w tradycyjnej, koncentrycznej/DD konfiguracji je ułożyć? Taki układ cewek jak na rysunku wyżej występuje w wykrywaczach wojskowych, do min, bodaj NATO DHPM-1A. To jest jednak wykrywacz impulsowy i nijak praca takiej cewki będzie się miała do Pana, cyfrowego wykrywacza do monet. Bo np., jak z namierzaniem?

Pozdrawiam.

Awatar użytkownika
Tomasz Gumny
-
-
Posty:685
Rejestracja:4 lut 2004, o 23:31
Lokalizacja:Trzcianka/Poznań

Re: Wykrywacz metali ze zrównoważoną indukcyjnością od podst

Postautor: Tomasz Gumny » 15 lip 2011, o 15:26

[..]Czy aby faktycznie nie prościej będzie wykonać cewki tradycyjną metodą (drut) i w tradycyjnej, koncentrycznej/DD konfiguracji je ułożyć?
Powiedz to serwisowi AVT, który będzie dostawał niedziałające wykrywacze z cewką nawiniętą na kolanie... :wink:
PCB zostaje, tylko muszę się podszkolić - nadal szukam materiałów.

Awatar użytkownika
Tomasz Gumny
-
-
Posty:685
Rejestracja:4 lut 2004, o 23:31
Lokalizacja:Trzcianka/Poznań

Re: Wykrywacz metali ze zrównoważoną indukcyjnością od podst

Postautor: Tomasz Gumny » 15 lip 2011, o 23:23

sch3.jpg
Przy założeniu, że na wejście INPB podajemy przebieg prostokątny, układ się sporo upraszcza. Dla pełnego wykorzystania zakresu dynamiki AD8302, sygnał "referencyjny" REF podawany na INPB musi mieć stały poziom -43dBV (7.08mVrms), czyli dla prostokąta będzie to amplituda 14.16mVpp.
Z procesora nadrzędnego po SPI przychodzi tylko wartość przesunięcia fazy przebiegu REF względem TX.
Ciągle kusi mnie wykorzystanie tego, że AD8302 mierzy stosunek INPA/INPB. Oznacza to, że gdy amplituda napięcia podawanego na cewkę nadawczą się zmieni (np. wskutek rozładowania baterii) i równocześnie zmieni się proporcjonalnie amplituda sygnału REF, to napięcie na wyjściu ADC_GAIN powinno pozostać takie samo. Temu ma służyć ten fikuśny sposób zasilania procesora ATTINY25 z dzielnika napięcia zasilającego cewkę TX.
ATTINY25 jest taktowany przebiegiem zegarowym z procesora nadrzędnego. Zmiana częstotliwości tego przebiegu wpływa wprost na częstotliwość TX, ale wszystkie zależności fazowe pozostawia bez zmian.

Wróć do „Kity AVT”

Kto jest online

Użytkownicy przeglądający to forum: Obecnie na forum nie ma żadnego zarejestrowanego użytkownika i 22 gości