Aktyw Forum
Zarejestruj się na forum.ep.com.pl i zgłoś swój akces do Aktywu Forum. Jeśli jesteś już zarejestrowany wystarczy, że się zalogujesz.
Sprawdź punkty Zarejestruj sięUzupelnienia do projektu "komputer samochodowy" AVT434
Moderatorzy:Jacek Bogusz, Grzegorz Becker, procesorowiec, robertw, Moderatorzy
warto byłoby poprawić schemat pod ten s65,
może ktoś zrobi odpowiednie poprawki na schemacie z lcd nokii?
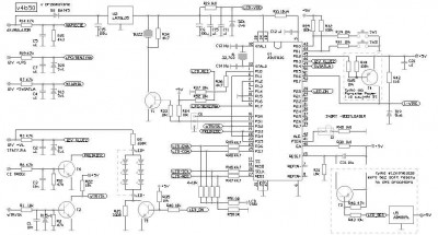
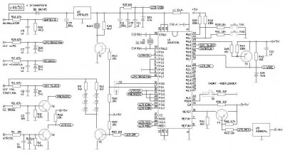
zamieszczam tu zaktualizowany schemat pod wersję 4b50,
oczywiście wszystkie elementy tu są przewlekane,
komputerek wg tego schematu już jeździ w samochodzie,
więc błędów na schemacie nie powinno być, boję się napisać "nie ma" bo np nie wiem jak to jest z pinem 11 aduc, na płytce jest w powietrzu a na schemacie oryginalnym (i moim) jest do masy, nie wiem również jak w oryginale oznaczony jest rezystorek podciągający pin TxD bootloadera do plusa, tak samo nie wiedziałem jak oznaczyć i nie umieściłem na schemacie opornika 300R w regulacji jasności świecenia diód, ja je u siebie mam podłączone do pozycyjnych więc nie działa u mnie ta regulacja ani opcje załączania.
Może jeszcze jakieś uwagi do tego schematu ?
jak tu wykażecie jakieś zangażowanie to wam narysuję aktualizację pod S65
może ktoś zrobi odpowiednie poprawki na schemacie z lcd nokii?
zamieszczam tu zaktualizowany schemat pod wersję 4b50,
oczywiście wszystkie elementy tu są przewlekane,
komputerek wg tego schematu już jeździ w samochodzie,
więc błędów na schemacie nie powinno być, boję się napisać "nie ma" bo np nie wiem jak to jest z pinem 11 aduc, na płytce jest w powietrzu a na schemacie oryginalnym (i moim) jest do masy, nie wiem również jak w oryginale oznaczony jest rezystorek podciągający pin TxD bootloadera do plusa, tak samo nie wiedziałem jak oznaczyć i nie umieściłem na schemacie opornika 300R w regulacji jasności świecenia diód, ja je u siebie mam podłączone do pozycyjnych więc nie działa u mnie ta regulacja ani opcje załączania.
Może jeszcze jakieś uwagi do tego schematu ?
jak tu wykażecie jakieś zangażowanie to wam narysuję aktualizację pod S65
Ostatnio zmieniony 12 maja 2007, o 20:56 przez fachman, łącznie zmieniany 2 razy.
Na początek, witam wszystkich tu zgromadzonych bądź zainteresowanych....mam problem z zaprogramowaniem mikroprocesora....(wiem że temat był drążony ale....) Resetting part -failed....taki oto komunikat pojawia się przy próbie zaprogramowania układu....wsystkie ustawienia są ok....a nic się nie dzieje..... 
Proszę bardzo,Witam, fachman czy istneje możliwość wstawienia projektu płyki pcb (elementy przewlekane) ale w lustrzanym odbiciu? Z góry serdeczne dzięki.
Pozdrawiam.
rozmieszczenie elementów też lustro,
wydrukować i przenieść tak jak robi się druk, sprawdzone,
dobrze wychodzi, opisy jak z fabryki
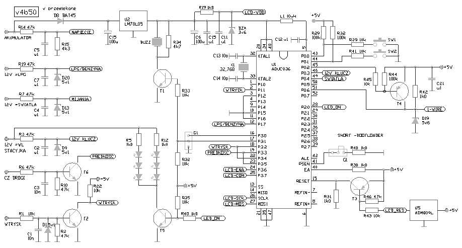
To jest wesja pod wyświetlacz n3310,
zapodałem wyżej schemat najnowszej wersji nad którą pracuje darekk
ale jest tam jeszcze kilka nieścisłości które trzeba wyjaśnić przez projektowaniem płytki:
1. czy napewno nie potrzebne kondensatorki 10pF przy kwarcu
2. na które piny ma trafić sygnał /WTRYSK było na 2-18-22 zostało 2-18
3. to samo z sygnałem prędkość, było 19-23 jest 19
4. czy nie dać szeregowego opornika między pin28 LED_ON a bazą T5
5. czy rezystor R34 coś daje? jak zastosowałem beepery z płyty głównej to musiałem go usunąć, a głośność mam jak z brzęczyka mojego kompa oryginalnie zamomtowanego w aucie, taki oiezo od zegarka na ręke to raczej nieporozumienie
6. rezystory R50 i R51 nie mogą być jednocześnie wlutowane, więc chyba jak dajemy R51 to nie montujemy R50 ??
7. zamiast scalaka i tranzystora jest teraz kondensator C31 i chwała za to, ale czy możesz nam zdradzić które wersje softu obsługują reset programowo poprzez pin1 procesora? w opisie podłączenia s50 pokazujesz że pin1 łaczymy kabelkiem, więc domniemam że w wersjach softu na n5110 pin1 jest jeszcze nie wykorzystany
8. czujniki temperatury, nie wszystkie są typu parasite power i dają się podłączyć 2 kabelkami, te które wymagają zasilania +VDD nie wymagają tego tranzystora T4,
jak to działa w praktyce dowiemy się wkrótce, mam już 2 czujniki, wkrótce dołoże kolejne i sprawdzę jak chodzi na 4 czujnikach, niestety u mnie wszystkie są Parasite Power i ten T4 mam zamontowany na płytce, także nie będę mogł sprawdzić czy można go nie montować podłączając czujniki na 3 przewody
To tyle uwag do wersji 4b50/s50
- Załączniki
-
- 836v26.rar
- (96.57KiB)Pobrany 456 razy
Zauwazylem ostatnio ze problemem braku komunikacji z bootloaderem moga byc problemy z kwarcem. Po przylutowaniu obudowy kwarcu (czyli podgrzaniu go dosc mocno) slychac ze bootloader zglasza sie skrzekiem buzerka, ale program na PC nie moze sie z nim skomunikowac.
A teraz odpowiedzi na pytania :
1. czy napewno nie potrzebne kondensatorki 10pF przy kwarcu
DAREKK- moje doswiadczenia praktyczne mowia ze nie sa potrzebne wiec zrezygnowalem z nich
2. na które piny ma trafić sygnał /WTRYSK było na 2-18-22 zostało 2-18
DAREKK- tylko 2 i 18 sa wykorzystanewiec tylko te zostawilem
3. to samo z sygnałem prędkość, było 19-23 jest 19
DAREKK- j/w
4. czy nie dać szeregowego opornika między pin28 LED_ON a bazą T5
DAREKK- tak mozna , ja po prostu o nim zapomnialem, choc nie jest on niezbedny.
5. czy rezystor R34 coś daje? jak zastosowałem beepery z płyty głównej to musiałem go usunąć, a głośność mam jak z brzęczyka mojego kompa oryginalnie zamomtowanego w aucie, taki piezo od zegarka na ręke to raczej nieporozumienie
DAREKK-R34 (na moim oryginalnym schemacie) ogranicza prad w razie zwarcia buzera lub gdy buzer ma bardzo niska rezystancje, tak w zasadzie to nic po za tym. Ja stosuje CFD06 z maritex (bez generatora) i piszcza ladnie. Stosowalem tez z generatorem na 5V i tez bylo dobrze. Wazne zeby buzer lub blaszka piezzo byla na napiecie 5V lub mniejsze, bo jak bedzie na np. 12V to moze piszczec slabo
R34 na twoim schemacie jest potrzebny tylko gdy podlaczamy gola blaszke piezzo
6. rezystory R50 i R51 nie mogą być jednocześnie wlutowane, więc chyba jak dajemy R51 to nie montujemy R50 ??
DAREKK- tak oczywiscie . to byla opcja zeby moc podlaczyc 4x20 a wtedy potrzebne sa podpiecia do plusa.
To samo jest z R27 i R52. Dla wersji S65 tylko R27 lub nawet bez niego, dla wersji 4x20 tylko R52
7. zamiast scalaka i tranzystora jest teraz kondensator C31 i chwała za to, ale czy możesz nam zdradzić które wersje softu obsługują reset programowo poprzez pin1 procesora? w opisie podłączenia s50 pokazujesz że pin1 łaczymy kabelkiem, więc domniemam że w wersjach softu na n5110 pin1 jest jeszcze nie wykorzystany
DAREKK- tylko wersja S65 uzywa pin 1 do resetu LCD, w wersji 4x20 ten pin jest uzuwany jako jedna z danych . Moge dorobic tez w wersji N5110 sterowanie resetu z tego pinu
8. czujniki temperatury, nie wszystkie są typu parasite power i dają się podłączyć 2 kabelkami, te które wymagają zasilania +VDD nie wymagają tego tranzystora T4,
DAREKK- nie rozumiem wypowiedzi. WSZYSTKIE DS18B20 mozna podlaczyc jako parasite power do mojego ukladu (podaje twarde 5v na czas konwersji). Po co ciagnac 5V z komputerka po samochodzie trzecim kabelkiem ?
A swoja droga zastosowanie R19 i DZ4 zamiast mojego ukladu 3 szeregowych diod generuje staly pobor pradu okolo 1.5mA *24h to w ciagu doby wyciagnie dodatkowo z akumulatora samochodu 36mAh. Niby nie duzo ale po tygodniu to juz bedzie 252mAh itd.
do tego dolozy sie 78L05 okolo 2..3mA stalego poboru i razem dziennie wypija okolo 100mAh, po tygodniu 0.7Ah. To takie rozwazania nocne....
A teraz odpowiedzi na pytania :
1. czy napewno nie potrzebne kondensatorki 10pF przy kwarcu
DAREKK- moje doswiadczenia praktyczne mowia ze nie sa potrzebne wiec zrezygnowalem z nich
2. na które piny ma trafić sygnał /WTRYSK było na 2-18-22 zostało 2-18
DAREKK- tylko 2 i 18 sa wykorzystanewiec tylko te zostawilem
3. to samo z sygnałem prędkość, było 19-23 jest 19
DAREKK- j/w
4. czy nie dać szeregowego opornika między pin28 LED_ON a bazą T5
DAREKK- tak mozna , ja po prostu o nim zapomnialem, choc nie jest on niezbedny.
5. czy rezystor R34 coś daje? jak zastosowałem beepery z płyty głównej to musiałem go usunąć, a głośność mam jak z brzęczyka mojego kompa oryginalnie zamomtowanego w aucie, taki piezo od zegarka na ręke to raczej nieporozumienie
DAREKK-R34 (na moim oryginalnym schemacie) ogranicza prad w razie zwarcia buzera lub gdy buzer ma bardzo niska rezystancje, tak w zasadzie to nic po za tym. Ja stosuje CFD06 z maritex (bez generatora) i piszcza ladnie. Stosowalem tez z generatorem na 5V i tez bylo dobrze. Wazne zeby buzer lub blaszka piezzo byla na napiecie 5V lub mniejsze, bo jak bedzie na np. 12V to moze piszczec slabo
R34 na twoim schemacie jest potrzebny tylko gdy podlaczamy gola blaszke piezzo
6. rezystory R50 i R51 nie mogą być jednocześnie wlutowane, więc chyba jak dajemy R51 to nie montujemy R50 ??
DAREKK- tak oczywiscie . to byla opcja zeby moc podlaczyc 4x20 a wtedy potrzebne sa podpiecia do plusa.
To samo jest z R27 i R52. Dla wersji S65 tylko R27 lub nawet bez niego, dla wersji 4x20 tylko R52
7. zamiast scalaka i tranzystora jest teraz kondensator C31 i chwała za to, ale czy możesz nam zdradzić które wersje softu obsługują reset programowo poprzez pin1 procesora? w opisie podłączenia s50 pokazujesz że pin1 łaczymy kabelkiem, więc domniemam że w wersjach softu na n5110 pin1 jest jeszcze nie wykorzystany
DAREKK- tylko wersja S65 uzywa pin 1 do resetu LCD, w wersji 4x20 ten pin jest uzuwany jako jedna z danych . Moge dorobic tez w wersji N5110 sterowanie resetu z tego pinu
8. czujniki temperatury, nie wszystkie są typu parasite power i dają się podłączyć 2 kabelkami, te które wymagają zasilania +VDD nie wymagają tego tranzystora T4,
DAREKK- nie rozumiem wypowiedzi. WSZYSTKIE DS18B20 mozna podlaczyc jako parasite power do mojego ukladu (podaje twarde 5v na czas konwersji). Po co ciagnac 5V z komputerka po samochodzie trzecim kabelkiem ?
A swoja droga zastosowanie R19 i DZ4 zamiast mojego ukladu 3 szeregowych diod generuje staly pobor pradu okolo 1.5mA *24h to w ciagu doby wyciagnie dodatkowo z akumulatora samochodu 36mAh. Niby nie duzo ale po tygodniu to juz bedzie 252mAh itd.
do tego dolozy sie 78L05 okolo 2..3mA stalego poboru i razem dziennie wypija okolo 100mAh, po tygodniu 0.7Ah. To takie rozwazania nocne....
no właśnie, też tak myślałem ale okazuje się że nie wszystkie DS18b20 mają zaimplementowany Parasite Power, spójrz np na Related Products na samym dole tej noty:...
8. czujniki temperatury, nie wszystkie są typu parasite power i dają się podłączyć 2 kabelkami, te które wymagają zasilania +VDD nie wymagają tego tranzystora T4,
DAREKK- nie rozumiem wypowiedzi. WSZYSTKIE DS18B20 mozna podlaczyc jako parasite power do mojego ukladu (podaje twarde 5v na czas konwersji). Po co ciagnac 5V z komputerka po samochodzie trzecim kabelkiem ?
....
http://www.maxim-ic.com/quick_view2.cfm/qv_pk/2812
dla producenta DS18b20 i DS18b20-PAR to dwa różne układy,
wydaje mi się że wdrożyłeś światowy patent z tym tranzystorem i zwykłe układy chodzą u ciebie tylko na 2 liniach
zenerką chciałem zrobić to rozwiązanie uniwersalnym,...
A swoja droga zastosowanie R19 i DZ4 zamiast mojego ukladu 3 szeregowych diod generuje staly pobor pradu okolo 1.5mA *24h to w ciagu doby wyciagnie dodatkowo z akumulatora samochodu 36mAh. Niby nie duzo ale po tygodniu to juz bedzie 252mAh itd.
do tego dolozy sie 78L05 okolo 2..3mA stalego poboru i razem dziennie wypija okolo 100mAh, po tygodniu 0.7Ah.
dobierając rezystorem szeregowym prąd w granicach 1-2,5mA możemy w ten sposób uzyskać praktycznie dowolne napięcie z zakresu 2,5-3,9v chociaż po drodze mamy tylko popularne wartości zenerek 2v7, 3v0, 3v3, 3v6, 3v9,
ale cały czas zastanawiam się czy wogóle zamiast 78L05 nie dać stabilizatora na 3,0 czy 3,3v tak aby proca zasilać identycznym napięciem jak wyświetlacz
wtedy jak mi się wydaje 5v potrzebne by było na procesorze tylko w czasie programowania, ale są przecież dostępne mutacje MAX232 które pracują z poziomem napięć rzędu 3v albo wręcz są zasilane takim napięciem, może jest ktoś na forum kto ma więcej praktyki z programowaniem układów 3v ??
ta zenerka na 3v to nie jedyny punkt gdzie nie płakałem nad uciekającymi miliamperami, zastosowałem dodatkowe 3 szt zenerek na pinach wykrywających obecność 12v zmniejszając jednocześnie wartość rezystorów z 47k do 10k. Zmieniając zasilanie proca na 3v te zenerki trzeba zmniejszyć na 3v0,
uzasadniam swoje zmiany jednym pytaniem: dlaczego po obfitym deszczu jedne autka jeżdżą tylko na lawecie, inne muszą wyschnąć a jeszcze inne nawet nie zauważają że pada deszcz ??
przydałoby się, generalnie przestałby istnieć problem scalaka resetu, parę osób interesuje się płytką jednostronną a to jak wiadomo otwiera większe możliwości jeśli chodzi o rozwój bo można wykonać pojedyncze sztuki, osobiście sprawdziłem że da się ją wykonać za pomocą papieru termotransferowego, dodatkowo tym samym papierem uzyskałem piękny opis płytki...
DAREKK- tylko wersja S65 uzywa pin 1 do resetu LCD, w wersji 4x20 ten pin jest uzuwany jako jedna z danych . Moge dorobic tez w wersji N5110 sterowanie resetu z tego pinu
to tyle, idę spać...
w DS18b20-PAR 3cia noga to NC, w pdf'ie od DS18b20 napisali że można zasilać go "PARASITE-POWERED", jest też schemat z tranzystorem (nie wiem czy ten sam bo dawno nie widziałem tego z komputera)no właśnie, też tak myślałem ale okazuje się że nie wszystkie DS18b20 mają zaimplementowany Parasite Power, spójrz np na Related Products na samym dole tej noty:
http://www.maxim-ic.com/quick_view2.cfm/qv_pk/2812
dla producenta DS18b20 i DS18b20-PAR to dwa różne układy,
wydaje mi się że wdrożyłeś światowy patent z tym tranzystorem i zwykłe układy chodzą u ciebie tylko na 2 liniach![]()
chyba już wiem na czym polega różnica,[...
w DS18b20-PAR 3cia noga to NC, w pdf'ie od DS18b20 napisali że można zasilać go "PARASITE-POWERED", jest też schemat z tranzystorem (nie wiem czy ten sam bo dawno nie widziałem tego z komputera)
wygląda że wersja DS18b20P jest zubożoną wersją DS18b20
tylko ta wersja bez literki P na końcu może być zasilana z Vdd i może się obejść bez tego tranzystora podciągającego, oznaczonego w nocie jako Strong PullUp
O 3V tez myslalem, ale wtedy ds18b20 nie ma z czego zasilic. Wszystko inne by pracowalo. Procek mozna programowac przy 3V i to max232, trzeba by tylko max232 zasilic z wytworzonego z linii RS232 napiecia i dac 2 szeregowe oporniki np 1k pomiedzy max232 i aduc836.
Trzeba by miec tez dodatkowe 5V do 1wire.
A tak swoja droga to w moim ukladzie w samochodzie nie ma tranzystora podciagajace do zasilanie dla 1wire. moje 2 czujniki pracuja tylko na 1k oporniku, ale w/g noty katalogowej to sa troche przeciazone w czasie gdy przywieraja linie do masy oraz napiecie spada na linii w czasie konwersji temperatury.
W nastepnej wersji bedzie ten reset dlaN5110.
Trzeba by miec tez dodatkowe 5V do 1wire.
A tak swoja droga to w moim ukladzie w samochodzie nie ma tranzystora podciagajace do zasilanie dla 1wire. moje 2 czujniki pracuja tylko na 1k oporniku, ale w/g noty katalogowej to sa troche przeciazone w czasie gdy przywieraja linie do masy oraz napiecie spada na linii w czasie konwersji temperatury.
W nastepnej wersji bedzie ten reset dlaN5110.
odnośnie wersji 4b50 na lcd 4x20
witam !
tez składam komputerek z takim wyswietlaczem i pisałem e-maila do Darekk ,odpisał cytuje "Na razie wersja 4b50 nie jest dostepna dla lcd 4x20. pracuje nad tym.
Mozna podlaczyc 4 czujniki i zdefiniowac ktory jest od temp zew, ktory od wew, a ktory jest dodatk1 i dodatk2".Pozostaje nam czekac kolego mysioo.
tez składam komputerek z takim wyswietlaczem i pisałem e-maila do Darekk ,odpisał cytuje "Na razie wersja 4b50 nie jest dostepna dla lcd 4x20. pracuje nad tym.
Mozna podlaczyc 4 czujniki i zdefiniowac ktory jest od temp zew, ktory od wew, a ktory jest dodatk1 i dodatk2".Pozostaje nam czekac kolego mysioo.
Darku, jako że prosiłeś kiedyś o stałe wtrysku i drogi podam je, natomiast nie ma sensu podawanie stałej dla drogi.
Po setkach testów stwierdzam, że przy wersji specjalnej nawet ciśnienie w oponach ma znaczenie
Wczoraj zmieniałem kontaktron i droga ze stałej 159 zmieniła się na 129.
Wtrysk: 39527
Daewoo Matiz, 4.50 Siemens S65 oczywiście.
Acha - dlaczego kolory się zmieniają - od czego to zależy? Zaobserwowałem w nocy w sobotę.
Pamiętam tylko, że z zielonego zrobił się fioletowy
Pozdrawiam
EDIT:
Darku, propozycja - możesz doprogramować graficzne wskazania chwilowego, średniego spalania, prędkości, zmian temperatury, itd?
Wykres przesuwałby się np co 1s.
Podobne rozwiązanie jest w Nissanie Micra K12 i wygląda świetnie.
Po setkach testów stwierdzam, że przy wersji specjalnej nawet ciśnienie w oponach ma znaczenie
Wczoraj zmieniałem kontaktron i droga ze stałej 159 zmieniła się na 129.
Wtrysk: 39527
Daewoo Matiz, 4.50 Siemens S65 oczywiście.
Acha - dlaczego kolory się zmieniają - od czego to zależy? Zaobserwowałem w nocy w sobotę.
Pamiętam tylko, że z zielonego zrobił się fioletowy
Pozdrawiam
EDIT:
Darku, propozycja - możesz doprogramować graficzne wskazania chwilowego, średniego spalania, prędkości, zmian temperatury, itd?
Wykres przesuwałby się np co 1s.
Podobne rozwiązanie jest w Nissanie Micra K12 i wygląda świetnie.
Co do kolorow to nie mam pojecia. Napisz cos wiecej, w ktorej linijce , czy na stale, jaki ekran zjawil sie po przekreceniu kluczyka, czy pozostale kolory byly ok itp.
Co do graficznego przedstawienia to nie wiem czy da rade, to jest bardzo slaby procesor z mala iloscia pamieci, ale pomysle co da sie zrobic.
Opisz to dokladnie jak to wyglada, moze jakies fotki ?
Co do graficznego przedstawienia to nie wiem czy da rade, to jest bardzo slaby procesor z mala iloscia pamieci, ale pomysle co da sie zrobic.
Opisz to dokladnie jak to wyglada, moze jakies fotki ?
Było późno - 2-ga nad ranem. Najpierw myślałem, że to przyczyna wczesnej godziny, ale nie miałem zegarka ustawionego
Miałem też niskie napięcie aku - 11V, bo siedziałem w aucie od 9-tej rano
Zgłosił się ekranem podstawowym i pamiętam tylko tyle, że śr czas i śr spalanie było fioletowe zamiast zielonego.
Co do grafiki - nie mówię o zaawansowanych wyświetlanych parametrach, sama informacja o parametrze, np l/100km, oś x i y, na y zmieniające się spalanie (górna wartość uśredniana co np 1s i rysowany wykres też). Domyślnie 5,10,15 a gdy spalanie wzrośnie powyżej 15, to górna granica zwiększy się np do 50. Na x oczywiście czas.
Mam nadzieję, że w miarę jasno to wyraziłem
Komputerek ma tendencję do wrzucania od czasu do czasu "śmieci" na ekran i trwa to zwykle cykl odczytu, po odświeżeniu wartości, śmieci znikają. To przypadkowe piksele, grupy pikseli w różnych kolorach.
BTW - komp robi piorunujące wrażenie na oglądających
Miałem też niskie napięcie aku - 11V, bo siedziałem w aucie od 9-tej rano
Zgłosił się ekranem podstawowym i pamiętam tylko tyle, że śr czas i śr spalanie było fioletowe zamiast zielonego.
Co do grafiki - nie mówię o zaawansowanych wyświetlanych parametrach, sama informacja o parametrze, np l/100km, oś x i y, na y zmieniające się spalanie (górna wartość uśredniana co np 1s i rysowany wykres też). Domyślnie 5,10,15 a gdy spalanie wzrośnie powyżej 15, to górna granica zwiększy się np do 50. Na x oczywiście czas.
Mam nadzieję, że w miarę jasno to wyraziłem
Komputerek ma tendencję do wrzucania od czasu do czasu "śmieci" na ekran i trwa to zwykle cykl odczytu, po odświeżeniu wartości, śmieci znikają. To przypadkowe piksele, grupy pikseli w różnych kolorach.
BTW - komp robi piorunujące wrażenie na oglądających
ja mam kabelek-taśmę 30cm i też mam podobnie,...
Komputerek ma tendencję do wrzucania od czasu do czasu "śmieci" na ekran i trwa to zwykle cykl odczytu, po odświeżeniu wartości, śmieci znikają. To przypadkowe piksele, grupy pikseli w różnych kolorach....
zmiana ekranu usuwa te artefakty,
liczyłem się z tym dając długi kabel bo nie było miejsca na nic więcej niż goły wyświetlacz ale teraz nawet jestem zadowolony że tak żadko wchodzą śmieci
Wiązka ma długość 2x szerszy bok kompa/wyświetlacza więc odpada.
Natomiast wyświetlacz jest przyklejony klejem na ciepło do płytki (strona switch'y) i może to to.
Poza tym jest zamontowany w liczniku obok sterownika RGB do podświetlenia. Sytuacja od wczoraj się nie powtórzyła, natomiast efekt był super i myślę, że to jest pomysł na wykorzystanie kolorów do informowania użytkownika o stanach kompa/wartości parametrów.
Np do 55km/h kolor biały, powyżej żółty/czerwony. Obroty - do 2500 zielony, potem żółty i od 5000 czerwony. Napięcie podobnie.
Gołoledź na czerwono.
Tylko czy nasz Aducek da radę?
Mnie się marzy grafika
Kalibracja współczynnika drogi po 130km - 122.
Tylko,że ja mam felgi 13" (standard), ale niskoprofilowe opony.
Poza tym impulsy liczy kontaktron i w zależności od temperatury ilość się zmienia. Niewiele, ale dla wersji "s" ma znaczenie.
Zabieram się powoli za przeróbkę tegoż impulsatora na wersję optyczną - to mi da super dokładne wskazania.
I jeszcze pytanie - czy wartość współczynnika wtrysku nie ulegnie zmianie po zmianie softu i wyświetlacza? Coś mi się zdaje, że lekko zaniża spalanie. A miałem pięknie skalibrowanego do rezerwy.
Darku, jeszcze sugestia - jeśli usunięcie wartości setnych spalania go odciązą, to usuń pomiar - wystarczą dziesiętne.
Natomiast wyświetlacz jest przyklejony klejem na ciepło do płytki (strona switch'y) i może to to.
Poza tym jest zamontowany w liczniku obok sterownika RGB do podświetlenia. Sytuacja od wczoraj się nie powtórzyła, natomiast efekt był super i myślę, że to jest pomysł na wykorzystanie kolorów do informowania użytkownika o stanach kompa/wartości parametrów.
Np do 55km/h kolor biały, powyżej żółty/czerwony. Obroty - do 2500 zielony, potem żółty i od 5000 czerwony. Napięcie podobnie.
Gołoledź na czerwono.
Tylko czy nasz Aducek da radę?
Mnie się marzy grafika
Kalibracja współczynnika drogi po 130km - 122.
Tylko,że ja mam felgi 13" (standard), ale niskoprofilowe opony.
Poza tym impulsy liczy kontaktron i w zależności od temperatury ilość się zmienia. Niewiele, ale dla wersji "s" ma znaczenie.
Zabieram się powoli za przeróbkę tegoż impulsatora na wersję optyczną - to mi da super dokładne wskazania.
I jeszcze pytanie - czy wartość współczynnika wtrysku nie ulegnie zmianie po zmianie softu i wyświetlacza? Coś mi się zdaje, że lekko zaniża spalanie. A miałem pięknie skalibrowanego do rezerwy.
Darku, jeszcze sugestia - jeśli usunięcie wartości setnych spalania go odciązą, to usuń pomiar - wystarczą dziesiętne.
Kto jest online
Użytkownicy przeglądający to forum: Obecnie na forum nie ma żadnego zarejestrowanego użytkownika i 20 gości

