Witam,
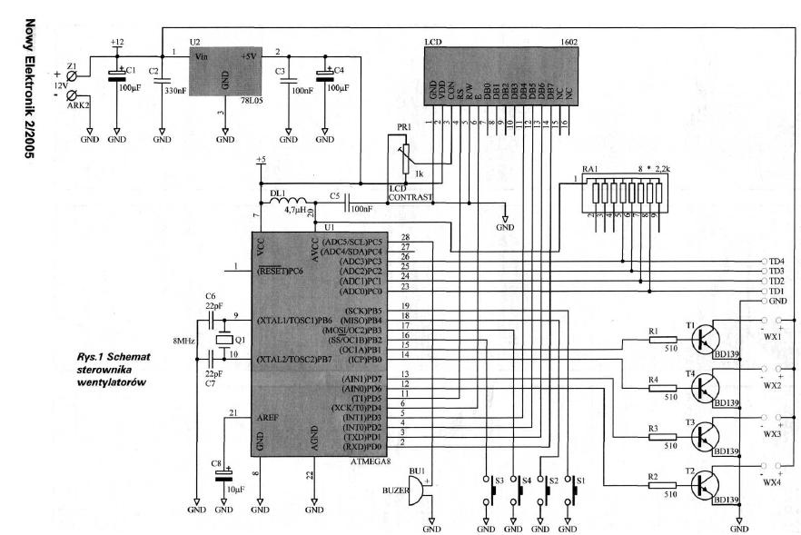
Zmontowałem sterownik wentylatorów AVT-929. Działa poprawnie, jednak mam pewne zastrzeżenia do jego pracy. Otóż sterowane wentylatory (typowe - komputerowe) wydają z siebie nieprzyjemne piski. Zależy to od producenta wentylatora, niektóre są praktycznie niesłszalne, inne - swym dzwiękiem niweczą efekt zmniejszenia prędkości obrotowej (np. te na karcie graficznej). Ma to zapewne z algorytmem PWM zaszytym w programie mikrokontrolera. Może ktoś z szanownych forumowiczów spotkał się z tym problemem i próbował zmieniać program np. podwyższać częstotliwość PWM? Próbowałem różnych sposobów, np. dodawałem kondensatory równolegle na wyjściu, ale powodują one spadek jakości regulacji.
Z góry dziękuję za wszelkie sugestie..., nie znam niestety tej rodziny uC PSoC, więc modyfikacja kodu zapewne zajęłaby mi sporo czasu... Pozdrawiam, MacKlim
Aktyw Forum
Zarejestruj się na forum.ep.com.pl i zgłoś swój akces do Aktywu Forum. Jeśli jesteś już zarejestrowany wystarczy, że się zalogujesz.
Sprawdź punkty Zarejestruj siękit AVT-929 ster. wentylatorow
Moderatorzy:Jacek Bogusz, Grzegorz Becker, procesorowiec, robertw, Moderatorzy
kit AVT-929 ster. wentylatorow
Witam!
Zrobiłem kiedyś podobny układ z NE.kit392-k "Sterownik wentylatorów PC".
Miałem ten sam problem a to dlatego że wntylatory nie są sterowane napięciowo tylko impulsami cyfrowymi im mniejsze obroty tym gorzej.
Wstawiłem między kolektory a emitery stablizatory minusowe chyba 7906,zmieniłem program tak że są tylko 2 predkości przy napieciu 6V a po osiągnięciu temperatury nastawionej pęłną moc.
Pozdrawiam.
Zrobiłem kiedyś podobny układ z NE.kit392-k "Sterownik wentylatorów PC".
Miałem ten sam problem a to dlatego że wntylatory nie są sterowane napięciowo tylko impulsami cyfrowymi im mniejsze obroty tym gorzej.
Wstawiłem między kolektory a emitery stablizatory minusowe chyba 7906,zmieniłem program tak że są tylko 2 predkości przy napieciu 6V a po osiągnięciu temperatury nastawionej pęłną moc.
Pozdrawiam.
Kto jest online
Użytkownicy przeglądający to forum: Obecnie na forum nie ma żadnego zarejestrowanego użytkownika i 23 gości
