Kupiłem kit AVT 5333 multimetr panelowy - miernik do zasilacza labolatoryjnego i niestety denerwuje mnie pływające napięcie.
Np. napięcie z baterii 9V inny miernik cały czas pokazuje napięcie 9.93 Volt a na mierniku AVT pływa
pokazując po kolei 9.75 9.90 9.95 10.00 i tak w kółko.
Czy to normalne ?? że tak pływa napięcie.Ewentualnie gdzie leży problem
Aktyw Forum
Zarejestruj się na forum.ep.com.pl i zgłoś swój akces do Aktywu Forum. Jeśli jesteś już zarejestrowany wystarczy, że się zalogujesz.
Sprawdź punkty Zarejestruj sięAVT-5333 Multimetr panelowy pływa napięcie
Moderatorzy:Jacek Bogusz, Grzegorz Becker, procesorowiec, robertw, Moderatorzy
Re: AVT-5333 Multimetr panelowy pływa napięcie
Witam
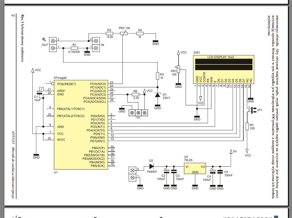
Patrząc po schemacie który zamieściłeś, to przede wszystkim sprawdź stabilność zasilania scalaka... Jeśli jest stabilne, to reszta zależy od programu. (podłączenie źródła odniesienia scalaka. )
Patrząc po schemacie który zamieściłeś, to przede wszystkim sprawdź stabilność zasilania scalaka... Jeśli jest stabilne, to reszta zależy od programu. (podłączenie źródła odniesienia scalaka. )
Kto jest online
Użytkownicy przeglądający to forum: Obecnie na forum nie ma żadnego zarejestrowanego użytkownika i 32 gości

