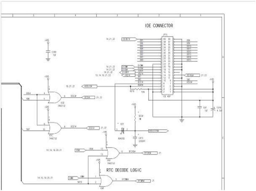
Posiadam laptopa HiNote VP 500.Laptop nie posiada przejściówki z kieszonką HDD.W internecie znalazłem instrukcję serwisową ze schematem IDE conektor.Opis pinów conektora różni się z opisami pinów HDD 2,5"znalezionymi w internecie.
Nie mam pojęcia które piny konektora (40pin) połączyć z pinami HDD (44pin).
Aktyw Forum
Zarejestruj się na forum.ep.com.pl i zgłoś swój akces do Aktywu Forum. Jeśli jesteś już zarejestrowany wystarczy, że się zalogujesz.
Sprawdź punkty Zarejestruj sięPodłączanie HDD w laptopie HiNote VP 500
Moderatorzy:Jacek Bogusz, Moderatorzy
-
GROM RYSZARD
- -

- Posty:95
- Rejestracja:26 mar 2008, o 19:21
- Lokalizacja:ELBLAG
Kto jest online
Użytkownicy przeglądający to forum: Obecnie na forum nie ma żadnego zarejestrowanego użytkownika i 11 gości