Witam,
Mam pewien problem, otóż w projekcie który posiadam jest wymaganie, iż układ mikroprocesorowy ma być wyposażony w monitor zasilania wraz z watchdogiem jednak nigdzie nie mogę znaleźć czym tak naprawdę jest monitor zasilania ani jak go podłączyć do mikrokontrolera.
Czy jest tu ktoś kto posiada jeszcze wiedzę dotyczącą rodziny mikrokontrolerów z rodziny '51 i mógłby służyć radą?
Aktyw Forum
Zarejestruj się na forum.ep.com.pl i zgłoś swój akces do Aktywu Forum. Jeśli jesteś już zarejestrowany wystarczy, że się zalogujesz.
Sprawdź punkty Zarejestruj sięMonitor zasilania w mikrokontrolerze 8051P
Moderatorzy:Jacek Bogusz, procesorowiec, robertw, tomasz_jablonski, r-mik, Moderatorzy
- Jacek Bogusz
- -

- Posty:470
- Rejestracja:12 maja 2010, o 17:37
- Lokalizacja:Poznań
- Kontaktowanie:
Re: Monitor zasilania w mikrokontrolerze 8051P
Monitor napięcia zasilającego to układ scalony, który porównuje napięcie zasilające doprowadzone do wejścia z napięciem odniesienia (referencyjnym), które najczęściej jest generowane przez wbudowane weń, stabilne źródło. Jeśli napięcie zasilające spadnie poniżej pewnej wartości, to na wyjściu układu nadzorcy zasilania występuje sygnał reset, który wstrzymuje pracę procesora.
W urządzeniach z 8051 zwykle używałem układu TLC7705 (05 oznacza, że to układ pracujący przy napięciu zasilania 5V) firmy Texas Instruments. Na stronie 13 tego dokumentu -> http://www.ti.com/lit/ds/symlink/tlc77.pdf <- znajdziesz aplikację układu. Dla '51 musisz wykorzystać wyjście RESET, które na rysunku jest niepodłączone, a odłączyć /RESET, który jest doprowadzony do przykładowego procesora.
W urządzeniach z 8051 zwykle używałem układu TLC7705 (05 oznacza, że to układ pracujący przy napięciu zasilania 5V) firmy Texas Instruments. Na stronie 13 tego dokumentu -> http://www.ti.com/lit/ds/symlink/tlc77.pdf <- znajdziesz aplikację układu. Dla '51 musisz wykorzystać wyjście RESET, które na rysunku jest niepodłączone, a odłączyć /RESET, który jest doprowadzony do przykładowego procesora.
Re: Monitor zasilania w mikrokontrolerze 8051P
Bardzo dziękuję za odpowiedź, teraz mi się trochę to rozjaśniło.
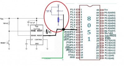
Czyli mikr z monitorem powinien zostać połączony tak jak na załączonej grafice kolorem czarnym, tak?
I kolejne moje pytanie, czy jeżeli chcę wyposażyć w reset przyciskiem cały układ, to mogę zrobić to tak jak na załączonym obrazku fragment zaznaczony czerwoną elipsą, czy jest to błędne?
Oraz czy jeżeli chciałbym podpiąć kolejne urządzenie którego zadaniem również jest potencjalny reset urządzenia, to czy mogę jego wyjście podłączyć z mikrokontrolerem w sposób taki jak na rysunku zieloną linią?
Czyli mikr z monitorem powinien zostać połączony tak jak na załączonej grafice kolorem czarnym, tak?
I kolejne moje pytanie, czy jeżeli chcę wyposażyć w reset przyciskiem cały układ, to mogę zrobić to tak jak na załączonym obrazku fragment zaznaczony czerwoną elipsą, czy jest to błędne?
Oraz czy jeżeli chciałbym podpiąć kolejne urządzenie którego zadaniem również jest potencjalny reset urządzenia, to czy mogę jego wyjście podłączyć z mikrokontrolerem w sposób taki jak na rysunku zieloną linią?
- Jacek Bogusz
- -

- Posty:470
- Rejestracja:12 maja 2010, o 17:37
- Lokalizacja:Poznań
- Kontaktowanie:
Re: Monitor zasilania w mikrokontrolerze 8051P
Na wejściu układu, który dorysowałeś jest przycisk reset i nie trzeba dodawać tego w kółku. Ten oznaczony kółkiem nie będzie działał, ponieważ w stanie spoczynkowym na wyjściu TL7705 jest poziom niski (masa). Jeśli dodasz przycisk, który spowoduje dołączenie do tego wyjścia "plusa", to po prostu zrobisz zwarcie. A więc: - wykorzystaj przycisk z aplikacji układu, opisany jako reset, -jeśli potrzebujesz zewnętrzny reset (ten oznaczony zieloną linią), to dołącz go wejścia TL7705, za przyciskiem z aplikacji. Mikrokontroler będzie zerowany poziomem niskim (zwarciem wejścia TL7705 do masy).
Re: Monitor zasilania w mikrokontrolerze 8051P
TL7705 to nie WDG. Taki układ to np DS1231. Używałem DS1231 z 8051 bo jako nieliczny z WDG ma wyjście aktywne w stanie niskim (bardzo rozsądne rozwiązanie) jak i wysokim (idiotyczne rozwiązanie Intela). Ponadto w DS można ustawić w pewnym zakresie próg napięcia zasilającego i czas WDG. Pomijając sens używania 8051, są wersje z wbudowanym WDG np 89S8253, 89C55WD.
Kto jest online
Użytkownicy przeglądający to forum: Obecnie na forum nie ma żadnego zarejestrowanego użytkownika i 17 gości
