 
Aktyw Forum
Zarejestruj się na forum.ep.com.pl i zgłoś swój akces do Aktywu Forum. Jeśli jesteś już zarejestrowany wystarczy, że się zalogujesz.
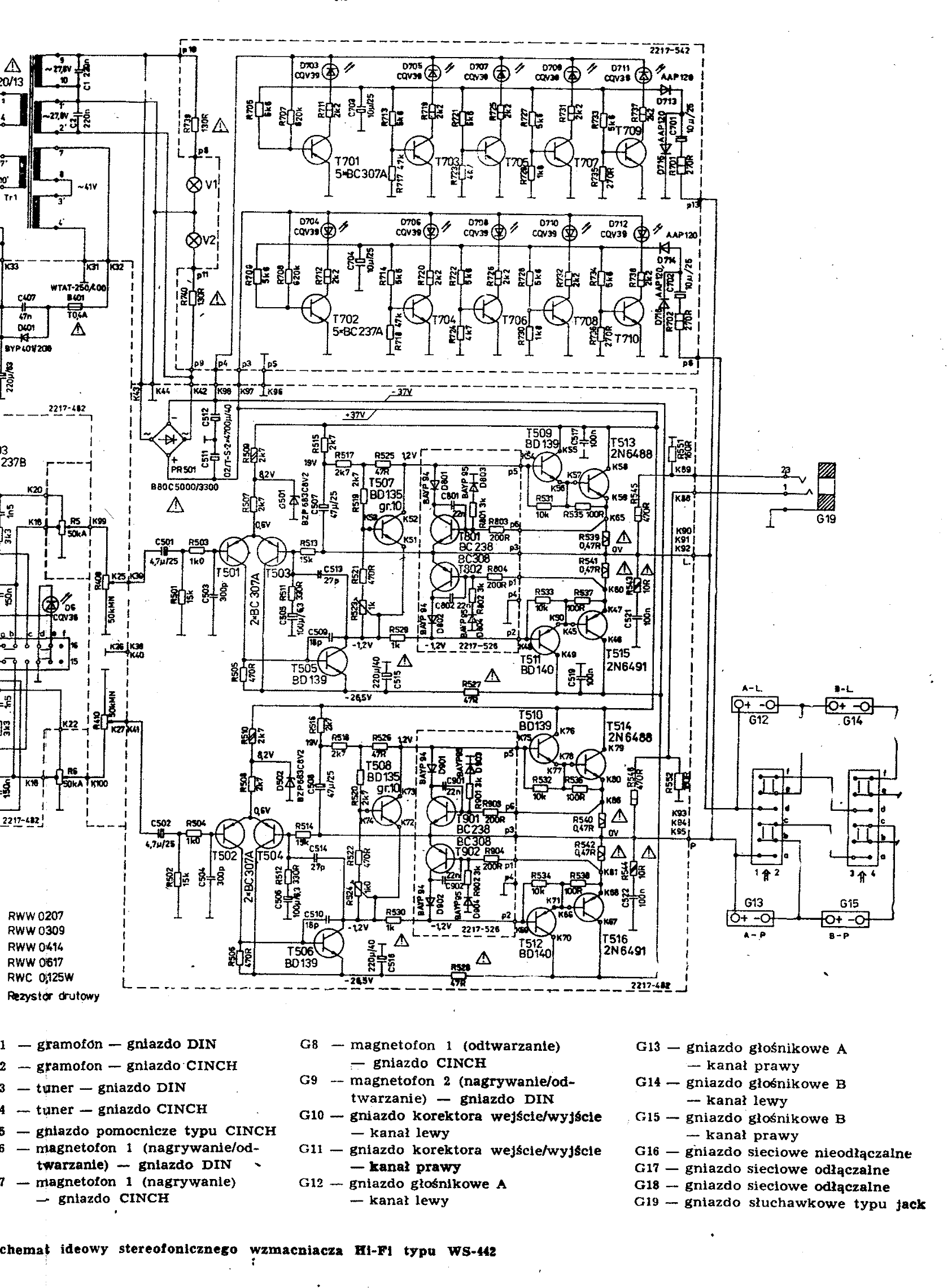
Sprawdź punkty Zarejestruj sięSzukam schematu ideowego wzmacniacza DIORY WS4421
Moderator:Jacek Bogusz
Nigdzie tego nie mogę znaleźć. Z góry dzięki.
			Kto jest online
Użytkownicy przeglądający to forum: Obecnie na forum nie ma żadnego zarejestrowanego użytkownika i 19 gości

