System kontroli żarówek i bezpieczników w samochodzie.
System obejmuje kontrolą wszystkie światła oświetlenia zewnętrznego samochodu, oraz wszystkie bezpieczniki znajdujące się w skrzynce bezpieczników. Jest zamontowany w samochodzie Skoda Octavia kombi, i do tego samochodu odnosi się uproszczony schemat instalacji na rys.1. Zachowana jest oryginalna numeracja bezpieczników, oraz kolejność łączenia wyłączników, bezpieczników i żarówek, idąc od źródła zasilania.
Instalacja w innych samochodach jest podobna, i można ten system zamontować do każdego samochodu.
Warunkiem objęcia kontrolą bezpieczników jest wykonanie przejściówek z diodami LED dla każdego kontrolowanego bezpiecznika, oraz światłoszczelna pokrywka na skrzynce z bezpiecznikami. Mogą być kontrolowane wszystkie bezpieczniki, nie koniecznie tylko od świateł.
Do kontroli żarówek wykorzystywane są normalnie zwarte styki kontaktronów przełącznych. Każdą żarówkę kontroluje oddzielny kontaktron, którego uzwojenie jest włączone w szereg z tą żarówką. Wyjątkiem są żarówki (dwie) oświetlenia tablicy rejestracyjnej, obsługiwane jednym kontaktronem z odpowiednio dobraną ilością zwoi, i sygnalizacja zadziała już przy spaleniu jednej żarówki.
Wszystkie kontaktrony są pogrupowane w moduły kontaktronów (MK).
Każda lampa zespolona samochodu ma swój moduł kontaktronów.
Wszystkie elementy, moduły systemu, mają bardzo prostą budowę, a przede wszystkim bardzo łatwy montaż, wymagający małej liczby przewodów. Na przykład, gdy zrezygnujemy z kontroli bezpieczników, zamiast modułu kontroli bezpieczników (MKB) należy zamontować drugi moduł sygnalizatora (MS), i tylko poprowadzić przewody zaznaczone zielonym kolorem na schemacie na rys.1. Montaż wtedy jest banalnie prosty.
Z modułu kontroli bezpieczników jednak nie warto rezygnować, gdyż system będzie nie kompletny.
Żarówki kierunkowskazów są objęte kontrolą za pomocą modułu „Dźwiękowy sygnalizator kierunkowskazów i świateł awaryjnych”, był on zbudowany wcześniej i też wchodzi w skład systemu. Ten moduł jest opisany tutaj:
viewtopic.php?t=18218
lub
http://www.elektroda.pl/rtvforum/topic557920.html
Spalenie się jednej żarówki kierunkowskazów natychmiast powoduje zwiększenie częstotliwości powtarzania sygnału dźwiękowego, co daje kontrolę.
Warto taki moduł (kierunkowskazów) mieć trochę rozbudowany, gdyż zwykłe buzzery piezoelektryczne nie nadają się do kierunkowskazów ze względu na nie przyjemny dźwięk, oraz brak możliwości regulacji natężenia i barwy dźwięku.
Sygnalizacja uszkodzonej żarówki lub bezpiecznika jest dźwiękowa, i celowo nie jest przewidziana możliwość wyłączenia dźwięku w czasie jazdy. Z tego powodu sygnał dźwiękowy jest przerywany.
Spalona żarówka jest sygnalizowana krótkim, ok. 2 sekundy dźwiękiem ciągłym, powtarzającym się co około 7 sekund. Spalony bezpiecznik sygnalizowany dźwiękiem przerywanym z częstotliwością około 10Hz, przez 2 sekundy, i powtarzającym się co około 7 sekund.
Takie przerywane sygnały są na tyle nie uciążliwe, że pozwolą spokojnie dojechać do miejsca, gdzie można się zatrzymać i usunąć przyczynę. Jednocześnie są na tyle uciążliwe, że zmuszą do zrobienia tego jak najszybciej.
Moduł kontaktronów (MK).
Schemat modułów jest pokazany na schemacie ogólnym na rys.1, oraz na rys.1a, budowa na fotografiach.
Po włączeniu dowolnych świateł odpowiednimi stykami wyłącznika, prąd płynący przez żarówkę i uzwojenie kontaktronu powoduje rozwarcie normalnie zwartych styków kontaktronu, i na wyprowadzeniu K modułu niema żadnego napięcia, moduły sygnalizatorów (MS) nie są zasilane. Szybkość działania kontaktronu jest większa niż bezwładność elektroniki w sygnalizatorach, nie występują żadne efekty przejściowe.
Gdy uszkodzona dowolna żarówka, przyporządkowany jej kontaktron nie rozwiera styków, na wyprowadzeniu K pojawia się napięcie zasilania 12V (jedynka logiczna), zadziała odpowiedni sygnalizator.
Rezystor R=100Ω służy do zabezpieczenia delikatnych styków kontaktronów na wypadek zwarcia.
Jako konstrukcja nośna są wykorzystane gwintowe listwy zaciskowe stosowane w energetyce do przewodów 4mm2. Wszystkie moduły mają jednakową budowę, a różnią się tylko cewkami kontaktronów w zależności od mocy kontrolowanej żarówki. Dane uzwojeń są podane w tabelkach na rysunkach.
Diody D i rezystor R są przylutowane jednym końcem do płytki drukowanej w kształcie paska (bez wiercenia otworów). Drugi koniec diod jest połączony z kontaktronami za pomocą giętkich przewodów.
Uzwojenia wykonane z grubego drutu należy nawinąć na wiertle o średnicy większej o 0,1mm niż średnica kontaktronu. Przed zamontowaniem kontaktronu, do uzwojenia trzeba włożyć zamiast kontaktronu, kołeczek o odpowiedniej średnicy, całość mocno przykręcić do listew, i odpowiednio uformować uzwojenie. W kontaktronie przełącznym (KC-90), styki normalnie rozwarte, oraz ich wyprowadzenia, są wykonane z materiału ferromagnetycznego, a styk normalnie zwarty nie jest ferromagnetykiem. Złączenie styków normalnie rozwartych ze sobą zmniejsza rezystancję obwodu magnetycznego, i czułość kontaktronu znacząco wzrasta, cewka może mieć mniej zwoi.
Ze względu na naprężenia pochodzące od zmian temperatury (mróz, upał) nie należy tych styków lutować ze sobą, tylko nałożyć ciasną rurkę izolacyjną. Połączenia styków kontaktronu z cewką i diodą należy wykonać giętkim przewodem. Na kontaktron nie powinny działać żadne naprężenia mechaniczne. Po zagięciu końcówek trzeba sprawdzić za pomocą lupy, czy nie pojawiły się wykruszenia szkła przy końcówkach. Kontaktron jest elementem trwałym i niezawodnym w eksploatacji, ale bardzo wrażliwy na zewnętrzne naprężenia mechaniczne.
Dobór ilości zwoi nie jest krytyczny. Ilość zwoi podana w tabelce jest dobrana z pewnym zapasem, uwzględniając złączenie końcówek kontaktronu. Wyjątkiem jest oświetlenie tablicy rejestracyjnej. Tu trzeba dość dokładnie dobrać ilość zwoi, bo kontrolowane są dwie żarówki, a sygnalizator musi zadziałać po spaleniu jednej.
W zależności od potrzeb, ilość kontaktronów w module może być inna (dowolna), na przykład oświetlenie dodatkowe, światła do jazdy dziennej, itp.
Jeżeli miejsce na to pozwala , moduły kontaktronów najlepiej zamontować w pobliżu lamp zespolonych, przecinając odpowiednie przewody wiązki. Konstrukcja modułu jest masywna, i może być pozostawiony jako „wiszący” na przewodach, ale lepiej dorobić zamocowanie.
Można też dorobić odpowiednie przejściówki, gniazdo i wtyczkę, i wtedy nie trzeba przecinać przewodów.
Na przykład, w Octavii, przy przednich reflektorach jest bardzo ciasno, i krótkie przewody wiązek dochodzących do reflektorów. Z tego powodu trzeba było dorobić przejściówki. Przy tylnych lampach jest dużo miejsca, i tam wygodniej było przeciąć przewody wiązki.
Do zrobienia przejściówek wykorzystuje się typowe konektory odpowiednich rozmiarów, oraz „Poxilinę”. Aby zapobiec przyklejeniu „Poxiliny”, wnętrze gniazda w lampie należy bardzo starannie wyłożyć paskami papieru. Aby papier nie przesuwał się, można paski przykleić nie trwałym klejem, np. biurowym, za pomocą kilku bardzo małych punktów, kropelek. Następnie wkłada się konektory „żeńskie” z już podłączonymi przewodami, i przestrzeń wypełnia się „Poxiliną”. Na część stykową konektorów „żeńskich” trzeba nałożyć kawałeczki rurki izolacyjnej. Zapobiegną one oblepieniu styków, oraz zostanie zachowana elastyczność i możliwość regulacji docisku styków za pomocą igły, lub cienkiego śrubokręta. Wtyczkę z konektorami „męskimi” zrobić dużo łatwiej, gdyż konektorami trzeba tylko przebić się przez papierową przekładkę wkładając je w odpowiednie miejsca.
Tak ulepione wtyczki są bardzo trwałe, a po odpowiednim opiłowaniu, estetyczne.
Moduł sygnalizatora (MS).
Schemat tego modułu jest pokazany na rys.3. Wykorzystany jest sygnalizator piezoelektryczny typu BZ-05 (85dB, średnica 32mm) z wbudowanym wewnętrznym generatorem 3,5kHz. Aby uzyskać pracę przerywaną sygnalizatora, został dobudowany dodatkowy generator na układzie NE555. Czas trwania sygnału jest dobierany rezystorem R3, przerwa pomiędzy sygnałami dobierana rezystorem R2.
Pierwszy sygnał dźwiękowy pojawia się natychmiast po podłączeniu zasilania. Jest to ważne w przypadku świateł „stop” i cofania. Dla takich wartości RC jak na schemacie, czas trwania sygnału około 2 sekundy, przerwa około 7 sekund. Rezystory można dobierać w zależności od upodobania, np. dla R3=100k, czas trwania sygnału wynosi około 0,5 sekundy.
Wszystkie elementy RC są typu SMD, zamontowane bezpośrednio na nóżkach układu NE555, a całość, po podłączeniu, jest przyklejona do płytki wewnętrznego generatora.
Sygnalizator został zamocowany na odpowiednim uchwycie do przykręcenia w dogodnym miejscu, podłączenie za pomocą wtyczki „wiszącej” na przewodach.
Jeżeli nie stosuje się modułu kontroli bezpieczników (MKB), trzeba zbudować i zamontować dwa moduły sygnalizatora (MS), jeden z tyłu, drugi z przodu. Oczywiście może być jeden, ale wtedy trzeba prowadzić dodatkowy przewód przez cały samochód, i nie będzie rozeznania gdzie jest uszkodzenie, z przodu, czy z tyłu.
Przejściówki bezpieczników, moduł fotorezystorów (MF).
Przejściówki do bezpieczników wyposażone w diody LED warto zrobić, jeżeli nawet nie planuje się budowy całego systemu. Każdy spalony bezpiecznik jest dobrze widoczny, a gdy w skrzynce bezpieczników jest ich około 40, nie trzeba korzystać z instrukcji obsługi aby go znaleźć. W razie potrzeby, bardzo dobrze się wymienia, gdyż jest za co chwycić, nie potrzebne są szczypce.
Konstrukcja przejściówek jest bardzo dobrze pokazana na fotografii.
Do płytki dwustronnie foliowanej miedzią, o wymiarach 12x4mm, po uprzednim przecięciu folii na środku, po obu stronach, są przylutowane dwa paski z blachy o grubości 0,25mm i szerokości 3mm. Paski powinny być zawinięte na drugą stronę płytki i przylutowane z obu stron. W ten sposób nie jest możliwe oderwanie się folii od płytki. Na płytce są przylutowane elementy SMD: rezystor 470Ω, oraz w szereg z nim połączone równolegle i przeciwstawnie dwie diody LED, czerwone, o dużej jasności, typu OF-SMD3216R. Wielkość płytki jest taka sama dla obu rodzajów bezpieczników, długość pasków dobiera się w zależności od wielkości bezpiecznika. Zasadą jest, aby płytka z diodami wystawała około 5÷6mm nad włożony bezpiecznik. Drugie końce pasków są przylutowane do odpowiednich konektorów.
Konstrukcja wygląda na wiotką, ale jest bardzo mocna, i nabiera sztywności po włożeniu bezpiecznika. Przejściówki należy wkładać tak, aby diody były skierowane w stronę modułu fotorezystorów (MF). Połączenie przeciwstawne diod zapewnia zawsze świecenie jednej z nich, niezależnie od kierunku przepływającego prądu.
Moduł fotorezystorów, to dwa równolegle połączone fotorezystory typu FR48/1M, zamontowane na małej płytce, przykręconej do obrzeża skrzynki bezpieczników. Jeden fotorezystor jest skierowany w stronę bezpieczników (diod LED), drugi w stronę pokrywki skrzynki. Wyprowadzenie modułu, to wtyczka „wisząca” na przewodach.
Fotorezystory wykrywają świecącą diodę, czyli spalony bezpiecznik, i sygnał o tym jest przekazywany do modułu kontroli bezpieczników (MKB).
Nie było takiej potrzeby, ale w razie konieczności dno pokrywki można wykleić folią odblaskową w celu lepszego wykrywania świecącej diody. Nie było też potrzeby dodatkowego uszczelniania skrzynki z bezpiecznikami. System poprawnie pracuje w pełnym słońcu, przy otwartych drzwiach samochodu.
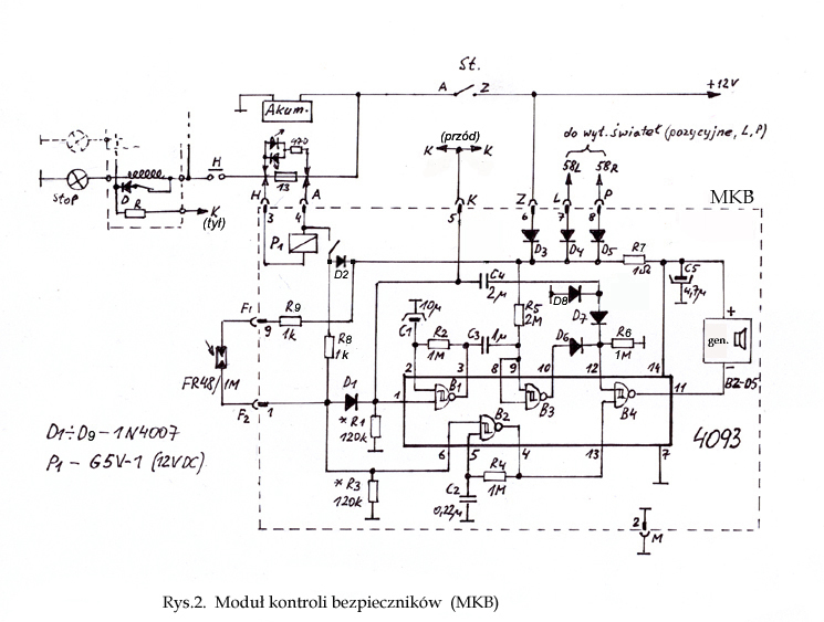
Moduł kontroli bezpieczników (MKB).
Schemat modułu jest pokazany na rys.2, płytka drukowana i budowa na fotografii. W przypadku uszkodzonej dowolnej żarówki z przodu samochodu, moduł zapewnia podobną sygnalizację jak moduł sygnalizatora MS z tyłu. Uszkodzona żarówka jest sygnalizowana ciągłym sygnałem przez około 2 sekundy, z przerwami co 7 sekund. W przypadku spalonego dowolnego bezpiecznika, zaopatrzonego w przejściówkę z diodami LED, sygnalizacja jest też przez 2 sekundy, powtarzająca się co 7 sekund, ale sygnał dźwiękowy jest przerywany z częstotliwością 10Hz (świergoczący). W przypadku bezpiecznika świateł „stop” sygnalizacja jest zapewniona bez stosowania przejściówki z diodami, i można ją założyć tylko po to, aby wiedzieć gdzie jest spalony bezpiecznik.
Moduł zapewnia prawidłową sygnalizację we wszystkich możliwych, i mało prawdopodobnych kombinacjach jednoczesnego uszkodzenia bezpieczników i żarówek z przodu i z tyłu.
Zasilanie modułu jest doprowadzone kilkoma drogami w zależności od włączonych wyłączników, za pomocą diod D2, D3, D4, D5.
Diody D4 i D5 są dołączone do wyłącznika świateł pozycyjnych 58L, 58R, (lewe, prawe), w ten sposób są uwzględnione światła oszczędnego parkowania, oraz pozostałe światła (ich bezpieczniki). Konstrukcja wyłączników świateł jest taka, że zawsze przy światłach mijania, drogowych, przeciwmgielnych, muszą być włączone światła pozycyjne. Dioda D3 doprowadza napięcie zasilania przy włączonym zapłonie. Jest to potrzebne do monitorowania bezpieczników świateł cofania, gdyż mogą one być włączone przy wyłączonych pozostałych światłach, ale tylko przy włączonym zapłonie.
Światła „stop” muszą być włączane zarówno przy wyłączonym zapłonie, jak i przy włączonym. Dodatkowo, wyłącznik świateł „stop” jest za bezpiecznikiem, dla tego do doprowadzenia zasilania do modułu jest użyty dodatkowy, miniaturowy przekaźnik P1, oraz dioda D2. Światła cofania i przeciwmgielne także mają wyłącznik za bezpiecznikiem, ale tam przekaźnik nie jest potrzebny, wystarczy dioda D3, gdyż można je włączyć tylko po włączeniu zapłonu..
Doprowadzenie stanu wysokiego (12V) do wejścia K (wyprowadzenie 5 modułu) powoduje stan wysoki na nóżce 1 bramki B1. Na bramce B1 jest zbudowany generator przebiegu wolnozmiennego, i teraz rozpoczyna on swoją pracę. Na wyjściu 3 bramki B1 pojawi się przebieg prostokątny o okresie około 7 sekund. Jednocześnie dioda D1 zatkana, fotorezystor zaciemniony, na wejściu 6 bramki B2 jest stan niski. Na bramce B2 jest zbudowany generator przebiegu prostokątnego o częstotliwości 10Hz, i teraz jest on zablokowany, na wyjściu 4 bramki B2, oraz na wejściu 13 bramki B4 jest stan wysoki. Pierwsze opadające zbocze przebiegu wolnozmiennego za pomocą kondensatora C3 spowoduje niski stan na wejściach 8,9 bramki B3, a tym samym wysoki stan na wejściu 12 bramki B4, na wyjściu B4 pojawi się stan niski, buzzer zostanie włączony. Czas trwania sygnału dźwiękowego dobiera się za pomocą elementów C3,R5, a czas powtarzania za pomocą elementów C1, R2.
Pierwsze opadające zbocze przebiegu wolnozmiennego pojawia się po czasie około 3,5 sekundy od chwili pojawienia się stanu wysokiego na wejściu K. Takie opóźnienie jest nie dopuszczalne w przypadku świateł „stop” i cofania, dla tego jest wprowadzony dodatkowy układ z elementami C4, D8, oraz suma logiczna D6, D7.
Natychmiast po pojawieniu się stanu wysokiego na wejściu K, kondensator C4 ładuje się przez rezystor R6, i na wejściu 12 bramki B4 utrzymuje się stan wysoki przez około 2 sekundy (stała czasowa C4,R6). Pierwszy sygnał dźwiękowy pojawi się natychmiast po pojawieniu się stanu wysokiego na wejściu K. Kolejne sygnały dźwiękowe pojawią się już za przyczyną pracy generatora wolnozmiennego. Dioda D8 służy do szybkiego rozładowania kondensatora C4.
Gdy spalony bezpiecznik, oświetlony fotorezystor spowoduje stan wysoki na wejściu 6 bramki B2, oraz za pomocą diody D1, na wejściu 1 bramki B1, czyli stan wysoki pojawi się też na wejściu K. Powtórzy się sekwencja taka, jak dla spalonej żarówki, a odblokowany generator 10Hz na bramce B2 spowoduje przerywanie sygnału dźwiękowego z częstotliwością 10Hz (świergot). W przypadku spalonego bezpiecznika świateł „stop” zadziała przekaźnik P1, zasilanie zostanie podane przez diodę D2, a stan wysoki na wejścia sterujące obu generatorów za pomocą rezystora R8.
Może zaistnieć jedna, bardzo mało prawdopodobna sytuacja, kiedy sygnalizacja spalonego bezpiecznika nie zadziała. Będzie to wtedy, gdy jednocześnie spalony bezpiecznik świateł „stop”, obie żarówki „stop”, oraz wyłączony zapłon i światła. Wtedy nie zadziała przekaźnik P1, oraz nie zaświeci dioda w przejściówce bezpiecznika. Zadziała tylko sygnalizator z tyłu, gdyż otrzyma zasilanie przez rezystancję przejściówki bezpiecznika „stop”, styk kontaktronu, i rezystor R. Sygnalizator (MS) z tyłu działa w miarę poprawnie nawet wtedy, gdy jest zasilany przez rezystor o wartości 5kΩ.
Aby takiej sytuacji zapobiec, za wyłącznikiem „stop” , ale przed uzwojeniem kontaktronu trzeba zamontować dodatkowy rezystor o wartości 20÷30Ω, podłączony do masy. Spowoduje on zadziałanie przekaźnika P1 po naciśnięciu pedału hamulca w przypadku spalonego bezpiecznika. Dotyczy to przede wszystkim starszych samochodów. W Octavii nie potrzeba montować tego rezystora, gdyż z wyłącznika „stop” jest brany sygnał do sterownika silnika, i po wyjęciu obu żarówek, rezystancja do masy za wyłącznikiem „stop” wynosi 4,5Ω, i problem rozwiązany.
We wszystkich innych sytuacjach sygnalizacja zawsze zadziała. Na przykład, gdy spalone wszystkie żarówki i bezpiecznik w obwodzie świateł, zasilanie będzie podane przez jedną z diod D3, D4, D5, bezpośrednio z wyłącznika świateł, lub ze stacyjki, a stan wysoki na wejście K przez rezystancję przejściówki bezpiecznika.
Gdy spalony bezpiecznik, a żarówki całe, na wyjściu K modułu kontaktronów nie pojawi się stan wysoki, bo rezystancja żarówek jest bardzo mała w porównaniu z rezystancją przejściówki bezpiecznika. Sygnalizator (MKB) zadziała po wykryciu świecącej diody.
W każdym przypadku sygnalizacja uszkodzonego elementu działa tylko wtedy, gdy jest włączony odpowiedni odbiornik swoim wyłącznikiem, na przykład, poszczególne rodzaje świateł, światła „stop”, cofania, wentylator, dmuchawa, itp.
W Octavii moduł kontroli bezpieczników jest położony na półeczce na drobiazgi pod pulpitem, po stronie kierowcy, obok już tam znajdującego się modułu „Dźwiękowy sygnalizator kierunkowskazów i świateł awaryjnych”.
Wyprowadzenia L, P, Z, A są podłączone do wyłącznika świateł. Wyprowadzenie H jest podłączone bezpośrednio do wyłącznika przy pedale hamulca, masa M, oczywiście do masy, F1, F2 do modułu fotorezystorów.
Największą trudnością przy montażu (w całym systemie) było podłączenie wyprowadzenia K, gdyż aby przedostać się przez przegrodę czołową, trzeba było zdemontować kilka osłon, i użyć sztywnego drutu do przeciągnięcia przewodu.
Przy podłączaniu się do wyłącznika świateł należy odłączyć akumulator, gdyż można spowodować przypadkowe zwarcie, szczególnie, łącząc punkt A modułu z punktem 30 wyłącznika, znajdującym się bezpośrednio na akumulatorze.
Wyprowadzenie Z jest podłączone do styku Xz wyłącznika świateł. Ze styku Xz jest odłączane napięcie w czasie pracy rozrusznika.
Na schemacie na rys.1 jest inne połączenie punktu Z, też prawidłowe, ale ze stacyjki.
W fazie projektowania przeanalizowałem inne możliwe sposoby kontroli, na przykład, inne łączenie kontaktronów i ich uzwojeń, włączanie w obwód rezystora o małej wartości i mierzenia na nim spadku napięcia, a nawet montowanie czujników światła przy żarówkach. W każdym przypadku nie do uniknięcia jest wcinanie się w przewody (ewentualnie przejściówki), a zawsze liczba dodatkowych przewodów była dużo większa, oraz bardziej skomplikowana elektronika.
Na przykład, pozornie eleganckie rozwiązanie z jednym kontaktronem i dwoma uzwojeniami, nawiniętymi bifilarnie. Przy odpowiednim połączeniu pola magnetyczne cewek znoszą się i można kontrolować dwie żarówki, a nawet cztery, jednym kontaktronem, ale do tego kontaktronu trzeba doprowadzić co najmniej 6 przewodów, z czego 4 muszą mieć odpowiedni przekrój (grube). Jeżeli takich par żarówek będzie więcej, mamy mnóstwo przewodów.
Inny sposób, kontrolowanie par żarówek przez dobór ilości zwojów w cewce kontaktronu zda egzamin tylko przy żarówkach mniejszej mocy, gdyż wtedy jest większa liczba zwoi, i można ich ilość precyzyjnie dobrać, ale jest trudniej znaleźć miejsce do włączenia się. Przy żarówkach 60W w czasie prób wychodziło 2 zwoje za dużo, a 1 zwój za mało. Poprawnie działało przy około 1,6 zwoi, i to już jest dyskwalifikacja, gdyż żarówki mają spory rozrzut parametrów, i przy pierwszej wymianie taki system nie zda egzaminu.
W świetle powyższego, prezentowany system wydaje się najbardziej ekonomiczny, najprostszy, najłatwiejszy w montażu, i obejmuje kompleksowo cały samochód. Modułowa budowa pozwala na montaż rozciągnięty w czasie, i stopniowe kompletowanie i uzupełnianie systemu.
Aktyw Forum
Zarejestruj się na forum.ep.com.pl i zgłoś swój akces do Aktywu Forum. Jeśli jesteś już zarejestrowany wystarczy, że się zalogujesz.
Sprawdź punkty Zarejestruj sięSystem kontroli żarówek i bezpieczników w samochodzie.
Moderatorzy:Jacek Bogusz, robertw, Moderatorzy
Po kilku tygodniach od zamontowania tego systemu, ujawnił się problem, o którym nie pomyślałem w fazie projektowania. Przypadek sprawił, że spaliła się jedna żarówka świateł „stop”. Oczywiście sygnalizacja zadziałała prawidłowo, przy naciskaniu pedału hamulca pojawiał się sygnał dźwiękowy. Ale teraz, problem, którą żarówkę wymienić?
Okazuje się, że potrzebna druga osoba do pomocy, lub ściana za samochodem, albo patyk do zablokowania pedału hamulca, a zwykle tak bywa, że nigdy tych osób lub rzeczy niema pod ręką. Poradziłem sobie za pomocą szczotki do odśnieżania, którą wożę cały rok, jednak wydarzenie zmobilizowało do zamontowania prostej sygnalizacji diodami LED, w której z tylnych lamp jest uszkodzenie.
Diody są zamontowane na słupkach przy górnych rogach tylnej szyby, i są doskonale widoczne we wstecznym lusterku.
W przypadku uszkodzenia żarówki w tylnej lampie, (dowolnej, nie tylko „stop”), przez diody LED, lewą lub prawą, jest zasilany moduł MS, jest sygnał dźwiękowy, oraz wiadomo w której lampie uszkodzenie.
W szereg z diodami nie potrzebne rezystory ograniczające, gdyż prąd pobierany przez sygnalizator MS w czasie trwania sygnału wynosi 21mA, a czasie przerwy 9,5mA, oraz zawsze jest włączony rezystor R=100Ω w module kontaktronów.
Zamontowanie diod na słupkach przy tylnej szybie (kombi) było najłatwiejsze, krótkie przewody, ok. 60cm, łatwe do poprowadzenia i ukrycia. Podobnie będzie i w nie kombi.
Oczywiście, jeżeli ktoś zechce, może zrobić podobną sygnalizację wszystkich lamp, np. gdzieś na pulpicie, jednak wiąże się to z prowadzeniem długich przewodów, i chyba niema większego sensu, gdyż wszystkie światła, z wyjątkiem „stop”, można łatwo sprawdzić po wyjściu z samochodu.
Okazuje się, że potrzebna druga osoba do pomocy, lub ściana za samochodem, albo patyk do zablokowania pedału hamulca, a zwykle tak bywa, że nigdy tych osób lub rzeczy niema pod ręką. Poradziłem sobie za pomocą szczotki do odśnieżania, którą wożę cały rok, jednak wydarzenie zmobilizowało do zamontowania prostej sygnalizacji diodami LED, w której z tylnych lamp jest uszkodzenie.
Diody są zamontowane na słupkach przy górnych rogach tylnej szyby, i są doskonale widoczne we wstecznym lusterku.
W przypadku uszkodzenia żarówki w tylnej lampie, (dowolnej, nie tylko „stop”), przez diody LED, lewą lub prawą, jest zasilany moduł MS, jest sygnał dźwiękowy, oraz wiadomo w której lampie uszkodzenie.
W szereg z diodami nie potrzebne rezystory ograniczające, gdyż prąd pobierany przez sygnalizator MS w czasie trwania sygnału wynosi 21mA, a czasie przerwy 9,5mA, oraz zawsze jest włączony rezystor R=100Ω w module kontaktronów.
Zamontowanie diod na słupkach przy tylnej szybie (kombi) było najłatwiejsze, krótkie przewody, ok. 60cm, łatwe do poprowadzenia i ukrycia. Podobnie będzie i w nie kombi.
Oczywiście, jeżeli ktoś zechce, może zrobić podobną sygnalizację wszystkich lamp, np. gdzieś na pulpicie, jednak wiąże się to z prowadzeniem długich przewodów, i chyba niema większego sensu, gdyż wszystkie światła, z wyjątkiem „stop”, można łatwo sprawdzić po wyjściu z samochodu.
Kto jest online
Użytkownicy przeglądający to forum: Obecnie na forum nie ma żadnego zarejestrowanego użytkownika i 12 gości
