Uniwersalny sygnalizator do samochodu.
W najnowszych modelach samochodów często stosowana jest mnemotechniczna sygnalizacja stanu samochodu w postaci wyświetlacza z sylwetką pojazdu. Jest to bardzo wygodny sposób, pozwalający na szybką i łatwą kontrolę pojazdu.
Na wyświetlaczu są widoczne wszystkie niedomknięte drzwi i klapy, ponadto może być sygnalizowany stan innych urządzeń, np. hamulca ręcznego, świateł, poziomy płynów, zużycie okładzin hamulcowych itp.
Należy jednak mieć świadomość, że za tego typu sygnalizacją, jeżeli jest stosowana w produkcji seryjnej, kryje się bardzo zaawansowana technologia. Wykorzystywane jest sterowanie mikroprocesorowe za pomocą jedno lub dwuprzewodowej linii sterującej wszystkimi urządzeniami w samochodzie. Taki sposób sterowania daje bardzo poważne oszczędności na instalacji elektrycznej. Można w jednym pojeździe zaoszczędzić wiele metrów przewodów połączeniowych, a instalacja jest bardzo prosta.
Opisywany sygnalizator można zamontować do każdego samochodu. Spełnia on praktycznie wszystkie wymagania odnośnie sygnalizacji stanu samochodu. Wykorzystywana jest sygnalizacja za pomocą wyświetlacza, oraz sygnalizacja dźwiękowa. Do zainstalowania konieczne jednak jest poprowadzenie oddzielnych przewodów do każdego kontrolowanego czujnika lub wyłącznika, oraz zastosowanie diod separujących w istniejącej instalacji. Diody separujące są potrzebne, gdyż na przykład, wszystkie wyłączniki drzwiowe są łączone równolegle i włączają jedną lub kilka żarówek oświetlenia wnętrza. Diody separujące (Ds) przy wyłącznikach drzwiowych muszą wytrzymać z zapasem prąd pobierany przez oświetlenie wnętrza (kilka amperów). Spadek napięcia na diodzie jest w tym przypadku mało istotny. Diody separujące najwygodniej montować bezpośrednio w przewodzie dochodzącym do kontrolowanego wyłącznika lub czujnika, z tego powodu muszą one mieć odpowiednią wytrzymałość mechaniczną. Można uniknąć stosowania diod separujących, ale należy wtedy przy każdych drzwiach zainstalować dodatkowe wyłączniki, lub kontaktrony ze stykiem rozwartym w polu magnetycznym, oraz magnesy.
Wyświetlacz sygnalizatora jest zbudowany z diod LED i jest bardzo łatwy do wykonania. Połączony jest z modułem sygnalizatora za pomocą wstążki z 10 przewodów i odpowiedniego złącza. Wejścia sygnalizatora są wyprowadzone kablem wielożyłowym (16 przewodów) odpowiedniej długości i zakończonym wtyczką. Gniazdo tego złącza z doprowadzonymi przewodami od czujników i wyłączników należy zamontować w odpowiednim miejscu w samochodzie. Moduł sygnalizatora należy zamontować tak, aby był możliwy łatwy dostęp do potencjometru siły głosu z wyłącznikiem. Ewentualnie można wynieść potencjometr poza obudowę.
Wyprzedzam zapytania krytyków:, dlaczego nie na mikroprocesorze? Otóż układ ten powstał na bazie doświadczeń przy konstruowaniu i montowaniu podobnych „komputerów” w trzech kolejnych samochodach, zaczynając od Syreny 105 z 1975 roku jeszcze z plusem akumulatora na masie. Układy te miały różny stopień skomplikowania, a ten układ powstał praktycznie „bez myślenia”, po prostu najlepsze rozwiązania zostały zgromadzone w jednym miejscu.
Z mojego doświadczenia w tym zakresie wynika, że nawet najbardziej eleganckie, nowoczesne rozwiązanie nie wyeliminuje tego, co najgorsze i najtrudniejsze, a mianowicie konieczność bezkolizyjnego poprowadzenia instalacji, czyli zwykłych przewodów do każdego kontrolowanego punktu samochodu, oraz dostosowanie wejść urządzenia do elektryki samochodu. Pudełko z mikrokontrolerem byłoby może o 2cm krótsze, ale przy tradycyjnym rozwiązaniu nie potrzeba żadnych programów, oraz wszystko można zrobić tylko za pomocą lutownicy i śrubokręta, a nie jest tego tak dużo.
Zbudowanie takiego układu może też być dobrą wprawką do opanowania układów opartych na zwykłych bramkach logicznych. Dobrze zaprojektowany (zminimalizowany) układ logiczny z wykorzystaniem bramek nie toleruje żadnego błędu w montażu, a tym bardziej w logice projektowania, i dlatego trzeba bardzo uważać aby się nie pomylić, gdyż wtedy nic nie będzie działało.
Z układami logicznymi jest tak, że wszystko wydaje się łatwe i proste, gdy się o nich czyta i analizuje gotowy układ. Natomiast, gdy trzeba na kartce papieru „coś” zaprojektować, gdy jest trochę więcej zmiennych, natychmiast pojawia się „pustka w głowie”. Wtedy ani rusz bez podstaw automatyki: algebry Boole’a, tabelek funkcji, zasad minimalizacji układu, itp.
Opis działania:
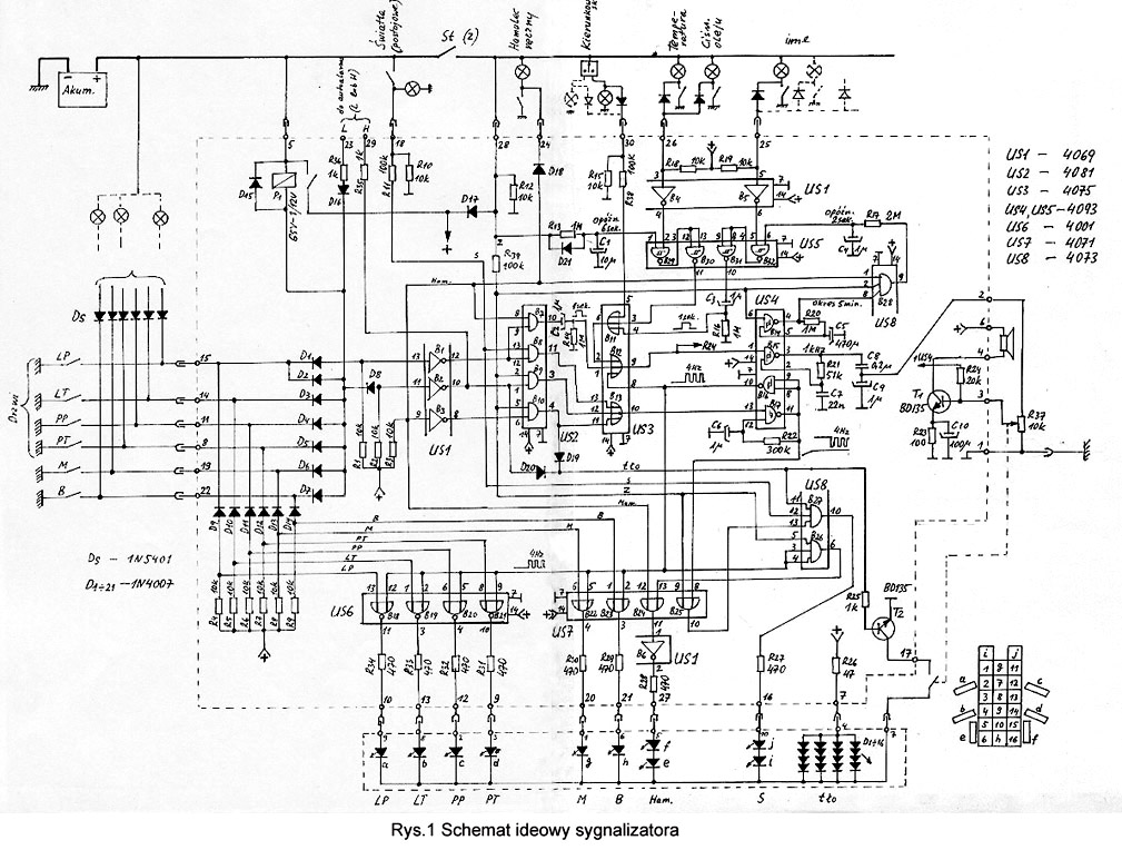
Schemat ideowy sygnalizatora jest pokazany na rys.1. Dla zapewnienia prawidłowej pracy urządzenia należy obowiązkowo podłączyć 3 wejścia:
*wejście 5 – zasilanie +12V przed wyłącznikiem zapłonu.
*wejście 28 – zasilanie +12V za wyłącznikiem zapłonu, oraz jedynka logiczna włączonego zapłonu (stan wysoki, +12V).
*wejście 1 – masa.
Pozostałe wejścia można podłączać w miarę potrzeby. Nie podłączenie któregokolwiek z tych wejść nie wpływa na pracę reszty układu. Nie będzie tylko odpowiedniej sygnalizacji. Na przykład należy pozostawić niepołączone wejścia 14(LT) i 8(PT), gdy mamy do czynienia z samochodem dwudrzwiowym.
*Wejście 8, 11, 14 – drzwi.
Stan niski na jednym z tych wejść spowodowany zwarciem styków wyłącznika drzwiowego, np.14(LT) (lewe tylne) powoduje włączenie przekaźnika P1, i tym samym włączenie zasilania układu. Na wyjściu inwertora B2 pojawi się stan wysoki, napięcie podane przez diodę D20 spowoduje przewodzenie tranzystora T2, zostanie włączone podświetlenie sylwetki samochodu (diody wyświetlacza D1-D16). Na wejściu 6 bramki B22, oraz wejściu 1 bramki B23 jest stan wysoki, więc świecą również diody g, h, symbolizujące pokrywy silnika i bagażnika. Jednocześnie stan niski pojawi się na wejściu 1 bramki B19. Na drugim wejściu bramki B19 też jest stan niski, bo nie pracuje generator 4Hz zbudowany na bramce B17, więc na wyjściu bramki B19 pojawi się stan wysoki i zaświeci dioda b, symbolizująca lewe tylne drzwi. Gdy teraz zostanie włączony zapłon (lub, gdy drzwi zostaną otwarte przy włączonym zapłonie), na obu wejściach bramki B9 będzie stan wysoki, również i na wyjściu bramki B9 jest stan wysoki. Wysoki stan wyjścia B9, przez sumę logiczna na bramce B13 uruchomi generator o częstotliwości 4Hz na bramce B17 (bramka z wejściem Szmitta). Przebieg o częstotliwości 4Hz po odwróceniu inwertorem B16 zostanie podany na wejście 2 bramki B19, dioda b zacznie świecić światłem pulsującym. Jednocześnie przebieg o częstotliwości 4Hz przez sumę logiczną na bramce B12 uruchomi generator 1kHz zbudowany na bramce B15, i zostanie wygenerowany sygnał dźwiękowy o częstotliwości 1kHz przerywany z częstotliwością 4Hz. Analogiczna sytuacja zachodzi przy otwieraniu pozostałych drzwi. Zadziałają odpowiednie bramki ( B20, B21) oraz zaświecą diody c, d. Jednoczesne otwarcie kilku drzwi nie zmienia zasady działania.
*Wejście15 – drzwi kierowcy
Drzwi kierowcy są wyróżnione w ten sposób, ze po ich otwarciu, oprócz normalnej sekwencji logicznej jak dla pozostałych drzwi występuje jeszcze sygnalizacja stanu hamulca ręcznego oraz świateł pozycyjnych. Gdy nie jest zaciągnięty hamulec ręczny po otwarciu drzwi kierowcy wystąpi dodatkowo krótki (1sek.) sygnał dźwiękowy. Jest to informacja, że trzeba zaciągnąć hamulec. Na obu wejściach bramki B7 są wtedy stany wysokie, a więc będzie również stan wysoki na wyjściu 10 tej bramki. Następuje ładowanie kondensatora C2 przez rezystor R14. Czas ładowania jest określony stałą czasową tych elementów wynosi w tym wypadku 1 sekundę. Przez jedną sekundę będzie na wejściu 1 bramki B12 stan wysoki, co spowoduje włączenie generatora 1kHz (B15). Gdy są włączone światła pozycyjne, po otwarciu drzwi kierowcy dodatkowo świecą migającym światłem diody i, j symbolizujące reflektory, oraz występuje przerywany sygnał dźwiękowy. Taki stan jest przy wyłączonym, zapłonie. Gdy zapłon jest włączony diody i, j świecą ciągłym światłem, przerywany sygnał dźwiękowy informuje tylko o otwarciu drzwi, miga dioda a. Włączone światła pozycyjne i otwarte drzwi kierowcy powodują stan wysoki na wyjściu 11 bramki B8, a więc będzie stan wysoki na wejściu 13 bramki B17 (generator 4Hz), i zostanie wygenerowany przerywany sygnał dźwiękowy. Jednocześnie układ logiczny bramek B25 i B27 spowoduje pulsujące świecenie diod i, j. Przy włączonym zapłonie i otwartych drzwiach na wejściu 9 bramki B25 jest stan wysoki, a więc również i na wyjściu tej bramki jest stan wysoki, na wszystkich wejściach bramki B27 też jest stan wysoki i diody i, j świecą światłem ciągłym. Konstrukcja wyłączników świateł jest taka, że nie ma możliwości włączenia świateł drogowych bez jednoczesnego włączenia świateł pozycyjnych, a więc jest również kontrola świateł drogowych. Gdy hamulec ręczny nie jest zaciągnięty i są włączone światła pozycyjne, sygnał dźwiękowy przez 1sek. jest ciągły, a następnie przerywany.
*Wejście 19, 22 – maska silnika, bagażnik.
Sekwencja logiczna dla tych wejść jest taka sama jak dla drzwi, ale bramki B22 oraz B23 są bez negacji (OR), więc po otwarciu maski lub bagażnika diody g lub h nie zaświecą, tworząc w odpowiednich miejscach wyrwy w sylwetce pojazdu. Gdy jest włączony zapłon, diody g, h świecą światłem pulsującym, oraz występuje przerywany sygnał dźwiękowy.
Gdy zachodzi potrzeba jazdy z otwartym bagażnikiem sygnał dźwiękowy można wyciszyć potencjometrem R37, lub całkowicie wyłączyć sygnalizator.
*Wejście 26 – temperatura silnika i ciśnienie oleju.
Niski stan na tym wejściu powoduje uruchomienie ciągłego sygnału dźwiękowego. Wyświetlacz nie jest włączany, sygnalizację optyczną zapewniają istniejące kontrolki.
Gdy jest włączony zapłon, oraz na wejściu 26 stan niski, na obu wejściach bramki B29 jest stan wysoki, na wyjściu 11 bramki B30 będzie również stan wysoki, co spowoduje uruchomienie generatora 1kHz(B15) za pomocą sumy logicznej na bramkach B11 i B12. Gdy silnik nie pracuje, niema ciśnienia oleju i styki czujnika ciśnienia są zwarte, włączenie zapłonu powodowałoby natychmiastowe uruchomienie sygnału dźwiękowego. Z tego powodu jest wprowadzony układ opóźniający z elementami R13 i C1. Po włączeniu zapłonu napięcie na wejściu 1 bramki B29 (bramka z wejściem Szmitta) narasta do wartości logicznej jedynki po czasie około 6 sekund. Jest to czas wystarczający do uruchomienia silnika. Dioda D21 służy do szybkiego rozładowania kondensatora C1 po wyłączeniu zapłonu. Czujnik dopuszczalnej temperatury powinien być bimetaliczny. Gdy jest inny konieczne będzie dobudowanie układu zapewniającego skokowe pojawianie się stanu niskiego po przekroczeniu dopuszczalnej temperatury.
*Wejście 30 – kontrola pracy kierunkowskazów.
Stan wysoki (+12V) na tym wejściu, przy włączonym zapłonie, lub przy otwartych drzwiach (włączenie zasilania) uruchamia natychmiast ciągły sygnał dźwiękowy. Kierunkowskazy można włączyć tylko po włączeniu zapłonu, więc otwarcie drzwi przy wyłączonym zapłonie nie uruchamia ciągłego sygnału dźwiękowego. Podczas pracy kierunkowskazów nie jest włączony wyświetlacz, występuje tylko sygnał dźwiękowy.
Gdy są otwarte drzwi, włączony zapłon, i pracują kierunkowskazy, występuje sekwencja taka jak dla drzwi przy włączonym zapłonie, tzn. jest czynny wyświetlacz, a w przerwach pomiędzy ciągłymi sygnałami dźwiękowymi w rytm pracy kierunkowskazów występuje sygnał dźwiękowy przerywany z częstotliwością 4Hz.
*Wejście 25 – „inne”, kontrola mniej ważnych urządzeń.
Stan niski na tym wejściu przy włączonym zapłonie powoduje wygenerowanie krótkiego (1 sek.) sygnału dźwiękowego. Sygnał ten będzie się powtarzał, co 5 minut, aż do chwili usunięcia przyczyny. Do tego wejścia można podłączyć czujnik rezerwy paliwa, czujniki poziomów płynów: chłodzącego, hamulcowego, spryskiwaczy, czujnik temperatury zewnętrznej (oblodzenie) i inne.
Bramka B14 (z wejściem Szmitta) oraz elementy C5, R20 tworzą generator przebiegu wolnozmiennego o okresie 5 minut. Generator ten jest uruchamiany z chwilą włączenia zapłonu przez podanie wysokiego stanu na wejście 6 bramki B14. Na wyjściu 4 tej bramki będzie się pojawiał stan wysoki, co 5 minut, o czasie trwania 2,5 minuty. Gdy jest zwolniony hamulec ręczny, w chwili pojawienia się stanu wysokiego na wyjściu bramki B14, będą stany wysokie na wszystkich wejściach bramki B28, na jej wyjściu pojawi się stan wysoki. Przez układ opóźniający o 2 sekundy złożony z elementów R17, C4, stan wysoki pojawi się na wejściu 6 bramki B32 (bramka z wejściem Szmitta). Na wejściu 5 bramki B32 jest już stan wysoki pochodzący od wejścia 25, dzięki elementom C3, R16 oraz inwertorowi B31, na wejściu 4 sumy logicznej B11 pojawi się przez 1 sekundę stan wysoki, i dalej przez bramkę B12 zostanie uruchomiony generator 1kHz, a tym samym sygnał dźwiękowy. Opóźnienie o 2 sekundy jest wprowadzone, dlatego, że w czasie, gdy jest włączony zapłon i zaciągnięty hamulec ręczny, cały czas trwa przerywany sygnał dźwiękowy informujący o hamulcu. Po zwolnieni hamulca, po 2 sekundach pojawia się krótki sygnał informujący o stanie wejścia 25.
*Wejście 24 – kontrola hamulca ręcznego.
Gdy na tym wejściu jest stan wysoki, tzn. hamulec nie jest zaciągnięty, występuje sekwencja logiczna opisana w punkcie „wejście 15 – drzwi kierowcy”. Gdy hamulec jest zaciągnięty (stan niski na wejściu 24), ale nie jest włączony zapłon i są zamknięte drzwi i klapy, sygnalizator jest nie czynny. Gdy zostaną otwarte dowolne drzwi, maska lub bagażnik, wystąpi sekwencja logiczna przyporządkowana tym elementom i dodatkowo zaświecą ciągłym światłem diody e, f (czerwone) symbolizujące tylne koła samochodu. Nie będzie sygnału dźwiękowego. Na obu wejściach bramki B24 jest wtedy stan niski, a więc na wyjściu B6 jest stan wysoki, powodujący zaświecenie diod e, f.
Gdy jest włączony zapłon, wszystkie drzwi i klapy zamknięte i zaciągnięty hamulec ręczny, diody e, f świecą światłem pulsującym i jest przerywany sygnał dźwiękowy.
Na wejściach 5 i 6 bramki B10 są wtedy stany wysokie, a więc i na wyjściu 4 tej bramki również jest stan wysoki, przez diodę D19 i tranzystor T2 zostanie włączone podświetlenie sylwetki samochodu (diody D1-D16). Stan wysoki wyjścia B10 za pomocą bramki B13 uruchomi generator 4Hz(B17), i dalej, przez bramki B16 i B12 zostanie uruchomiony generator 1kHz, wytwarzając przerywany sygnał dźwiękowy. Jednocześnie na wejściu 5 bramki B26 jest stan wysoki (zapłon), a na wejściach 3 i 4 pojawi się przebieg 4Hz, a więc na wyjściu 6 tej bramki również będzie ten przebieg i przez bramki B24 i B6 zostaną wysterowane diody e, f. Zaświecą światłem pulsującym.
*Wejście 18 – kontrola świateł pozycyjnych.
Stan wysoki (+12V) na tym wejściu, gdy są otwarte drzwi lub klapy, powoduje zaświecenie diod i, j (żółte), symbolizujące reflektory. Dokładny opis sekwencji logicznej jest podany w punkcie „wejście 15 – drzwi kierowcy”.
*Wejście 28 – kontrola włączonego zapłonu.
Dzięki diodzie D17 również jest uzyskiwane z tego wejścia zasilanie wtedy, gdy wszystkie drzwi i klapy są zamknięte. Stan wysoki (+12V) na tym wejściu, oprócz zasilania jest również jedynką logiczną symbolizującą włączenie zapłonu.
*Wejście 23, 29.
Te wejścia można wykorzystać do sterowania autoalarmu. Po otwarciu drzwi, maski, lub bagażnika na wejściu 23 pojawia się stan niski, a na wejściu 29 stan wysoki.
*Wejście 5 – zasilanie, gdy jest wyłączony zapłon.
W celu uproszczenia układu włączającego zastosowano miniaturowy przekaźnik P1.
Z powyższego, dość zawiłego opisu wynika prosta, ogólna zasada działania sygnalizatora:, gdy samochód jest gotowy do jazdy, „nic nie piszczy i nic nie świeci”, z wyjątkiem dźwiękowej sygnalizacji pracy kierunkowskazów.
Układ zmontowany bez pomyłek działa natychmiast, bez żadnego wstępnego uruchamiania. Przed zamontowaniem do samochodu można sprawdzić działanie podłączając zasilanie 12V i łącząc dwa wyłączniki w miejsce wyłącznika zapłonu i wyłącznika świateł. Zwierając do masy, lub do plusa zasilania odpowiednie wejścia w różnych pozycjach tych wyłączników, można przetestować wszystkie sekwencje sygnalizatora. Można także, zmieniając wartości RC w generatorach i układach czasowych, dobrać pracę tych układów według indywidualnego upodobania. Dzielnik C8C9 w znacznym stopniu łagodzi efekt stukania w głośniku, gdy występuje przerywany sygnał dźwiękowy (przełączanie 4Hz).
Płytka drukowana jest pokazana na rys.2, rozmieszczenie elementów na rys.3. Na rysunku płytki drukowanej brak połączeń rezystora R39, oraz inaczej jest połączony R24. Te zmiany zostały wprowadzone później. Rezystor R39 został dodany, a R24 połączony inaczej, tak, aby przez tranzystor T1 nie płynął prąd, gdy brak sygnału dźwiękowego.
Obudowę wykonano z paska blachy ocynkowanej o szerokości 4,5cm (wysokość głośnika) i długości około 43cm, uformowanego w kształcie ramki o odpowiednich do płytki drukowanej bokach. Do przylutowanych w odpowiednich miejscach kątowniczków przykręca się płytkę, oraz górną i dolną pokrywę. W krótszym boku ramki należy wykonać otwór do zamontowania potencjometru, przewody połączeniowe wyprowadzić przez otwory wykonane w przeciwległym boku. Gniazdo wejściowe, oraz do podłączenia wyświetlacza zostały wykonane jako wiszące, gdyż tak jest najłatwiej.
Płytka drukowana wyświetlacza pokazana na rys.4, sposób łączenia diod na rys.5, a ich rozmieszczenie również na schemacie na rys.1.
Aby zapobiec powstawaniu trudnych do usunięcia szczelin montażowych, diody 1÷16 oraz g, h po włożeniu do otworów należy mocno związać lub ścisnąć opaską gumową, następnie przyciąć końcówki i po dokładnym wyrównaniu powierzchni czołowych, przylutować. Montując pozostałe diody należy przylutować jedną końcówkę, i po dokładnym ustawieniu w stosunku do maski, przylutować drugą. Unika się w ten sposób uszkodzenia płytki drukowanej.
Maska wyświetlacza jest pokazana na rys.6. Wycięta została z cienkiej folii miedzianej. Po złożeniu arkusika na pół, należy wycinać połówkę sylwetki. Po wyprostowaniu takiej wycinanki otrzymuje się idealną symetrię. Kontury szyb i dachu należy wykonać z drucików i przylutować w odpowiednie miejsca.
Wykonanie odpowiedniej maski jest sprawą indywidualną i zależy od tego, na przykład, jakie zastosuje się diody, (np. SMD). Ja dodatkowo dokleiłem jeszcze duży „dach”, bo zbyt jasne wypadło podświetlenie i drzwi gubiły się w jasnej, zielonej plamie. Wyszedł efekt taki jak na fotografii. Do wykonania maski nie można użyć czarnego papieru. Byłoby tak najłatwiej, ale niestety, papier z czasem marszczy się i wypacza pod wpływem wilgoci i temperatury.
Na diody drzwi, hamulca i świateł trzeba nałożyć ekrany, na przykład z aluminiowej folii po czekoladkach, aby nie było wzajemnego podświetlania, oraz podświetlania przez diody tła.
Konstrukcja wyświetlacza jest pokazana na rys.7. W takim wykonaniu obudowę i ramkę pomocniczą należy zrobić z cynowanej blachy o grubości 0,3mm. Do ramki są przylutowane dwa wsporniki z drutu (lub cztery oddzielne druciki), i za ich pomocą całość przylutowana do płytki drukowanej z diodami, z zachowaniem odpowiedniej wysokości. Po dokładnym ustawieniu maski i diod, płytkę już jako kompletny podzespół należy przylutować do boków obudowy kilkoma punktowymi lutami. W ten sam sposób mocuje się dno obudowy. Jeżeli maska będzie zrobiona z odpowiednio sztywnej blaszki, można zrezygnować z ramki pomocniczej.
Wyświetlacz najlepiej umocować w odpowiednim miejscu za pomocą dwustronnego przylepca, a przewody połączeniowe wprowadzić do wnętrza pulpitu przez istniejące szczeliny.
W tabeli na rys.8 podana jest szczegółowa instrukcja montażu sygnalizatora w samochodzie Skoda Octavia kombi. Automat oświetleniowy zaznaczony jako kwadrat linią przerywaną z opisem „oświetlenie wnętrza”, po pomiarach omomierzem wykazuje charakter złącza PN o zwrocie zaznaczonym symbolem diody. Przy drzwiach kierowcy to zjawisko nie występuje, i tam nie trzeba stosować diody separującej.
W Octavii sygnalizator został ułożony na tunelu środkowym, za otwieraną popielniczką, w ten sposób, że potencjometr wychodzi przez otwór zrobiony w osłonie bocznej nieco poniżej kolana kierowcy. Wyświetlacz jest dopasowany wymiarami do otwartego schowka pod odbiornikiem radiowym i tam umieszczony na „lekki wcisk”.
Wykaz elementów.
Układy scalone:
US1 - 4069…………………….1 szt.
US2 - 4081…………………….1 szt.
US3 - 4075…………………….1 szt.
US4, US5 – 4093.........................2 szt.
US6 - 4001.................................1 szt.
US7 - 4071.................................1 szt.
US8 - 4073.................................1 szt.
Rezystory:
R1÷R10, R12, R15, R18, R19 – 10k.......14 szt.
R27÷R34 - 470Ω………………………...8 szt.
R11, R38, R39 – 100k…………………...3 szt.
R13, R14, R16, R20 – 1M……………….4 szt.
R17 – 2M………………………………...1 szt.
R21 – 51k………………………………..1 szt.
R22 – 300k………………………………1 szt.
R23 - 100Ω………………………………1 szt.
R24 – 20k………………………………..1 szt.
R25, R35, R36 – 1k……………………...3 szt.
R26 - 47Ω………………………………..1 szt.
R37 – 10k potencjometr z wyłącznikiem…1 szt.
Kondensatory:
C1 - 10µ/25V…………………………1 szt.
C2, C3, C4, C6, C9 - 1µ/25V………...5 szt.
C5 - 470µ/25V………………………..1 szt.
C7 – 22n………………………………1 szt.
C8 – 0,2µ……………………………...1 szt.
C10 - 100µ/25V……………………….1 szt.
Diody:
D1÷D21 – 1N4007…………….21 szt.
Ds – 1N5401….. wg. potrzeby.
Tranzystory:
T1, T2 – BD135………………2 szt.
Przekaźnik G5V-1/12V..............1 szt.
Głośnik 4÷16Ω………………...1 szt.
Diody LED wyświetlacza:
a, b, c, d 2,3x7mm zielona ….4 szt.
e, f 2,3x7mm czerwona…2 szt.
g, h, 1÷16 5x5mm zielona…….18 szt.
i, j 5x5mm żółta………..2 szt.
Przewód wstążkowy (10 przew.)…..ok. 1m.
Przewód połączeniowy…………….ok. 30m.
Aktyw Forum
Zarejestruj się na forum.ep.com.pl i zgłoś swój akces do Aktywu Forum. Jeśli jesteś już zarejestrowany wystarczy, że się zalogujesz.
Sprawdź punkty Zarejestruj sięUniwersalny sygnalizator do samochodu.
Moderatorzy:Jacek Bogusz, robertw, Moderatorzy
Sygnalizator był opracowany i zamontowany w 2002r. i wtedy nie obowiązywała jazda z włączonymi światłami mijania w ciągu dnia, i dlatego nie uwzględniłem opcji sygnalizowania nie włączonych świateł w czasie jazdy (włączenia zapłonu).
Taka sygnalizacja obecnie jest bardzo przydatna, gdyż np. mam zamontowany automatyczny wyłącznik świateł, i praktycznie nigdy nie korzystam z włącznika świateł, ale czasami trzeba coś zrobić w samochodzie przy włączonym zapłonie i wtedy światła są nie potrzebne. Kilkakrotnie złapałem się na tym, że wtedy zapominam włączyć automat, i jest jazda bez świateł. No i oczywiście, jeżeli już jest taki dość rozbudowany sygnalizator, to powinien on być kompletny.
Modernizacja jest dość prosta. Trzeba w trzech miejscach przeciąć druk i podłączyć dodatkową płytkę z dwoma układami scalonymi, CD4011, CD4071, i diodą D22.
Układ zachowuje wszystkie poprzednie właściwości, a dodatkowo są sygnalizowane nie włączone światła po włączeniu zapłonu.
Sygnalizacja jest optyczna, migają diody j,i, oraz dźwiękowa, występuje przerywany sygnał dźwiękowy.
Układy scalone i dioda D22 zostały umieszczone na sztywnej tekturce i połączone cienkimi, izolowanymi przewodami, gdyż nie warto było robić płytkę drukowaną. Całość, po przewierceniu otworków w głównej płycie została połączona przewodami o długości ok. 12cm, do ścieżek w odpowiednie miejsca, i po włożeniu do nylonowej torebki, umieszczona obok głośnika.
Kolejną modernizacją jest przystosowanie sygnalizatora do współpracy ze wskaźnikiem włączonego biegu, gdyż ten wskaźnik pojawił się w później:
viewtopic.php?t=18043
w ten sposób, że dźwiękowy sygnał o zaciągniętym ręcznym hamulcu przy pracującym silniku występuje wtedy, gdy jest włączony dowolny bieg. Gdy żaden bieg nie włączony, sygnalizator pokazuje na wyświetlaczu hamulec, ale brak wtedy sygnału dźwiękowego.
Taką modernizację wprowadziłem po to aby wyeliminować dokuczliwy sygnał dźwiękowy wtedy, gdy na przykład, stoimy pod światłami z pracującym silnikiem i zaciągniętym hamulcem, lub na kogoś czekamy.
Ta modernizacja jest bardzo prosta, gdyż nie potrzebna dodatkowa płytka, trzeba tylko odpowiednio zmienić połączenia.
1) W matrycy diodowej wskaźnika biegu należy dołożyć dwie diody do segmentów c, g, oraz dorobić dodatkowe wyjście dla przewodu, tak, jak pokazuje rysunek. Segmenty c, lub g, lub oba na raz występują przy każdym biegu, i wtedy na dodatkowym wyjściu jest stan niski. Gdy żaden bieg nie włączony, na dodatkowym wyjściu stan wysoki.
2) przeciąć ścieżki tak, aby nóżka 1 bramki B29(US5) pozostała wolna, lub można tylko wymontować elementy R13, D21, C1.
3) Przeciąć połączenie nóżki 3 bramki B11 i nóżki 11 bramki B30.
4) Przeciąć połączenie n.11 bramki B13 (US3) tak, aby n.11 bramki B13 była wolna.
5) Nóżkę 1 bramki B29 połączyć z nóżką 4 bramki B10 i anodą D19.
6) Nóżkę 3 bramki B11 połączyć do masy.
7) Nóżkę 11 bramki B30 (wyjście) połączyć z nóżką 11 (wejście) bramki B13.
8. Do wejścia 26 na płytce drukowanej podłączyć przewód od dodatkowego wyjścia z matrycy wskaźnika biegu
Po takiej przeróbce, przy pracującym silniku, zaciągniętym hamulcu i nie włączonym biegu, na wyświetlaczu jest sylwetka pojazdu, świecą ciągłym światłem diody e, f hamulca, oraz diody i, j świateł. Brak sygnału dźwiękowego.
Po włączeniu dowolnego biegu (hamulec zaciągnięty), pojawia się przerywany sygnał dźwiękowy i migają diody e, f hamulca.
Po zwolnieniu hamulca sygnalizator wyłącza się, można jechać.
Taka sygnalizacja obecnie jest bardzo przydatna, gdyż np. mam zamontowany automatyczny wyłącznik świateł, i praktycznie nigdy nie korzystam z włącznika świateł, ale czasami trzeba coś zrobić w samochodzie przy włączonym zapłonie i wtedy światła są nie potrzebne. Kilkakrotnie złapałem się na tym, że wtedy zapominam włączyć automat, i jest jazda bez świateł. No i oczywiście, jeżeli już jest taki dość rozbudowany sygnalizator, to powinien on być kompletny.
Modernizacja jest dość prosta. Trzeba w trzech miejscach przeciąć druk i podłączyć dodatkową płytkę z dwoma układami scalonymi, CD4011, CD4071, i diodą D22.
Układ zachowuje wszystkie poprzednie właściwości, a dodatkowo są sygnalizowane nie włączone światła po włączeniu zapłonu.
Sygnalizacja jest optyczna, migają diody j,i, oraz dźwiękowa, występuje przerywany sygnał dźwiękowy.
Układy scalone i dioda D22 zostały umieszczone na sztywnej tekturce i połączone cienkimi, izolowanymi przewodami, gdyż nie warto było robić płytkę drukowaną. Całość, po przewierceniu otworków w głównej płycie została połączona przewodami o długości ok. 12cm, do ścieżek w odpowiednie miejsca, i po włożeniu do nylonowej torebki, umieszczona obok głośnika.
Kolejną modernizacją jest przystosowanie sygnalizatora do współpracy ze wskaźnikiem włączonego biegu, gdyż ten wskaźnik pojawił się w później:
viewtopic.php?t=18043
w ten sposób, że dźwiękowy sygnał o zaciągniętym ręcznym hamulcu przy pracującym silniku występuje wtedy, gdy jest włączony dowolny bieg. Gdy żaden bieg nie włączony, sygnalizator pokazuje na wyświetlaczu hamulec, ale brak wtedy sygnału dźwiękowego.
Taką modernizację wprowadziłem po to aby wyeliminować dokuczliwy sygnał dźwiękowy wtedy, gdy na przykład, stoimy pod światłami z pracującym silnikiem i zaciągniętym hamulcem, lub na kogoś czekamy.
Ta modernizacja jest bardzo prosta, gdyż nie potrzebna dodatkowa płytka, trzeba tylko odpowiednio zmienić połączenia.
1) W matrycy diodowej wskaźnika biegu należy dołożyć dwie diody do segmentów c, g, oraz dorobić dodatkowe wyjście dla przewodu, tak, jak pokazuje rysunek. Segmenty c, lub g, lub oba na raz występują przy każdym biegu, i wtedy na dodatkowym wyjściu jest stan niski. Gdy żaden bieg nie włączony, na dodatkowym wyjściu stan wysoki.
2) przeciąć ścieżki tak, aby nóżka 1 bramki B29(US5) pozostała wolna, lub można tylko wymontować elementy R13, D21, C1.
3) Przeciąć połączenie nóżki 3 bramki B11 i nóżki 11 bramki B30.
4) Przeciąć połączenie n.11 bramki B13 (US3) tak, aby n.11 bramki B13 była wolna.
5) Nóżkę 1 bramki B29 połączyć z nóżką 4 bramki B10 i anodą D19.
6) Nóżkę 3 bramki B11 połączyć do masy.
7) Nóżkę 11 bramki B30 (wyjście) połączyć z nóżką 11 (wejście) bramki B13.
8. Do wejścia 26 na płytce drukowanej podłączyć przewód od dodatkowego wyjścia z matrycy wskaźnika biegu
Po takiej przeróbce, przy pracującym silniku, zaciągniętym hamulcu i nie włączonym biegu, na wyświetlaczu jest sylwetka pojazdu, świecą ciągłym światłem diody e, f hamulca, oraz diody i, j świateł. Brak sygnału dźwiękowego.
Po włączeniu dowolnego biegu (hamulec zaciągnięty), pojawia się przerywany sygnał dźwiękowy i migają diody e, f hamulca.
Po zwolnieniu hamulca sygnalizator wyłącza się, można jechać.
Ostatnio zmieniony 5 maja 2008, o 09:02 przez Marian B, łącznie zmieniany 1 raz.
moją uwagę przykuły te świecące na czerwono tylne koła. Doczekać się nie mogę twojego patentu na mierzenie ciśnienia w kołach 
Mam pytanko do autora,
mam w autku wszystkie niezbędne czujniki, do wszystkich drzwi, pokrywy silnika, bagażnika tyle tylko że wszystkie drzwi mam na magidtrali CAN i czujniki są przy zamkach, musiałbym rozebrać każde drzwi z osobna i przeprowadzić kabelki
Może ujrzymy nowszą wersję tego urządzonka które zczytywałoby info bezpośrednio z CAN ? a potem już tylko krok do dołożenia centralzamka z pilota i alarmu, oczywiście też tylko na 4 kabelki: 2 zasilania i 2 linie CAN
Mam pytanko do autora,
mam w autku wszystkie niezbędne czujniki, do wszystkich drzwi, pokrywy silnika, bagażnika tyle tylko że wszystkie drzwi mam na magidtrali CAN i czujniki są przy zamkach, musiałbym rozebrać każde drzwi z osobna i przeprowadzić kabelki
Może ujrzymy nowszą wersję tego urządzonka które zczytywałoby info bezpośrednio z CAN ? a potem już tylko krok do dołożenia centralzamka z pilota i alarmu, oczywiście też tylko na 4 kabelki: 2 zasilania i 2 linie CAN
Warto by opracować taki układ, ale do tego trzeba by mieć odpowiedni samochód, aby zweryfikować urządzonko w praktycznym działaniu. Moim zdaniem samochód w którym jest magistrala sterująca, to już ma coś takiego wbudowane (powinien).
Poza tym jest obawa, że ingerencja w system sterujący może się żle odbić na pracy innych urządzeń. Dobudowywanie czego kolwiek powinno być w ten sposób, aby nie było możliwości zaszkodzić, i zachowana możliwość wycofania się w każdej chwili.
Niestety zawsze to się wiąże z dodatkowym nakładem pracy, a czasami i kosztów.
Poza tym jest obawa, że ingerencja w system sterujący może się żle odbić na pracy innych urządzeń. Dobudowywanie czego kolwiek powinno być w ten sposób, aby nie było możliwości zaszkodzić, i zachowana możliwość wycofania się w każdej chwili.
Niestety zawsze to się wiąże z dodatkowym nakładem pracy, a czasami i kosztów.
Kto jest online
Użytkownicy przeglądający to forum: Obecnie na forum nie ma żadnego zarejestrowanego użytkownika i 10 gości
