Aktyw Forum

Zarejestruj się na forum.ep.com.pl i zgłoś swój akces do Aktywu Forum. Jeśli jesteś już zarejestrowany wystarczy, że się zalogujesz.

Sprawdź punkty Zarejestruj się

Transformator głośnikowy dla duotriody 6H13C w układzie PP

Awatar użytkownika
tasza
-
-
Posty:456
Rejestracja:17 sty 2005, o 10:52

Postautor: tasza » 10 maja 2006, o 08:31

:arrow: Jurek Szczesiul
mam pytanie: ten wyświetlacz to jest wspólna katoda?

w tabelce z parametrami, dla Vdd = 5V on ma Ioh coś około 3mA,
czy to starcza aby wyświetlacz jakoś sensownie pokazywał?
i czy można tak bezpośrednio 7-seg zapiąć pomiędzy wyjścia a masę?
w dokumentacji każą dostawiać bufory/wzmacniacze...:uhoh:

tasza

Jurek Szczesiul
-
-
Posty:175
Rejestracja:10 paź 2003, o 20:44
Lokalizacja:Białystok
Kontaktowanie:

Postautor: Jurek Szczesiul » 10 maja 2006, o 13:30

:arrow: Jurek Szczesiul
mam pytanie: ten wyświetlacz to jest wspólna katoda?

w tabelce z parametrami, dla Vdd = 5V on ma Ioh coś około 3mA,
czy to starcza aby wyświetlacz jakoś sensownie pokazywał?
i czy można tak bezpośrednio 7-seg zapiąć pomiędzy wyjścia a masę?
w dokumentacji każą dostawiać bufory/wzmacniacze...:uhoh:

tasza
Tak, wspólna katoda. Segmenty dostają prąd nasycenia wyjściowych
tranzystorów kostki - przy 5V to jest kilka mA. Nie "bije po oczach" ale
w przeciętnych warunkach całkiem czytelne ( przeważnie wstawiałem zielone ).
To właśnie jest w tych starych C-mosach fajne - bardzo upraszcza montaż
( w zależności od potrzeb sterowania bierzesz sobie rejestry, 4543 itd. )

Pozdrowienia Jurek S.

Awatar użytkownika
tasza
-
-
Posty:456
Rejestracja:17 sty 2005, o 10:52

Licznik cewek dla Tomka (podejście numer jeden)

Postautor: tasza » 10 maja 2006, o 13:33

dziękuje,
ja tych kostek nigdy nie używałam, stąd pytanie

tasza

.............................dodane wieczorową porą.......................................

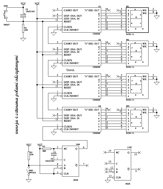
Licznik cewek v.1

W załącznikach fotki druciaka z działającymi dwoma dekadami licznika (miałam tylko dwa wyświetlacze WK..),
w roli głównej CD4026 do świecenia i liczenia, a 1/2 kości CD4528 jako debouncer...
schemat ideowy także w załączniku (obrazek i zazipowany pdf)

jak to działa - w kilku słowach:

U1,U2,U3 to kaskadowo zapięte liczniki/sterowniki LED,
połączone tak że mają wspólny reset, wymuszany naciśnięciem przycisku SW1.

Wejście CLOCK układu U3 (licznik jedności) jest sterowane z przerzutnika
monostabilnego (U4) skonfigurowanego tak, aby generował impuls o czasie
kilkaset ms po zwarciu przycisku SW2.
Czas ten dobrałam eksperymentalnie, tak aby zahaczanie kabelkiem udającym SW2
nie powodowało wariowania licznika, ale spokojne liczenie.
O czasie trwania impulsu na wyjściu Q układu U4 decydują elementy R3, C2
i u mnie one są odpowiednio: 56K i 10uF. Układzik działa fajnie, ale jeżeli
okaże się, że jednak trzeba w/w czas skrócić - poponuję wstawić 4.7uF lub
zamiast 56K dać 22K i potencjometr 47K do kręcenia i regulacji, jakkolwiek.

Co dalej....

Układ jest zasilany z +12 po przepuszczeniu przez lokalny stabilizatorek LM7805,
czyli wynikowo dostaje +5V.
Scalaki (liczniki) są zimne, jasność świecenia wyświetlaczy oceńcie proszę sami (zdjęcia nie były korygowane)
Wprawdzie te akurat to są Kingbright SC52, ale myślę że każde inne równie ładnie zadziałają.
Ewentualnie moża je przykryć zielonym transparentnym filterm i wtedy będzie naprawdę super.

Na schemacie tego nie ma, ale przy każdej kości mają być kondensatorki blokujące 100nF.

Płytki póki co nie projektowałam...
jeżeli Tomek to wypróbuje w praniu i ruszy - będziemy myśleć co dalej.

uff, to tyle... :roll:

pozdrawiam,
tasza
Załączniki
scc-1-sch.gif
schemat ideowy
scc-1-sch.zip
schemat pdf/zip
(11.57KiB)Pobrany 284 razy
IMG_0670.JPG
IMG_0673.JPG

Awatar użytkownika
Sova
-
-
Posty:510
Rejestracja:10 lis 2003, o 21:43
Lokalizacja:Ostrołęka
Kontaktowanie:

Postautor: Sova » 11 maja 2006, o 14:09

Ja płytkę zrobię, nie ma problemu, wieczorem postaram się ją opublikować. Zaznacz na schemacie tylko WSZYSTKO - te kondensatory 100n bo nie wiem gdzie mają być i nóżki zasilania także narysuj. Elementy już kupiłem - mam jedynie 3 ledki, kupie 4tą jak będzie w sklepie dostępna, bo pomyślałem, że trafa sieciowe czasem maja ponad 1000zwojów. Bardzo dziękuję za schemat Tasza!

Awatar użytkownika
tasza
-
-
Posty:456
Rejestracja:17 sty 2005, o 10:52

Postautor: tasza » 11 maja 2006, o 14:52

w załącznikach dodatki - pinologia 4026 i 4528, tu jego data-sheet:
:arrow: http://www1.jaycar.com.au/images_uploaded/CD4528BC.PDF
oba typy układów są w DIP16 - masa (GND,Vss) to pin 8,
zasilanie (VCC czy jak to piszą Vdd) to pin 16
aha, masz nowy schemat - z wersją dla czterech pól odczytowych,
numeracja kostek się rozjechała, ale go robiłam w MSPaint

zastanawiam się teraz nad jedną rzeczą....a mianowicie tym drugim,
niewykorzystanym przerzutnikiem w U4, jego wszystkie wyprowadzenia wiszą w powietrzu
i nie wiem, czy to mądre - więc może tak: pin 13 U4 daj do masy (połącz z Vss),
to jest wejście zerujące i ufam że takie połączenie go znieczuli... :uhoh:

te C6...C10 jak najbliżej kostek, a jak Ci będzie trudno, to nie rób ścieżek na siłę,
tylko zalutuj pod kątem, od spodu płytki, bezpośrednio na pinach podstawki,
tak się czasem robi i to żaden wstyd

więc nie robisz 'druciaka'? tylko tak na żywioł?
oj, zaczynam się denerwować co z tego będzie.... :553:

pa,
tasza
nieco struchlała
Załączniki
scc-2-sch.gif
scc-zasilacz.gif
scc-zasilacz.gif (4.28KiB)Przejrzano 13007 razy
cd4026.GIF
cd4026.GIF (4.99KiB)Przejrzano 13010 razy
cd4528.GIF
cd4528.GIF (7.9KiB)Przejrzano 13011 razy

Awatar użytkownika
Sova
-
-
Posty:510
Rejestracja:10 lis 2003, o 21:43
Lokalizacja:Ostrołęka
Kontaktowanie:

Postautor: Sova » 11 maja 2006, o 18:30

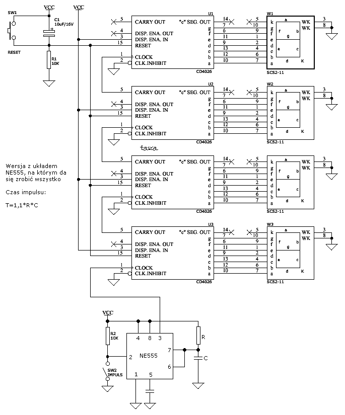
PCB już ładnie wygląda ale dziś nie będzie :). Tasza, czy nóżka CLOCK zlicza na impuls wysoki czy niski? Pytam, bo zamiast 4528 dałem NE555 - bo przecież na nim się da wszystko zrobić ;P a nie będą sterczeć żadne zbędne nóżki(poza tym miałem go w domu)

Awatar użytkownika
tasza
-
-
Posty:456
Rejestracja:17 sty 2005, o 10:52

Postautor: tasza » 11 maja 2006, o 18:46

Tasza, czy nóżka CLOCK zlicza na impuls wysoki czy niski? Pytam, bo zamiast 4528 dałem NE555
joj, robi się ciekawie....

więc jest tak:
dla wejścia CLOCK INHIBIT w stanie L kostka liczy narastające zbocza (__/---)
sygnału podawanego na CLOCK

jeżeli pasują Ci jednak ujemne (ałć...) opadające ----\___ zbocza
to CLOCK na stałe w H, a impulsy podajesz na CLOCK INHIBIT...
to sztuczka taka...całkiem fajnie pomyśleli

aha, ewentualną przeróbkę wykonujesz tylko dla pierwszego licznika
tego od jedności, reszta ma być tak jak na schemacie...

tasza

RcTomek
-
-
Posty:357
Rejestracja:18 lip 2005, o 17:28
Lokalizacja:Głogów / Wrocław

Postautor: RcTomek » 12 maja 2006, o 13:14

Witam,
znalazłem taki schemat licznika 3-cyfrowego. Dwa scalaki, praca w trybie multipleksowym. Może sięprzyda.
4553 DataSheet http://fileshare.eshop.bg/downloadsm/16 ... _4553.html
Załączniki
3_ca_led.gif
3_ca_led.gif (7.17KiB)Przejrzano 12940 razy
Ostatnio zmieniony 12 maja 2006, o 15:30 przez RcTomek, łącznie zmieniany 2 razy.

Awatar użytkownika
Sova
-
-
Posty:510
Rejestracja:10 lis 2003, o 21:43
Lokalizacja:Ostrołęka
Kontaktowanie:

Postautor: Sova » 12 maja 2006, o 13:43

O i o ile prostszy :)!!!. No nic teraz mamy dwa. Oto obiecana płytka. Nie potrafiłem bez zworek, ale takie zworki wg mnie to niech będą :). Nóżka nr 3 układów CD4026 jest od strony miedzi, wszytko inne normalne. Wyświetlacze LED to SC56-11, ale SC52-11 też mogą być(poprostu takie mieli w sklepie i jeszcze trzy :/ kolor świecenia mi nieznany). Zamiast 4528 dałem układ na którym się da zrobić wszystko, czyli NE555, nic nie wisi w powietrzu, a taki też miałem w domu. Jeśli znajdziecie jakiekolwiek błędy dajcie znać to poprawie PCB. NE555 na nóżce nr 5 ma 100n.
Załączniki
PCB.JPG
scc-2-sch.gif
pcb.rar
(4.25KiB)Pobrany 378 razy

Awatar użytkownika
tasza
-
-
Posty:456
Rejestracja:17 sty 2005, o 10:52

Postautor: tasza » 12 maja 2006, o 14:37

:arrow: Ddevil
licznik fajny, tylko w rozwiązaniu z użyciem kostek 4026 według mnie łatwiej
jest dodawać kolejne dekady...po prostu CTRL+C, CTRL+V, zarówno na schemacie
jak i na pcb - popatrz jak Tomek mozajkę namalował... :idea:

:arrow: Sova
czy te Twoje 7-seg mają taki sam układ wyprowadzeń jak te ze schematu?
może sprawdź, aby nie było :o

aha, maleńka uwaga co do pcb - połączenie pinów 3 i 16 (to pod kątem)
jak robisz zworki to będzie Ci ciężko drucik zalutować, no bo do czego?
w załączniku masz drobny fix - dwa padziki i do nich kros nad ścieżką...

poprawności mozajki nie sprawdzę, wybacz...
w piątek, o tej porze zwykle mam już dół intelektualny :626:

tasza
Załączniki
maly_fix_plytki.GIF
poł±czenie 3->16

RcTomek
-
-
Posty:357
Rejestracja:18 lip 2005, o 17:28
Lokalizacja:Głogów / Wrocław

Postautor: RcTomek » 12 maja 2006, o 15:24

:arrow: Ddevil
licznik fajny, tylko w rozwiązaniu z użyciem kostek 4026 według mnie łatwiej
jest dodawać kolejne dekady...po prostu CTRL+C, CTRL+V, zarówno na schemacie
jak i na pcb - popatrz jak Tomek mozajkę namalował... :idea:
W tym przypadku także można zwiększyć, ale o kolejne 3 cyfry. Chociaż można też kombinować z dodawaniem, tzn. dodać jedną lub dwie dodatkowe...
Elektronika to sztuka kombinowania (kombinowania, żeby układ zawierał jak najmniej elementów i jednocześnie w całości spełniał swoje zadanie). Gdzieś to już widziałem na forum :wink:

Awatar użytkownika
tasza
-
-
Posty:456
Rejestracja:17 sty 2005, o 10:52

Postautor: tasza » 12 maja 2006, o 16:44

Elektronika to sztuka kombinowania (kombinowania, żeby układ zawierał
jak najmniej elementów i jednocześnie w całości spełniał swoje zadanie).
a tak, dokładnie...
choć biorąc pod uwagę hobbystyczne podejście to też sztuka zrobienia czegoś
z elementów, które są pod ręką, w przysłowiowej szufladzie...
ewentualnie kupując tylko to, co jest naprawdę niezbędne...

o, takie tam popołudniowe przemyślenia... sorki za OT

:arrow: Sova, End
zastanówcie się razem, czy nie byłoby dobrze sprawę licznika i nawijarki
odzielić od wątku z trafkiem...Adam Ruta proponował nowy wątek w DIY...
może fajnie mieć przepis na nawijarkę z licznikiem (w dwóch wariantach :) )

no, ja znikam do poniedziałku...
Tomek - poradzisz sobie? na pewno tak...

miłego weekendu dla wszystkich,
tasza

Awatar użytkownika
Sova
-
-
Posty:510
Rejestracja:10 lis 2003, o 21:43
Lokalizacja:Ostrołęka
Kontaktowanie:

Postautor: Sova » 15 maja 2006, o 14:25

Chciałbym tylko powiedzieć, że PCB jest bez błędów, a licznik śmiga super. Okes stanu wysokiego timera NE555 wynosi około 0,47s co dla silnika od wycieraczek poloneza wystarczy całkowicie(chodzi mi o iskrzenie styku)! Chciałbym wam podziękować za pomoc, a w szczególności Tobie Tasza.
Załączniki
Image000.jpg
Image000.jpg (9.33KiB)Przejrzano 12907 razy
Image001.jpg
Image001.jpg (9.58KiB)Przejrzano 12907 razy

Awatar użytkownika
tasza
-
-
Posty:456
Rejestracja:17 sty 2005, o 10:52

Postautor: tasza » 16 maja 2006, o 08:21

:D
super!

Awatar użytkownika
Sova
-
-
Posty:510
Rejestracja:10 lis 2003, o 21:43
Lokalizacja:Ostrołęka
Kontaktowanie:

Postautor: Sova » 15 cze 2006, o 22:02

Uznałem, że ten temat już jest jakby mój, więc czuję potrzebę, a raczej chęć, zaprezentowania moich następnych tworów. Sprawa, czy kogoś to interesuje, czy też nie, jest mniej ważna :).
Załączniki
Image000.jpg
Wszytkie elementy indykcyjne ł±cznie z kondensatorami ze starych zasilaczy komputerowych - jednym słowem 0pln nie licz±c drutu nawojowego i po¶więconego czasu
Image000.jpg (11.22KiB)Przejrzano 12850 razy
Image001.jpg
Dławik zasilacza anodowego lamp steruj±cych 6H8C
Image001.jpg (11.9KiB)Przejrzano 12846 razy
Image002.jpg
Dławiki zasilacza anodowego stopni końcowych dla 6H13C
Image002.jpg (12.76KiB)Przejrzano 12848 razy
Image003.jpg
Wzi±łem do siebie wasze słowa, że okno rdzenia jest słabo wypełnone, więc nawin±łem na nowo. Dodatkowo połapałem się, że zamiast zsumować przekroje drutów uzwojenia wtórnego, zsumowałem ¶rednice, co dało mi błędny wynik
Image003.jpg (14.24KiB)Przejrzano 12848 razy
Image004.jpg
Nowy trafo zamiast 7 sekcji ma 16cie, co na pewno dobrze wpłynie na pasmo. Wstępny test wytrzymało¶ci przeszedł dobrze - oba zuwojenia pierwotne podł±czone niezalenie do sieci 230V daj± na wtórnym 11,5. Poł±czone w szereg dadz± 5,8V więc 90
Image004.jpg (12.66KiB)Przejrzano 12848 razy
Image005.jpg
Muszę też dodać, że wygl±da ładniej, niż stary. Niestety nawijanie trało bardzo długo, a mam przed sob± jeszcze drugi :/
Image005.jpg (12.83KiB)Przejrzano 12848 razy
Image000.jpg
Dławik 10H max. 80mA 1270zw. DN2E 0,2mm rezystancja: 70ohm szczelina: kształtki na styk.
Image000.jpg (12.63KiB)Przejrzano 12872 razy

Wróć do „DIY - Do It Yourself”

Kto jest online

Użytkownicy przeglądający to forum: Obecnie na forum nie ma żadnego zarejestrowanego użytkownika i 0 gości