aby raz na zawsze zakończyć prowizorkę jak na zdjęciu ds89c4x0_serial_isp_experimental.jpg,
a po drugie aby umożliwić sobie w miarę komfortowe prace nad cudem, które widać
na fotce ds89c4x0_serial_isp_hahahaha.jpg (i tu pozdrawiam zmartwionego Endzika
Wypracowanie na temat programowania procesorów DS89C4xx znajduje się na Elportalu:
Dallas DS89C4xx (programowanie w systemie), więc proszę poczytać, a tu będzie tylko techno.
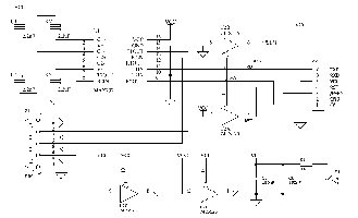
Programatorek został wykonany na jednostronnej płytce o wymiarach 55x40 mm.
Konsekwencją jednostronności pcb a także drobnego pośpiechu jest raczej średnia
optymalność mozajki ścieżek - stąd cztery zworki, no trudno...ale ważne że działa.
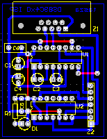
Całe dossier oraz pamiątkowe zdjątka są w załącznikach,
mozajka ścieżek w pdf-ie (do termotransferu), plik dla Protela oraz schemat w pdf
znajdują się w paczce: ds89c4x0_serial_isp.pdf.zip
Dla formalności - lista części:
U1 - MAX232 lub odpowiednik (ST,ICL)
U2 - 74LS125 (można spróbować też zwykły lub HC/HCT)
C1, C2, C3, C4 - 1..10uF / 25V
C5, C6 - 150nF (kondensatory blokujące)
R1 - 330R
D1 - jakiś LED
Z1 - złącze DB9 żeńskie, do druku
Z2 - fragment jednorzędowej listwy gold pin - 7 igiełek
R i LED są opcjonalne, ot - taki zwyczaj mam wszędzie je dodawać.
Wlutowanie złącza żeńskiego zapewni, że programator będzie można podłączyć
do RS232 komputera przy pomocy zwykłego kabla szeregowego (pełno tego po sklepach),
w przypadku złącza typu 'male' ryzykujemy konieczność dorobienia kabelka.
Rozkład sygnałów jest podany na schemacie. Programator łączymy z układem docelowym
przy pomocy siedmiu giętkich przewodów. Nie należy przesadzać z ich długością
15...20 cm zapewnia 'ustawność' programałki przy minimalnym ryzyku zbierania zakłóceń.
Rozwiązanie z 'sygnałami luzem' ma też inną zaletę - nie musimy potem martwić się
o konkretny rozkład wyprowadzeń złącza ISP na płytce z procesorem.
Przedstawiony programatorek może też z powodzeniem służyć jako podręczny konwerter
RS232<->TTL, dodatkowo obsługujący sygnał DTR. Może się przydać nie tylko do zabawy
z Dallasami, ale też do udrożnienia komunikacji szeregowej z innym kontrolerem.
wszystko? chyba tak...
to pa,
tasza



