Przycisk „start-stop” w samochodzie (modernizacja 1)
Opisany w miesięczniku „Elektronika dla wszystkich” nr 12/2003 przycisk „start-stop” w samochodzie mojego autorstwa, został zamontowany w samochodzie Skoda Octavia kombi z silnikiem benzynowym 2,0 pod koniec 2000r. W ciągu siedmioletniej już eksploatacji okazał się bardzo pożytecznym urządzeniem i sprawuje się bardzo dobrze.
Po pewnym okresie użytkowania ujawniła się jednak mała niedogodność, której nie przewidziałem przy projektowaniu.
Zdarza się, że niekiedy silnik nieoczekiwanie się zatrzyma, np. w czasie ruszania, lub manewrów na parkingu. Aby go ponownie uruchomić należy najpierw wyłączyć zapłon, a następnie ponownie włączyć i uruchomić silnik. Konieczne jest w tej sytuacji dwukrotne naciskanie przycisku, a w stresującej sytuacji można nawet się nieco pogubić. Nie jest to wadą, ale niedogodnością jest na pewno. W zmodernizowanym urządzeniu ta niedogodność nie występuje.
Została też wprowadzona dodatkowa blokada włączenia rozrusznika w zależności od położenia pedału sprzęgła. Rozrusznik można uruchomić tylko wtedy, gdy jest naciśnięty pedał sprzęgła.
W zmienionym układzie, aby uruchomić silnik, zarówno sposób normalny, jak i po jego nieoczekiwanym zatrzymaniu, wystarczy nacisnąć pedał sprzęgła i przycisk „start-stop”.
Modernizacja jest bardzo prosta i polega na dodaniu tylko 5 elementów: 2 miniaturowych przekaźników SS i SP, rezystora R12, diody D8 i kondensatora C4.
Właściwości zmodernizowanego urządzenia są następujące:
* Urządzenie w stanie spoczynku nie pobiera żadnego prądu, jest zachowana tzw. „przerwa powietrzna”.
* Podłączenie urządzenia do samochodu nie wymaga żadnych przeróbek w instalacji elektrycznej. Wykorzystuje się gniazdo stacyjki, i w przypadku awarii urządzenia można łatwo wrócić do stanu poprzedniego przez przełożenie tego gniazda na stacyjkę.
* Naciśnięcie przycisku przy nie naciśniętym pedale sprzęgła powoduje natychmiastowe włączenie zapłonu i pozostałych odbiorników, nie powoduje włączenia rozrusznika. Czas trzymania naciśniętego przycisku jest dowolny.
* Krótkie naciśnięcie przycisku, o czasie krótszym niż czas opóźnienia t1 około 0,8s przy naciśniętym sprzęgle też spowoduje tylko włączenie zapłonu, nie uruchomi rozrusznika.
* Naciśnięcie i trzymanie przycisku przy jednocześnie naciśniętym pedale sprzęgła powoduje natychmiastowe włączenie zapłonu i pozostałych odbiorników, a po czasie opóźnienia (t1 ok.0,8sek.) następuje włączenie rozrusznika oraz odłączenie wszystkich zbędnych w czasie rozruchu odbiorników. Czas pracy rozrusznika zależy od czasu trzymania przycisku.
* Puszczenie przycisku lub zwolnienie pedału sprzęgła powoduje natychmiastowe wyłączenie rozrusznika ( silnik pracuje).
* Ponowne naciśnięcie przycisku powoduje natychmiastowe wyłączenie zapłonu i zatrzymanie silnika. Przy czym, gdy pedał sprzęgła jest nie naciśnięty, czas trzymania przycisku jest dowolny.
Natomiast, gdy pedał sprzęgła jest naciśnięty, naciśnięcie i trzymanie przycisku powoduje także natychmiastowe wyłączenie zapłonu, a po czasie tC4 (ok.0,9sek.) ponowne włączenie zapłonu i uruchomienie rozrusznika po czasie t1+tC4 (ok.1,7 sek.) Ta właściwość jest istotą modernizacji urządzenia. W przypadku, gdy pracujący silnik nieoczekiwanie się zatrzyma, wystarczy nacisnąć przycisk oraz pedał sprzęgła i uruchomić silnik.
* W przypadku, gdy zapłon jest włączony, ale nie pracuje silnik, po czasie ok. 5 minut następuje automatyczne wyłączenie zapłonu i powrót urządzenia do stanu wyjściowego.
Dokładna zasada działania i opis problemów, które trzeba rozwiązać przy montowaniu do samochodu są podane w wyczerpujący sposób w artykułach w „Elektronika dla wszystkich” nr12/2003, oraz dodatkowe zabezpieczenie nr11/2003. Przytoczenie ich tutaj wymagałoby całkowitego przepisania tych artykułów. Przypomnę tylko problemy montażowe tam opisane, oraz działanie układu załączającego z przekaźnikami A i B na podstawie uproszczonego układu na rys.1.
Te problemy to:
* kluczyk
* immobilizer
* pilot autoalarmu
* mechaniczna blokada kierownicy
* dodatkowe zabezpieczenie samochodu
Rys.1a pokazuje stan styków w stanie wyjściowym (spoczynkowym), rys.1b w stanie załączenia. Gdy przekaźniki są stanie wyjściowym, naciśniecie i trzymanie przycisku P powoduje przez styki a1 i a2 włączenie przekaźnika B i zwarcie styków b1 i wykonawczego b2. Przycisk P jest jeszcze trzymany, więc uzwojenie przekaźnika A jest zwarte i przekaźnik A nie przełącza swych styków a1 i a2. Puszczenie przycisku P powoduje rozwarcie uzwojenia przekaźnika A i jego zadziałanie, styki a1 i a2 przejdą do pozycji pokazanej na rys.1b. Przekaźnik B jest jednocześnie podtrzymywany prądem płynącym przez uzwojenie przekaźnika A. W takim stanie załączenia, jeżeli uzwojenia przekaźników maja jednakową rezystancję, na każdym z nich występuje połowa napięcia zasilania ( w punkcie X). Stan załączenia może utrzymywać się dowolnie długo. Ponowne naciśnięcie i trzymanie przycisku P powoduje zwarcie uzwojenia przekaźnika B i jego zwolnienie, przekaźnik A jest w stanie włączonym. Puszczenie przycisku P powoduje również zwolnienie przekaźnika A i cały układ znajdzie się w stanie wyjściowym. Działanie tego układu jest bardzo pewne, dużo pewniejsze niż przycisków z blokadą mechaniczną i można go stosować w wielu urządzeniach jako zautomatyzowany wyłącznik.
W stanie przejściowym, w czasie naciskania przycisku P na uzwojeniach przekaźników A i B występuje na przemian pełne napięcie zasilania: w czasie włączania na uzwojeniu B, a w czasie wyłączania na uzwojeniu A. Z powyższego wynika, że w punkcie X w chwili załączania i trzymania przycisku P występuje napięcie 12V, a w stanie włączenia, z chwilą puszczenia przycisku występuje napięcie 6V. Ta zmiana napięcia w punkcie X jest wykorzystana do uruchamiania i zatrzymywania rozrusznika (przekaźnika R).
Oznaczenia na rysunkach:
„-” stan spoczynku
„+” stan wymuszony
„++” załączony, podtrzymany własnym stykiem.
Schemat układu przed modernizacją pokazany na rys.2
Schemat zmodernizowanego układu jest pokazany na rys.3.
Sposób podłączenia płytki z dodatkowymi elementami pokazuje rys.4
Na płytce drukowanej należy przeciąć druk w 4 miejscach zaznaczonych krzyżykami i po umocowaniu dodatkowej płytki śrubami mocującymi główną płytkę wykonać połączenia przewodami. Gniazdo do podłączenia wyłącznika pedału sprzęgła należy zamontować obok gniazda przycisku „start-stop”. Aby uniknąć w przyszłości pomyłek powinno to być gniazdo innego typu. Trzeba też wykonać nową pokrywę obudowy tak, aby również przekaźniki SS i SP były dociskane do podstawek.
Dodatkowo, chociaż nie było takiej konieczności, w celu polepszenia załączania przekaźnika A po zwolnieniu przycisku, równolegle do rezystora R1 dołączony kondensator C5-470µ/16V. Inaczej też została połączona dioda D3, przez co można było wyeliminować rezystor R7. Po naciśnięciu przycisku przy włączeniu zapłonu przez diodę D3 jest podawane zasilanie (12V) na układ scalony, oraz na przekaźnik Z. Po załączeniu przekaźnika B styk b2 podtrzymuje przekaźnik Z, oraz zasilanie układu scalonego. Po zwolnieniu przycisku dioda D3 jest zatkana, gdyż w punkcie X jest połowa napięcia zasilania.
Gdy nie jest naciśnięty pedał sprzęgła styk sp2 zwiera punkt Y do masy, oraz odłączony jest od masy emiter tranzystora T2, i to powoduje, że naciskając przycisk „start-stop” można tylko włączyć lub wyłączyć zapłon bez możliwości uruchomienia rozrusznika. Styk ss2 powoduje, że naciskanie pedału sprzęgła w czasie jazdy, np. przy zmianie biegów, nie powoduje włączenia przekaźnika SP. Może on być załączony tylko wtedy, gdy przycisk „start-stop” i pedał sprzęgła są naciśniete równocześnie. Gdy taka sytuacja zdarzy się w czasie jazdy rozrusznik też nie zostanie uruchomiony, tylko zostanie wyłączony zapłon, i dopiero dłuższe przytrzymanie przycisku i sprzęgła spowoduje ponowne uruchomienie silnika.
Na rysunkach 5a, b, c, d, pokazane są kolejne sekwencje styków przy normalnym rozruchu silnika. Z wyjątkiem blokady rozrusznika zasada działania w tym wypadku nie różni się od układu przed modernizacją.
Rysunki 6a, b, c pokazują kolejne sekwencje połączeń przy uruchomieniu silnika po nieoczekiwanym zatrzymaniu. Do wyłączenia zapłonu wykorzystywany jest prąd ładowania kondensatora C4. Przepływ tego prądu jest równoznaczny ze zwarciem uzwojenia przekaźnika B, następuje jego zwolnienie i wyłączenie zapłonu. Gdy kondensator C4 naładuje się przez uzwojenie przekaźnika A i diodę D8 po czasie tC4, przestaje przez niego płynąć prąd, to spowoduje wyłącznie przekaźnika A. Przycisk „start-stop” jest cały czas trzymany, więc w następnej kolejności nastąpi włączenie przekaźnika B i po czasie t1 rozruch.
Czas tC4 zależy od rezystancji uzwojenia A i pojemności C4.
Styki sp1 służą do rozładowania kondensatora C4 po zakończonym rozruchu. Rezystor R12 ogranicza prąd rozładowania kondensatora C4 i w ten sposób delikatne styki sp1 są zabezpieczone przed wypaleniem. Styki ss2 powodują, że przekaźnik SP może być włączony tylko wtedy, gdy przycisk „start-stop” i pedał sprzęgła są naciśnięte równocześnie.
Do prawidłowego działania układu, tzn. do wyłączenia i ponownego włączenia zapłonu, wartość kondensatora C4 może być dużo mniejsza, nawet poniżej 1µF. Ale w tym wypadku niemożliwe byłoby wyłączenie silnika przy naciśniętym pedale sprzęgła ze względu na bardzo krótki czas tC4.
Każdy kierowca to automat złożony z samych wyuczonych odruchów, wszystkie czynności związane z zatrzymaniem samochodu i silnika są dokonywane przy naciśniętym pedale sprzęgła (z reguły). Przy dużej wartości kondensatora C4, powyżej 1000µF, można te czynności wykonać bez pośpiechu, w normalnym rytmie. Duża pojemność kondensatora C4 wydłuża nieco czas, po którym następuje włączenie rozrusznika, ale tylko w przypadku nieoczekiwanego zatrzymania silnika. Praktyka eksploatacyjna pokazuje, że jest to zupełnie nieistotne, ważniejsze jest, że nie trzeba wtedy nic kombinować przy przycisku, tylko nacisnąć sprzęgło i przycisk i uruchomić silnik.
Wyłącznik przy pedale sprzęgła powinien być ustawiony tak, aby włączał się pod koniec skoku jałowego pedału. Zostanie w ten sposób zachowana możliwość ucieczki za pomocą rozrusznika z zagrożonego miejsca, np. z torów kolejowych lub tramwajowych.
W Octavii fabrycznie jest wykonany kształtowy otwór do zamontowania w sposób zatrzaskowy wyłącznika przy pedale sprzęgła. Oryginalny wyłącznik jest bardzo drogi (70zł), i z tego powodu w tym samym otworze został zamontowany ogólnie dostępny i tani (5zł) wyłącznik świateł „stop” stosowany w polskich samochodach PF125, 126, Syrena, Nysa, Żuk. Wyłącznik ten ma bardzo duży zakres regulacji ustawienia za pomocą dwóch przeciwnakrętek, więc można montować go w każdym samochodzie za pomocą prostego uchwytu z blachy. Wyłącznik jest sprzedawany w komplecie z jedna nakrętką i dlatego dla uzyskania drugiej nakrętki warto kupić dwa takie wyłączniki.
Również w ramach modernizacji przycisk „start-stop” został zamontowany we wgłębieniu na końcu dźwigni zmiany biegów. To miejsce jest chyba najlepsze z możliwych dla takiego przycisku, gdyż wszystkie ruchy związane z uruchomieniem silnika, ruszaniem i zatrzymywaniem samochodu są zredukowane do naprawdę niezbędnego minimum. Należy tylko zadbać o to, aby górna krawędź klawisza przycisku znajdowała się około 5÷6mm poniżej górnej krawędzi gałki dźwigni biegów, i nie ma obawy o przypadkowe naciśnięcie przycisku w trakcie zmiany biegów. Można też zrobić otwieraną klapkę zakrywającą przycisk. Wszystko zależy od inwencji w tym zakresie.
Sposób wykonania w przypadku samochodu Skoda Octavia lub Fabia jest pokazany na rys.7. Gałka dźwigni biegów w tych samochodach jest zrobiona z porowatego tworzywa sztucznego, i ten materiał bardzo źle obrabia się za pomocą narzędzi skrawających, ale bardzo dobrze papierem ściernym. Dlatego należy wydłubać dłutkiem lub ostrym śrubokrętem wgłębienie o średnicy dużo mniejszej od potrzebnej, na głębokość aż do rdzenia z twardego plastyku i następnie doprowadzić do żądanego kształtu gruboziarnistym i drobnoziarnistym papierem ściernym. Na górnej powierzchni gałki jest wytłoczona owalna plakietka z numerami biegów. Ten owal znakomicie ułatwia wykonanie odpowiedniego kształtu wgłębienia. Otwór na przewody należy wiercić z dwóch stron, mniej więcej do połowy głębokości wiertłem o mniejszej średnicy, gdyż łatwo o zboczenie z kierunku. Ewentualną niedokładność można usunąć rozwiercając otwór długim wiertłem o średnicy 4mm, aby nie zatopić wiertła w rozgrzanym plastyku należy używać ręcznej wiertarki..
Mikrowyłącznik 1 jest oparty na gumowej podkładce dystansowej 5, i stabilnie utrzymywany za pomocą gumowego pierścienia 4, dopasowanego na „lekki wcisk”. Do klawisza mikrowyłącznika jest przyklejona (kropelką kleju „Kropelka”) ozdobna nakładka 2, wykonana z gumy grubości 1mm z dętki rowerowej. Również wykonana z gumy podkładka dystansowa 3 z otworem nieco większym niż klawisz, służy jedynie do tego, aby nie zapadały się brzegi ozdobnej nakładki 2. Gumowe elementy można wyciąć ze szkolnej gumki. Mikrowyłącznik powinien mieć możliwie duży klawisz i dobrze wyczuwalny skok, co najmniej 0,8mm.
Zmodernizowany układ można bez przeszkód stosować do silników wysokoprężnych. W przypadku tych silników dochodzi dodatkowy problem ze świecami żarowymi. Rozruchu silnika wysokoprężnego można dokonać na 2 sposoby. Pierwszy sposób: nacisnąć przycisk, zostanie włączony sterownik silnika i świece żarowe, następnie po zgaśnięciu kontrolki świec żarowych nacisnąć jeszcze raz przycisk i sprzęgło i uruchomić silnik. Drugi sposób: nacisnąć i trzymać przycisk bez naciskania sprzęgła, po zgaśnięciu kontrolki świec żarowych nacisnąć sprzęgło i to spowoduje włączenie rozrusznika.
Bardziej eleganckim rozwiązaniem jest wprowadzenie do urządzenia dodatkowej modyfikacji polegającej na kontrolowaniu świec żarowych, tak jak pokazuje rys.8.
Gdy świece żarowe są włączone, przez rezystor R13 i diodę D9 na wejście bramki B2 jest podawany stan wysoki, niezależnie od stanu wyjścia bramki B1, tranzystor T2 zatkany, rozrusznik zablokowany. W przypadku zastosowania tego układu, wystarczy nacisnąć przycisk i sprzęgło i czekać aż włączy się rozrusznik. Schemat na rys.8 pokazuje układ przed wprowadzeniem modernizacji. Nic nie stoi na przeszkodzie w zastosowaniu tego rozwiązania w układzie zmodernizowanym.
Na koniec kilka uwag eksploatacyjnych.
Pilot autoalarmu, (lub drugi kluczyk, jeżeli pilot jest w kluczyku) najwygodniej jest umocować za pomocą agrafki, na krótkim łańcuszku wewnątrz kieszeni ubrania, tak, aby znajdował się ok. 10 cm od dna kieszeni. Można wtedy łatwo go znaleźć, oraz otwierać i zamykać drzwi nie wyjmując z kieszeni. Przystawkę do kluczyka z transponderem immobilisera (pudełko z cewką) trzeba umocować w niewidocznym miejscu, ale tak, żeby kluczyk można było łatwo wkładać i wyjmować. W Octavii pudełko umocowałem na półeczce na drobiazgi pod pulpitem po stronie kierowcy, skierowując go szczeliną w prawą stronę. Kluczyk jest niewidoczny i jednocześnie można go łatwo wkładać i wyjmować. W praktyce nigdy go nie wyjmuję, nawet w nocy i przy wyjeździe do „dużego miasta”. Można to pudełko zamontować nawet w zamykanym schowku. Jeżeli przycisk „start-stop” nie będzie wyeksponowany w krzykliwy sposób („pseudo tuning”) są bardzo małe szanse na uprowadzenie samochodu nawet wtedy, gdy nie będzie dodatkowego zabezpieczenia. Trzeba wiedzieć jak uruchamia się samochód. Każda nietypowa przeszkoda skutecznie zniechęca złodzieja.
Do obejścia mechanicznej blokady kierownicy trzeba w zakładzie ślusarskim dorobić dwa kluczyki bez transponderów immobilisera. Jeden kluczyk, po obcięciu w ten sposób, aby wystawał ze stacyjki około 3mm, przekręcić kombinerkami do pozycji włączonego zapłonu, i tam pozostawić na stałe. Drugi kluczyk będzie jako zapasowy, wyłącznie do otwierania drzwi, na wypadek, gdyby zawiódł pilot autoalarmu. Otwór w obudowie kierownicy można zakryć odpowiednio dopasowaną płytką z plastyku.
Warto też, na wszelki wypadek, wozić zestaw naprawczy, w którym będzie po jednym przekaźniku każdego rodzaju, oraz układ scalony. Urządzenie jest na tyle proste, że da się naprawić nawet w drodze.
Po dość długim okresie użytkowania przycisku „start-stop”, w połączeniu z automatycznym wyłącznikiem rozrusznika
(jest tutaj: http://forum.ep.com.pl/viewtopic.php?t=18030 )
nie wyobrażam już jak można korzystać z samochodu „na kluczyk”. Przecież to takie niewygodne.
Aktyw Forum
Zarejestruj się na forum.ep.com.pl i zgłoś swój akces do Aktywu Forum. Jeśli jesteś już zarejestrowany wystarczy, że się zalogujesz.
Sprawdź punkty Zarejestruj sięPrzycisk "start-stop" w samochodzie (modernizacja)
Moderatorzy:Jacek Bogusz, robertw, Moderatorzy
Ostatnio zmieniony 2 sty 2019, o 00:25 przez Marian B, łącznie zmieniany 8 razy.
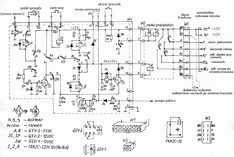
Przedstawiam kolejną modernizację (modernizacja 2) urządzenia „Przycisk start-stop w samochodzie”.
Zasada działania tego układu jest taka sama, jak układu opisanego wcześniej, chociaż schemat znacznie się różni.
Schemat ideowy nowego rozwiązania jest pokazany na rys.1.

W celu ułatwienia montażu w kolejnych samochodach urządzenie składa się z modułu sterującego, oraz modułu przekaźników wykonawczych. Moduł sterujący jest taki sam w przypadku każdego samochodu (również z silnikiem wysokoprężnym), natomiast moduł przekaźników wykonawczych może się różnić w zależności od typu samochodu, i można go konfigurować dowolnie, w zależności od potrzebnej ilości styków w przekaźnikach. Generalnie, będą to dwa zespoły przekaźników: Z, do włączania zapłonu i innych odbiorników (na schemacie na rys.1, są to przekaźniki Z oraz S), oraz przekaźnik R, do włączania rozrusznika.
Zmieniony został układ załączający z przekaźnikami A i B przez dodanie diody D3.
Uproszczony schemat, oraz działanie układu załączającego jest pokazane na Rys.2a,b,c,d.

Gdy przycisk start-stop naciśnięty w czasie włączania zapłonu, napięcie w punkcie Y wynosi 12V, a po włączeniu zapłonu i zwolnieniu przycisku, napięcie w punkcie Y wynosi 0V.
Ta zmiana napięcia jest wykorzystana do włączania i wyłączania rozrusznika (przekaźnika R). Dzięki diodzie D3 nie potrzebny jest układ progowy, tak jak to było w poprzednim układzie, gdyż napięcie w punkcie Y zmienia się skokowo od 0 do 12V, i jest bezpośrednio wykorzystane do włączania przekaźnika R (za pomocą układu opóźniającego na tranzystorze T2).
Zastosowanie diody D3, oraz polowych tranzystorów wykonawczych pozwoliło na wyeliminowanie układu scalonego i prostą realizację stopni czasowych bezpośrednio na tranzystorach wykonawczych T1, T2, T3.
Można też było w bardzo łatwy sposób wprowadzić zabezpieczenie samochodu przed nie powołanymi osobami, w postaci dodatkowego, ukrytego przycisku, przy czym spełniony jest podstawowy warunek bezpieczeństwa dla takiego zabezpieczenia (z ukrytym przyciskiem), po nieoczekiwanym zatrzymaniu pracującego silnika, można go w ciągu pewnego czasu (w tym przypadku 60sekund) uruchomić ponownie bez naciskania ukrytego przycisku.
Działanie zabezpieczenia.
Naciśnięcie ukrytego przycisku powoduje naładowanie kondensatora C3 przez rezystor R4, i tranzystor T1 będzie w stanie przewodzenia przez czas ok. 60sek, określony stałą czasową elementów C3, R5.
Teraz naciśnięcie i trzymanie przycisku start-stop spowoduje włączenie zapłonu i rozruch silnika. Napięcie podtrzymania z pompy paliwa, podawane przez rezystor R6 i diodę D6 będzie utrzymywać tranzystor T1 i cały układ w stanie załączonym.
Gdy silnik nie pracuje, a jest włączony zapłon, brak napięcia podtrzymania z pompy paliwa, kondensator C3 rozładowuje się przez rezystor R5, i po czasie około 60 sekund zapłon się wyłączy, układ wróci do stanu spoczynku, gdzie nie pobiera prądu, gdyż jest zachowana „przerwa powietrzna”. W poprzednim układzie czas opóźnienia wynosił 5 minut, i moim zdaniem, było to zbyt długo.
Zabezpieczenie można wyłączyć, łącząc zworę serwisową ZS do wyprowadzeń 11 i 12 modułu. Wtedy kondensator C3 jest ładowany przez diodę D5 bezpośrednio z punktu Y, natychmiast po naciśnięciu przycisku start-stop.
Wyłączenie zabezpieczenia jest potrzebne , gdy na przykład, trzeba udać się na przegląd, lub oddać samochód do naprawy.
Zwora serwisowa, to powinna być rzeczywiście zwora, na przykład, szpilka wkładana w otworek o średnicy 1mm, w ukrytym miejscu, a nie dodatkowy, ukryty wyłącznik. Taki wyłącznik jest łatwiejszy do wykrycia. Może to być kontaktron, nad którym można położyć magnes w celu wyłączenia zabezpieczenia. Zabranie, lub przesunięcie magnesu automatycznie włączy zabezpieczenie.
Ukryty przycisk można podłączyć na dwa sposoby, do wyboru przez użytkownika.
Pierwszy sposób:
podłączyć do wyprowadzeń 9, 10 modułu, tak, jak na schemacie na Rys.1.
W tym przypadku trzeba przed uruchomieniem silnika, na krótką chwilę nacisnąć ukryty przycisk, i w ciągu 60 sekund uruchomić silnik przyciskiem start-stop.
Drugi sposób:
Podłączenie ukrytego przycisku do wyprowadzeń 12, 11 (równolegle do zwory ZS). W tym przypadku , aby uruchomić silnik, trzeba jednocześnie nacisnąć ukryty przycisk i przycisk start-stop.
Jednoczesne naciskanie jest konieczne tylko przy „pierwszym” uruchomieniu silnika. Po nieoczekiwanym zatrzymaniu sinlika, można go ponownie uruchomić bez naciskania ukrytego przycisku (w ciągu 60 sekund). Ten sposób podłączenia jest większym utrudnieniem dla osób nie powołanych, gdyż po przypadkowym znalezieniu ukrytego przycisku, trzeba jeszcze wiedzieć jak uruchomić silnik.
Tranzystor T3, oraz elementy C1, R3, D7 zastępują duży elektrolityczny kondensator C4=2000µF z poprzedniego układu. Układ jest bardziej skomplikowany, ale pewniejszy w działaniu, gdyż duży elektrolityczny kondensator jest potencjalnym źródłem nie stabilności z upływem czasu, i przy zmianach temperatury, a zabiera tyle samo miejsca, co układ z tranzystorem.
W przypadku silników wysokoprężnych wyprowadzenie 8 modułu sterującego należy podłączyć do świec żarowych. W czasie grzania świec, styk SW1 przekaźnika SW jest rozwarty, jest to równoznaczne z nie naciśniętym pedałem sprzęgła, i w czasie grzania brak możliwości włączenia rozrusznika.
W przypadku silników benzynowych wyprowadzenie 8 pozostaje nie podłączone.
Szczegółowa zasada działania i opis problemów montażowych są takie same jak w poprzednim układzie i niema sensu tego powtarzać.
Kolejne sekwencje styków przekaźników są pokazane na Rys.3a,b,c,d, dla normalnego uruchamiania silnika, oraz na Rys.4a,b,c,d, w przypadku uruchamiania po nieoczekiwanym zatrzymaniu.



Wykaz elementów:
Rezystory.
R1, R2……….33Ω/0,5W-2szt.
R3, R8, R11….1M/0,1W-3szt.
R4, R9, R12….1k/0,1W-3szt.
R5…………….4,7M/0,1W
R6…………….100k/0,1W
R7…………….10k/0,1W
R10…………...100Ω/0,1W
Kondensatory.
C1, C4………..1μF (nie elektrolityczny)- 2szt.
C2…………….100μF/25V
C3…………….10μF/25V
C5…………….0,2μF/400V
Diody.
D1÷D10…1N4007- 10 szt.
Tranzystory.
T1, T2, T3….BUZ90AF – 3 szt.
Przekaźniki.
A, B………G5V-2-5VDC – 2 szt.
SS, SP……G5V-2-12VDC – 2 szt.
SW……….G5V-1-12VDC
S, Z, R…….FRA2C-S2DC12V (40/30A) – 3 szt.
W1………złącze 16 pin (Mini-Fit)
MX-5569-16A1 – gniazdo kątowe do druku.
MX-5557-16R – wtyk
W2……..złącze 4 pin (Mini-Fit)
MX-5569-04A1 – gniazdo kątowe do druku.
MX-5557-04R – wtyk.
W3……..złącze konektorowe 8-stykowe.
Przewód połączeniowy 2,5mm² – około 5m.
Przewód połączeniowy 1mm² – około 10m.
Zasada działania tego układu jest taka sama, jak układu opisanego wcześniej, chociaż schemat znacznie się różni.
Schemat ideowy nowego rozwiązania jest pokazany na rys.1.
W celu ułatwienia montażu w kolejnych samochodach urządzenie składa się z modułu sterującego, oraz modułu przekaźników wykonawczych. Moduł sterujący jest taki sam w przypadku każdego samochodu (również z silnikiem wysokoprężnym), natomiast moduł przekaźników wykonawczych może się różnić w zależności od typu samochodu, i można go konfigurować dowolnie, w zależności od potrzebnej ilości styków w przekaźnikach. Generalnie, będą to dwa zespoły przekaźników: Z, do włączania zapłonu i innych odbiorników (na schemacie na rys.1, są to przekaźniki Z oraz S), oraz przekaźnik R, do włączania rozrusznika.
Zmieniony został układ załączający z przekaźnikami A i B przez dodanie diody D3.
Uproszczony schemat, oraz działanie układu załączającego jest pokazane na Rys.2a,b,c,d.
Gdy przycisk start-stop naciśnięty w czasie włączania zapłonu, napięcie w punkcie Y wynosi 12V, a po włączeniu zapłonu i zwolnieniu przycisku, napięcie w punkcie Y wynosi 0V.
Ta zmiana napięcia jest wykorzystana do włączania i wyłączania rozrusznika (przekaźnika R). Dzięki diodzie D3 nie potrzebny jest układ progowy, tak jak to było w poprzednim układzie, gdyż napięcie w punkcie Y zmienia się skokowo od 0 do 12V, i jest bezpośrednio wykorzystane do włączania przekaźnika R (za pomocą układu opóźniającego na tranzystorze T2).
Zastosowanie diody D3, oraz polowych tranzystorów wykonawczych pozwoliło na wyeliminowanie układu scalonego i prostą realizację stopni czasowych bezpośrednio na tranzystorach wykonawczych T1, T2, T3.
Można też było w bardzo łatwy sposób wprowadzić zabezpieczenie samochodu przed nie powołanymi osobami, w postaci dodatkowego, ukrytego przycisku, przy czym spełniony jest podstawowy warunek bezpieczeństwa dla takiego zabezpieczenia (z ukrytym przyciskiem), po nieoczekiwanym zatrzymaniu pracującego silnika, można go w ciągu pewnego czasu (w tym przypadku 60sekund) uruchomić ponownie bez naciskania ukrytego przycisku.
Działanie zabezpieczenia.
Naciśnięcie ukrytego przycisku powoduje naładowanie kondensatora C3 przez rezystor R4, i tranzystor T1 będzie w stanie przewodzenia przez czas ok. 60sek, określony stałą czasową elementów C3, R5.
Teraz naciśnięcie i trzymanie przycisku start-stop spowoduje włączenie zapłonu i rozruch silnika. Napięcie podtrzymania z pompy paliwa, podawane przez rezystor R6 i diodę D6 będzie utrzymywać tranzystor T1 i cały układ w stanie załączonym.
Gdy silnik nie pracuje, a jest włączony zapłon, brak napięcia podtrzymania z pompy paliwa, kondensator C3 rozładowuje się przez rezystor R5, i po czasie około 60 sekund zapłon się wyłączy, układ wróci do stanu spoczynku, gdzie nie pobiera prądu, gdyż jest zachowana „przerwa powietrzna”. W poprzednim układzie czas opóźnienia wynosił 5 minut, i moim zdaniem, było to zbyt długo.
Zabezpieczenie można wyłączyć, łącząc zworę serwisową ZS do wyprowadzeń 11 i 12 modułu. Wtedy kondensator C3 jest ładowany przez diodę D5 bezpośrednio z punktu Y, natychmiast po naciśnięciu przycisku start-stop.
Wyłączenie zabezpieczenia jest potrzebne , gdy na przykład, trzeba udać się na przegląd, lub oddać samochód do naprawy.
Zwora serwisowa, to powinna być rzeczywiście zwora, na przykład, szpilka wkładana w otworek o średnicy 1mm, w ukrytym miejscu, a nie dodatkowy, ukryty wyłącznik. Taki wyłącznik jest łatwiejszy do wykrycia. Może to być kontaktron, nad którym można położyć magnes w celu wyłączenia zabezpieczenia. Zabranie, lub przesunięcie magnesu automatycznie włączy zabezpieczenie.
Ukryty przycisk można podłączyć na dwa sposoby, do wyboru przez użytkownika.
Pierwszy sposób:
podłączyć do wyprowadzeń 9, 10 modułu, tak, jak na schemacie na Rys.1.
W tym przypadku trzeba przed uruchomieniem silnika, na krótką chwilę nacisnąć ukryty przycisk, i w ciągu 60 sekund uruchomić silnik przyciskiem start-stop.
Drugi sposób:
Podłączenie ukrytego przycisku do wyprowadzeń 12, 11 (równolegle do zwory ZS). W tym przypadku , aby uruchomić silnik, trzeba jednocześnie nacisnąć ukryty przycisk i przycisk start-stop.
Jednoczesne naciskanie jest konieczne tylko przy „pierwszym” uruchomieniu silnika. Po nieoczekiwanym zatrzymaniu sinlika, można go ponownie uruchomić bez naciskania ukrytego przycisku (w ciągu 60 sekund). Ten sposób podłączenia jest większym utrudnieniem dla osób nie powołanych, gdyż po przypadkowym znalezieniu ukrytego przycisku, trzeba jeszcze wiedzieć jak uruchomić silnik.
Tranzystor T3, oraz elementy C1, R3, D7 zastępują duży elektrolityczny kondensator C4=2000µF z poprzedniego układu. Układ jest bardziej skomplikowany, ale pewniejszy w działaniu, gdyż duży elektrolityczny kondensator jest potencjalnym źródłem nie stabilności z upływem czasu, i przy zmianach temperatury, a zabiera tyle samo miejsca, co układ z tranzystorem.
W przypadku silników wysokoprężnych wyprowadzenie 8 modułu sterującego należy podłączyć do świec żarowych. W czasie grzania świec, styk SW1 przekaźnika SW jest rozwarty, jest to równoznaczne z nie naciśniętym pedałem sprzęgła, i w czasie grzania brak możliwości włączenia rozrusznika.
W przypadku silników benzynowych wyprowadzenie 8 pozostaje nie podłączone.
Szczegółowa zasada działania i opis problemów montażowych są takie same jak w poprzednim układzie i niema sensu tego powtarzać.
Kolejne sekwencje styków przekaźników są pokazane na Rys.3a,b,c,d, dla normalnego uruchamiania silnika, oraz na Rys.4a,b,c,d, w przypadku uruchamiania po nieoczekiwanym zatrzymaniu.
Wykaz elementów:
Rezystory.
R1, R2……….33Ω/0,5W-2szt.
R3, R8, R11….1M/0,1W-3szt.
R4, R9, R12….1k/0,1W-3szt.
R5…………….4,7M/0,1W
R6…………….100k/0,1W
R7…………….10k/0,1W
R10…………...100Ω/0,1W
Kondensatory.
C1, C4………..1μF (nie elektrolityczny)- 2szt.
C2…………….100μF/25V
C3…………….10μF/25V
C5…………….0,2μF/400V
Diody.
D1÷D10…1N4007- 10 szt.
Tranzystory.
T1, T2, T3….BUZ90AF – 3 szt.
Przekaźniki.
A, B………G5V-2-5VDC – 2 szt.
SS, SP……G5V-2-12VDC – 2 szt.
SW……….G5V-1-12VDC
S, Z, R…….FRA2C-S2DC12V (40/30A) – 3 szt.
W1………złącze 16 pin (Mini-Fit)
MX-5569-16A1 – gniazdo kątowe do druku.
MX-5557-16R – wtyk
W2……..złącze 4 pin (Mini-Fit)
MX-5569-04A1 – gniazdo kątowe do druku.
MX-5557-04R – wtyk.
W3……..złącze konektorowe 8-stykowe.
Przewód połączeniowy 2,5mm² – około 5m.
Przewód połączeniowy 1mm² – około 10m.
Re: Przycisk "start-stop" w samochodzie (modernizacja).
Przedstawiam kolejną, trzecią modernizację urządzenia przycisk "start-stop".
Przycisk "start-stop" w samochodzie. (Modernizacja 3).
Po 14 już latach bezproblemowego używania przycisku "start-stop" zdarzyła się mała awaria osprzętu, mianowicie uszkodził się wyłącznik przy pedale sprzęgła. Pękła w nim sprężynka. Skutkowało to tym, że nie można było uruchomić rozrusznika. Usterka w zasadzie banalna, bo wystarczy tylko zdjąć przewody z tego wyłącznika i je zewrzeć. Układ dalej działa bez problemu, zachowując wszystkie swoje funkcje z wyjątkiem blokady rozrusznika za pomocą pedału sprzęgła.
Jednak takie zdjęcie i zwarcie przewodów w drodze jest dość kłopotliwe ze względu na utrudniony dostęp.
Celem tej modernizacji było przystosowanie układu przekażników wykonawczych do sterowania za pomocą dającej się łatwo i szybko podłączyć "stacyjki awaryjnej".
Stacyjka awaryjna, to zwykły, przechylny wyłącznik do włączania zapłonu (przekażnika Z), oraz przycisk do włączania rozrusznika (przekażnika R). Rozrusznik można włączyć tylko wtedy, gdy jest włączony zapłon.
Zmienione zostało cztero stykowe złącze W2 na złącze sześcio stykowe, dodatkowo równolegle do złącza W2 dołączono złącze W4 do szybkiego podłączenia "stacyjki awaryjnej" bez odłączania modułu sterującego. Przy okazji trzy przekażniki (Z, R, S) zostały zastąpione tylko dwoma przekażnikami Z, R, typowo "samochodowymi", bez płytki montażowej. Do układu przekażników dołożony bezpiecznik polimerowy B1, wielokrotnego użytku. Zabezpiecza on przed przypadkowym zwarciem na złączach W1, W2, W4.
"Stacyjkę awaryjną" można podłączyć do złącza W2 po odłączeniu modułu sterującego, lub do dodatkowego, rownoległego złącza W4 zamontowanego w łatwo dostępnym ale nie widocznym miejscu.
Jednak aby bezkolizyjnie dołączyć "stacyjkę awaryjną" do złącza W4 bez odłączenia modułu sterującego (złącze W2) należy w module sterującym OBOWIĄZKOWO dodać diodę D11 (opisana na schemacie czerwonym kolorem).
Diodę D11 należy wlutować od strony druku w przecięcie ścieżki. Dłączenie diody D11 wymusilo też przeniesienie na drugą stronę płytki i przylutowanie w odpowiednie miejsca elementów R13 i D5.
W przypadku gdy nie korzysta się ze złącza W4 (np. nie zamontowane) dioda D11 jest nie potrzebna.
Pozostałe zmiany na schemacie to kosmetyka. Przed kilku laty zmieniony rezystor R3-1M na wartość 0,5M, oraz kondenstor C4-1u, na wartość 1,5u, przez dołączenie od strony druku odpowiednich elementów SMD, rezystora 1M, kondensatora 0,47u. Porawilo to opóżnienia czasowe na bardziej odpowiadające moim wymaganiom.
Dodatkowo dołożony został rezystor R13 w szereg z diodą D5. Rezystor zabezpiecza przed przypadkowym zwarciem do masy na przewodzie dołączonym do styku 12 złącza W1.
Założenie przekażników wykonawczych oraz podobnej "stacyjki" jest dobrą alternatywą na uszkodzoną stacyjkę, np. wypalone styki, szczególnie w starszych samochodach. Może też być wstępem do budowy przycisku "start-stop", bo gdy już są przekażniki wykonawcze, pozostanie tylko w póżniejszym czasie podłączyć do złącza moduł sterujący.
Warto wtedy dołożyć elektroniczną blokadę przed przypadkowym włączeniem rozrusznika w czasie pracy silnika.
Podaję sprawdzony doświadczalnie układ takiej blokady:

Po włączeniu zapłonu, przez czas zależny od stałej czasowej RC przewodzi tranzystor i wtedy można włączyć rozrusznik. Po naładowaniu się kondensatora (po czasie 15 lub 25 sekund) tranzystor przestaje przewodzić, nie można włączyć rozrusznika.
Aby włączyć rozrusznik, np. po przypadkowym zatrzymaniu silnika, trzeba wyłączyć i ponownie włączyć zapłon. Po wyłączeniu zapłonu naładowany kondensator szybko się rozładowuje przez diodę i uzwojenie przekażnika Z, układ jest gotowy do ponownego włączenia rozrusznika po włączeniu zapłonu.
Kondensator musi być dobrej jakości, styrofleksowy lub ceramiczny, nie może być elektrolityczny gdyż jego rezystancja upływu jest porównywalna z rezystorem w bramce tranzystora.
Nie zakładałem tej blokady u siebie, bo z założenia ma to być "stacyjka awaryjna" i może będzie użyta tylko kilka razy, lub wcale.
Przycisk "start-stop" w samochodzie. (Modernizacja 3).
Po 14 już latach bezproblemowego używania przycisku "start-stop" zdarzyła się mała awaria osprzętu, mianowicie uszkodził się wyłącznik przy pedale sprzęgła. Pękła w nim sprężynka. Skutkowało to tym, że nie można było uruchomić rozrusznika. Usterka w zasadzie banalna, bo wystarczy tylko zdjąć przewody z tego wyłącznika i je zewrzeć. Układ dalej działa bez problemu, zachowując wszystkie swoje funkcje z wyjątkiem blokady rozrusznika za pomocą pedału sprzęgła.
Jednak takie zdjęcie i zwarcie przewodów w drodze jest dość kłopotliwe ze względu na utrudniony dostęp.
Celem tej modernizacji było przystosowanie układu przekażników wykonawczych do sterowania za pomocą dającej się łatwo i szybko podłączyć "stacyjki awaryjnej".
Stacyjka awaryjna, to zwykły, przechylny wyłącznik do włączania zapłonu (przekażnika Z), oraz przycisk do włączania rozrusznika (przekażnika R). Rozrusznik można włączyć tylko wtedy, gdy jest włączony zapłon.
Zmienione zostało cztero stykowe złącze W2 na złącze sześcio stykowe, dodatkowo równolegle do złącza W2 dołączono złącze W4 do szybkiego podłączenia "stacyjki awaryjnej" bez odłączania modułu sterującego. Przy okazji trzy przekażniki (Z, R, S) zostały zastąpione tylko dwoma przekażnikami Z, R, typowo "samochodowymi", bez płytki montażowej. Do układu przekażników dołożony bezpiecznik polimerowy B1, wielokrotnego użytku. Zabezpiecza on przed przypadkowym zwarciem na złączach W1, W2, W4.
"Stacyjkę awaryjną" można podłączyć do złącza W2 po odłączeniu modułu sterującego, lub do dodatkowego, rownoległego złącza W4 zamontowanego w łatwo dostępnym ale nie widocznym miejscu.
Jednak aby bezkolizyjnie dołączyć "stacyjkę awaryjną" do złącza W4 bez odłączenia modułu sterującego (złącze W2) należy w module sterującym OBOWIĄZKOWO dodać diodę D11 (opisana na schemacie czerwonym kolorem).
Diodę D11 należy wlutować od strony druku w przecięcie ścieżki. Dłączenie diody D11 wymusilo też przeniesienie na drugą stronę płytki i przylutowanie w odpowiednie miejsca elementów R13 i D5.
W przypadku gdy nie korzysta się ze złącza W4 (np. nie zamontowane) dioda D11 jest nie potrzebna.
Pozostałe zmiany na schemacie to kosmetyka. Przed kilku laty zmieniony rezystor R3-1M na wartość 0,5M, oraz kondenstor C4-1u, na wartość 1,5u, przez dołączenie od strony druku odpowiednich elementów SMD, rezystora 1M, kondensatora 0,47u. Porawilo to opóżnienia czasowe na bardziej odpowiadające moim wymaganiom.
Dodatkowo dołożony został rezystor R13 w szereg z diodą D5. Rezystor zabezpiecza przed przypadkowym zwarciem do masy na przewodzie dołączonym do styku 12 złącza W1.
Założenie przekażników wykonawczych oraz podobnej "stacyjki" jest dobrą alternatywą na uszkodzoną stacyjkę, np. wypalone styki, szczególnie w starszych samochodach. Może też być wstępem do budowy przycisku "start-stop", bo gdy już są przekażniki wykonawcze, pozostanie tylko w póżniejszym czasie podłączyć do złącza moduł sterujący.
Warto wtedy dołożyć elektroniczną blokadę przed przypadkowym włączeniem rozrusznika w czasie pracy silnika.
Podaję sprawdzony doświadczalnie układ takiej blokady:
Po włączeniu zapłonu, przez czas zależny od stałej czasowej RC przewodzi tranzystor i wtedy można włączyć rozrusznik. Po naładowaniu się kondensatora (po czasie 15 lub 25 sekund) tranzystor przestaje przewodzić, nie można włączyć rozrusznika.
Aby włączyć rozrusznik, np. po przypadkowym zatrzymaniu silnika, trzeba wyłączyć i ponownie włączyć zapłon. Po wyłączeniu zapłonu naładowany kondensator szybko się rozładowuje przez diodę i uzwojenie przekażnika Z, układ jest gotowy do ponownego włączenia rozrusznika po włączeniu zapłonu.
Kondensator musi być dobrej jakości, styrofleksowy lub ceramiczny, nie może być elektrolityczny gdyż jego rezystancja upływu jest porównywalna z rezystorem w bramce tranzystora.
Nie zakładałem tej blokady u siebie, bo z założenia ma to być "stacyjka awaryjna" i może będzie użyta tylko kilka razy, lub wcale.
Re: Przycisk "start-stop" w samochodzie (modernizacja).
Przedstawiam kolejną już (4) modernizację układu "Przycisk start-stop w samochodzie", polepszającą walory użytkowe urządzenia.
Dodane zostały dwa układy czasowe wykonane na tranzystorach T4 i T5, oraz transoptor US3 zamontowany w wiązce połączeniowej jako dodatkowy, automatyczny "ukryty przycisk" do modułu sterowanego przyciskiem "start-stop", powiązany z dodatkowym zabezpieczeniem wyposażonym w identyfikację kierowcy, co czyni zabezpieczenie samochodu bardziej pewnym, oraz całkowicie bezobsługowym.
Dodatkowe zabezpieczenie z "identyfikacją" jest opisane tu:
https://www.elektroda.pl/rtvforum/viewt ... 40#6874840







Układ czasowy z tranzystorem T4 (NMOS) opóźnia o 0,5 sekundy włączanie przekaźnika SS po naciśnięciu przycisku, zarówno przy włączaniu jak i przy wyłączaniu zapłonu. Jest to szczególnie ważne przy wyłączaniu zapłonu, gdyż eliminuje przypadkowe zatrzymanie silnika przy jakimś nie ostrożnym ruchu w okolicy przycisku.
Opóźnienie (0,5 sek.) powoduje że wymagane jest "zdecydowane i pewne" naciśnięcie przycisku, wykluczające pomyłki wynikające z nie stabilności ręki. Gdy naciśnięcie przycisku będzie zbyt krótkie, poniżej 0,5 sekundy, przekaźnik SS nie zostanie włączony.
Przy okazji usunięty został kondensator C5 eliminujący "drgania styków", gdyż jest on teraz nie potrzebny.
Układ jest dość skomplikowany ale ma tą zaletę że powoduje opóźnienie tylko przy włączaniu przekaźnika SS. Nie powoduje opóźnienia w wyłączeniu przekaźnika SS po zwolnieniu przycisku. Jest to ważne, bo czas trzymania naciśniętego przycisku decyduje o czasie pracy rozrusznika.
Naciśnięcie przycisku powoduje dołączenie do masy stok tranzystora T4 oraz kondensator C7 w bramce T4. Kondensator C7 ładuje się przez rezystor R14. W czasie ładowania napięcie na kondensatorze i tym samym na bramce tranzystora powoli rośnie, i po czasie ok 0,5 sekundy tranzystor T4 przewodzi, przekaźnik SS włączony. O czasie opóźnienia (0,5 sek.) decyduje stała czasowa elementów R14,C7.
Po zwolnieniu przycisku kondensator C7 szybko rozładowuje się przez diodę D12 i rezystor R15, układ gotowy do ponownego włączenia. Dioda D13 dołączona równolegle do uzwojenia przekaźnika SS, zabezpiecza tranzystor T4 przed impulsem napięcia w czasie wyłączania uzwojenia przekaźnika.
Drugi układ czasowy, tranzystor T5 (PMOS) po włączeniu zapłonu zwiera na czas około 7 sekund rezystor R1 ograniczający prąd płynący przez cewki przekaźników A i B. Poprawia to pewność działania układu w stanach przejściowych, w szczególności pewność załączenia przekaźnika A po zakończonym rozruchu (po zwolnieniu przycisku start-stop).
Poprzedni układ z stale włączonymi rezystorami R1, R2 i kondensatorem przyśpieszającym C2 działał dobrze przez wiele lat, jednak profilaktycznie zmieniłem na dołączany po czasie rezystor R1, bo nie można całkowicie wykluczyć jakiejś awaryjnej sytuacji ze słabym akumulatorem.
W czasie rozruchu, szczególnie przy słabym już akumulatorze, napięcie może być mniejsze nawet niż 10V, a ładowanie i wzrost napięcia zaczyna się gdy silnik już pracuje. Trzeba też uwzględnić spadek napięcia 0,7V na szeregowej diodzie D3.
W stanach przejściowych, w czasie włączania i wyłączania zapłonu kolejno na uzwojeniach przekaźników A i B pojawia się pełne napięcie napięcie (12V), ale te stany trwają bardzo krótko, nie szkodzą uzwojeniom przekaźników.
Przy normalnej pracy silnika napięcie w instalacji wynosi 14,5V, przekaźniki A i B są na napięcie pracy 5V, rezystancja uzwojenia przekaźników A i B wynosi po 50Ω.
Rezystor R1=66Ω (33+33), razem z rezystancją uzwojeń przekaźników A i B daje wypadkową rezystancję 166Ω, prąd płynący przez uzwojenia po uwzględnieniu spadku napięcia 0,7V na szeregowej diodzie D3 wynosi 83,1mA, napęcie na uzwojeniach po 4,15V, uzwojenia nie grzeją się.
Czas (7sekund) jest długi i wystarczający nawet na barzo "ciężki" rozruch silnika.
Naciśnięcie przycisku w celu włączenia zapłonu (a póżniej rozruchu, jeżeli naciśnięty pedał sprzęgła) powoduje włączenie przekaźnika B. Styk B2 przekaźnika B zwarty do masy, włącza przekaźnik wykonawczy Z, oraz łączy kondensator C8 do masy.
Kondensator C8 ładuje się przez rezystor R16 i w czasie ładowania "stanowi zwarcie" (przewodzi prąd), bramka T5 na potencjale masy, tranzystor T5 przewodzi, rezystor R1 zwarty przez czas ładowania kondensatora około 7 sekund (stała czasowa R16,C8), na przekaźniki A i B jest podawane pełne napięcie.
Zwolnienie przycisku powoduje wyłączenie rozrusznika (w punkcie Y napięcie 0V) oraz włączenie przekaźnika A, zapłon włączony, silnik pracuje. Normalny rozruch z reguły nie trwa dłużej niż 1 do 2 sekundy.
Po 7 sekundach od włączenia zapłonu kondensator C8 naładowany, "stanowi przerwę", tranzystor T5 nie przewodzi, rezystor R1 ogranicza prąd przekaźników A i B.
Po ponownym naciśnięciu przycisku w celu zatrzymania silnika styk B2 przekaźnika B rozłączony, kondensator C8 szybko rozładowuje sie przez diodę D14 oraz małą rezystancję cewki przekaźnika Z, i układ gotowy do ponownego włączenia.
Oba układy czasowe (z tranzystorami T4 i T5) zostały zmontowane na małych płytkach uniwersalnych, z wykorzystaniem elementów SMD. Płytki schowane w rurkach izolacyjnych i podłączone do układu przewodami po uprzednim przecięciu ścieżek w odpowiednich miejscach, trzymają się stabilnie po zamknięciu obudowy. Ideałem elegancji było by opracowanie nowej płytki drukowanej, ale nie warto było. Może przy kolejnej modernizacji, najlepiej w nowym już samochodzie.
Transoptor US3 (PC123) razem z rezystorem redukcyjnym LED transoptora 4,7k jest zamontowany na małej płytce, płytka w rurce termokurczliwej, całość zamontowana w wiązce przewodów, wyjście transoptora (kolektor-emiter tranzystora) jest dołączone do gniazda W6 służącego do podłączenia ukrytego przycisku (tylko) dla modułu "start-stop".
LED transoptora jest włączana ujemnym impulsem z modułu "identyfikacji" kierowcy (n.2 gniazda Gid), albo naciśnięciem ukrytego przycisku UP, który jest dołączony do gniazda G4 modułu dodatkowego zabezpieczenia.
Takie połączenie (przez transoptor) pozwala jednym impulsem odblokować moduł dodatkowego zabezpieczenia oraz moduł przycisku "start-stop".
Gdy brak impulsu identyfikacji, lub nie naciśnięty ukryty przycisk, zabezpieczenie odcina co ma odciąć, oraz nie działa moduł "start-stop", nie można włączyć zapłonu, samochód jest "całkowicie martwy".
Transoptor można odłączyć, ale wtedy trzeba założyć zworę serwisowa ZS na gniazdo W5.
Odłączyć dodatkowe zabezpieczenie oraz odblokować moduł start-stop można przez włożenie do gniazda Gid specjalnej zwory serwisowej zabezpieczenia, po wyjęciu wtyczki od modułu identyfikacji. Jest to potrzebne np. gdy trzeba oddać samochód do naprawy. Gniazdo Gid jest nie widoczne, ale łatwo dostępne.
Można też nie korzystać z zwory serwisowej zabezpieczenia (jest to jednak pewien kłopot), tylko na czas naprawy/przeglądu schować pilot identyfikacji wewnątrz samochodu.
W samochodzie jest też autoalarm ("Max Defender") założony przez sprzedawcę przy kupnie samochodu, spełniający wymagania ubezpieczycieli, ma on też oczywiście swoje odcięcie, oraz służy do obsługi centralnego zamka, otwierania i zamykania samochodu "z pilota".
To zabezpieczenie/autoalarm działa cały czas, także po odłączeniu dodatkowego zabezpieczenia.
Autoalarm można wyłączyć/włączyć tylko za pomocą jego pilota.
Urządzenie "Przycisk start-stop" (pierwsza wersja) zostało zbudowane i zamontowane pod koniec 2000 roku, a więc zaczął się już 19 rok użytkowania. Po tym czasie mogę powiedzieć że jest to naprawdę udane rozwiązanie, przede wszystkim bardzo wygodne. W między czasie przybyło kilka innych pożytecznych urządzeń i utworzył się taki "niby system" sterowania samochodem. Wszystkim chętnym na zbudowanie przycisku "start-stop" polecam dodatkowo zbudować (lub kupić) zabezpieczenie z "identyfikacją" kierowcy, oraz zbudować automatyczny wyłącznik rozrusznika opisany tu:
https://www.elektroda.pl/rtvforum/viewt ... 2#15747022
Identyfikacja kierowcy, oraz automatyczny wyłącznik rozrusznika, a także zamontowanie przycisku na końcu dźwigni zmiany biegów pozwalają na bardzo wygodne, bezstresowe korzystanie z samochodu.
Modernizacji było sporo, dla wygodnego oglądu tematu bez błądzenia po forum umieszczam linki do każdej modernizacji w jednym miejscu.
2000 rok -- pierwsza wersja urządzenia "Przycisk start-stop", poniżej skany jego opisu:




2004 rok -- modernizacja 1.
Usprawnienie uruchamiania silnika po nie oczekiwanym jego zatrzymaniu, dołożenie przekaźników SS, SP, przycisk "start-stop" przeniesiony z pulpitu na koniec dźwigni zmiany biegów. Moim zdaniem jest to miejsce najlepsze z możliwych dla takiego przycisku.
https://www.elektroda.pl/rtvforum/viewt ... 36#3031936
2008 rok -- modernizacja 2.
Zmiana schematu przy tej samej zasadzie działania, nowa płytka drukowana, przekaźniki wykonawcze Z i R wyniesione poza płytkę sterującą.
Jest to już dojrzały projekt, bazujący na kilkuletnim doświadczeniu eksploatacyjnym, wyeliminowane praktycznie wszystkie błędy projektowe pierwszej wersji, nie wiele można tu poprawić (poza modernizacją 3 i 4).
https://www.elektroda.pl/rtvforum/viewt ... 45#6079945
2015 rok -- modernizacja 3.
Dodanie gniazda do podłączenia stacyjki awaryjnej, dodanie diody D11, inne zamontowanie przekaźników wykonawczych Z i R.
https://www.elektroda.pl/rtvforum/viewt ... 5#14886625
2016 rok -- modernizacja 4.
Dołączanie R1 po czasie 7 sekund, opóźnienie włączania przekaźnika SS, dodatkowy transoptor (US3) w zabezpieczeniu.
Opis modernizacji (4) w tym poście.
Dodane zostały dwa układy czasowe wykonane na tranzystorach T4 i T5, oraz transoptor US3 zamontowany w wiązce połączeniowej jako dodatkowy, automatyczny "ukryty przycisk" do modułu sterowanego przyciskiem "start-stop", powiązany z dodatkowym zabezpieczeniem wyposażonym w identyfikację kierowcy, co czyni zabezpieczenie samochodu bardziej pewnym, oraz całkowicie bezobsługowym.
Dodatkowe zabezpieczenie z "identyfikacją" jest opisane tu:
https://www.elektroda.pl/rtvforum/viewt ... 40#6874840
Układ czasowy z tranzystorem T4 (NMOS) opóźnia o 0,5 sekundy włączanie przekaźnika SS po naciśnięciu przycisku, zarówno przy włączaniu jak i przy wyłączaniu zapłonu. Jest to szczególnie ważne przy wyłączaniu zapłonu, gdyż eliminuje przypadkowe zatrzymanie silnika przy jakimś nie ostrożnym ruchu w okolicy przycisku.
Opóźnienie (0,5 sek.) powoduje że wymagane jest "zdecydowane i pewne" naciśnięcie przycisku, wykluczające pomyłki wynikające z nie stabilności ręki. Gdy naciśnięcie przycisku będzie zbyt krótkie, poniżej 0,5 sekundy, przekaźnik SS nie zostanie włączony.
Przy okazji usunięty został kondensator C5 eliminujący "drgania styków", gdyż jest on teraz nie potrzebny.
Układ jest dość skomplikowany ale ma tą zaletę że powoduje opóźnienie tylko przy włączaniu przekaźnika SS. Nie powoduje opóźnienia w wyłączeniu przekaźnika SS po zwolnieniu przycisku. Jest to ważne, bo czas trzymania naciśniętego przycisku decyduje o czasie pracy rozrusznika.
Naciśnięcie przycisku powoduje dołączenie do masy stok tranzystora T4 oraz kondensator C7 w bramce T4. Kondensator C7 ładuje się przez rezystor R14. W czasie ładowania napięcie na kondensatorze i tym samym na bramce tranzystora powoli rośnie, i po czasie ok 0,5 sekundy tranzystor T4 przewodzi, przekaźnik SS włączony. O czasie opóźnienia (0,5 sek.) decyduje stała czasowa elementów R14,C7.
Po zwolnieniu przycisku kondensator C7 szybko rozładowuje się przez diodę D12 i rezystor R15, układ gotowy do ponownego włączenia. Dioda D13 dołączona równolegle do uzwojenia przekaźnika SS, zabezpiecza tranzystor T4 przed impulsem napięcia w czasie wyłączania uzwojenia przekaźnika.
Drugi układ czasowy, tranzystor T5 (PMOS) po włączeniu zapłonu zwiera na czas około 7 sekund rezystor R1 ograniczający prąd płynący przez cewki przekaźników A i B. Poprawia to pewność działania układu w stanach przejściowych, w szczególności pewność załączenia przekaźnika A po zakończonym rozruchu (po zwolnieniu przycisku start-stop).
Poprzedni układ z stale włączonymi rezystorami R1, R2 i kondensatorem przyśpieszającym C2 działał dobrze przez wiele lat, jednak profilaktycznie zmieniłem na dołączany po czasie rezystor R1, bo nie można całkowicie wykluczyć jakiejś awaryjnej sytuacji ze słabym akumulatorem.
W czasie rozruchu, szczególnie przy słabym już akumulatorze, napięcie może być mniejsze nawet niż 10V, a ładowanie i wzrost napięcia zaczyna się gdy silnik już pracuje. Trzeba też uwzględnić spadek napięcia 0,7V na szeregowej diodzie D3.
W stanach przejściowych, w czasie włączania i wyłączania zapłonu kolejno na uzwojeniach przekaźników A i B pojawia się pełne napięcie napięcie (12V), ale te stany trwają bardzo krótko, nie szkodzą uzwojeniom przekaźników.
Przy normalnej pracy silnika napięcie w instalacji wynosi 14,5V, przekaźniki A i B są na napięcie pracy 5V, rezystancja uzwojenia przekaźników A i B wynosi po 50Ω.
Rezystor R1=66Ω (33+33), razem z rezystancją uzwojeń przekaźników A i B daje wypadkową rezystancję 166Ω, prąd płynący przez uzwojenia po uwzględnieniu spadku napięcia 0,7V na szeregowej diodzie D3 wynosi 83,1mA, napęcie na uzwojeniach po 4,15V, uzwojenia nie grzeją się.
Czas (7sekund) jest długi i wystarczający nawet na barzo "ciężki" rozruch silnika.
Naciśnięcie przycisku w celu włączenia zapłonu (a póżniej rozruchu, jeżeli naciśnięty pedał sprzęgła) powoduje włączenie przekaźnika B. Styk B2 przekaźnika B zwarty do masy, włącza przekaźnik wykonawczy Z, oraz łączy kondensator C8 do masy.
Kondensator C8 ładuje się przez rezystor R16 i w czasie ładowania "stanowi zwarcie" (przewodzi prąd), bramka T5 na potencjale masy, tranzystor T5 przewodzi, rezystor R1 zwarty przez czas ładowania kondensatora około 7 sekund (stała czasowa R16,C8), na przekaźniki A i B jest podawane pełne napięcie.
Zwolnienie przycisku powoduje wyłączenie rozrusznika (w punkcie Y napięcie 0V) oraz włączenie przekaźnika A, zapłon włączony, silnik pracuje. Normalny rozruch z reguły nie trwa dłużej niż 1 do 2 sekundy.
Po 7 sekundach od włączenia zapłonu kondensator C8 naładowany, "stanowi przerwę", tranzystor T5 nie przewodzi, rezystor R1 ogranicza prąd przekaźników A i B.
Po ponownym naciśnięciu przycisku w celu zatrzymania silnika styk B2 przekaźnika B rozłączony, kondensator C8 szybko rozładowuje sie przez diodę D14 oraz małą rezystancję cewki przekaźnika Z, i układ gotowy do ponownego włączenia.
Oba układy czasowe (z tranzystorami T4 i T5) zostały zmontowane na małych płytkach uniwersalnych, z wykorzystaniem elementów SMD. Płytki schowane w rurkach izolacyjnych i podłączone do układu przewodami po uprzednim przecięciu ścieżek w odpowiednich miejscach, trzymają się stabilnie po zamknięciu obudowy. Ideałem elegancji było by opracowanie nowej płytki drukowanej, ale nie warto było. Może przy kolejnej modernizacji, najlepiej w nowym już samochodzie.
Transoptor US3 (PC123) razem z rezystorem redukcyjnym LED transoptora 4,7k jest zamontowany na małej płytce, płytka w rurce termokurczliwej, całość zamontowana w wiązce przewodów, wyjście transoptora (kolektor-emiter tranzystora) jest dołączone do gniazda W6 służącego do podłączenia ukrytego przycisku (tylko) dla modułu "start-stop".
LED transoptora jest włączana ujemnym impulsem z modułu "identyfikacji" kierowcy (n.2 gniazda Gid), albo naciśnięciem ukrytego przycisku UP, który jest dołączony do gniazda G4 modułu dodatkowego zabezpieczenia.
Takie połączenie (przez transoptor) pozwala jednym impulsem odblokować moduł dodatkowego zabezpieczenia oraz moduł przycisku "start-stop".
Gdy brak impulsu identyfikacji, lub nie naciśnięty ukryty przycisk, zabezpieczenie odcina co ma odciąć, oraz nie działa moduł "start-stop", nie można włączyć zapłonu, samochód jest "całkowicie martwy".
Transoptor można odłączyć, ale wtedy trzeba założyć zworę serwisowa ZS na gniazdo W5.
Odłączyć dodatkowe zabezpieczenie oraz odblokować moduł start-stop można przez włożenie do gniazda Gid specjalnej zwory serwisowej zabezpieczenia, po wyjęciu wtyczki od modułu identyfikacji. Jest to potrzebne np. gdy trzeba oddać samochód do naprawy. Gniazdo Gid jest nie widoczne, ale łatwo dostępne.
Można też nie korzystać z zwory serwisowej zabezpieczenia (jest to jednak pewien kłopot), tylko na czas naprawy/przeglądu schować pilot identyfikacji wewnątrz samochodu.
W samochodzie jest też autoalarm ("Max Defender") założony przez sprzedawcę przy kupnie samochodu, spełniający wymagania ubezpieczycieli, ma on też oczywiście swoje odcięcie, oraz służy do obsługi centralnego zamka, otwierania i zamykania samochodu "z pilota".
To zabezpieczenie/autoalarm działa cały czas, także po odłączeniu dodatkowego zabezpieczenia.
Autoalarm można wyłączyć/włączyć tylko za pomocą jego pilota.
Urządzenie "Przycisk start-stop" (pierwsza wersja) zostało zbudowane i zamontowane pod koniec 2000 roku, a więc zaczął się już 19 rok użytkowania. Po tym czasie mogę powiedzieć że jest to naprawdę udane rozwiązanie, przede wszystkim bardzo wygodne. W między czasie przybyło kilka innych pożytecznych urządzeń i utworzył się taki "niby system" sterowania samochodem. Wszystkim chętnym na zbudowanie przycisku "start-stop" polecam dodatkowo zbudować (lub kupić) zabezpieczenie z "identyfikacją" kierowcy, oraz zbudować automatyczny wyłącznik rozrusznika opisany tu:
https://www.elektroda.pl/rtvforum/viewt ... 2#15747022
Identyfikacja kierowcy, oraz automatyczny wyłącznik rozrusznika, a także zamontowanie przycisku na końcu dźwigni zmiany biegów pozwalają na bardzo wygodne, bezstresowe korzystanie z samochodu.
Modernizacji było sporo, dla wygodnego oglądu tematu bez błądzenia po forum umieszczam linki do każdej modernizacji w jednym miejscu.
2000 rok -- pierwsza wersja urządzenia "Przycisk start-stop", poniżej skany jego opisu:
2004 rok -- modernizacja 1.
Usprawnienie uruchamiania silnika po nie oczekiwanym jego zatrzymaniu, dołożenie przekaźników SS, SP, przycisk "start-stop" przeniesiony z pulpitu na koniec dźwigni zmiany biegów. Moim zdaniem jest to miejsce najlepsze z możliwych dla takiego przycisku.
https://www.elektroda.pl/rtvforum/viewt ... 36#3031936
2008 rok -- modernizacja 2.
Zmiana schematu przy tej samej zasadzie działania, nowa płytka drukowana, przekaźniki wykonawcze Z i R wyniesione poza płytkę sterującą.
Jest to już dojrzały projekt, bazujący na kilkuletnim doświadczeniu eksploatacyjnym, wyeliminowane praktycznie wszystkie błędy projektowe pierwszej wersji, nie wiele można tu poprawić (poza modernizacją 3 i 4).
https://www.elektroda.pl/rtvforum/viewt ... 45#6079945
2015 rok -- modernizacja 3.
Dodanie gniazda do podłączenia stacyjki awaryjnej, dodanie diody D11, inne zamontowanie przekaźników wykonawczych Z i R.
https://www.elektroda.pl/rtvforum/viewt ... 5#14886625
2016 rok -- modernizacja 4.
Dołączanie R1 po czasie 7 sekund, opóźnienie włączania przekaźnika SS, dodatkowy transoptor (US3) w zabezpieczeniu.
Opis modernizacji (4) w tym poście.
Re: Przycisk "start-stop" w samochodzie (modernizacja)
Przycisk „start stop” w samochodzie. Modernizacja 5.
Przycisk „start-stop” w samochodzie. Modernizacja 5.
Przedstawiam kolejną (5) modernizację urządzenia „Przycisk „start-stop” w samochodzie”. Tym razem też jest to całkowicie nowy schemat, uwzględnione są wszystkie poprzednie modernizacje, ale budowa nie jest oparta na przekaźnikach.
Zastosowane zostały bramki logiczne i przerzutniki. Zachowany został tylko jeden przekaźnik w układzie włączającym/zabezpieczającym bo uważałem, że w tym miejscu przekaźnik lepiej się sprawdzi. W „jeżdżącym prototypie” zamiast przekaźnika był tranzystor PMOS włączający zasilanie, ale zrezygnowałem z tego rozwiązania na korzyść przekaźnika przede wszystkim ze względu na „przerwę powietrzną” która jest dość ważna w samochodzie. Po prostu w stanie wyłączenia (a może to trwać nawet miesiące) nic nie wisi na akumulatorze i zatkanym tranzystorze.
Działanie i wszystkie funkcje są dokładnie takie same jak w poprzednim rozwiązaniu po wszystkich zastosowanych tam modernizacjach.
https://www.elektroda.pl/rtvforum/viewt ... 45#6079945
Dodana została możliwość podłączenia na nie wykorzystane w poprzednim układzie wejście (nr.5) sygnału z pedału hamulca w przypadku automatycznej skrzyni biegów, ale ogólnie nie wpływa to na zasadę działania. W „starym” układzie też można było to zrobić stosując dodatkową negację sygnału na wejście dla wyłącznika pedału sprzęgła.
Schemat ideowy nowego modułu pokazany na Rys.1.
Rys.2. pokazuje połączenia (złącza i wiązki przewodów). Są one nie zmienione, takie same jak w poprzednim opisie (modernizacja 4).
https://www.elektroda.pl/rtvforum/viewt ... 8#17195278
Nowy moduł jest kompatybilny pod każdym względem w stosunku do „starego” z przekaźnikami zarówno pod względem funkcji, wymiarów płytki, konfiguracji wyprowadzeń gniazda połączeniowego. Nie trzeba dokonywać żadnych zmian w już istniejącej instalacji przyłączeniowej.
Z tego powodu nawet nie robiłem nowej obudowy. „Stara” płytka z przekaźnikami jeździ w schowku jako część zapasowa. Ewentualna zamiana płytek to kilka sekund, gdyż dostęp i konstrukcja obudowy na to pozwalają.
Właściwości zmodernizowanego urządzenia są następujące:
* Urządzenie w stanie spoczynku nie pobiera żadnego prądu, jest zachowana tzw. „przerwa powietrzna”.
* Podłączenie urządzenia do samochodu nie wymaga żadnych przeróbek w fabrycznej instalacji elektrycznej samochodu. Wykorzystuje się gniazdo stacyjki, i w przypadku awarii urządzenia można łatwo wrócić do stanu poprzedniego przez przełożenie tego gniazda na stacyjkę.
* Naciśnięcie przycisku „start-stop” przy nie naciśniętym pedale sprzęgła (lub hamulca w przypadku automatycznej skrzyni biegów) powoduje włączenie zapłonu i pozostałych odbiorników, nie powoduje włączenia rozrusznika. Czas trzymania naciśniętego przycisku w tym przypadku jest dowolny.
* Krótkie naciśnięcie przycisku „start-stop”, o czasie krótszym niż czas opóźnienia t1 lub tr (decyduje krótszy z tych czasów, można te czasy dostosować w trakcie budowy pod własne preferencje), przy naciśniętym sprzęgle (lub hamulec w przypadku skrzyni automatycznej), też spowoduje tylko włączenie zapłonu, nie uruchomi rozrusznika.
* Naciśnięcie i trzymanie przycisku „start-stop” przy jednocześnie naciśniętym pedale sprzęgła (lub hamulca przypadku automatycznej skrzyni biegów) powoduje włączenie zapłonu i pozostałych odbiorników, a po czasie opóźnienia t1 lub tr, (tym razem decyduje dłuższy czas) następuje włączenie rozrusznika oraz odłączenie wszystkich zbędnych w czasie rozruchu odbiorników.
Czas pracy rozrusznika zależy od czasu trzymania przycisku „start-stop”.
* Zwolnienie przycisku „start-stop” lub zwolnienie pedału sprzęgła (hamulca w przypadku skrzyni automatycznej) powoduje natychmiastowe wyłączenie rozrusznika, silnik pracuje.
* Ponowne naciśnięcie przycisku „start-stop” gdy silnik pracuje, powoduje wyłączenie zapłonu i zatrzymanie silnika.
Przy czym, gdy pedał sprzęgła (hamulca) jest nie naciśnięty, czas trzymania naciśniętego przycisku jest dowolny, niema możliwości celowego lub przypadkowego włączenia rozrusznika.
Natomiast, gdy pedał sprzęgła (hamulca) jest naciśnięty, naciśnięcie i trzymanie przycisku „start-stop” powoduje także wyłączenie zapłonu, a po czasie t1+t2 (ok.0,9sek.) ponowne włączenie zapłonu i dodatkowo po czasie tr=0,5 sek. uruchomienie rozrusznika. Łączny czas po którym zostanie uruchomiony rozrusznik: t1+t2+tr=0,7+0.2+0,5=1,4 sek. (Podane wielkości czasów są przykładowe dla pokazania rzędu wielkości, dobiera się je indywidualnie wg. własnych potrzeb).
Czas pracy rozrusznika zależy od czasu trzymania naciśniętego przycisku „start-stop”.
Ta właściwość jest bardzo ważna.
W przypadku, gdy pracujący silnik nieoczekiwanie się zatrzyma, na przykład na torach kolejowych albo na skrzyżowaniu, w celu szybkiego uruchomienia wystarczy nacisnąć i trzymać przycisk „start-stop” oraz pedał sprzęgła (lub hamulec w przypadku automatycznej skrzyni biegów).
Wyeliminowana jest możliwość pogubienia się w stresowej sytuacji. Nie potrzeba dwukrotnie naciskać przycisk „start-stop”, pierwszy raz w celu wyłączenia zapłonu, drugi raz, aby włączyć ponownie zapłon i rozruch.
* W przypadku, gdy zapłon jest włączony, ale nie pracuje silnik, po czasie około 60 sekund (czas tz) następuje automatyczne wyłączenie zapłonu oraz zasilania modułu sterującego i powrót urządzenia do stanu wyjściowego.
* Układ załączający zasilanie modułu (tranzystor T1, przekaźnik P1 i logika z nimi związana) może służyć jako zabezpieczenie samochodu, przez co można zrezygnować z innych dodatkowych zabezpieczeń. Jednak zabezpieczeń nigdy za dużo, nie warto rezygnować z już istniejących, a jeżeli niema dodatkowego zabezpieczenia, warto zamontować.
Działanie zabezpieczenia i układu włączającego napięcie zasilania modułu +VDD.
Naciśnięcie ukrytego przycisku UP dołączonego do wyprowadzeń 9 i10 powoduje naładowanie kondensatora C1 napięciem +12V z akumulatora przez rezystor R14 i diodę D17, tranzystor T1 będzie w stanie przewodzenia przez czas tz około 60sek, określony stałą czasową elementów C1,R1 (czas tz=60 sek.).
Przekaźnik P1 nie włączony, gdyż niema zasilania na linii +SS, bo nie naciśnięty przycisk „start-stop”.
Po naciśnięci ukrytego przycisku UP należy w czasie 60 sekund nacisnąć przycisk „start-stop” i wykonać włączenie zapłonu i rozruch.
Gdy pracujący silnik z jakichkolwiek powodów zatrzyma się, w ciągu 60 sekund można go ponownie uruchomić bez naciskania ukrytego przycisku (UP). Jest to bardzo ważna właściwość zabezpieczenia, gdyż zwalnia w stresowej sytuacji od naciskania ukrytego przycisku, od wykonywania dodatkowej czynności.
Po naciśnięciu przycisku „start-stop” (w czasie 60 sekund od chwili naciśnięcia UP) pojawia się natychmiast napięcie na linii +SS. Opóźnienie działania przycisku o czas ts (elementy C3,R3) dotyczy tylko części „cyfrowej” modułu.
Napięcie +SS istnieje tylko wtedy, gdy naciśnięty przycisk „start-stop”.
Kondensator C1 naładowany wcześniej po naciśnięciu UP do napięcia +12V (z akumulatora), tranzystor T1 włącza przekaźnik P1, jego uzwojenie jest zasilane napięciem +SS, styki 13 i 9 przekaźnika P1 włączają napięcie +VDD (zasilanie modułu).
Dioda D16 podtrzymuje zasilanie uzwojenia przekaźnika napięciem z linii +VDD po zwolnieniu przycisku „start-stop”, gdyż wtedy zanika napięcie na linii +SS.
Dioda D15 oddziela linię +SS od linii +VDD.
Jednocześnie z chwilą włączenia zasilania +VDD następuje reset przerzutników A, B za pomocą elementów C6,R6 i tym samym prawidłowe ustawienie początkowe całego układu. Impuls resetu jest dużo krótszy niż czas opóźnienia przycisku ts, występuje wcześniej niż działanie przycisku na część „cyfrową”.
Trzymanie naciśniętego przycisku „start-stop” po odpowiednich opóźnieniach czasowych spowoduje włączenie zapłonu i rozruch silnika.
Gdy silnik pracuje (istnieją obroty), napięcie +12V z zasilania pompy paliwa, podawane przez rezystor R13 i diodę D1 podtrzymuje przewodzenie tranzystora T1 i tym samym włączenie przekaźnika P1 oraz zasilanie całego układu przez dowolnie długi czas pracy silnika.
Styki 13 i 9 przekaźnika P1 utrzymują napięcie +VDD włączone przez cały czas pracy silnika, oraz dodatkowo 60 sekund (czas tz) po normalnym wyłączeniu silnika (zapłonu) przyciskiem „start-stop”.
Podtrzymanie przez 60 sekund zasilania +VDD będzie też po przypadkowym zatrzymaniu silnika, lub gdy zostanie tylko włączony zapłon, bez rozruchu silnika.
Gdy silnik nie pracuje (brak obrotów), ale jest włączony zapłon, niema napięcia podtrzymania +12V z zasilania pompy paliwa, kondensator C1 rozładowuje się przez rezystor R1, i po czasie tz około 60 sekund przekaźnik P1 wyłączy się, wyłączy się zasilanie +VDD, zapłon wyłączony, układ wróci do stanu spoczynku, gdzie nie pobiera prądu, gdyż jest zachowana „przerwa powietrzna”.
Zabezpieczenie można wyłączyć, łącząc zworę serwisową ZS do wyprowadzeń 11 i 12 modułu.
Gdy założona zwora ZS, kondensator C1 jest ładowany przez diodę D14 i rezystor R15 bezpośrednio z napięcia +SS pojawiającego się natychmiast po naciśnięciu przycisku „start-stop”. Przekaźnik P1 też jest zasilany napięciem +SS, i włącza się natychmiast. Dalej następuje wyżej opisane podtrzymanie napięciem +VDD za pomocą diody D16.
Po założeniu zwory ZS układ z tranzystorem T1 i przekaźnikiem P1 po prostu zamienia się w wyłącznik o natychmiastowym włączaniu i opóźnionym o 60 sekund wyłączaniu.
Wyłączenie zabezpieczenia jest potrzebne , gdy na przykład, trzeba udać się na przegląd, lub oddać samochód do naprawy.
Można też założyć zworę ZS na stałe, gdy niema potrzeby korzystania z zabezpieczenia modułu, bo na przykład w samochodzie istnieje już inne zabezpieczenie, albo mamy do czynienia z silnikiem innym niż samochodowy.
„Ukryty przycisk” to szerokie pojecie. Mogą to być rzeczywiście dwa styki pod rożną postacią, które trzeba zewrzeć, i tu jest niewygoda i kłopot, bo trzeba ukryć, a też i trzeba za każdym razem wykonywać „zbędne”, ale konieczne ruchy aby nacisnąć ten ukryty przycisk.. Ale też może to być dodatkowy bezprzewodowy immobilizer nie sprawiający żadnego kłopotu w codziennym użytkowaniu, bezprzewodowa „identyfikacja” kierowcy zastępująca ten „ukryty przycisk”.
Polecam moje rozwiązanie dodatkowego zabezpieczenia, podłączenie i współpraca z przyciskiem „start-stop” są pokazane na Rys.2.
Dodatkowe zabezpieczenie z „identyfikacją” jest opisane tu:
https://www.elektroda.pl/rtvforum/viewt ... 40#6874840
Są też do nabycia podobne zabezpieczenia z „identyfikacją” w specjalistycznych sklepach z alarmami i zabezpieczeniami.
Blokada przed przypadkowym lub nie pożądanym włączeniem rozrusznika.
Z zasady działania urządzenia wynika że niema możliwości włączyć rozrusznik w czasie jazdy po przypadkowym naciśnięciu przycisku „start-stop”.
Zawsze po takim przypadkowym naciśnięciu przycisku nastąpi wyłączenie zapłonu i zatrzymanie silnika.
Dla tego jest wprowadzone opóźnienie działania przycisku (czas ts) aby uniknąć reakcji układu na nie stabilne, przypadkowe ruchy ręki w pobliżu przycisku. Opóźnienie działania wymusza zdecydowane i pewne naciskanie przycisku, wyeliminowany przy okazji efekt „drgania styków”.
Wyeliminowane jest też przypadkowe zatrzymanie silnika w czasie jazdy przy jakimś nie ostrożnym ruchu w okolicy przycisku.
Rozrusznik (przekaźnik R) można włączyć tylko wtedy, gdy na obu wejściach 8 i 9 bramki B4 jest stan wysoki, oraz jednocześnie naciśnięty przycisk „start-stop”, gdyż przez jego zwarte styki podawane zasilanie na uzwojenie przekaźnika R. Przekaźnik R jest zasilany napięciem +SS.
Stan wysoki na wejściu 8 bramki B4 jest tylko wtedy, gdy jest stan wysoki wyjścia Q przerzutnika A (stan wysoki QA), czyli gdy włączony zapłon.
Stan na wejściu 9 bramki B4 to stan w punkcie „X” na schemacie.
Stan wysoki punktu „X” zależy od kilku czynników:
-- Musi być naciśnięty przycisk „start-stop” wtedy jest doprowadzone zasilanie punktu „X” przez rezystor R4 (po czasie t1).
-- Musi być naciśnięty pedał sprzęgła (w przypadku skrzyni manualnej), czyli zwarty wyłącznik SP. Wtedy na wyjściu bramki B6 jest stan wysoki, zatkana dioda D9, napięcie w punkcie „X” nie jest przez nią zwierane.
-- Na wejściu 8 (świece żarowe +SW) powinien być stan niski, wtedy jest stan wysoki na wyjściu 6 bramki B7, dioda D10 zatkana, nie zwiera napięcia w punkcie „X”.
-- W przypadku skrzyni automatycznej musi być naciśnięty hamulec. Do wejścia 5 modułu doprowadzone napięcie +12V ze świateł „stop”, wtedy na wyjściu 12 bramki B8 stan niski, na wyjściu 2 bramki B6 stan wysoki, dioda D9 nie zwiera punktu „X” do masy.
W przypadku silników benzynowych z manualną skrzynią biegów wejścia 5 i 8 modułu pozostają nie podłączone (+H, +SW).
W przypadku silników benzynowych z automatyczną skrzynią biegów nie podłącza się wejść 7 i 8 modułu (SP, +SW).
Wejście 8 modułu (świece żarowe) można nie podłączać jeżeli komputer samochodu „zarządza” świecami na swój sposób.
Blokadę punktu „X” można wyłączyć łącząc zworę zamiast wyłącznika SP, ale wtedy zawsze trzeba uważać na położenie dźwigni zmiany biegów w czasie rozruchu i są większe opory dla rozrusznika gdy nie naciśnięty pedał sprzęgła.
Działanie układu „cyfrowego”. Opis wykresów czasowych.
Część „cyfrowa” układu to odpowiednio skoordynowana praca pięciu układów czasowych i dwóch przerzutników. Dodatkowo logika na kilku negacjach i diodach rozwiązująca blokadę włączenia rozrusznika. Blokada włączenia rozrusznika już wyżej opisana.
Czasy (elementy RC) układów czasowych dobiera się indywidualnie do własnych potrzeb motorycznych oraz „potrzeb” samochodu, np. około 0.5 sekundy wstępna praca pompy paliwa po włączeniu zapłonu przed włączeniem rozrusznika.
Przykładowe czasy dla pokazania rzędu wielkości:
ts -- 0,3 sek.
t1-- 0,7 sek.
t2-- 0,2 sek.
tr -- 0,5 sek.
tz -- 60 sek.
Do prawidłowego działania układu konieczne jest spełnienie warunku aby czas ts był mniejszy od czasu t1
(ts<t1).
Poza tym, czasy mogą być dowolne.
Dobór elementów RC taki jak na schemacie moim zdaniem jest optymalny, elementy dobrane pod moje oczekiwania odpowiadają mniej więcej tym czasom, co podałem.
Zasadę działania, występujące sekwencje, kolejne stany, dość trudno opisać słownie. Najlepiej zasadę działania widać przy analizie wykresów czasowych.
Normalne uruchamianie i zatrzymywanie silnika.
1 -- Naciśnięcie i trzymanie przycisku „start-stop”, bez opóźnienia pojawia się napięcie +SS oraz +VDD, reset przerzutników A, B, i całego układu (elementy C6,R6), stan wysoki przebiegu CB, niski stan CA gdyż ten przebieg jest negacją CB, początek odliczania czasu ts, oraz czasu t1.
2 -- Po czasie ts zmiana stanu CB na niski, (przebieg CA jest negacją CB), przebieg CA zmienia się na wysoki co powoduje zmianę wyjścia Q przerzutnika A na wysoki. Wysoki stan QA jest równoznaczny z włączeniem zapłonu (włączenie przekaźnika Z za pomocą tranzystora T2), rozpoczyna się odliczanie czasu tr.
3,3a -- Włączenie rozrusznika (przekaźnika R) po czasie t1 lub po czasie ts+tr, zależnie od tego który czas będzie dłuższy. Aby włączyć rozrusznik na obu wejściach bramki B4 musi być stan wysoki. Na wejściu 8 stan wysoki będzie po czasie tr, na wejściu 9 po czasie t1. Czasy można dobierać według upodobania.
Rozrusznik można włączyć tylko wtedy gdy naciśnięty przycisk „start-stop” oraz pedał sprzęgła (lub hamulec gdy automatyczna skrzynia biegów). Czas pracy rozrusznika zależy od czasu naciskania przycisku „start-stop”.
4 -- Zwolnienie przycisku „start-stop”, wyłączenie rozrusznika, silnik pracuje przez dowolny czas.
CB zmienia stan z niskiego na wysoki i wymusza zmianę stanu QB na wysoki.
CA zmiana stanu na niski, QA w dalszym ciągu stan wysoki gdyż przerzutnik A nie reaguje na opadające zbocze CA.
5 -- Naciśnięcie (krótkie) przycisku „start-stop” w celu normalnego zatrzymania silnika, początek odliczania czasu ts oraz czasu t1. Gdy nie naciśnięty pedał sprzęgła (lub hamulec w przypadku automatycznej skrzyni biegów) przycisk „start-stop” można naciskać dowolnie długo.
6 -- Po czasie ts zmiana stanu CA na wysoki, narastające zbocze CA powoduje zmianę QA na niski i wyłączenie zapłonu. Początek odliczania czasu tz, gdyż z wyłączeniem zapłonu ustaje podtrzymanie tz napięciem z pompy paliwa.
7 -- Zwolnienie przycisku „start-stop”, CB zmienia stan na wysoki i wymusza zmianę QB na stan niski.
8 -- Koniec odliczania czasu tz (60 sekund), przekaźnik P1 wyłącza się, następuje wyłączenie zasilania +VDD, układ wraca do stanu spoczynku.
Uruchamianie silnika po jego nieoczekiwanym zatrzymaniu.
1 -- Naciśnięcie przycisku „start-stop” oraz pedału sprzęgła (lub hamulec w przypadku skrzyni automatycznej), pojawia się napięcie +SS, początek odliczania czasu ts oraz t1. Napięcie +VDD było włączone przed naciśnięciem przycisku.
2 -- Po czasie ts zmiana stanu CA z niskiego na wysoki wymusza zmianę stanu przerzutnika QA na niski, czyli wyłączenie zapłonu. Przebieg CA jest negacją przebiegu CB, zmiana stanu CB z wysokiego na niski nie powoduje zmiany stanu QB.
3 -- Po czasie t1 zmiana stanu CB z niskiego na wysoki powoduje zmianę stanu QB na niski, rozpoczyna się odliczanie czasu t2. Jednocześnie zmienia się stan CA z wysokiego na niski (przebieg CA jest negacją CB), przerzutnik QA na tą zmianę nie reaguje.
4 -- Po czasie t2 od chwili pojawienia się niskiego stanu QB na wejściu 6 bramki B1 pojawia się stan niski (kierunek podłączenia diody D4). Skutkiem tego będzie pojawienie się narastającego zbocza CA i zmiana stanu przerzutnika QA z niskiego na wysoki, czyli ponowne włączenie zapłonu.
Po włączeniu zapłonu rozpoczyna się odliczanie czasu tr.
Jak widać, czas t2 jest czasem „pomocniczym” aby możliwe było uzyskanie w przebiegu CA drugiego narastającego zbocza w czasie jednego przyciśnięcia przycisku.
Ponowne włączenie zapłonu następuje po czasie t1+t2 od chwili naciśnięcia przycisku.
5 -- Po czasie tr od chwili włączenia zapłonu, włączenie rozrusznika. Czas pracy rozrusznika zależy od czasu trzymania naciśniętego przycisku „start-stop”.
6 -- Zwolnienie przycisku „start-stop”, wyłączenie rozrusznika, silnik pracuje.
Przebieg CB zmienia stan na wysoki i powoduje zmianę QB na wysoki. Przebieg CA zmienia stan na niski, przerzutnik A na opadające zbocze CA nie reaguje, QA w stanie wysokim.
Wyłączenie napięcia +SS.
Urządzenie "Przycisk start-stop" (pierwsza wersja) zostało zbudowane i zamontowane pod koniec 2000 roku, a więc kończy się już 19 rok użytkowania. Po tym czasie mogę powiedzieć że jest to naprawdę udane rozwiązanie, przede wszystkim bardzo wygodne. W między czasie przybyło kilka innych pożytecznych urządzeń i utworzył się taki "niby system" sterowania samochodem. Wszystkim chętnym na zbudowanie przycisku "start-stop" polecam dodatkowo zbudować (lub kupić) zabezpieczenie z "identyfikacją" kierowcy, oraz zbudować automatyczny wyłącznik rozrusznika opisany tu:
https://www.elektroda.pl/rtvforum/viewt ... 2#15747022
Identyfikacja kierowcy, oraz automatyczny wyłącznik rozrusznika, a także zamontowanie przycisku na końcu dźwigni zmiany biegów pozwalają na bardzo wygodne, bezstresowe korzystanie z samochodu.
Modernizacji było sporo, dla wygodnego oglądu tematu bez błądzenia po forum umieszczam linki do każdej modernizacji w jednym miejscu. Są tam też opisy jak poradzić z problemami montażowymi które trzeba rozwiązać typu: kluczyk, mechaniczna blokada kierownicy, fabryczny immobiliser, dodatkowy kluczyk bez immobilisera (tylko do otwierania drzwi), oczywiście dodatkowe zabezpieczenie, automatyczny wyłącznik rozrusznika.
2000 rok -- pierwsza wersja urządzenia "Przycisk start-stop", poniżej skany jego opisu:




2004 rok -- modernizacja 1.
Usprawnienie uruchamiania silnika po nie oczekiwanym jego zatrzymaniu, dołożenie przekaźników SS, SP, przycisk "start-stop" przeniesiony z pulpitu na koniec dźwigni zmiany biegów. Moim zdaniem jest to miejsce najlepsze z możliwych dla takiego przycisku.
https://www.elektroda.pl/rtvforum/viewt ... 36#3031936
2008 rok -- modernizacja 2.
Zmiana schematu przy tej samej zasadzie działania, nowa płytka drukowana, przekaźniki wykonawcze Z i R wyniesione poza płytkę sterującą.
Jest to już dojrzały projekt, bazujący na kilkuletnim doświadczeniu eksploatacyjnym, wyeliminowane praktycznie wszystkie błędy projektowe pierwszej wersji, nie wiele można tu poprawić (poza modernizacją 3 i 4).
https://www.elektroda.pl/rtvforum/viewt ... 45#6079945
2015 rok -- modernizacja 3.
Dodanie gniazda do podłączenia stacyjki awaryjnej, dodanie diody D11, inne zamontowanie przekaźników wykonawczych Z i R.
https://www.elektroda.pl/rtvforum/viewt ... 5#14886625
2016 rok -- modernizacja 4.
Dołączanie R1 po czasie 7 sekund, opóźnienie włączania przekaźnika SS, dodatkowy transoptor (US3) w zabezpieczeniu.
https://www.elektroda.pl/rtvforum/viewt ... 8#17195278
2018 rok -- modernizacja 5.
Kolejna zmiana schematu przy tej samej zasadzie działania, zastosowanie układów cyfrowych zamiast przekaźników, nowa płytka montażowa. Nowy moduł jest całkowicie kompatybilny, zamienny z poprzednim.
Opis budowy i działania w tym poście.
Przycisk „start-stop” w samochodzie. Modernizacja 5.
Przedstawiam kolejną (5) modernizację urządzenia „Przycisk „start-stop” w samochodzie”. Tym razem też jest to całkowicie nowy schemat, uwzględnione są wszystkie poprzednie modernizacje, ale budowa nie jest oparta na przekaźnikach.
Zastosowane zostały bramki logiczne i przerzutniki. Zachowany został tylko jeden przekaźnik w układzie włączającym/zabezpieczającym bo uważałem, że w tym miejscu przekaźnik lepiej się sprawdzi. W „jeżdżącym prototypie” zamiast przekaźnika był tranzystor PMOS włączający zasilanie, ale zrezygnowałem z tego rozwiązania na korzyść przekaźnika przede wszystkim ze względu na „przerwę powietrzną” która jest dość ważna w samochodzie. Po prostu w stanie wyłączenia (a może to trwać nawet miesiące) nic nie wisi na akumulatorze i zatkanym tranzystorze.
Działanie i wszystkie funkcje są dokładnie takie same jak w poprzednim rozwiązaniu po wszystkich zastosowanych tam modernizacjach.
https://www.elektroda.pl/rtvforum/viewt ... 45#6079945
Dodana została możliwość podłączenia na nie wykorzystane w poprzednim układzie wejście (nr.5) sygnału z pedału hamulca w przypadku automatycznej skrzyni biegów, ale ogólnie nie wpływa to na zasadę działania. W „starym” układzie też można było to zrobić stosując dodatkową negację sygnału na wejście dla wyłącznika pedału sprzęgła.
Schemat ideowy nowego modułu pokazany na Rys.1.
Rys.2. pokazuje połączenia (złącza i wiązki przewodów). Są one nie zmienione, takie same jak w poprzednim opisie (modernizacja 4).
https://www.elektroda.pl/rtvforum/viewt ... 8#17195278
Nowy moduł jest kompatybilny pod każdym względem w stosunku do „starego” z przekaźnikami zarówno pod względem funkcji, wymiarów płytki, konfiguracji wyprowadzeń gniazda połączeniowego. Nie trzeba dokonywać żadnych zmian w już istniejącej instalacji przyłączeniowej.
Z tego powodu nawet nie robiłem nowej obudowy. „Stara” płytka z przekaźnikami jeździ w schowku jako część zapasowa. Ewentualna zamiana płytek to kilka sekund, gdyż dostęp i konstrukcja obudowy na to pozwalają.
Właściwości zmodernizowanego urządzenia są następujące:
* Urządzenie w stanie spoczynku nie pobiera żadnego prądu, jest zachowana tzw. „przerwa powietrzna”.
* Podłączenie urządzenia do samochodu nie wymaga żadnych przeróbek w fabrycznej instalacji elektrycznej samochodu. Wykorzystuje się gniazdo stacyjki, i w przypadku awarii urządzenia można łatwo wrócić do stanu poprzedniego przez przełożenie tego gniazda na stacyjkę.
* Naciśnięcie przycisku „start-stop” przy nie naciśniętym pedale sprzęgła (lub hamulca w przypadku automatycznej skrzyni biegów) powoduje włączenie zapłonu i pozostałych odbiorników, nie powoduje włączenia rozrusznika. Czas trzymania naciśniętego przycisku w tym przypadku jest dowolny.
* Krótkie naciśnięcie przycisku „start-stop”, o czasie krótszym niż czas opóźnienia t1 lub tr (decyduje krótszy z tych czasów, można te czasy dostosować w trakcie budowy pod własne preferencje), przy naciśniętym sprzęgle (lub hamulec w przypadku skrzyni automatycznej), też spowoduje tylko włączenie zapłonu, nie uruchomi rozrusznika.
* Naciśnięcie i trzymanie przycisku „start-stop” przy jednocześnie naciśniętym pedale sprzęgła (lub hamulca przypadku automatycznej skrzyni biegów) powoduje włączenie zapłonu i pozostałych odbiorników, a po czasie opóźnienia t1 lub tr, (tym razem decyduje dłuższy czas) następuje włączenie rozrusznika oraz odłączenie wszystkich zbędnych w czasie rozruchu odbiorników.
Czas pracy rozrusznika zależy od czasu trzymania przycisku „start-stop”.
* Zwolnienie przycisku „start-stop” lub zwolnienie pedału sprzęgła (hamulca w przypadku skrzyni automatycznej) powoduje natychmiastowe wyłączenie rozrusznika, silnik pracuje.
* Ponowne naciśnięcie przycisku „start-stop” gdy silnik pracuje, powoduje wyłączenie zapłonu i zatrzymanie silnika.
Przy czym, gdy pedał sprzęgła (hamulca) jest nie naciśnięty, czas trzymania naciśniętego przycisku jest dowolny, niema możliwości celowego lub przypadkowego włączenia rozrusznika.
Natomiast, gdy pedał sprzęgła (hamulca) jest naciśnięty, naciśnięcie i trzymanie przycisku „start-stop” powoduje także wyłączenie zapłonu, a po czasie t1+t2 (ok.0,9sek.) ponowne włączenie zapłonu i dodatkowo po czasie tr=0,5 sek. uruchomienie rozrusznika. Łączny czas po którym zostanie uruchomiony rozrusznik: t1+t2+tr=0,7+0.2+0,5=1,4 sek. (Podane wielkości czasów są przykładowe dla pokazania rzędu wielkości, dobiera się je indywidualnie wg. własnych potrzeb).
Czas pracy rozrusznika zależy od czasu trzymania naciśniętego przycisku „start-stop”.
Ta właściwość jest bardzo ważna.
W przypadku, gdy pracujący silnik nieoczekiwanie się zatrzyma, na przykład na torach kolejowych albo na skrzyżowaniu, w celu szybkiego uruchomienia wystarczy nacisnąć i trzymać przycisk „start-stop” oraz pedał sprzęgła (lub hamulec w przypadku automatycznej skrzyni biegów).
Wyeliminowana jest możliwość pogubienia się w stresowej sytuacji. Nie potrzeba dwukrotnie naciskać przycisk „start-stop”, pierwszy raz w celu wyłączenia zapłonu, drugi raz, aby włączyć ponownie zapłon i rozruch.
* W przypadku, gdy zapłon jest włączony, ale nie pracuje silnik, po czasie około 60 sekund (czas tz) następuje automatyczne wyłączenie zapłonu oraz zasilania modułu sterującego i powrót urządzenia do stanu wyjściowego.
* Układ załączający zasilanie modułu (tranzystor T1, przekaźnik P1 i logika z nimi związana) może służyć jako zabezpieczenie samochodu, przez co można zrezygnować z innych dodatkowych zabezpieczeń. Jednak zabezpieczeń nigdy za dużo, nie warto rezygnować z już istniejących, a jeżeli niema dodatkowego zabezpieczenia, warto zamontować.
Działanie zabezpieczenia i układu włączającego napięcie zasilania modułu +VDD.
Naciśnięcie ukrytego przycisku UP dołączonego do wyprowadzeń 9 i10 powoduje naładowanie kondensatora C1 napięciem +12V z akumulatora przez rezystor R14 i diodę D17, tranzystor T1 będzie w stanie przewodzenia przez czas tz około 60sek, określony stałą czasową elementów C1,R1 (czas tz=60 sek.).
Przekaźnik P1 nie włączony, gdyż niema zasilania na linii +SS, bo nie naciśnięty przycisk „start-stop”.
Po naciśnięci ukrytego przycisku UP należy w czasie 60 sekund nacisnąć przycisk „start-stop” i wykonać włączenie zapłonu i rozruch.
Gdy pracujący silnik z jakichkolwiek powodów zatrzyma się, w ciągu 60 sekund można go ponownie uruchomić bez naciskania ukrytego przycisku (UP). Jest to bardzo ważna właściwość zabezpieczenia, gdyż zwalnia w stresowej sytuacji od naciskania ukrytego przycisku, od wykonywania dodatkowej czynności.
Po naciśnięciu przycisku „start-stop” (w czasie 60 sekund od chwili naciśnięcia UP) pojawia się natychmiast napięcie na linii +SS. Opóźnienie działania przycisku o czas ts (elementy C3,R3) dotyczy tylko części „cyfrowej” modułu.
Napięcie +SS istnieje tylko wtedy, gdy naciśnięty przycisk „start-stop”.
Kondensator C1 naładowany wcześniej po naciśnięciu UP do napięcia +12V (z akumulatora), tranzystor T1 włącza przekaźnik P1, jego uzwojenie jest zasilane napięciem +SS, styki 13 i 9 przekaźnika P1 włączają napięcie +VDD (zasilanie modułu).
Dioda D16 podtrzymuje zasilanie uzwojenia przekaźnika napięciem z linii +VDD po zwolnieniu przycisku „start-stop”, gdyż wtedy zanika napięcie na linii +SS.
Dioda D15 oddziela linię +SS od linii +VDD.
Jednocześnie z chwilą włączenia zasilania +VDD następuje reset przerzutników A, B za pomocą elementów C6,R6 i tym samym prawidłowe ustawienie początkowe całego układu. Impuls resetu jest dużo krótszy niż czas opóźnienia przycisku ts, występuje wcześniej niż działanie przycisku na część „cyfrową”.
Trzymanie naciśniętego przycisku „start-stop” po odpowiednich opóźnieniach czasowych spowoduje włączenie zapłonu i rozruch silnika.
Gdy silnik pracuje (istnieją obroty), napięcie +12V z zasilania pompy paliwa, podawane przez rezystor R13 i diodę D1 podtrzymuje przewodzenie tranzystora T1 i tym samym włączenie przekaźnika P1 oraz zasilanie całego układu przez dowolnie długi czas pracy silnika.
Styki 13 i 9 przekaźnika P1 utrzymują napięcie +VDD włączone przez cały czas pracy silnika, oraz dodatkowo 60 sekund (czas tz) po normalnym wyłączeniu silnika (zapłonu) przyciskiem „start-stop”.
Podtrzymanie przez 60 sekund zasilania +VDD będzie też po przypadkowym zatrzymaniu silnika, lub gdy zostanie tylko włączony zapłon, bez rozruchu silnika.
Gdy silnik nie pracuje (brak obrotów), ale jest włączony zapłon, niema napięcia podtrzymania +12V z zasilania pompy paliwa, kondensator C1 rozładowuje się przez rezystor R1, i po czasie tz około 60 sekund przekaźnik P1 wyłączy się, wyłączy się zasilanie +VDD, zapłon wyłączony, układ wróci do stanu spoczynku, gdzie nie pobiera prądu, gdyż jest zachowana „przerwa powietrzna”.
Zabezpieczenie można wyłączyć, łącząc zworę serwisową ZS do wyprowadzeń 11 i 12 modułu.
Gdy założona zwora ZS, kondensator C1 jest ładowany przez diodę D14 i rezystor R15 bezpośrednio z napięcia +SS pojawiającego się natychmiast po naciśnięciu przycisku „start-stop”. Przekaźnik P1 też jest zasilany napięciem +SS, i włącza się natychmiast. Dalej następuje wyżej opisane podtrzymanie napięciem +VDD za pomocą diody D16.
Po założeniu zwory ZS układ z tranzystorem T1 i przekaźnikiem P1 po prostu zamienia się w wyłącznik o natychmiastowym włączaniu i opóźnionym o 60 sekund wyłączaniu.
Wyłączenie zabezpieczenia jest potrzebne , gdy na przykład, trzeba udać się na przegląd, lub oddać samochód do naprawy.
Można też założyć zworę ZS na stałe, gdy niema potrzeby korzystania z zabezpieczenia modułu, bo na przykład w samochodzie istnieje już inne zabezpieczenie, albo mamy do czynienia z silnikiem innym niż samochodowy.
„Ukryty przycisk” to szerokie pojecie. Mogą to być rzeczywiście dwa styki pod rożną postacią, które trzeba zewrzeć, i tu jest niewygoda i kłopot, bo trzeba ukryć, a też i trzeba za każdym razem wykonywać „zbędne”, ale konieczne ruchy aby nacisnąć ten ukryty przycisk.. Ale też może to być dodatkowy bezprzewodowy immobilizer nie sprawiający żadnego kłopotu w codziennym użytkowaniu, bezprzewodowa „identyfikacja” kierowcy zastępująca ten „ukryty przycisk”.
Polecam moje rozwiązanie dodatkowego zabezpieczenia, podłączenie i współpraca z przyciskiem „start-stop” są pokazane na Rys.2.
Dodatkowe zabezpieczenie z „identyfikacją” jest opisane tu:
https://www.elektroda.pl/rtvforum/viewt ... 40#6874840
Są też do nabycia podobne zabezpieczenia z „identyfikacją” w specjalistycznych sklepach z alarmami i zabezpieczeniami.
Blokada przed przypadkowym lub nie pożądanym włączeniem rozrusznika.
Z zasady działania urządzenia wynika że niema możliwości włączyć rozrusznik w czasie jazdy po przypadkowym naciśnięciu przycisku „start-stop”.
Zawsze po takim przypadkowym naciśnięciu przycisku nastąpi wyłączenie zapłonu i zatrzymanie silnika.
Dla tego jest wprowadzone opóźnienie działania przycisku (czas ts) aby uniknąć reakcji układu na nie stabilne, przypadkowe ruchy ręki w pobliżu przycisku. Opóźnienie działania wymusza zdecydowane i pewne naciskanie przycisku, wyeliminowany przy okazji efekt „drgania styków”.
Wyeliminowane jest też przypadkowe zatrzymanie silnika w czasie jazdy przy jakimś nie ostrożnym ruchu w okolicy przycisku.
Rozrusznik (przekaźnik R) można włączyć tylko wtedy, gdy na obu wejściach 8 i 9 bramki B4 jest stan wysoki, oraz jednocześnie naciśnięty przycisk „start-stop”, gdyż przez jego zwarte styki podawane zasilanie na uzwojenie przekaźnika R. Przekaźnik R jest zasilany napięciem +SS.
Stan wysoki na wejściu 8 bramki B4 jest tylko wtedy, gdy jest stan wysoki wyjścia Q przerzutnika A (stan wysoki QA), czyli gdy włączony zapłon.
Stan na wejściu 9 bramki B4 to stan w punkcie „X” na schemacie.
Stan wysoki punktu „X” zależy od kilku czynników:
-- Musi być naciśnięty przycisk „start-stop” wtedy jest doprowadzone zasilanie punktu „X” przez rezystor R4 (po czasie t1).
-- Musi być naciśnięty pedał sprzęgła (w przypadku skrzyni manualnej), czyli zwarty wyłącznik SP. Wtedy na wyjściu bramki B6 jest stan wysoki, zatkana dioda D9, napięcie w punkcie „X” nie jest przez nią zwierane.
-- Na wejściu 8 (świece żarowe +SW) powinien być stan niski, wtedy jest stan wysoki na wyjściu 6 bramki B7, dioda D10 zatkana, nie zwiera napięcia w punkcie „X”.
-- W przypadku skrzyni automatycznej musi być naciśnięty hamulec. Do wejścia 5 modułu doprowadzone napięcie +12V ze świateł „stop”, wtedy na wyjściu 12 bramki B8 stan niski, na wyjściu 2 bramki B6 stan wysoki, dioda D9 nie zwiera punktu „X” do masy.
W przypadku silników benzynowych z manualną skrzynią biegów wejścia 5 i 8 modułu pozostają nie podłączone (+H, +SW).
W przypadku silników benzynowych z automatyczną skrzynią biegów nie podłącza się wejść 7 i 8 modułu (SP, +SW).
Wejście 8 modułu (świece żarowe) można nie podłączać jeżeli komputer samochodu „zarządza” świecami na swój sposób.
Blokadę punktu „X” można wyłączyć łącząc zworę zamiast wyłącznika SP, ale wtedy zawsze trzeba uważać na położenie dźwigni zmiany biegów w czasie rozruchu i są większe opory dla rozrusznika gdy nie naciśnięty pedał sprzęgła.
Działanie układu „cyfrowego”. Opis wykresów czasowych.
Część „cyfrowa” układu to odpowiednio skoordynowana praca pięciu układów czasowych i dwóch przerzutników. Dodatkowo logika na kilku negacjach i diodach rozwiązująca blokadę włączenia rozrusznika. Blokada włączenia rozrusznika już wyżej opisana.
Czasy (elementy RC) układów czasowych dobiera się indywidualnie do własnych potrzeb motorycznych oraz „potrzeb” samochodu, np. około 0.5 sekundy wstępna praca pompy paliwa po włączeniu zapłonu przed włączeniem rozrusznika.
Przykładowe czasy dla pokazania rzędu wielkości:
ts -- 0,3 sek.
t1-- 0,7 sek.
t2-- 0,2 sek.
tr -- 0,5 sek.
tz -- 60 sek.
Do prawidłowego działania układu konieczne jest spełnienie warunku aby czas ts był mniejszy od czasu t1
(ts<t1).
Poza tym, czasy mogą być dowolne.
Dobór elementów RC taki jak na schemacie moim zdaniem jest optymalny, elementy dobrane pod moje oczekiwania odpowiadają mniej więcej tym czasom, co podałem.
Zasadę działania, występujące sekwencje, kolejne stany, dość trudno opisać słownie. Najlepiej zasadę działania widać przy analizie wykresów czasowych.
Normalne uruchamianie i zatrzymywanie silnika.
1 -- Naciśnięcie i trzymanie przycisku „start-stop”, bez opóźnienia pojawia się napięcie +SS oraz +VDD, reset przerzutników A, B, i całego układu (elementy C6,R6), stan wysoki przebiegu CB, niski stan CA gdyż ten przebieg jest negacją CB, początek odliczania czasu ts, oraz czasu t1.
2 -- Po czasie ts zmiana stanu CB na niski, (przebieg CA jest negacją CB), przebieg CA zmienia się na wysoki co powoduje zmianę wyjścia Q przerzutnika A na wysoki. Wysoki stan QA jest równoznaczny z włączeniem zapłonu (włączenie przekaźnika Z za pomocą tranzystora T2), rozpoczyna się odliczanie czasu tr.
3,3a -- Włączenie rozrusznika (przekaźnika R) po czasie t1 lub po czasie ts+tr, zależnie od tego który czas będzie dłuższy. Aby włączyć rozrusznik na obu wejściach bramki B4 musi być stan wysoki. Na wejściu 8 stan wysoki będzie po czasie tr, na wejściu 9 po czasie t1. Czasy można dobierać według upodobania.
Rozrusznik można włączyć tylko wtedy gdy naciśnięty przycisk „start-stop” oraz pedał sprzęgła (lub hamulec gdy automatyczna skrzynia biegów). Czas pracy rozrusznika zależy od czasu naciskania przycisku „start-stop”.
4 -- Zwolnienie przycisku „start-stop”, wyłączenie rozrusznika, silnik pracuje przez dowolny czas.
CB zmienia stan z niskiego na wysoki i wymusza zmianę stanu QB na wysoki.
CA zmiana stanu na niski, QA w dalszym ciągu stan wysoki gdyż przerzutnik A nie reaguje na opadające zbocze CA.
5 -- Naciśnięcie (krótkie) przycisku „start-stop” w celu normalnego zatrzymania silnika, początek odliczania czasu ts oraz czasu t1. Gdy nie naciśnięty pedał sprzęgła (lub hamulec w przypadku automatycznej skrzyni biegów) przycisk „start-stop” można naciskać dowolnie długo.
6 -- Po czasie ts zmiana stanu CA na wysoki, narastające zbocze CA powoduje zmianę QA na niski i wyłączenie zapłonu. Początek odliczania czasu tz, gdyż z wyłączeniem zapłonu ustaje podtrzymanie tz napięciem z pompy paliwa.
7 -- Zwolnienie przycisku „start-stop”, CB zmienia stan na wysoki i wymusza zmianę QB na stan niski.
8 -- Koniec odliczania czasu tz (60 sekund), przekaźnik P1 wyłącza się, następuje wyłączenie zasilania +VDD, układ wraca do stanu spoczynku.
Uruchamianie silnika po jego nieoczekiwanym zatrzymaniu.
1 -- Naciśnięcie przycisku „start-stop” oraz pedału sprzęgła (lub hamulec w przypadku skrzyni automatycznej), pojawia się napięcie +SS, początek odliczania czasu ts oraz t1. Napięcie +VDD było włączone przed naciśnięciem przycisku.
2 -- Po czasie ts zmiana stanu CA z niskiego na wysoki wymusza zmianę stanu przerzutnika QA na niski, czyli wyłączenie zapłonu. Przebieg CA jest negacją przebiegu CB, zmiana stanu CB z wysokiego na niski nie powoduje zmiany stanu QB.
3 -- Po czasie t1 zmiana stanu CB z niskiego na wysoki powoduje zmianę stanu QB na niski, rozpoczyna się odliczanie czasu t2. Jednocześnie zmienia się stan CA z wysokiego na niski (przebieg CA jest negacją CB), przerzutnik QA na tą zmianę nie reaguje.
4 -- Po czasie t2 od chwili pojawienia się niskiego stanu QB na wejściu 6 bramki B1 pojawia się stan niski (kierunek podłączenia diody D4). Skutkiem tego będzie pojawienie się narastającego zbocza CA i zmiana stanu przerzutnika QA z niskiego na wysoki, czyli ponowne włączenie zapłonu.
Po włączeniu zapłonu rozpoczyna się odliczanie czasu tr.
Jak widać, czas t2 jest czasem „pomocniczym” aby możliwe było uzyskanie w przebiegu CA drugiego narastającego zbocza w czasie jednego przyciśnięcia przycisku.
Ponowne włączenie zapłonu następuje po czasie t1+t2 od chwili naciśnięcia przycisku.
5 -- Po czasie tr od chwili włączenia zapłonu, włączenie rozrusznika. Czas pracy rozrusznika zależy od czasu trzymania naciśniętego przycisku „start-stop”.
6 -- Zwolnienie przycisku „start-stop”, wyłączenie rozrusznika, silnik pracuje.
Przebieg CB zmienia stan na wysoki i powoduje zmianę QB na wysoki. Przebieg CA zmienia stan na niski, przerzutnik A na opadające zbocze CA nie reaguje, QA w stanie wysokim.
Wyłączenie napięcia +SS.
Urządzenie "Przycisk start-stop" (pierwsza wersja) zostało zbudowane i zamontowane pod koniec 2000 roku, a więc kończy się już 19 rok użytkowania. Po tym czasie mogę powiedzieć że jest to naprawdę udane rozwiązanie, przede wszystkim bardzo wygodne. W między czasie przybyło kilka innych pożytecznych urządzeń i utworzył się taki "niby system" sterowania samochodem. Wszystkim chętnym na zbudowanie przycisku "start-stop" polecam dodatkowo zbudować (lub kupić) zabezpieczenie z "identyfikacją" kierowcy, oraz zbudować automatyczny wyłącznik rozrusznika opisany tu:
https://www.elektroda.pl/rtvforum/viewt ... 2#15747022
Identyfikacja kierowcy, oraz automatyczny wyłącznik rozrusznika, a także zamontowanie przycisku na końcu dźwigni zmiany biegów pozwalają na bardzo wygodne, bezstresowe korzystanie z samochodu.
Modernizacji było sporo, dla wygodnego oglądu tematu bez błądzenia po forum umieszczam linki do każdej modernizacji w jednym miejscu. Są tam też opisy jak poradzić z problemami montażowymi które trzeba rozwiązać typu: kluczyk, mechaniczna blokada kierownicy, fabryczny immobiliser, dodatkowy kluczyk bez immobilisera (tylko do otwierania drzwi), oczywiście dodatkowe zabezpieczenie, automatyczny wyłącznik rozrusznika.
2000 rok -- pierwsza wersja urządzenia "Przycisk start-stop", poniżej skany jego opisu:
2004 rok -- modernizacja 1.
Usprawnienie uruchamiania silnika po nie oczekiwanym jego zatrzymaniu, dołożenie przekaźników SS, SP, przycisk "start-stop" przeniesiony z pulpitu na koniec dźwigni zmiany biegów. Moim zdaniem jest to miejsce najlepsze z możliwych dla takiego przycisku.
https://www.elektroda.pl/rtvforum/viewt ... 36#3031936
2008 rok -- modernizacja 2.
Zmiana schematu przy tej samej zasadzie działania, nowa płytka drukowana, przekaźniki wykonawcze Z i R wyniesione poza płytkę sterującą.
Jest to już dojrzały projekt, bazujący na kilkuletnim doświadczeniu eksploatacyjnym, wyeliminowane praktycznie wszystkie błędy projektowe pierwszej wersji, nie wiele można tu poprawić (poza modernizacją 3 i 4).
https://www.elektroda.pl/rtvforum/viewt ... 45#6079945
2015 rok -- modernizacja 3.
Dodanie gniazda do podłączenia stacyjki awaryjnej, dodanie diody D11, inne zamontowanie przekaźników wykonawczych Z i R.
https://www.elektroda.pl/rtvforum/viewt ... 5#14886625
2016 rok -- modernizacja 4.
Dołączanie R1 po czasie 7 sekund, opóźnienie włączania przekaźnika SS, dodatkowy transoptor (US3) w zabezpieczeniu.
https://www.elektroda.pl/rtvforum/viewt ... 8#17195278
2018 rok -- modernizacja 5.
Kolejna zmiana schematu przy tej samej zasadzie działania, zastosowanie układów cyfrowych zamiast przekaźników, nowa płytka montażowa. Nowy moduł jest całkowicie kompatybilny, zamienny z poprzednim.
Opis budowy i działania w tym poście.
Re: Przycisk "start-stop" w samochodzie (modernizacja)
Przycisk "start-stop". Modernizacja 6.
Przedstawiam kolejną (6) modernizację urządzenia "przycisk start-stop w samochodzie".
Układ scalony US3 - CD40106 (6 inwerterów) został zamieniony na CD4093 (4 bramki NAND). W układzie CD40106 dwa inwertery były nie wykorzystane/zbędne. Bramki NAND w układzie CD4093 pracują w połączeniu jako inwertery. Zasada działania oczywiście taka sama. Układ ogólnie jest "bardziej elegancki", niema nie wykorzystanych elementów.
Zaletą takiego rozwiązania jest brak możliwości pomyłki przy obsadzie układów scalonych w podstawki w warunkach "polowych", gdyż dwa jednakowe układy CD4093 mają po 14 nóżek, a układ CD4027 ma 16 nóżek. Nie trzeba "patrzeć na napisy" na układach i nie można się pomylić. Oczywiście na wszelki wypadek należy wozić w zapasie układy scalone i przekażnik. Przekażnik też jest obsadzony w podstawce.
Modernizacja jest bardzo prosta, gdyż wystarczy tylko zmienić kilka połączeń/ścieżek na płytce montażowej i wstawić "nowy" układ scalony. Tu ujawnia się duża zaleta płytki uniwersalnej.
Ta ostatnia wersja urządzenia "przycisk start-stop" sprawuje się bez zarzutu już kilka lat, a więc był i upał, i mróz, oraz wilgoć w powietrzu, słaby akumulator, itp. Jak ogólnie wiadomo, nic tak nie weryfikuje poprawności działania urządzeń w samochodzie jak zima.
Jak na razie żadnych problemów. Nie było też problemów z poprzednimi wersjami. Ogólnie przez ponad 20 lat użytkowania przycisku "start stop" nie było z nim żadnych kłopotów. No może za wyjątkiem awarii wyłącznika przy pedale sprzęgła, ale to była awaria osprzętu, a nie właściwego urządzenia. (Opis zdarzenia w modernizacji 3).

Przedstawiam kolejną (6) modernizację urządzenia "przycisk start-stop w samochodzie".
Układ scalony US3 - CD40106 (6 inwerterów) został zamieniony na CD4093 (4 bramki NAND). W układzie CD40106 dwa inwertery były nie wykorzystane/zbędne. Bramki NAND w układzie CD4093 pracują w połączeniu jako inwertery. Zasada działania oczywiście taka sama. Układ ogólnie jest "bardziej elegancki", niema nie wykorzystanych elementów.
Zaletą takiego rozwiązania jest brak możliwości pomyłki przy obsadzie układów scalonych w podstawki w warunkach "polowych", gdyż dwa jednakowe układy CD4093 mają po 14 nóżek, a układ CD4027 ma 16 nóżek. Nie trzeba "patrzeć na napisy" na układach i nie można się pomylić. Oczywiście na wszelki wypadek należy wozić w zapasie układy scalone i przekażnik. Przekażnik też jest obsadzony w podstawce.
Modernizacja jest bardzo prosta, gdyż wystarczy tylko zmienić kilka połączeń/ścieżek na płytce montażowej i wstawić "nowy" układ scalony. Tu ujawnia się duża zaleta płytki uniwersalnej.
Ta ostatnia wersja urządzenia "przycisk start-stop" sprawuje się bez zarzutu już kilka lat, a więc był i upał, i mróz, oraz wilgoć w powietrzu, słaby akumulator, itp. Jak ogólnie wiadomo, nic tak nie weryfikuje poprawności działania urządzeń w samochodzie jak zima.
Jak na razie żadnych problemów. Nie było też problemów z poprzednimi wersjami. Ogólnie przez ponad 20 lat użytkowania przycisku "start stop" nie było z nim żadnych kłopotów. No może za wyjątkiem awarii wyłącznika przy pedale sprzęgła, ale to była awaria osprzętu, a nie właściwego urządzenia. (Opis zdarzenia w modernizacji 3).
Kto jest online
Użytkownicy przeglądający to forum: Obecnie na forum nie ma żadnego zarejestrowanego użytkownika i 10 gości
