Aktyw Forum
Zarejestruj się na forum.ep.com.pl i zgłoś swój akces do Aktywu Forum. Jeśli jesteś już zarejestrowany wystarczy, że się zalogujesz.
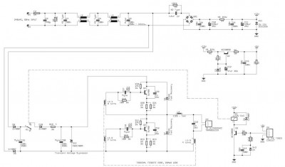
Sprawdź punkty Zarejestruj sięCD-7810A - myjka ultradźwiękowa spalone elementy...
Moderatorzy:Jacek Bogusz, Grzegorz Becker, Moderatorzy
Witam.
Spaliło tranzystory BU406 i rezystory 22 Ohm/3W, wymieniłem owe tranzystory lecz rezystorki zamiast 3 W wstawiłem 5W (braki w sklepie). Myjka pracuje jakieś 5 sekund i regularnie pali mi jeden rezystor 100 Ohm/2W (R15). Na próbę wstawiłem 5-cio watowy i nadal mam dymek z niego.
Tranzystory sprawdziłem (są OKI) diody też dobre, zamieniałem miejscami kondensatory (C17 i C18 w końcu wymieniłem je na nowe) inne zwarć nie mają. Postanowiłem jeszcze raz sprawdzić pozostałe elementy i napotkałem na dwa uszkodzone (wcześniej wymienione na nowe) rezystory R20 i R21 (22 Ohm/5W) nie jestem pewien czy uszkodzenie było fabryczne czy powstało podczas wcześniejszych prób. Wymieniłem je na nowe (sprawdzone) i myjka pięknie ruszyła (jak była nowa to nie robiła takich fajnych fal na zalanym płynie).
Po kilkudziesięciu sekundach pięknej pracy dymek z R20 i R21 i umilkła. Spaliło owe rezystory i oba tranzystory BU406. Czyli wróciłem do początku awarii.
Jak sprawdzić czy uszkodzony jest przetwornik piezo ?? (na omomierzu ma brak przejścia).
Co jeszcze może być nie tak z ta myjką ??
Pozdrawiam i z góry dziękuję za sugestie.
Spaliło tranzystory BU406 i rezystory 22 Ohm/3W, wymieniłem owe tranzystory lecz rezystorki zamiast 3 W wstawiłem 5W (braki w sklepie). Myjka pracuje jakieś 5 sekund i regularnie pali mi jeden rezystor 100 Ohm/2W (R15). Na próbę wstawiłem 5-cio watowy i nadal mam dymek z niego.
Tranzystory sprawdziłem (są OKI) diody też dobre, zamieniałem miejscami kondensatory (C17 i C18 w końcu wymieniłem je na nowe) inne zwarć nie mają. Postanowiłem jeszcze raz sprawdzić pozostałe elementy i napotkałem na dwa uszkodzone (wcześniej wymienione na nowe) rezystory R20 i R21 (22 Ohm/5W) nie jestem pewien czy uszkodzenie było fabryczne czy powstało podczas wcześniejszych prób. Wymieniłem je na nowe (sprawdzone) i myjka pięknie ruszyła (jak była nowa to nie robiła takich fajnych fal na zalanym płynie).
Po kilkudziesięciu sekundach pięknej pracy dymek z R20 i R21 i umilkła. Spaliło owe rezystory i oba tranzystory BU406. Czyli wróciłem do początku awarii.
Jak sprawdzić czy uszkodzony jest przetwornik piezo ?? (na omomierzu ma brak przejścia).
Co jeszcze może być nie tak z ta myjką ??
Pozdrawiam i z góry dziękuję za sugestie.
- Załączniki
-
- CD7810_Ultrasonic_Cleaner_.pdf
- schemat-pdf
- (38.99KiB)Pobrany 403 razy
Re: CD-7810A - myjka ultradźwiękowa spalone elementy...
Trzeba by jeszcze wykluczyć zwarcie między uzwojeniami na toroidzie.
Re: CD-7810A - myjka ultradźwiękowa spalone elementy...
Mam takie pytanko.
Na schemacie jest umieszczony bezpiecznik F2 1A.
Czy ów bezpiecznik też się przepala?
Na schemacie jest umieszczony bezpiecznik F2 1A.
Czy ów bezpiecznik też się przepala?
Re: CD-7810A - myjka ultradźwiękowa spalone elementy...
Witam i dziękuję za zainteresowanie.
Pozdrawiam.
Raczej nie, ponieważ zwoje są nawinięte z odstępami i dobrze zalakierowane (L1=8 zwojów, L2=7 zwojów, L3=4 zwoje).Trzeba by jeszcze wykluczyć zwarcie między uzwojeniami na toroidzie.
Tak, bezpiecznik 1A również ulegał uszkodzeniu.Mam takie pytanko.
Na schemacie jest umieszczony bezpiecznik F2 1A.
Czy ów bezpiecznik też się przepala?
Pozdrawiam.
Re: CD-7810A - myjka ultradźwiękowa spalone elementy...
Jeszcze C19 może przebijać. Co do przetwornika, to trzeba by wziąć przyrząd do pomiaru rezystancji izolacji 500V i pomierzyć, to samo z diodami FR i C19. C19 może się zachowywać inaczej dynamicznie niż statycznie, więc można ew wymienić. Pomiary zwykłym omomierzem mogą wprowadzać w błąd.
Re: CD-7810A - myjka ultradźwiękowa spalone elementy...
Musi kolega sprawdzić C19 (wykluczenie przyczyny zwarcia)
Po sprawdzeniu C19, sprawdź jeszcze rezystory: R11, R12, R15, R18 (Podczas "wypadu" przetwornicy mogą one polecieć, zwłaszcza R12 i R15.)
Po sprawdzeniu C19, sprawdź jeszcze rezystory: R11, R12, R15, R18 (Podczas "wypadu" przetwornicy mogą one polecieć, zwłaszcza R12 i R15.)
Re: CD-7810A - myjka ultradźwiękowa spalone elementy...
Witam ponownie.
C19 = brak zwarcia (wskazanie miernika 1,1nF)
R18 i R11 = wskazanie miernika 26.2 kOhm i 26.8 kOhm
R12 i R15 = wskazanie miernika 99,5 Ohm i 98,6 Ohm
Cewka L4 = nie mam czym zmierzyć indukcyjności, ale w necie znalazłem iż ma ok. 0,3 Ohm, wskazanie miernika 0,4 Ohm (możliwy błąd pomiaru).
Diody D6 i D7 wymienione na nowe = po ponownym sprawdzeniu przewodzą w jedną stronę (zgodnie ze schematem).
Transil (tak myślę) = nie wymieniony (brak w pobliskich sklepach), ale raczej sprawny - również przewodzi w jedną stronę zgodnie ze schematem.
Postaram się pomierzyć induktorem i dam znać o wynikach.
Pozdrawiam.
C19 = brak zwarcia (wskazanie miernika 1,1nF)
R18 i R11 = wskazanie miernika 26.2 kOhm i 26.8 kOhm
R12 i R15 = wskazanie miernika 99,5 Ohm i 98,6 Ohm
Cewka L4 = nie mam czym zmierzyć indukcyjności, ale w necie znalazłem iż ma ok. 0,3 Ohm, wskazanie miernika 0,4 Ohm (możliwy błąd pomiaru).
Diody D6 i D7 wymienione na nowe = po ponownym sprawdzeniu przewodzą w jedną stronę (zgodnie ze schematem).
Transil (tak myślę) = nie wymieniony (brak w pobliskich sklepach), ale raczej sprawny - również przewodzi w jedną stronę zgodnie ze schematem.
Postaram się pomierzyć induktorem i dam znać o wynikach.
Pozdrawiam.
Re: CD-7810A - myjka ultradźwiękowa spalone elementy...
mierząc ten element induktorem musi kolega uważać na ustawione napięcie, aby nie doszło do jego "przebicia" w końcu mamy do czynienia z pojemnością...
Analizując sam schemat nie trudno jest się domyśleć iż częstotliwość generatora zależy od wartości pojemności elementu.
Jest to powód do zmartwienia, bowiem uszkodzenie elementu wykonawczego (utrata pojemności) wiązać się będzie z podwyższeniem częstotliwości generatora, czego przykładem mogą być opisywane następstwa.
W takiej sytuacji dobrym rozwiązaniem był by pomiar reaktancji piezo, lecz problem w tym iż nie wiemy jakiej wartości możemy się spodziewać...
Analizując sam schemat nie trudno jest się domyśleć iż częstotliwość generatora zależy od wartości pojemności elementu.
Jest to powód do zmartwienia, bowiem uszkodzenie elementu wykonawczego (utrata pojemności) wiązać się będzie z podwyższeniem częstotliwości generatora, czego przykładem mogą być opisywane następstwa.
W takiej sytuacji dobrym rozwiązaniem był by pomiar reaktancji piezo, lecz problem w tym iż nie wiemy jakiej wartości możemy się spodziewać...
Re: CD-7810A - myjka ultradźwiękowa spalone elementy...
D8, D9 i D10 - jeśli będą uszkodzone na zwarcie, również możemy mieć ciekawy efekt, intensywną modulację sygnału na piezo - pisałeś coś o dziwnych falach na powierzchni wody:), może nie zasila układu do końca prąd stały tylko przemienny, bo jest uszkodzona jedna z diod(D8, D9) i w ujemnej połówce po chwili szlag trafia tranzystory. Bądź ostrożny przy pomiarach na włączonym urządzeniu, bo możesz tam mieć powyżej 300V. Piszę o diodach, bo wcześniej o nich akurat nie było - pewnie byłoby za proste, żeby możliwe, ale te diody mają tylko 1A prądu, a po zwarciu Q4 i Q5 popłynie około 6A, więc może tu leży przyczyna. Należy też pamiętać że nawet szybki bezpiecznik drutowy jest wolniejszy niż szybko palący się tranzystor:)).
Re: CD-7810A - myjka ultradźwiękowa spalone elementy...
Skąd ten prąd przemienny?może nie zasila układu do końca prąd stały tylko przemienny, bo jest uszkodzona jedna z diod(D8, D9) i w ujemnej połówce po chwili szlag trafia tranzystory.
Fakt, że generator pracuje w jednej połówce sinusa, lecz skąd ta sugestia "ujemnej połówki" ?
To, też jest ciekawe...D8, D9 i D10 - jeśli będą uszkodzone na zwarcie, również możemy mieć ciekawy efekt, intensywną modulację sygnału na piezo
jeśli będą obydwie uszkodzone (D8 i D9), to mamy jedno-połówkowe zwarcie po przez transil (bezpiecznik 1A pryśnie niczym "bańka mydlana" )
Jeśli uszkodzi się jedna, to nic się nie stanie, ponieważ te diody są połączone posobnie względem generatora..
"Dodane po namyśle"
Czytając ten post po raz drugi, zastanowiła mnie jedna rzecz:
O co chodzi z tą modulacją piezo?
Re: CD-7810A - myjka ultradźwiękowa spalone elementy...
Z diodami masz rację, czasem odkywając uszkodzenia zakrywam resztę układy i sprawdzam co się może dziać ------co by było gdyby------, Co do modulacji piezo, to miałem na myśli przebieg częstotliwości 50 lub 25 Hz modulujący częstotliwość pracy elementu piezo, czyli około 20-200kHz, prawdopodobnie około 25kHz.
Koledze zainteresowanym naprawą, dodam, że już naprawiałem kiedyś podobną myjkę, ale była nie na zwykłych bipolarach, tylko na IGBT.
Jutro mogę sprawdzić na jakich, bo działa do dziś, a wykoleiła się, bo nie było płynu w misce, a była włączona, i widocznie to jest zbyt małe obciążenie, które spowodowało awarię.
Koledze zainteresowanym naprawą, dodam, że już naprawiałem kiedyś podobną myjkę, ale była nie na zwykłych bipolarach, tylko na IGBT.
Jutro mogę sprawdzić na jakich, bo działa do dziś, a wykoleiła się, bo nie było płynu w misce, a była włączona, i widocznie to jest zbyt małe obciążenie, które spowodowało awarię.
Re: CD-7810A - myjka ultradźwiękowa spalone elementy...
W przypadku tego urządzenia modulacja (25Hz) istnieje w czasie normalnej pracy. (na schemacie w układzie filtrującym widoczne są kondensatory o niewielkich pojemnościach wystarczających jedynie na kilka watów)
Co do tej myjki na "IGBT" to prawdopodobnie brak płynu spowodował wzrost reaktancji piezo wiążący się z małą absorpcją energii "mechanicznej" (coś w stylu biegu jałowego)
Zapewne ta przetwornica też nie posiada zabezpieczenia ograniczającego częstotliwość pracy.
Co do tej myjki na "IGBT" to prawdopodobnie brak płynu spowodował wzrost reaktancji piezo wiążący się z małą absorpcją energii "mechanicznej" (coś w stylu biegu jałowego)
Zapewne ta przetwornica też nie posiada zabezpieczenia ograniczającego częstotliwość pracy.
Re: CD-7810A - myjka ultradźwiękowa spalone elementy...
Witam ponownie i dziękuję za cierpliwość.
Wreszcie udało mi się dorwać do miernika izolacji i w pomiarze napięciem 250V jaki i 500V miernik pokazywał nieskończoność (ponad 3 G Ohm - taki ma zakres).
Natomiast pojemność samego piezo (mierzona miernikiem uniwersalnym) to - 7,20 pF.
Tu mam pytanie i ogromną prośbę.
Czy da się przeliczyć wartości elementów aby to prawidłowo działało ?? Ewentualnie może prościej będzie zbudować od nowa generator np na zwykłej ne555 ??
Częstotliwość na jakiej pracowała myjka to 42 kHz, a moc podana na pudełku to 50 W.
Jak zwykle pozdrawiam i z góry dziękuję za pomoc.
Wreszcie udało mi się dorwać do miernika izolacji i w pomiarze napięciem 250V jaki i 500V miernik pokazywał nieskończoność (ponad 3 G Ohm - taki ma zakres).
Natomiast pojemność samego piezo (mierzona miernikiem uniwersalnym) to - 7,20 pF.
Tu mam pytanie i ogromną prośbę.
Czy da się przeliczyć wartości elementów aby to prawidłowo działało ?? Ewentualnie może prościej będzie zbudować od nowa generator np na zwykłej ne555 ??
Częstotliwość na jakiej pracowała myjka to 42 kHz, a moc podana na pudełku to 50 W.
Jak zwykle pozdrawiam i z góry dziękuję za pomoc.
Re: CD-7810A - myjka ultradźwiękowa spalone elementy...
Zmierz jeszcze kondensatory C4, C6 a w szczególności C15 i C20
Jeśli one też będą sprawne, to może to oznaczać iż doszło do uszkodzenia piezo.
sam pomiar induktorem odbywa się przy napięciu stałym, co może być mylne
W takim przypadku należało by zmierzyć reaktancję piezo przy częstotliwości 42KHz a dopiero cokolwiek obliczać.
Jeśli one też będą sprawne, to może to oznaczać iż doszło do uszkodzenia piezo.
sam pomiar induktorem odbywa się przy napięciu stałym, co może być mylne
W takim przypadku należało by zmierzyć reaktancję piezo przy częstotliwości 42KHz a dopiero cokolwiek obliczać.
Re: CD-7810A - myjka ultradźwiękowa spalone elementy...
Witam ponownie.
Pomierzyłem C4, C6 oraz C16 i C20, Wszystkie sprawne i trzymają swoje pojemności. Na wszelki wypadek zmieniłem na nowe (ogólnie wszystkie kondensatory zmieniłem na nowe jak również diody i tranzystory oczywiście uszkodzone rezystory również nowe). Niestety po kilkunastu sekundach charakterystyczny zapach i cisza. No cóż wygląda na uszkodzony przetwornik piezo. w takim wypadku nie pozostaje mi nic innego jak opuścić gardę i z pokorą przyznać myjce wygraną (szkoda bo fajna była).
Dziękuję wszystkim za pomoc w próbie naprawy i jak zwykle pozdrawiam
.
Pomierzyłem C4, C6 oraz C16 i C20, Wszystkie sprawne i trzymają swoje pojemności. Na wszelki wypadek zmieniłem na nowe (ogólnie wszystkie kondensatory zmieniłem na nowe jak również diody i tranzystory oczywiście uszkodzone rezystory również nowe). Niestety po kilkunastu sekundach charakterystyczny zapach i cisza. No cóż wygląda na uszkodzony przetwornik piezo. w takim wypadku nie pozostaje mi nic innego jak opuścić gardę i z pokorą przyznać myjce wygraną (szkoda bo fajna była).
Dziękuję wszystkim za pomoc w próbie naprawy i jak zwykle pozdrawiam
Kto jest online
Użytkownicy przeglądający to forum: Obecnie na forum nie ma żadnego zarejestrowanego użytkownika i 40 gości


