Mam telewizor Panasonic model taki jak w temacie! Telewizor ma następującą wadę! Mianowicie podczas pracy obraz zbiega sie do środka w jedną jasną poziomą linię i sie wyłącza! Dioda miga i nie da się go włączyć pilotem ani przyciskami na panelu urządzenia.
Trzeba wyłączyć go ze stanu gotowości i za jakiś czas po włączeniu znów będzie działał jakieś 5 min. Czym jest to spowodowane? I Jak to naprawić? Proszę o pomoc i z góry dziękuję!
Aktyw Forum
Zarejestruj się na forum.ep.com.pl i zgłoś swój akces do Aktywu Forum. Jeśli jesteś już zarejestrowany wystarczy, że się zalogujesz.
Sprawdź punkty Zarejestruj sięTelewizor Panasonic TX-21JT1P sam się wyłącza!
Moderatorzy:Jacek Bogusz, Grzegorz Becker, Moderatorzy
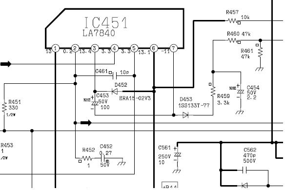
Znajdź na płycie taki scalak jak LA7840 i sprawdź jego zasilanie. Oczywiście w jego aplikacji wymień elektrolity, bo pewnie są wylane lub wyschnięte.
Zrób to i daj znać.
P.S. Jak chcesz cały schemat to podeślij adres e-mail na PW.
Załączam fragment aplikacji tego LA - wymień na początek C453 i C454 - bez mierzenia czy są dobre czy nie.. po prostu wymień to.
Zrób to i daj znać.
P.S. Jak chcesz cały schemat to podeślij adres e-mail na PW.
Załączam fragment aplikacji tego LA - wymień na początek C453 i C454 - bez mierzenia czy są dobre czy nie.. po prostu wymień to.
Kto jest online
Użytkownicy przeglądający to forum: Obecnie na forum nie ma żadnego zarejestrowanego użytkownika i 18 gości

