Witam. Dostałem to "cudo" do naprawy i już brakuje mi pomysłów na uruchomienie tego...
TV nie wychodzi z trybu St-by (dioda świeci)
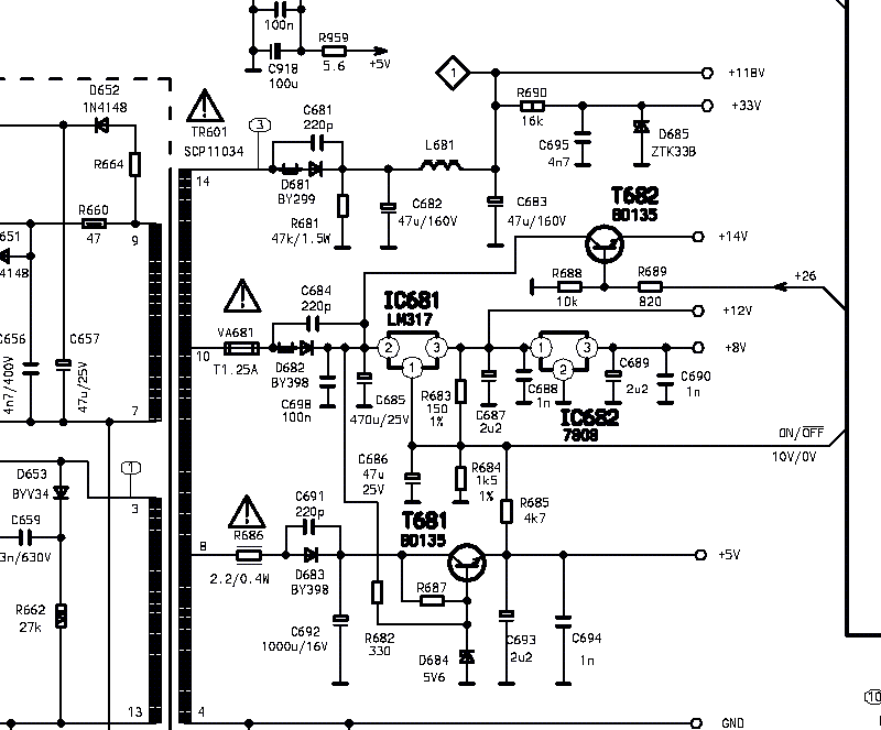
Napięcia po stronie wtórnej są niby ok.
Elko po pierwotnej wymienione, jest 310V na kondzie po mostku.
B+ wynosi 150V (kineskop 24')
Napięcie na katodach diod wynosi kolejno:
D681 - 150V
D682 - 14.5
D683 - 6V
Uszkodzony był R686 (2.2R 0.4W) napięcia niby są w normie.
Nie mam pilota do tego TV, ale powinien odpalić z klawiatury lokalnej.
Zwieranie pinu 41 procesora do masy też nic nie daje.
Nie mam już pomysłów na ten TV.
Możecie coś poradzić?
Jakie napięcia powinno być na LM317 w stanie czuwania?
[ Dodano: 09-05-2007, 12:08 ]
Przez nieuwagę ominąłem R707 który miał przerwę - dobrze, że na elce mi podpowiedzieli :)
WN już startuje, napięcia w normie.
Nie wywalam tego tematu, bo może się to komuś tutaj kiedyś przydać.
Aktyw Forum
Zarejestruj się na forum.ep.com.pl i zgłoś swój akces do Aktywu Forum. Jeśli jesteś już zarejestrowany wystarczy, że się zalogujesz.
Sprawdź punkty Zarejestruj sięCURTIS 2501VT - nie startuje
Moderatorzy:Jacek Bogusz, Grzegorz Becker, Moderatorzy
- Załączniki
-
- cur_2501.rar
- (1.7MiB)Pobrany 150 razy
Kto jest online
Użytkownicy przeglądający to forum: Obecnie na forum nie ma żadnego zarejestrowanego użytkownika i 14 gości
