Witam. Mam ten TV już trzeci raz z tą samą usterką.. czyli uszkodzenie tranzystora kluczującego w przetwornicy.
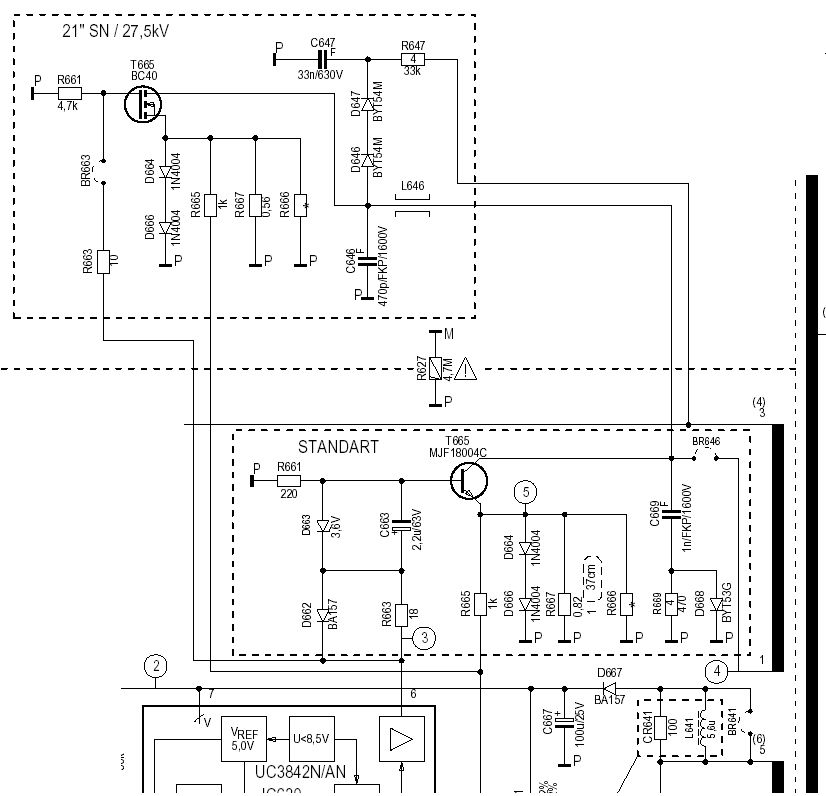
Znalazłem taką oto przeróbkę z tranzystorem mosfet i ponoć działą to wyśmienicie i nie pali się po czasie jak to często bywa w bipolarami w tej przetwornicy.
I tutaj mam pytanie.. czy jak zamienie rezystor w bramce z 220R na 4,7k i wstawię zworkę zamiast C663, zamienię R663 na 10R to wystarczy? A co z D662 i D663? Nie trzeba montowac tych elementów przy tej przeróbce?
[ Dodano: 08-12-2006, 11:30 ]
Dobra. W wersji z mosfetem nie potrzeba tych diod (są to gasiki) jak zresztą widac to na schemacie, ale wolałem się upewnić, bo dwóch serwisantów nie potrafiło odpowiedzieć na moje pytanie.
Aktyw Forum
Zarejestruj się na forum.ep.com.pl i zgłoś swój akces do Aktywu Forum. Jeśli jesteś już zarejestrowany wystarczy, że się zalogujesz.
Sprawdź punkty Zarejestruj sięCUC7301 przeróbka przetwornicy na mosfeta...
Moderatorzy:Jacek Bogusz, Grzegorz Becker, Moderatorzy
- Załączniki
-
- 58_1160131705.PNG
- (14.47KiB)Pobrany 112 razy
Kto jest online
Użytkownicy przeglądający to forum: Obecnie na forum nie ma żadnego zarejestrowanego użytkownika i 9 gości
