 
Aktyw Forum
Zarejestruj się na forum.ep.com.pl i zgłoś swój akces do Aktywu Forum. Jeśli jesteś już zarejestrowany wystarczy, że się zalogujesz.
Sprawdź punkty Zarejestruj sięProblem z domofonem ZEL003 - POPSUTY!
Moderatorzy:Jacek Bogusz, Grzegorz Becker, Moderatorzy
Witam. Jako laik - elektronik z doskoku zwracam sie z prośbą do szanowych kolegów magików o pomoc.,
Popsuło mi się coś w domofonie firmy ZEL. Tak, to ten co udaje cyfrowy, a jest analogiem na dwóch kablach.
Od roku czasu płytka była zaadaptowana do nowej obudowy, stąd tyle kabelków. Ostatnio przestał działać rygiel i nie słychać głosu domownika na zewnątrz. Ten co chce wejść jest słyszany i na tym koniec. Nie można odczytać nominałów poszczególnych podzespołów, a sam domofon już od dłuższego czasu nie jest produkowany. Z uwagi na stopień mojego wtajemniczenia w alkowa elektroniki nie jestem w stanie dojść co tak naprawdę padło. Jako pomoc dorzucam fotki płytki. Pozdrawiam i dziękuje za pomoc.
				
			Popsuło mi się coś w domofonie firmy ZEL. Tak, to ten co udaje cyfrowy, a jest analogiem na dwóch kablach.
Od roku czasu płytka była zaadaptowana do nowej obudowy, stąd tyle kabelków. Ostatnio przestał działać rygiel i nie słychać głosu domownika na zewnątrz. Ten co chce wejść jest słyszany i na tym koniec. Nie można odczytać nominałów poszczególnych podzespołów, a sam domofon już od dłuższego czasu nie jest produkowany. Z uwagi na stopień mojego wtajemniczenia w alkowa elektroniki nie jestem w stanie dojść co tak naprawdę padło. Jako pomoc dorzucam fotki płytki. Pozdrawiam i dziękuje za pomoc.
Cze, jak się nie mylę to tam nie ma zabardzo co wydziwiać...
Posprawdzaj przewody komunikacyjne między dwoma układami.
Z tego co widzę na foto to układ nie jest aż tak pogmatwany...
Wyjmij tranzystor (bo chyba tam go widzę) i go sprawdź, to samo diody.
Sprawdź też układ przy bramie, bo nie napisałeś czy to cześć domowa czy "bramowa"
Czy może Ja coś źle zrozumiałem?
			Posprawdzaj przewody komunikacyjne między dwoma układami.
Z tego co widzę na foto to układ nie jest aż tak pogmatwany...
Wyjmij tranzystor (bo chyba tam go widzę) i go sprawdź, to samo diody.
Sprawdź też układ przy bramie, bo nie napisałeś czy to cześć domowa czy "bramowa"
Czy może Ja coś źle zrozumiałem?
czy to nie czasem urządzenie firmy "cyfral" z początków tej firmy - oryginalnie w obudowie po koreańskim telefonie/słuchawce? Zajrzę w domu do papierów - mam schematy cyfrala - i coś podpowiem. Wstępnie proponuję sprawdzić mikroprzełącznik. Dom jedno czy wielorodzinny a konkretnie to jedna słuchawka czy więcej?
			Och dzięki Ci Wielki Elektronikuczy to nie czasem urządzenie firmy "cyfral" z początków tej firmy - oryginalnie w obudowie po koreańskim telefonie/słuchawce? Zajrzę w domu do papierów - mam schematy cyfrala - i coś podpowiem. Wstępnie proponuję sprawdzić mikroprzełącznik. Dom jedno czy wielorodzinny a konkretnie to jedna słuchawka czy więcej?
 
 Ponoć to wczesny Cyfral (ten ZEL003). Rzeczywiście jest to przespaniała słuchawka/telefon made in Korea. Stary mikroprzełącznik, zależy co mam brać za ten mikroprzełącznik. Jak podnoszę słuchawkę to jeden, który uaktywnia cały układ jest wykonany w formie dwóch blaszek (z czego jedna sprężysta). Drugi natomiast odpowiedzilny za inicjacię elektromagnesu w dzwiach na dole to zwykły przycisk (grafit w gumowym laminacie) na klawiaturze, zresztą jedyny jaki tam jest podłaczony. Czy mogę coś zamiennie zamiast niego zastosować? Jeśli tak to jakie parametry powinien spełniać? Jest to słuchawka w domu, a cały domofon jest z 4piętrowego bloku.
Z góry dziękuję za dalszą pomoc.
 
 [ Dodano: 24-04-2005, 19:24 ]
The End Płeć:Mężczyzna
Moderator
the-end@ep.com.pl
Och dzięki Ci Najwyższy z Wielkich Elektroników

Na początku chcę oficjalnie PODZIĘKOWAĆ za udzieloną już pomoc.
Niezwłocznie dokonam zakupu tranzystora BC308 = BC557 = SI-PNP 50V 0.2A 0.5W
Odp już poszła na @. Dalszy postęp prac w reanimacji domofonu podam niezwłocznie na forum.
Pozdrawiam

jutro postaram się zeskanować schematy i wrzucić na forum. Awaryjnie możesz otwierać drzwi zwierając linię - to samo robi aparat. Awaryjnie można też podłączyć prawie dowolny unifon, choć lubi się wtedy wzbudzać.
1. Zmierz napięcie na linii bez aparatu i w momencie dzwonienia (też bez aparatu) - czy przy dzwonieniu rośnie czy zmienia biegunowość (najlepiej miernikiem wskazówkowym)?
2. podaj typy i ilość tranzystorów w unifonie - to mi dużo pomoże
3. mikroprzełącznik ma styk przełączny (nie mówię o gumowym przycisku do otwierania) - to nie dwie blaszki. Sprawdź czy przełącza (omomierzem, nie na oko).
4. czy masz dostęp do sklepu z domofonami?
Jeśli mają tam "cyfral uniwersalny na bazie urmeta" to kup a przeżyje wszystkie unifony w twoim bloku.
Czekam na odpowiedzi na wszystkie 4 pytania.
			1. Zmierz napięcie na linii bez aparatu i w momencie dzwonienia (też bez aparatu) - czy przy dzwonieniu rośnie czy zmienia biegunowość (najlepiej miernikiem wskazówkowym)?
2. podaj typy i ilość tranzystorów w unifonie - to mi dużo pomoże
3. mikroprzełącznik ma styk przełączny (nie mówię o gumowym przycisku do otwierania) - to nie dwie blaszki. Sprawdź czy przełącza (omomierzem, nie na oko).
4. czy masz dostęp do sklepu z domofonami?
Jeśli mają tam "cyfral uniwersalny na bazie urmeta" to kup a przeżyje wszystkie unifony w twoim bloku.
Czekam na odpowiedzi na wszystkie 4 pytania.
Witamjutro postaram się zeskanować schematy i wrzucić na forum. Awaryjnie możesz otwierać drzwi zwierając linię - to samo robi aparat. Awaryjnie można też podłączyć prawie dowolny unifon, choć lubi się wtedy wzbudzać.
1. Zmierz napięcie na linii bez aparatu i w momencie dzwonienia (też bez aparatu) - czy przy dzwonieniu rośnie czy zmienia biegunowość (najlepiej miernikiem wskazówkowym)?
2. podaj typy i ilość tranzystorów w unifonie - to mi dużo pomoże
3. mikroprzełącznik ma styk przełączny (nie mówię o gumowym przycisku do otwierania) - to nie dwie blaszki. Sprawdź czy przełącza (omomierzem, nie na oko).
4. czy masz dostęp do sklepu z domofonami?
Jeśli mają tam "cyfral uniwersalny na bazie urmeta" to kup a przeżyje wszystkie unifony w twoim bloku.
Czekam na odpowiedzi na wszystkie 4 pytania.
Mam miernik uniwersalny niestety. Ze ściany wychodzą tylko dwa kable.
Odp. 1 - napięcie na linii bez aparatu zmienia biegunowość (miernik ustawiony na 2000m) wskazania między +003 do - 001.
Odp. 2 - jeden tranzystor BC 308 (mam już kupiony nowy BC 557). Jest tylko to co na foto
 
  Odp. 3 - mikroprzełącznik (ma styk przełączny) nie ma tam nic takiego.
Odp. 4 - tak. A jak kupię to będzie działał?
Reszty odpowiedzi dziś już nie udzielę. Cieżko jest do siebie zadzwonić z drugiego piętra
 Jutro żona pomoże mi zrobić resztę pomiarów.
 Jutro żona pomoże mi zrobić resztę pomiarów.Dzięki i pozdrawiam

wygląda na to że to nie żaden z cyfrali.
1. cyfral w spoczynku bez aparatu ma na linii 5-6 V - u ciebia wygląda jakby linia była w tym stanie na przerwie
2. cyfral ma styk przełączny - u Ciebie chyba tylko zwierny
3. cyfral ma dużo więcej tranzystorów - u Ciebie jeden
może to być jedna z wielu konstrukcji z początków domofoniarstwa, ale było tego tyle różnych typów że łatwiej i szybciej było wymienić sprzęt niż dochodzić co się zepsuło, stąd nie mam żadnych schematów. Jedynie wynalazek firmy volta ale on był 4 - przewodowy. Spotkałem takie wynalazki w których kaseta bramowa miała formę kasetki na pieniądze (taka duża i taka pancerna) i było toto dwuprzewodowe na bazie koreańskich telefonów, ale nie mam do tego schematów.
1. opisz jak mniej więcej wygląda kaseta z elektroniką przy bramie, czy jest jeszcze jakaś puszka z elektroniką na ścianie lub w pionie instalacyjnym
2. czy przy podniesieniu mikrotelefonu (kiedy jeszcze działał) było coś słychać z dołu i czy można było otworzyć drzwi - czy dopiero kiedy ktoś zadzwonił?
3. co sie dzieje z napięciem na linii przy dzwonieniu i po puszczeniu przycisku dzwonka? (pomoc drugiej osoby konieczna). Sprawdź przy pustej linii i przy linii zamkniętej opornikiem 1k. Może pojawia się nap. zmienne?
4. spróbuj rozrysować schemat tego unifonu - to chyba jedyna droga żeby go czymś innym zastąpić - powinien być raczej prosty, dane oporników i kondensatorów chyba dadzą się odczytać? Mozesz ewent na schemacie napisać to co na nich pisze.
5. wspominałeś że kiedyś unifon miał inną obudowę - opisz jej wygląd.
czekam na dalsze informacje
			1. cyfral w spoczynku bez aparatu ma na linii 5-6 V - u ciebia wygląda jakby linia była w tym stanie na przerwie
2. cyfral ma styk przełączny - u Ciebie chyba tylko zwierny
3. cyfral ma dużo więcej tranzystorów - u Ciebie jeden
może to być jedna z wielu konstrukcji z początków domofoniarstwa, ale było tego tyle różnych typów że łatwiej i szybciej było wymienić sprzęt niż dochodzić co się zepsuło, stąd nie mam żadnych schematów. Jedynie wynalazek firmy volta ale on był 4 - przewodowy. Spotkałem takie wynalazki w których kaseta bramowa miała formę kasetki na pieniądze (taka duża i taka pancerna) i było toto dwuprzewodowe na bazie koreańskich telefonów, ale nie mam do tego schematów.
1. opisz jak mniej więcej wygląda kaseta z elektroniką przy bramie, czy jest jeszcze jakaś puszka z elektroniką na ścianie lub w pionie instalacyjnym
2. czy przy podniesieniu mikrotelefonu (kiedy jeszcze działał) było coś słychać z dołu i czy można było otworzyć drzwi - czy dopiero kiedy ktoś zadzwonił?
3. co sie dzieje z napięciem na linii przy dzwonieniu i po puszczeniu przycisku dzwonka? (pomoc drugiej osoby konieczna). Sprawdź przy pustej linii i przy linii zamkniętej opornikiem 1k. Może pojawia się nap. zmienne?
4. spróbuj rozrysować schemat tego unifonu - to chyba jedyna droga żeby go czymś innym zastąpić - powinien być raczej prosty, dane oporników i kondensatorów chyba dadzą się odczytać? Mozesz ewent na schemacie napisać to co na nich pisze.
5. wspominałeś że kiedyś unifon miał inną obudowę - opisz jej wygląd.
czekam na dalsze informacje
Dzięki za podpowiedz ale to już przeczwiczyłem iMowisz ze mieszkasz w bloku z wiazku z tym czy u innych domofon dziala? Mozesz tez jesli dziala (domofon) wziasc swoja koncowke (aparat) i sprawdzic u sasiada czy dziala Twoja u niego. W ten sposob bedziesz w stanie (przez podmiane) ustalic co jest nie tak

 
 to samo.
[ Dodano: 28-04-2005, 02:02 ]
Witamwygląda na to że to nie żaden z cyfrali.
1. opisz jak mniej więcej wygląda kaseta z elektroniką przy bramie, czy jest jeszcze jakaś puszka z elektroniką na ścianie lub w pionie instalacyjnym
2. czy przy podniesieniu mikrotelefonu (kiedy jeszcze działał) było coś słychać z dołu i czy można było otworzyć drzwi - czy dopiero kiedy ktoś zadzwonił?
3. co sie dzieje z napięciem na linii przy dzwonieniu i po puszczeniu przycisku dzwonka? (pomoc drugiej osoby konieczna). Sprawdź przy pustej linii i przy linii zamkniętej opornikiem 1k. Może pojawia się nap. zmienne?
4. spróbuj rozrysować schemat tego unifonu - to chyba jedyna droga żeby go czymś innym zastąpić - powinien być raczej prosty, dane oporników i kondensatorów chyba dadzą się odczytać? Mozesz ewent na schemacie napisać to co na nich pisze.
5. wspominałeś że kiedyś unifon miał inną obudowę - opisz jej wygląd.
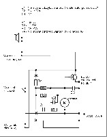
Odp. 1
Przy drzwiach jest pucha z 3 czarnymi panelami. Dwa pierwsze od lewej to przyciski do domowników, trzeci to mikrofon i głośnik w jednym. Żadnej innej kasety nie widać.
Odp. 2
Nic nie było słychać, działał dopiero jak ktoś z dołu zainicjował połączenie. Wtedy dopiero też mogłem otworzyć drzwi.
Odp. 3
Po zainicjowaniu połączenia napięcie kształtuje się tak:
a) miernik ustawiony na prąd zmienny do 200V – 12.1V
b) miernik ustawiony na prąd stały do 20V – 5.54V.
Pomiar z oporem będę mógł zrobić jak kupię lub sam sobie zrobię 1K opornik.
Odp. 4
Rysunek poniżej (zdjęcia też powinny być pomocne, jak co to prześlę większe w lepszej rozdzielczości). Mam nadzieję, że nie porobiłem byków w schemacie. Był problem z odczytaniem kilku wartości.
Odp. 5
Był to czarny słuchawko/telefon (wszystkie flaki były w słuchawce, na ścianie był tylko uchwyt). Klawiatura numeryczna była zaślepiona i jedyny aktywny przycisk to był ten do bramy.
Mam nadzieję, że odpowiedzi wystarczą ja muszę już uciekać, właśnie znowu włączyła się syrena u mojej 2-miesięcznej córy

Pozdrawiam
[ Dodano: 02-05-2005, 08:54 ]
Przepraszam ale ostatnim razem jak dawałem schemat nie klikłem DODAJ ZAŁĄCZNIK.
Teraz naprawiam przeoczenie.
Kto jest online
Użytkownicy przeglądający to forum: Obecnie na forum nie ma żadnego zarejestrowanego użytkownika i 2 gości








