pytanie zdałem już na elektrodzie, gdzie skrzętnie jakiś pacan nie udzieliwszy żadnego uzasadnienia, przesunął wiadomość do działu kosz...
ponieważ tutejsi użytkownicy są w działaniu i teorii mocniejsi (sprawdziłem to), to pytanie kieruję tutaj.
mianowicie prądnica w piaście rowerowej ma parametry 6V 2,4W
do kompletu kupiłem badzo ładną chromowaną lampę której żarówki mają parametry 12V 6W
czytałem coś o powielaczach napięcia i o transformatorach, ale nieposiadam niezbędnej nawet podstawowej wiedzy aby samemu coś obmyśleć...
chciałbym wiedzieć czy jest możliwy do zbudowania taki układ, który pozwoli zwiększyć napięcie i tym samym umożliwi rozświetlenie lampy...
PS mialem też na myśli aby układ byl w stanie podtrzymać prąd (kondensator?) na 30sekund po przerwaniu jazdy. Zdarzają się postoje na światłach itp. Jestem świadom, że wymagałoby wcześniej prawdopodobnie 30sekund bez światła aby kondensator się naładował... nie chcę jednak rozwijać zbędnie tematu nie wiedząc czy taka zamiana jest możliwa.
intuicja podpowiada mi, że tak, skoro w sieci elektrycznej jest również prąd zmienny, a taki trafopowielacz potrafi zrobić kilkadziesiąt tys V raptem z 220 (źródło-internet)
Aktyw Forum
Zarejestruj się na forum.ep.com.pl i zgłoś swój akces do Aktywu Forum. Jeśli jesteś już zarejestrowany wystarczy, że się zalogujesz.
Sprawdź punkty Zarejestruj sięjak powinien wyglądać układ zamiany napięcia 6v -> 12v
Moderatorzy:Jacek Bogusz, Grzegorz Becker, Moderatorzy
Nie wiem, może nie znam dogłębnie kwestii parametrów prądnicy rowerowej, ale tak na zdrowy rozsądek to musiałby być układ typu "perpetuum mobile", dodający z niczego 6W-2,4W=3,6W.
Jakoś do tej pory jeszcze nikomu się taka sztuczka nie udała...
Wniosek - trzeba kupić lampę o mniejszym apetycie pod względem mocy, a potem dopiero poszukiwać (w miarę potrzeby) rozwiązania kwestii dopasowania napięcia.
Pozdrawiam.
Jakoś do tej pory jeszcze nikomu się taka sztuczka nie udała...
Wniosek - trzeba kupić lampę o mniejszym apetycie pod względem mocy, a potem dopiero poszukiwać (w miarę potrzeby) rozwiązania kwestii dopasowania napięcia.
Pozdrawiam.
dziękuję za porady... uczynię jak radzicie.
Ale byłbym wdzięczny za rozwinięcie tematu diody. Dioda 5W do prądnicy 2,4W? nie wiem jaka jest specyfika diod ledowych oraz ich wydajność...
1 poza tym jest jeszcze tył, dzie przynajmniej symbolicznie musi coś świecić...
2 jeśli nadal chcę zrobić układ postojowy tylko że dla diody, to czy wystarczy że wstawiam opornik redukujący napięcie z 6V do tylu ile potrzebuje dioda oraz kondensator 6V i pojemność (jakoś dowiem się jak policzyć) czy coś należy jeszcze tam umieścić?
widziałem bardzo proste lampki diodowe to tam gdy nie ma funkcji migania jest tylko opornik i dioda....
czy ktoś może zechce uzupełnić moje amatorskie rozumowanie?
PS dodam że mam przełącznik shimano do włączania i wyłączania prądu z prądnicy, a także jest tam funkcja auto z czujką światła więc chodzi mi tylko o to wspominane do upadłego światło postojowe
--------------------------------------------------------------------------------------------------
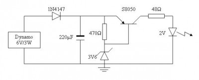
chcąc wykazać nie tylko bierne zaangażowanie znalazłem na innym forum taki schemat, jak ponizej załączyłem. Dyskusja toczyła się tam gdzie wstawić kondensator aby układ był podtrzymywany.
nauczyłem też się odczytywać symbole na tym schemacie...
1 czy jakieś uwagi ktoś ma odnośnie tego schematu? będę za nie wdzięczny
2 czy jest możliwe żeby ten układ pracował na diodzie mocy?
zalezy mi żeby większość mocy generowanej przez prądnice szła na przód, czyli nawet 2W diodę chciałbym wstawić. muszę się tylko jeszcze douczyć co i jak z napięciem i natężeniem prądu... niestety ani w gimnazjum ani w liceum niemogem zapamietać skutecznie praw elektryki...
Ale byłbym wdzięczny za rozwinięcie tematu diody. Dioda 5W do prądnicy 2,4W? nie wiem jaka jest specyfika diod ledowych oraz ich wydajność...
1 poza tym jest jeszcze tył, dzie przynajmniej symbolicznie musi coś świecić...
2 jeśli nadal chcę zrobić układ postojowy tylko że dla diody, to czy wystarczy że wstawiam opornik redukujący napięcie z 6V do tylu ile potrzebuje dioda oraz kondensator 6V i pojemność (jakoś dowiem się jak policzyć) czy coś należy jeszcze tam umieścić?
widziałem bardzo proste lampki diodowe to tam gdy nie ma funkcji migania jest tylko opornik i dioda....
czy ktoś może zechce uzupełnić moje amatorskie rozumowanie?
PS dodam że mam przełącznik shimano do włączania i wyłączania prądu z prądnicy, a także jest tam funkcja auto z czujką światła więc chodzi mi tylko o to wspominane do upadłego światło postojowe
--------------------------------------------------------------------------------------------------
chcąc wykazać nie tylko bierne zaangażowanie znalazłem na innym forum taki schemat, jak ponizej załączyłem. Dyskusja toczyła się tam gdzie wstawić kondensator aby układ był podtrzymywany.
nauczyłem też się odczytywać symbole na tym schemacie...
1 czy jakieś uwagi ktoś ma odnośnie tego schematu? będę za nie wdzięczny
2 czy jest możliwe żeby ten układ pracował na diodzie mocy?
zalezy mi żeby większość mocy generowanej przez prądnice szła na przód, czyli nawet 2W diodę chciałbym wstawić. muszę się tylko jeszcze douczyć co i jak z napięciem i natężeniem prądu... niestety ani w gimnazjum ani w liceum niemogem zapamietać skutecznie praw elektryki...
Kto jest online
Użytkownicy przeglądający to forum: Obecnie na forum nie ma żadnego zarejestrowanego użytkownika i 19 gości

