Proszę o poradę sugestię w usunieciu usterki.
Po obu stronach ekranu (z lewj i prawej strony) zrobily się poduszki (wklęsłe do środka).
Czy może to podciągnąć w trybie serwisowy
Aktyw Forum
Zarejestruj się na forum.ep.com.pl i zgłoś swój akces do Aktywu Forum. Jeśli jesteś już zarejestrowany wystarczy, że się zalogujesz.
Sprawdź punkty Zarejestruj sięTRILUX TAP2831
Moderatorzy:Jacek Bogusz, Grzegorz Becker, Moderatorzy
Ostatnio zmieniony 16 lip 2010, o 19:26 przez wojtek19, łącznie zmieniany 3 razy.
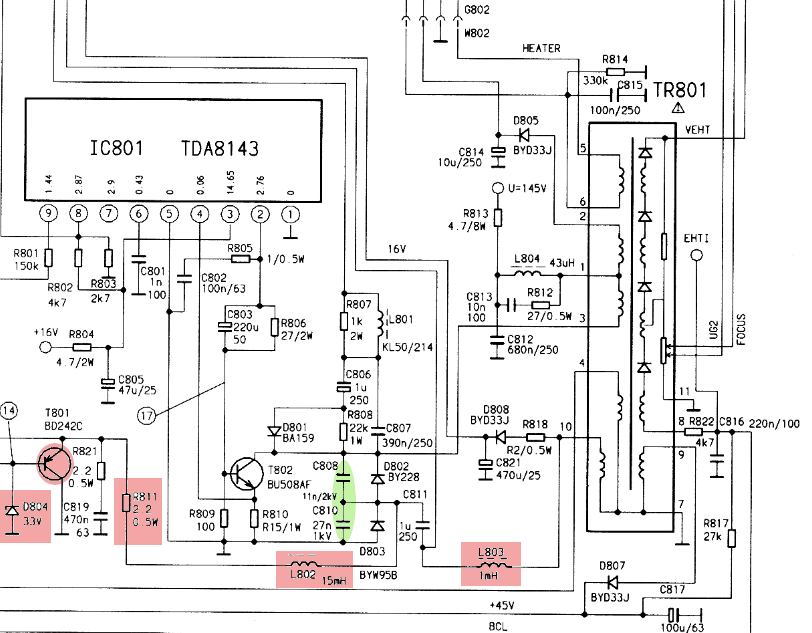
wczoraj wymieniłem kondensatory 220uF 47uF 100nF. Bez efektu
Przed zakupem sprawdzę wspomniane dławiki a raczej jak radzisz wymienię je na nowe. Z zakupem nie powinno być kłopotu
Przed zakupem sprawdzę wspomniane dławiki a raczej jak radzisz wymienię je na nowe. Z zakupem nie powinno być kłopotu
Ostatnio zmieniony 16 lip 2010, o 16:05 przez wojtek19, łącznie zmieniany 1 raz.
Kto jest online
Użytkownicy przeglądający to forum: Obecnie na forum nie ma żadnego zarejestrowanego użytkownika i 24 gości

