Witam,
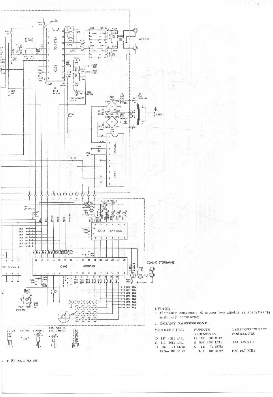
W najblizszych dniach zamierzam stac sie posiadaczem tunerka radiowego DIORA AS 502. Tunerek ten posiada mozliwosc sterowania pilotem, ale za posrednictwem wzmacniacza z odbiornikiem podczerwieni, poprzez specjalne polaczenie. Niestety takowego wzmacniacza nie mam i narazie nie planuje takiego zakupu.
Orientujecie sie czy istnieje mozliwosc dorobienia odbiornika podczerwieni, jak wyglada protokul starowania tym tunerkiem przez to zlacze?
Aktyw Forum
Zarejestruj się na forum.ep.com.pl i zgłoś swój akces do Aktywu Forum. Jeśli jesteś już zarejestrowany wystarczy, że się zalogujesz.
Sprawdź punkty Zarejestruj sięSterowanie Tunerem DIORA AS 502
Moderatorzy:Jacek Bogusz, Grzegorz Becker, Moderatorzy
Wlasnie dorwalem serwisowke wzmacniacza, ktory posiada taki odbiornik i dopatrzylem sie, ze sygnal z odbiornika podczerwieni (SBX1619-51) przechodzi przez jakies tranzystory, idzie do procka wzmacniacza i na wyjscie do sterowania tunerem/cd wiec chyba nie powinienem miec problemu z dobudowaniem samego odbiornika podczerwieni 
Kto jest online
Użytkownicy przeglądający to forum: Obecnie na forum nie ma żadnego zarejestrowanego użytkownika i 26 gości
