Witam,
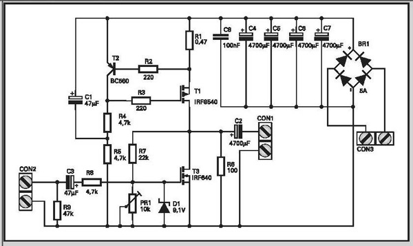
Przeglądając moje zbiory schematów natrafiłem na taki schemat (załącznik). zdaje mi się że jest to jakiś KIT. Czy ktoś zna tą konstrukcję?/ trzeba wszak powiedzieć że mnie zaintrygowała...
dziękuję z góry
Dawid
Aktyw Forum
Zarejestruj się na forum.ep.com.pl i zgłoś swój akces do Aktywu Forum. Jeśli jesteś już zarejestrowany wystarczy, że się zalogujesz.
Sprawdź punkty Zarejestruj sięCo to za wzmacniacz??
Moderatorzy:Jacek Bogusz, Tomasz Gumny, Futrzaczek, Adam Tatuś, Moderatorzy
- dsrecordss
- -

- Posty:300
- Rejestracja:30 lip 2004, o 16:08
- Lokalizacja:Żory
- Kontaktowanie:
Kto jest online
Użytkownicy przeglądający to forum: Obecnie na forum nie ma żadnego zarejestrowanego użytkownika i 19 gości
