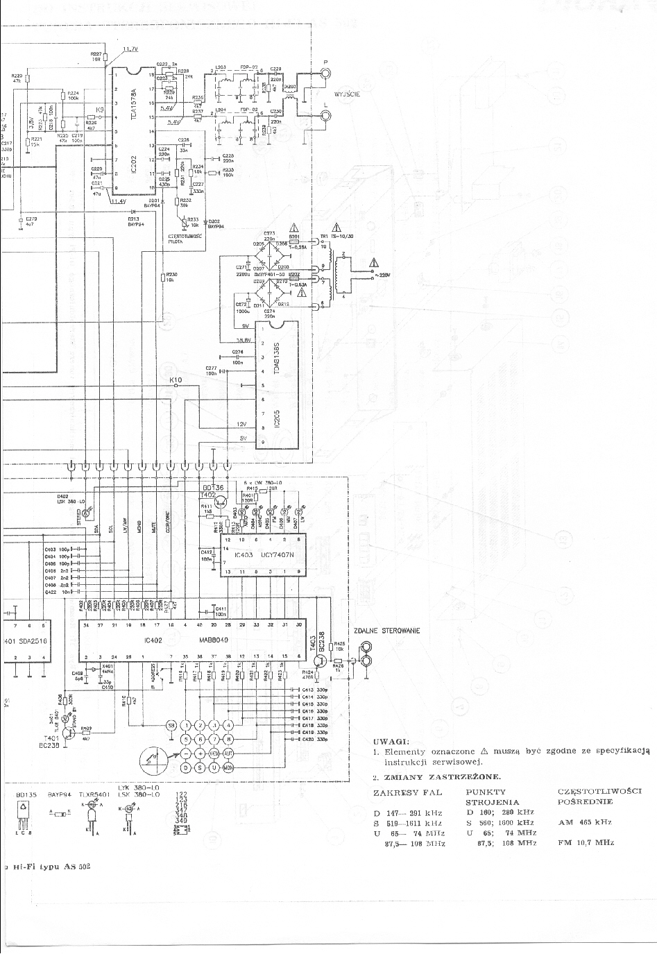
Nabylem droga kupna tuner Diora AS502, postanowilem dorobic dekoder RDS, kit AVT-998. Do dekodera podlacza sie sygnal MPX z tunera, jednak nie wiem gdzie go znalesc na schemacie tunera (w zalaczniku)
Aktyw Forum
Zarejestruj się na forum.ep.com.pl i zgłoś swój akces do Aktywu Forum. Jeśli jesteś już zarejestrowany wystarczy, że się zalogujesz.
Sprawdź punkty Zarejestruj sięGdzie podlaczyc dekoder RDS?
Moderatorzy:Jacek Bogusz, Tomasz Gumny, Futrzaczek, Adam Tatuś, Moderatorzy
Witam,
Nabylem droga kupna tuner Diora AS502, postanowilem dorobic dekoder RDS, kit AVT-998. Do dekodera podlacza sie sygnal MPX z tunera, jednak nie wiem gdzie go znalesc na schemacie tunera (w zalaczniku)
Nabylem droga kupna tuner Diora AS502, postanowilem dorobic dekoder RDS, kit AVT-998. Do dekodera podlacza sie sygnal MPX z tunera, jednak nie wiem gdzie go znalesc na schemacie tunera (w zalaczniku)
Kto jest online
Użytkownicy przeglądający to forum: Obecnie na forum nie ma żadnego zarejestrowanego użytkownika i 14 gości

