Aktyw Forum
Zarejestruj się na forum.ep.com.pl i zgłoś swój akces do Aktywu Forum. Jeśli jesteś już zarejestrowany wystarczy, że się zalogujesz.
Sprawdź punkty Zarejestruj sięproblem z budową piecyka gitarowego
Moderatorzy:Jacek Bogusz, Moderatorzy
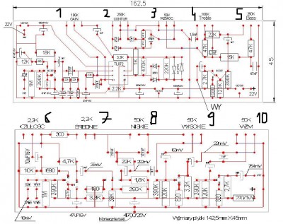
Witam.zacząłem robić wzmacniacz gitarowy 100w i mam kilka pytań.Zacznę od tego.
to jest końcówka mocy 100w a to trafo 2x30v 200w i teraz czy trafo jest dobrze podłączone?
to jest końcówka mocy 100w a to trafo 2x30v 200w i teraz czy trafo jest dobrze podłączone?
Re: problem z budową piecyka gitarowego
Drzwiami wyleciałeś to kominem wlazłeś!?!
Ja ponad 50 lat temu miałem 9 lat i podobny problem. Mówię podobny bo w tedy napięcia anodowe były o drobinę inne.
Znalazłem rozwiązanie problemu w szkolnej bibliotece. W jakiś tam knigach z fizyki albo cuś.
Zanim będziesz tutaj całkiem zlekceważony to proponuję zacząć się zapoznawać z lekturą tego typu:
http://www.mif.pg.gda.pl/pl/download/La ... z14_01.pdf
Ja ponad 50 lat temu miałem 9 lat i podobny problem. Mówię podobny bo w tedy napięcia anodowe były o drobinę inne.
Znalazłem rozwiązanie problemu w szkolnej bibliotece. W jakiś tam knigach z fizyki albo cuś.
Zanim będziesz tutaj całkiem zlekceważony to proponuję zacząć się zapoznawać z lekturą tego typu:
http://www.mif.pg.gda.pl/pl/download/La ... z14_01.pdf
Re: problem z budową piecyka gitarowego
jak ja miałem 9 lat to nawet nie wiedziałem co to transformator. 
Re: problem z budową piecyka gitarowego
Gdzie dać tranzystory BD250 i BD249
na tylnej ścianie czy każdy osobno żeby było lepsze odprowadzenie ciepła?
na tylnej ścianie czy każdy osobno żeby było lepsze odprowadzenie ciepła?
Re: problem z budową piecyka gitarowego
dzięki.
które z tych potencjometrów to volume nie zmieniające barwy tonu?
i jakie dać potencjometry A czy B ?
czy te wartościowości podane są dobre?
które z tych potencjometrów to volume nie zmieniające barwy tonu?
i jakie dać potencjometry A czy B ?
czy te wartościowości podane są dobre?
Re: problem z budową piecyka gitarowego
I wiele się nie zmieniło od tamtego czasu...ak ja miałem 9 lat to nawet nie wiedziałem co to transformator
Re: problem z budową piecyka gitarowego
To jak będzie z tymi potencjometrami?
Re: problem z budową piecyka gitarowego
Dokładnie tak, jak na schemacie, który zresztą sam zamieściłeś powyżej. Czytać też mamy za Ciebie?To jak będzie z tymi potencjometrami?
Re: problem z budową piecyka gitarowego
ale na schemacie nie pisze które mają być logarytmiczne a które liniowe.
a to oznaczenie WZMOC.to jest to samo co volume?
a to oznaczenie WZMOC.to jest to samo co volume?
Re: problem z budową piecyka gitarowego
Na schemacie NIE JEST NAPISANE, bo nie ma potrzeby. Każdy (nawet amator) wie, że w układzie aktywnym barwy stosuje się potencjometry liniowe, a we wzmocnieniu logarytmiczne. Każdy amator wie również, że "europa" oznacza swoje wyroby inaczej niż "reszta świata" - Charakterystykę logarytmiczną oznaczamy w Europie literką "B", a liniową literką "A". "Reszta świata oznacza je odwrotnie. Jedynie potencjometry o charakterystyce wykładniczej oznaczane są tak samo - literką "C". No i takie samo oznaczenie mają też potencjometry od regulacji balansu (specjalnie robione do takiego przeznaczenia) - oznacza się je literkami "M+N".ale na schemacie nie pisze które mają być logarytmiczne a które liniowe.
Mamusiu... A z czym może się kojarzyć SKRÓT "WZMOC" jeśli nie ze "WZMOCNIENIEM"? A co to jest VOLUME ?"Poziom"(sygnału" - czyli inaczej WZMOCNIENIE...a to oznaczenie WZMOC.to jest to samo co volume?
Tyle gwoli wyjaśnienia rzeczy oczywistych.
Wesołych Świąt.
Re: problem z budową piecyka gitarowego
Dzięki.
Podłączyłem trafo,tranzystory mocy,głośnik i sygnał z mp3 do końcówki mocy.Głośnik buczy ale nic nie gra.
Tranzystory BD250 się grzeją,a BD149 są zimne.Gdy odłącze głośnik to wszystkie tranzystory są zimne.
Co jest nie tak?
Podłączyłem trafo,tranzystory mocy,głośnik i sygnał z mp3 do końcówki mocy.Głośnik buczy ale nic nie gra.
Tranzystory BD250 się grzeją,a BD149 są zimne.Gdy odłącze głośnik to wszystkie tranzystory są zimne.
Co jest nie tak?
Re: problem z budową piecyka gitarowego
Pierwsza rzecz to sprawdzenie napiecia stalego na wyjsciu - w zasadzie powinno sie uruchamiac wzmacniacz z podlaczonym tam miernikiem. Najprawdopodobniej masz duza skladowa stala na wyjsciu, spowodowana uszkodzeniem tranzystorow lub bledami montazowymi (oczywiscie chodzi o bd249 a nie 149?). Jak ci nie szkoda glosnika, to z glosnikiem, a jak szkoda, to z jakims obciazeniem (niech bedzie to moje zelazko
) zmierz napiecia w newralgicznych punktach. wtedy moze bedzie mozna zdalnie okreslic przyczyne klopotow.
Re: problem z budową piecyka gitarowego
Dzięki,chodzi o BD249
A gdzie są te punkty?
A gdzie są te punkty?
Re: problem z budową piecyka gitarowego
Nogi tranzystorow 
Re: problem z budową piecyka gitarowego
na wyjściu z podłączonym głośnikiem mam 130mV
Re: problem z budową piecyka gitarowego
Nadal niewiele wiemy... Napiecia na nogach tranzystorow pozwola po pierwsze potwierdzic albo wykluczyc uszkodzenie tych elementow a po drugie znalezc ewentualny blad w montazu - zreszta sam to bedziesz mogl latwo przeanalizowac, jak np. stwierdzisz, ze w dwoch punktach ukladu jest rozne napiecie mimo, ze te punkty sa (a raczej powinny byc) ze soba galwanicznie polaczone
- dosc czesto sie to zdarza. Sprawdz tez, czy nie pomyliles nog tranzystorow i diod.
Re: problem z budową piecyka gitarowego
takie napięcia są na tranystorach.
Re: problem z budową piecyka gitarowego
Ale nie tak...
Po pierwsze jeden kabel woltomierza do masy, z drugim do nog tranzystorow, a wyniki z plusem albo minusem, w odniesieniu do schematu.
Po drugie - tam jest wiecej tranzystorow
Po trzecie - dokladnosc! - nie mozesz miec takich wynikow na bd250. Wyniki wystarcza do jednego miejsca po przecinku, ale porzadnie, bo teraz od razu widac, ze cos jest nie tak.
Po pierwsze jeden kabel woltomierza do masy, z drugim do nog tranzystorow, a wyniki z plusem albo minusem, w odniesieniu do schematu.
Po drugie - tam jest wiecej tranzystorow
Po trzecie - dokladnosc! - nie mozesz miec takich wynikow na bd250. Wyniki wystarcza do jednego miejsca po przecinku, ale porzadnie, bo teraz od razu widac, ze cos jest nie tak.
Kto jest online
Użytkownicy przeglądający to forum: Obecnie na forum nie ma żadnego zarejestrowanego użytkownika i 104 gości

